151263 (621644)
Текст из файла
Курсова робота на тему: "Дослідження якостей лінійного ланцюга"
ЗМІСТ
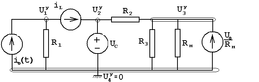
Завдання до курсової роботи
Нормування параметрів ланцюга
-
Аналіз ланцюга в тимчасовій області методом змінних станів при постійних впливах
-
Аналіз ланцюга операторным методом при аперіодичному впливі
-
Якісний аналіз ланцюга частотним методом при аперіодичному впливі
-
Аналіз ланцюга частотним методом при періодичному впливі
Висновок
Література
ЗАВДАННЯ ДО КУРСОВОЇ РОБОТИ
-
Аналіз ланцюга в тимчасовій області методом змінних станів при постійних впливах;
-
Аналіз ланцюга операторним методом при аперіодичному впливі;
-
Якісний аналіз ланцюга частотним методом при аперіодичному впливі;
-
Аналіз ланцюга частотним методом при періодичному впливі.
НОРМУВАННЯ ПАРАМЕТРІВ ЛАНЦЮГА
Далі індекс "*" опускається
-
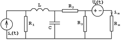
Аналіз ланцюга в тимчасовій області методом змінних станів при постійних впливах
Складання рівнянь стану ланцюга для
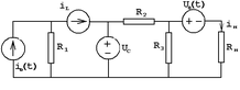
Зведемо динамічний ланцюг до резистивної (замінимо З-Елемент джерелом напруги, а L-Елемент замінимо на джерело струму):
Виразимо змінні стани (ic і UL), використовуючи метод вузлових напруг
Визначаємо коефіцієнти:
Після підстановки чисельних значень одержуємо:
Всі змінні виражаємо через змінні стани й впливи:
Рівняння стану ланцюга:
Знаходження точних рішень рівнянь стану
Загальний вид рішень рівнянь стану:
-
Незалежні початкові умови
-
Визначаємо змушенні при
-
Визначаємо корінь характеристичного багаточлена
-
Визначаємо постійні інтегрування
Точне рішення рівнянь стану:
Побудова точних рішень рівнянь стану
-
Аналіз ланцюга операторним методом при аперіодичному впливі
Операторна схема заміщення:
Визначення функції передачі.
Застосуємо метод пропорційних величин для знаходження функції передачі
Функція передачі:
Знаходження нулів і полюсів функції передачі й нанесення їх на площину комплексної частоти
- полюси функції передачі;
Кінцевих нулів функція передачі не має;
Визначення з функції передачі перехідної
й імпульсної
характеристики для вихідного сигналу
-
імпульсна характеристика
:
Зворотне перетворення Лапласа:
-
перехідна характеристика
:
Зворотне перетворення Лапласа:
Визначення зображення по Лапласові вхідного одиночного імпульсу
Одержимо зображення сигналу шляхом диференціювання
Для одержання самого сигналу, двічі інтегруємо
в s-області:
Визначення струму
на виході ланцюга, використовуючи функцію передачі на виході ланцюга
Побудова графіків перехідної й імпульсної характеристик ланцюга, а також вхідного й вихідного сигналів
-
Якісний аналіз ланцюга частотним методом при аперіодичному впливі
Знаходження й побудова амплітудно-фазової (АФХ), амплітудно-частотної (АЧХ) і фазочастотній (ФЧХ) характеристик функції передачі ланцюга
АЧХ:
ФЧХ:
Визначення смуги пропущення ланцюга за рівнем
Смуга пропущення визначена за графіком
с-1
Знаходження й побудова амплітудного й фазового спектрів аперіодичного вхідного сигналу й визначення ширини спектра за рівнем
Комплексний спектр вхідного сигналу:
Приведемо вираження в дужках до синуса по Ейлеру (помножимо й розділимо на
):
Амплітудний спектр вхідного сигналу:
Фазовий спектр вхідного сигналу:
Ширина спектра визначається за графіком:
с-1;
Зіставляючи відповідно спектри вхідного сигналу із частотними характеристиками ланцюга, дамо висновок про очікувані перекручування сигналу на виході ланцюга.
Можна встановити, що приблизно одна десята частина амплітудного спектра вхідного сигналу укладається в смугу пропущення, а фазочастотна характеристика в цій смузі має гіперболічну залежність, на відміну від прямолінійної фазочастотної характеристики вхідного сигналу. Таким чином, при проходженні через ланцюг вхідний сигнал буде в значній мірі перекручений. На виході ланцюга можна чекати сигнал, значно більше слабкий, чим поданий на вхід, і більше виражений по своїй тривалості. Цей якісний висновок підтверджується точним розрахунком у п.2.
-
Аналіз ланцюга частотним методом при періодичному впливі
Розкладемо в ряд Фур'є заданий вхідний періодичний сигнал. Побудуємо його амплітудний і фазовий спектри.
Для одержання амплітудного й фазового дискретного спектра виділимо модуль і фазу, для цього вираження зведемо до синуса по Ейлеру (помножимо й розділимо на
):
Амплітудний дискретний спектр:
Фазовий дискретний спектр:
|
| 0 | 1 | 2 | 3 | 4 | 5 | 6 |
|
| 1.111 | 0,856 | 0,354 | 0,041 | 0,011 | 0,052 | 0,03 |
|
| 0 | -1.745 | -3.491 | -5.236 | -3,84 | -8.727 | -10.472 |
Побудова вхідного періодичного сигналу і його апроксимації відрізком ряду Фур'є
Число гармонік ряду Фур'є визначається шириною спектра за рівнем
: 2 гармоніки
Побудова амплітудного й фазового спектрів вихідного періодичного сигналу, використовуючи розраховані в п.3.1 АЧХ і ФЧХ функції передачі ланцюга. Запис струму
на виході ланцюга у вигляді відрізка ряду Фур'є
АЧХ:
ФЧХ:
Амплітуди й початкові фази гармонік вихідної напруги:
|
|
|
|
|
|
|
| 0 | 0 | 0,372 | 0 | 0.413 | 0 |
| 1 | 3,491 | 0,033 | -2,742 | 0.028 | -4.487 |
| 2 | 6,981 | 0,008 | -2,947 | 0.003 | -6.438 |
| 3 | 10,480 | 0,004 | -3,013 | 0.0002 | -8.249 |
Відповідно до прийнятого критерію ширини спектра:
Побудова графіка струму
на виході ланцюга у вигляді суми гармонік знайденого відрізка ряду Фур'є
ВИСНОВОК
При дослідженні лінійного ланцюга, можна зробити висновок, що при проходженні трикутного імпульсу через ланцюг він спотворюється: розтягується в часі, змінюється його амплітуда. На виході при періодичному впливі імпульсу отримані слабо виражені коливання струму.
ЛІТЕРАТУРА
1. Афанасьєв В.В. і ін. Трансформатори струму. – К., 2003
2. Методичні вказівки до курсового проекту по курсу: "Електричні системи і мережі". – Суми, 2005
3. Руководящие указания по релейной защите. Вып. 13а. Релейная защита понижающих трансформаторов и автотрансформаторов 110 – 500 кВ.
4.Макаров Е.Ф. Обслуживание и ремонт электрооборудования электростанций и сетей. - М.: Академия, 2003 г.
5.Дьяков В.И. Типовые расчеты по электрооборудованию. - М.: Высшая школа, 1980 г.
6. Димків А.М., Кибель В. М., Тишенін Ю.В. Трансформатори напруги. – К., 1997
Характеристики
Тип файла документ
Документы такого типа открываются такими программами, как Microsoft Office Word на компьютерах Windows, Apple Pages на компьютерах Mac, Open Office - бесплатная альтернатива на различных платформах, в том числе Linux. Наиболее простым и современным решением будут Google документы, так как открываются онлайн без скачивания прямо в браузере на любой платформе. Существуют российские качественные аналоги, например от Яндекса.
Будьте внимательны на мобильных устройствах, так как там используются упрощённый функционал даже в официальном приложении от Microsoft, поэтому для просмотра скачивайте PDF-версию. А если нужно редактировать файл, то используйте оригинальный файл.
Файлы такого типа обычно разбиты на страницы, а текст может быть форматированным (жирный, курсив, выбор шрифта, таблицы и т.п.), а также в него можно добавлять изображения. Формат идеально подходит для рефератов, докладов и РПЗ курсовых проектов, которые необходимо распечатать. Кстати перед печатью также сохраняйте файл в PDF, так как принтер может начудить со шрифтами.















