151179 (621597)
Текст из файла
Министерство образования Российской федерации
ФГОУ
Чувашский государственный университет им И. Н. Ульянова
Технический институт
Электротехнический факультет
Кафедра САУЭП
Курсовой проект
ЭЛЕКТРОПРИВОД ПАССАЖИРСКОГО ПОДЪЕМНИКА
Задание №8
Чебоксары – 2006
Содержание
Введение
1. Исходные данные для проектирования
2. Определение статических нагрузок и моментов инерции, приведенных к валу двигателя подъемника
3. Определение потребляемой мощности и выбор электродвигателя
4. Расчет и выбор силовой схемы ТП
5. Расчет и построение механических характеристик ЭП
6. Графики зависимости скорости и тока якоря от времени за один цикл работы
7. Проверка выбранного двигателя по условиям нагрева и по перегрузочной способности
8. Расход электрической энергии за цикл работы и КПД установки
Заключение
Список литературы
1. Введение
Лифт - одно из самых гуманных достижений технического прогресса, позволяющее человеку без усилий покорять большие высоты за считанные секунды. Сегодня без лифтов немыслимо ни одно современное здание, будь то муниципальное жилье, офисный небоскреб или частный коттедж. С тех пор как в 1855 году американец Элайша Грейвс Отис изобрел первый в мире безопасный лифт, исключавший возможность падения кабины при обрыве канатов, устройство лифтов не претерпело существенных изменений. Конструкция подъемных машин довольно консервативна, и главная цель новых технических разработок - повышение надежности всех элементов и узлов лифтового оборудования.
Задание на курсовой проект
а. Расчётная часть
-
Определить массу противовеса, рассчитать статические моменты и моменты инерции, приведенные к валу двигателя.
-
Построить нагрузочные диаграммы, рассчитать мощность электродвигателя и выбрать его по каталогу.
-
Рассчитать мощность и выбрать силовую схему импульсного регулятора напряжения для питания электродвигателя.
-
Рассчитать электромеханические характеристики электропривода во всех режимах работы системы электропривода.
-
Рассчитать и построить графики скорости и тока якоря при пуске и торможении, принимая линейный во времени закон изменения напряжения на двигателе.
-
Проверить предварительно выбранный двигатель по нагреву и по перегрузочной способности.
-
Рассчитать расход электрической энергии за цикл работы и КПД установки.
б. Графическая часть
-
Кинематическая схема привода подъемника.
-
Нагрузочная диаграмма работы электропривода.
-
Схема силовой цепи электропривода.
-
Электромеханические характеристики электропривода.
-
Графики скорости, момента и вторичного тока в зависимости от времени работы.
1. Исходные данные для проектирования
Грузоподъемность - 8000Н
Скорость подъема кабины - 1,5м/с
Масса кабины - 300кг
Диаметр канатоведущего шкива - 0,7м
КПД системы - 0,8
Высота подъема - 10 м
Число несущих канатов - 4
Масса одного погонного метра канатов - 0,5 кг
Передаточное число редуктора - 36
Момент инерции редуктора и канатоведущего шкива составляет 20% от момента инерции двигателя.
Максимально допустимое ускорение и замедление - 1,5м/с2
Допустимая неточность останова -
0,02 м
Время работы аппаратов, дающих импульс на торможение - 0,25с
15%
Относительное отклонение массы груза -
20%
Тормозной момент механического тормоза равен 1,75 от номинальному момента электродвигателя
Отклонение момента тормоза -
15%
Время паузы от подъема до спуска - 50с
Время паузы после спуска до нового подъема - 70с
Рис.1 Кинематическая схема
Технические условия:
-
Сеть переменного тока, напряжением 220В.
-
Для привода подъемника используется двигатель постоянного тока независимого возбуждения.
-
Работа подъемника состоит в попеременном подъеме кабины с грузом и опускании порожней кабины.
-
При останове с пониженной скоростью применяется торможение наложением механического тормоза.
5. Моментами инерции направляющего и отводного шкивов пренебречь.
6. Кинематическая схемы приведена на рис.1
2. Определение статических нагрузок и моментов инерции, приведенных к валу двигателя подъемника
Противовес для лифтов выбирается с таким расчётом, чтобы он уравновешивал вес подъёмного сосуда (кабины) и часть номинального поднимаемого груза:
где α – коэффициент уравновешивания, обычно принимается равным 0.4 – 0.6.
отсюда следует, что
кг.
Найдём радиус приведения к валу двигателя
м
По заданию грузоподъемность
кг.
Момент инерции приведенный к валу двигателя
кгм
Так как при подъеме привод работает в двигательном режиме, то надо делить на
Найдем моменты сопротивления при подъёме:
Теперь найдем момент сопротивления при спуске, причем привод здесь тоже работает в двигательном режиме с порожней кабиной тогда :
Для того чтобы найти номинальный расчетный момент
нужно задаться тахограммой:
Рис.2 Тахограмма и нагрузочная диаграммы подъемника
Ускорение вала двигателя при пуске и торможении:
Время пуска
где
– установившаяся скорость подъема, м/с.
Примем время пуска tп равным времени торможения tт в обоих направлениях движения подъемника.
Угловая скорость вращения вала ЭД
где – скорость подъемника, м/с.
Расстояние, пройденное подъемником при пуске (торможении):
Расстояние, пройденное подъемником с установившейся скоростью:
Время движения подъемника с установившейся скоростью:
Время цикла:
Время работы при подъеме и спуске:
c.
Время работы суммарное:
Найдем продолжительность включения:
Момент на валу ЭД при пуске на подъем:
Момент на валу ЭД при установившейся скорости при подъеме подъемника:
Момент на валу ЭД при торможении на подъем:
Момент на валу ЭД при пуске на спуск:
Момент на валу ЭД при установившейся скорости при спуске подъемника:
Момент на валу ЭД при торможении на спуске:
Эквивалентный момент ЭД за все время работы:
3. Определение потребляемой мощности и выбор электродвигателя
При определении номинального расчетного момента для учета момента инерции самого двигателя примем поправочный коэффициент из ряда.
Принимаем
Номинальная расчетная мощность ЭД:
Частота вращения ЭД расчетная:
Т.к. Рн.р. > 4 кВт, то для питания силовой цепи преобразователя используем трех фазное напряжение Uс = 380В.
Выбираем электродвигатель постоянного тока серии 4ПНМ 112 – 4ПНМ 180
| Тип двигателя | 2ПН-160L |
| Номинальный вращающий момент Мн | 65,7 |
| Номинальная частота вращения nн ,об/мин | 1500 |
| Номинальная мощность Рн ,кВт | 11.0 |
| Номинальный ток Iн ,А | 56 |
| Номинальное напряжение Uн ,В | 220 |
| Номинальный магнитный поток Фн ,Вб | 11 |
| Момент инерции J ,кг*м2 | 0,104 |
| Электромеханическая постоянная времени, Тм, мс | 12,75 |
| Электромагнитная постоянная времени, Тэ, мс | 18,35 |
| Число витков обмотки якоря Wя | 186 |
| Сопротивление обмотки якоря Rя ,Ом | 0,096 |
| Cопротивление добавочных полюсов при 15°с Rд.п | 0,073 |
| Индуктивность якорной цепи при полном поле Lя | 3,1 |
| Число витков на полюс обмотки возбуждения Wв | 870 460 |
| Сопротивление обмотки возбуждения при 15°с Rв | 65,3 17,7 |
| Коэффициент момента Км | 1,17 |
| Коэффициент Э.Д.С. Ке | 0.123 |
| Максимальный магнитный поток Фм | 9,65 |
| Максимальная намагничивающая сила | 1140 |
| Коэффициент К1 | 2 |
Расчет недостающих параметров
Полное сопротивление:
Определим коэффициент с:
Электромагнитная постоянная времени якорной цепи:
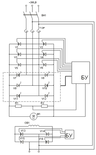
4. Расчет и выбор силовой схемы ТП
Рис.3 Электрическая схема силовой цепи преобразователя
1) Выбор силовой схемы
Выбор осуществляется из условия:
где Ud – выпрямленное напряжение преобразователя, В,
Id – выпрямленный ток, А.
Номинальная электрическая мощность, потребляемая от преобразователя:
Характеристики
Тип файла документ
Документы такого типа открываются такими программами, как Microsoft Office Word на компьютерах Windows, Apple Pages на компьютерах Mac, Open Office - бесплатная альтернатива на различных платформах, в том числе Linux. Наиболее простым и современным решением будут Google документы, так как открываются онлайн без скачивания прямо в браузере на любой платформе. Существуют российские качественные аналоги, например от Яндекса.
Будьте внимательны на мобильных устройствах, так как там используются упрощённый функционал даже в официальном приложении от Microsoft, поэтому для просмотра скачивайте PDF-версию. А если нужно редактировать файл, то используйте оригинальный файл.
Файлы такого типа обычно разбиты на страницы, а текст может быть форматированным (жирный, курсив, выбор шрифта, таблицы и т.п.), а также в него можно добавлять изображения. Формат идеально подходит для рефератов, докладов и РПЗ курсовых проектов, которые необходимо распечатать. Кстати перед печатью также сохраняйте файл в PDF, так как принтер может начудить со шрифтами.














