151130 (621581)
Текст из файла
Федеральное агентство по образованию
Государственное образовательное учреждение
среднего профессионального образования
Челябинский энергетический колледж имени С.М. Кирова
Защищено__________________________
руководитель проекта ___________В.В.Николаева
ЭЛЕКТРИЧЕСКАЯ ЧАСТЬ ТЭЦ – 180 МВТ
Пояснительная записка к курсовому проекту
По дисциплине: «Электрооборудование электрических станций сетей и систем
КП. 140206. 5-05. 180. ПЗ
Руководитель проекта _______________ В.В.Николаева
Разработал студент _______________ А.А.Курьин
Нормоконтролер _______________ С.В. Сединкина
2008
СОДЕРЖАНИЕ
Введение
1 Выбор основного оборудования на станции 4
2 Выбор главной схемы станции 6
3 Выбор трансформаторов 7
4 Выбор электрических принципиальных схем РУ разных напряжений 10
5 Технико-экономическое сравнение вариантов схем ТЭЦ 11
6 Выбор схемы и трансформаторов собственных нужд электростанции
7 Расчёт токов короткого замыкания 15
8 Выбор реакторов 23
9 Выбор аппаратов и токоведущих частей для заданных цепей 24
10 Выбор электрооборудования в цепи генератора 29
11 Выбор электрооборудования по номинальным параметрам для остальных цепей 32
12 Выбор РУ 10 кВ. 33
Список литературы 34
Приложение 35
Введение
Перспективы развития электроэнергии России.
Стратегическими целями развития отечественной электроэнергетики в перспективе до 2020 года является:
-
надежное энергоснабжение населения и экономики страны;
-
Сохранение целостности и развития Единой энергосистемы России интеграция ЕЭС с другими энергетическими объединениями на Евразийском континенте ;
-
Уменьшение вредного воздействия отрасли на окружающую среду.
Прирост потребности в генерирующей мощности и обновление оборудования намечается осуществлять введением следующих мероприятий:
-
продолжение эксплуатации следующих действующих ГЭС, АЭС и значит ТЭЦ и заменой только основных узлов и деталей оборудования станций.
-
Достройка энергообменников находящихся в высокой степени готовности .
-
Сооружение новых объектов.
-
Техническое перевооружение ТЭЦ с заменой оборудования.
Район проектируемой нами станции характеризуется по скорости ветра, относится ко 2 зоне, где ветер достигает 25 м/сек, толщина стенки льда на проводах достигает 10 мм.
Район имеет среднюю газоактивность 40- 60 часов.
1 ВЫБОР ОСНОВНОГО ОБОРУДОВАНИЯ НА СТАНЦИИ
1.1 Выбор генераторов
Согласно заданию на курсовой проект выбираю:
3 генератора типа ТВФ - 60-2
технические характеристики сносим в таблицу 1.1
Таблица 1.1-Технические характеристики генератора
| Тип генератора | Sн, МВА | Uн, кВ | Iн, кА | cosφ | Х//d | Возбуждение | Охлаждение | n% | |
| Статора | Ротора | ||||||||
| ТВФ-60-2 | 75 | 6,3 | 6,88 | 0,8 | 0,195 | М | КВР | НВР | 98,5 |
1.2 Выбор турбин
Для привода генераторов выбираем две турбины типа ПТ-60/75-130/18 и технические характеристики сносим в таблицу 1.2.
Таблица 1.2-Технические характеристики турбин
| Тип турбины | Мощность турбины, МВт | Температура свежего пара, С0 | Максимальный расход пара, Т/ч | Удельный расход теплоты, ккал/кВт*ч |
| ПТ-60/75-130/18 | 60/75 | 565 | 350 | 140 |
1.3 Выбор парогенераторов
Выбор парогенераторов производится:
- по типу тепловой схемы – блочная схема
Рисунок 1.1- блочная тепловая схема станции
-
по производительности пара т/час исходя из условия Д
Д
.
Выбираем три парогенератора типа Е-420-140
и технические характеристики сносим в таблицу 1.3.
Таблица 1.3.-Технические характеристики парогенератора
| Тип котла | Кол-во котлов на одну турбину | Паропроизводительность т/ч | Топливо | Схема технологических связей |
| Е-420-140 | 1 | 420 | Газ | Блочная |
2 ВЫБОР ДВУХ ВАРИАНТОВ СТРУКТУРНЫХ СХЕМ
2.1 Вариант 1
Рисунок 2.1- Структурная схема станции, вариант 1
2.2 Вариант 2
Рисунок 2.2 – структурная схема станции, вариант 2
3 ВЫБОР ТРАНСФОРМАТОРОВ
Выбор трансформаторов для первого варианта
3.1 Выбор трансформаторов связи Т1-Т2
Согласно НТП трансформаторы связи выбирают по четырём режимам
- если с шин РУ-10 кВ потребляется максимальная мощность:
(3.3)
где: ΣSг – суммарная мощность генераторов, подключённых к шинам РУ-10кВ
ΣSс.н. – мощность собственных нужд данных генераторов
(3.4)
- если с шин РУ-10 кВ потребляется минимальная мощность
(3.5)
- ремонтный режим – вывод в ремонт генератора G3
(3.6)
(3.7)
- аварийный режим – выход из строя одного из трансформаторов связи
где:
-наибольшая мощность из четырёх расчётных режимов
кп=1,4 - коэффициент аварийной перегрузки
Выбираем два трансформатора типа ТРДН-63000-220/10
3.2. Выбор автотрансформаторов связи Т2, Т3
Согласно НТП трансформаторы связи выбирают по четырём режимам
- если с шин РУ-10 кВ потребляется максимальная мощность:
(3.3)
где: ΣSг – суммарная мощность генераторов, подключённых к шинам РУ-10кВ
ΣSс.н. – мощность собственных нужд данных генераторов
(3.4)
- если с шин РУ-10 кВ потребляется минимальная мощность
(3.5)
- ремонтный режим – вывод в ремонт генератора G2
(3.6)
(3.7)
- аварийный режим – выход из строя одного из трансформаторов связи
где:
-наибольшая мощность из четырёх расчётных режимов
кп=1,4 - коэффициент аварийной перегрузки
Выбираем два трансформатора типа ТРДН-63000-220/10 [7]
3.3. Выбор блочного трансформатора Т1:
Выбираю блочный трансформатор типа: ТДЦ-80000/220/10
4 ВЫБОР ПРИНЦИПИАЛЬНЫХ СХЕМ РУ РАЗНЫХ НАПРЯЖЕНИЙ
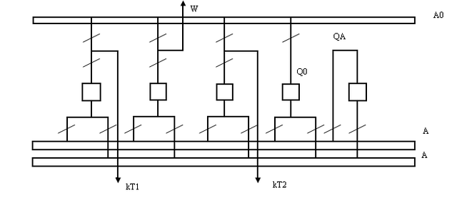
На напряжении 220 кВ выбираем схему с двумя рабочими и одной обходной системами шин. Схема применяется для РУ с большим числом присоединений. Как правило обе системы шин находятся под напряжением при фиксированном распределении всех присоединений. Такое распределение присоединений увеличивает надежность схемы, так как при К.З. на шинах отключаются шиносоединительный выключатель QА и только половина присоединений. Если повреждение устойчивое, то отключившиеся присоединения переводят на исправную систему шин.
Данная схема в достаточной степени надежна.
Недостатками этой схемы являются:
- большое количество операций разъединителями при выводе в ревизию и ремонт выключателей усложняет эксплуатацию РУ;
- повреждение шиносоединительного выключателя равноценно к.з. на обеих системах шин, т.е. приводит к отключению всех присоединений;
- необходимость установки ШСВ, обходного выключателя и большого количества разъединителей увеличивает затраты на сооружение РУ.
Схема приведена на рисунке 4.1
На напряжении 10 кВ выбираем схему с одной системой сборных шин, секционированной выключателем и токоограничивающим реактором, которые служат для ограничения тока к.з. на шинах.
Схема приведена на рисунке 4.2
Рисунок 4.1- схема с двумя рабочими и одной обходной системами шин
5 ТЕХНИКО-ЭКОНОМИЧЕСКИЙ РАСЧЁТ ГЛАВНОЙ СХЕМЫ
Одинаковые элементы схемы в сравниваемых вариантах из расчёта можно исключить, так как у них будут одинаковые затраты
Определим капитальные затраты вариантов
Таблица 5.1 – капитальные затраты
| № | Оборудование | Стоимость ед. Эл. обоудования . | I Вариант | II Вариант | ||
| Кол-во штук | Общая стоимость тыс. руб. | Кол-во штук | Общая стоимость тыс. руб. | |||
| 1 | ТРДН-63000 | 35350 | 2 | 70700 | 2 | 70700 |
| 2 | Ячейка реактора | 588 | 1 | 588 | - | - |
| 3 | ТДЦ-80000 | 2755,2 | - | - | 1 | 2755,2 |
| 4 | Ячейка ОРУ 220 | 42000 | - | - | 1 | 42000 |
| ИТОГО | 71288 | 115455 | ||||
5.1. Определяем приведённые затраты для первого варианта
Расчётные приведённые затраты определяются по выражению:
(5.1)
где: И1 - стоимость потерянной электроэнергии за год.
5.2. Определить стоимость потерянной электроэнергии за год.
(5.2)
β=1,5руб./кВт*ч – стоимость 1кВт*ч потерянной электроэнергии для Сибири
Характеристики
Тип файла документ
Документы такого типа открываются такими программами, как Microsoft Office Word на компьютерах Windows, Apple Pages на компьютерах Mac, Open Office - бесплатная альтернатива на различных платформах, в том числе Linux. Наиболее простым и современным решением будут Google документы, так как открываются онлайн без скачивания прямо в браузере на любой платформе. Существуют российские качественные аналоги, например от Яндекса.
Будьте внимательны на мобильных устройствах, так как там используются упрощённый функционал даже в официальном приложении от Microsoft, поэтому для просмотра скачивайте PDF-версию. А если нужно редактировать файл, то используйте оригинальный файл.
Файлы такого типа обычно разбиты на страницы, а текст может быть форматированным (жирный, курсив, выбор шрифта, таблицы и т.п.), а также в него можно добавлять изображения. Формат идеально подходит для рефератов, докладов и РПЗ курсовых проектов, которые необходимо распечатать. Кстати перед печатью также сохраняйте файл в PDF, так как принтер может начудить со шрифтами.
Д
.















