151130 (621581), страница 2
Текст из файла (страница 2)
Определение потерь мощности в двухобмоточном трансформаторе
где: Рхх – потери холостого хода трансформатора, кВт;
Т=Тгод.*Трем. – число работы трансформатора в год;
Тгод=8760час.;
Трем.=600час.; - время ремонта;
Рк - потери короткого замыкания трансформатора, 265 кВт;
где: Sн.т. – номинальная мощность трансформатора, 63000 кВА;
τмах – условное время максимальных потерь, определяется по
кривым τмах=f(Тмах)= 3500
(5.3)
Определить затраты на амортизацию и обслуживание станции.
(5.4)
где: РА% и РО% - нормы отчисления на амортизацию и на обслуживание;
К – стоимость трансформаторов и ячеек электрооборудования;
5.3 Определяем приведённые затраты для второго варианта
5.4 Сравниваем затраты первой и второй схемы
(5.6)
Выбираем схему первого варианта, так как разница между ЗПР.1 и ЗПР.2 <5% и с экономической точки зрения вариант схемы №2 не целесообразен.
6 ВЫБОР СХЕМЫ И ТРАНСФОРМАТОРОВ СОБСТВЕННЫХ НУЖД НА ЭЛЕКТРОСТАНЦИИ
6.1 Выбираем рабочие ТСН по условию:
(6.1)
где: kс=0,8 – коэффициент спроса для ТЭЦ;
Sс.н. – мощность собственных нужд генератора;
Выбираем три ТСН типа ТМНС-40000/10/6,3, [7]
ТМН- 4000/10/6,3
Включая к Т1 со стороны обмотки НН,
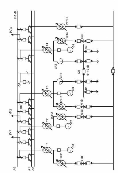
Схема собственных нужд станции приведена на рисунке 6.1
Рисунок 6.1- главная схема станций
7 РАСЧЁТ ТОКОВ КОРОТКОГО ЗАМЫКАНИЯ
7.1 Определить параметры расчетной схемы.
Определить базисные значения.
Sc= 7000 мВА; l=160 км; X*C= 0.98
Рисунок 7.1 – расчётная схема
7.2 Составить схему замещения
Рисунок 7.2- схема замещения
7.3 Определить параметры схемы замещения.
Определить базисный ток:
За базисные условия принять: Sб=1000 МВА; Uб=Uср.=115В.
Определить сопротивление системы
(7.1)
Определить сопротивление линий по условию:
(7.2)
где: Худ.=0,4 Ом*км – для напряжения 220кВ
Для трансформаторов с расщепленной обмоткой
(7.3)
Определить сопротивление для генератора
Определить сопротивление реактора
(7.5)
7.4 Расчёт токов короткого замыкания в точке К–1
Преобразуем схему от источника к точке короткого замыкания
7.5 Определить токи к.з. в точке К-1 в начальный момент времени
От энергосистемы:
где: Е//=1 – сверхпереходная ЭДС источников для системы [7]
(7.9)
(7.10)
где: iа.о. – апериодическая составляющая тока короткого замыкания, кА;
iу – ударный ток, кА;
kу – ударный коэффициент [7]
От генераторов G1- G3:
Е//=1,08 – сверхпереходная ЭДС генераторов ;
7.6 Определить токи к.з. в точке К-1 в момент отключения
- Предварительно выбираем выключатель по напряжению: выбираю элегазовый выключатель типа ВГУ-220
Определяем полное время отключения короткого замыкания
(7.11)
где: tв – полное время отключения выключателя;
tр.з.=0,01сек. – время срабатывания релейной защиты;
Определить значение токов по ветвям
От системы:
(7.12)
(7.13)
где: значение
определяется по кривым [7]
От генераторов G1-G3
Определяем приведённый ток генераторов к той ступени напряжения, на которой рассматривается короткое замыкание.
(7.14)
где: ΣРном. – суммарная мощность генераторов;
COSφ – коэффициент мощности генераторов;
Определяем отключение периодической составляющей тока короткого замыкания к приведённому току генераторов
(7.15)
Найти по кривым значение отношения: [7]
(7.16)
Определяем периодическую составляющую короткого замыкания в момент отключения
(7.17)
7
.7 Выполнить расчёт токов короткого замыкания в точке К-2 аналогично расчету К.З. в точке К-1.
7.8 Определить токи К.З. в точке К-2 в начальный момент времени К.З.
От энергосистемы
От генераторов G1;G3
От генератора G2
Выбор выключателя.
7.9 Выбираем выключатель типа МГГ-10-63
Определяем полное время отключения короткого замыкания
Определяем значение токов по ветвям
От системы:
От генераторов G1;G3
Определяем приведённый ток генераторов к той ступени напряжения, на которой рассматривается короткое замыкание
Определяем отношение периодической составляющей тока короткого замыкания к приведённому току генераторов
Определяем апериодическую составляющую короткого замыкания в момент отключения
От генератора G2
Полученные значения токов сносим в таблицу 7.1
Таблица 7.1 – Значения токов короткого замыкания
| Точки | Токи к. з. Источники | Iп.о., кА | iа.о., кА | iу, кА | | iа.t., кА | |
| К-1 | Система | 5,7 | 8,06 | 14,8 | 5,7 | 1,6 | |
| G1 и G3 | 1,04 | 1,47 | 2,5 | 1,04 | 40,3 | ||
| Суммарный | 6,74 | 9,53 | 17,3 | 6,74 | 1,9 | ||
| К-2 | Система | 13 | 18,4 | 35,8 | 13 | 3,6 | |
| G1;G3 | 19,2 | 27,15 | 53 | 10,78 | 8,3 | ||
| G2 | 23 | 32,5 | 63,5 | 14,95 | 19,5 | ||
| Суммарный | 32,2 | 45,6 | 88,8 | 23,78 | 11,9 | ||
8 ВЫБОР РЕАКТОРОВ НА НАПРЯЖЕНИЕ 6-10 кВ
8.1 Выбор секционных реакторов
- производится по току:
- по напряжению:
Uуст= UР
- по току:
Imax < Iуст 2,8868< 4,125
- по роду установки: внутренней.
Выбираем реактор типа РБДГ-10-4000-0,18
9 ВЫБОР АППАРАТОВ И ТОКОВЕДУЩИХ ЧАСТЕЙ ДЛЯ ЗАДАННЫХ ЦЕПЕЙ
9.1 Выбор сборных шин и ошиновки на стороне 220 кВ.
- Провести выбор сечения сборных шин по допустимому току при максимальной нагрузки на шинах.
- Выбираем провод АС 240/32
- Проверить выбранный провод по условию коронирования
- Определить начальную критическую напряженность:
- Напряженностьэлектрического поля вокруг нерасщепленных проводов:
АС 240/32 по условию коронирования подходит.
- Выбранный провод на термическую прочность не проверяется, т.к. расположен на открытом воздухе и в нормальных условиях охлаждения.
- Провода на схлестывания фаз не проверяются, т.к.
9.2 Выбор выключателей и разъединителей
По напряжению: UУСТ≤UНОМ UУСТ=220кВ
По току:
По отключающей способности:
Выбрать по каталогу выключатель и разъединитель.
Выбираю выключатель: ВГУ-220/3150
Выбираю разъединитель: РДЗ-220/1000
- Проверить выключатель и разъединитель на электродинамическую
стойкость
In.o ≤ Iдин ; iу≤iдин
In.o=6,74кА≤ Iдин=50 кА
iу=17,3 кА≤iдин=127 кА
- Проверить выключатель и разъединитель на термическую стойкость по тепловому импульсу.
Для выключателя:
Для разъединителя:
Таблица 9.1 – технические характеристики выключателя и разъединителя
| Расчётные данные | Каталожные данные | ||
| Вык–ль ВГУ-220/3150 | Разъединитель РДЗ-220/1000 | ||
|
|
|
| |
|
|
|
| |
|
|
| - | |
|
|
| - | |
|
|
| - | |
|
|
|
| |
|
|
|
| |
9.3 Выбор трансформаторов тока и напряжения
По роду установки наружный (ОРУ)
По напряжению установки: UУСТ≤UНОМ
UУСТ=220кВ
По току IMAX≤IНОМ
Выбираем предварительно трансформатор тока типа ТФЗМ 220-У1
Расчётные и каталожные данные сводим в таблицу
| Расчётные данные | Каталожные данные |
| Uуст.=220кВ Iмах=165,5А iу=17,3кА В r2=0,77Ом | Uном.=220кВ Iном.=300А iдин.=25кА В r2НОМ=1.2Ом |
Выбрать перечень приборов согласно ПУЭ для заданной цепи.
| Прибор | Тип | Нагрузка на фазы | ||
| A | B | C | ||
| Амперметр | Н-344 | 0,5 | - | 0,5 |
| ИТОГО: | 0,5 | - | 0,5 | |
- проверить трансформатора тока по вторичной нагрузке
где: Z2 – вторичная нагрузка трансформатора тока;
Z2ном. – номинальная допустимая нагрузка трансформатора
тока в выбранном классе точности;
Определить вторичную нагрузку трансформатора тока
Индуктивное сопротивление токовых цепей невелико, поэтому:
z2≈r2
Определить сопротивление приборов
где: Sпр. – мощность потребляемая приборами
I2 – вторичный номинальный ток приборов;
Принимаем сопротивление контактов rк=0.1Ом
Определяем сопротивление проводов
rпров=
-
Проверить ТА на электродинамическую стойкость
Тепловой импульс от действия тока короткого замыкания
Определить термическую стойкость гарантируемую заводом изготовителем.
Выбрать трансформатор напряжения (TU)
Выбираю трансформатор напряжения НКФ-220кл 0:5
| Прибор | Тип | S одной об-ки, В*А | Числ об-ок | СОSφ | Sinφ | Число приборов | Общая потребляемая S Р, Вт Q,В*А | |
| Ваттметр | Д-335 | 1.5 | 2 | 1 | 0 | 5 | 15 | - |
| Варметр | Д-365 | 1.5 | 2 | 1 | 0 | 5 | 15 | |
| Фиксирующие приборы | ФИП | 3 | 2 | 1 | 0 | 5 | 30 | |
| Счетчик | ЧЭ-6812 | 2 | 2 | 0.38 | 0.925 | 5 | 20 | 48,5 |
| Синхроскоп | Э-327 | 1 | 2 | 1 | 0 | 1 | 2 | - |
| Вольтметр | Э-335 | 2 | 1 | 1 | 0 | 2 | 4 | |
| Регистрирующий вольтметр | H-344 | 10 | 1 | 1 | 0 | 2 | 2 | |
| Частометр | Э-372 | 3 | 1 | 1 | 0 | 2 | 6 | |
| Частометр | Э-362 | 2 | 1 | 1 | 0 | 1 | 2 | |
| ИТОГО: | 28 | 96 | 48,5 | |||||
Три трансформатора соединены по схеме звезда/звезда/разомкнутый треугольник и имеют мощность 107,5ВА, что больше расчётной мощности.
Трансформатор напряжения будет работать в выбранном классе точности 0,5.
Принимаю к установке трансформатор напряжения типа: НКФ-220.
Для соединения трансформатора напряжения с приборами принимаем контрольный кабель КРВГ с сечением жил 2,5 мм.
10.Выбор оборудования в цепи генератора.
10.1Выбор трансформаторов тока.
Так как участок от выводов генератора до фасадной стены турбинного отделения выполнен комплектным токопроводом типа: ГРТЕ -20-10000-300,то выбираем трансформатор тока, встроенный в токопровод, типа ТШВ-15Б-8000/5/5 и технические характеристики сносим в таблицу.
Технические характеристики трансформатора тока.
| Тип тр-ра | IНОМ пер А | IНОМ втор А | Исполнение втор обмотки | UНОМ, кВ | UНОМ раб, кВ | tтер, с | iдин, кА |
| ТШВ-15Б | 8000 | 5 | 0,2/108 | 15 | - | 3 | - |
Перечень приборов
| Прибор | Тип | Нагрузка на фазы | ||
| A | B | C | ||
| Ваттметр | Д-335 | 0,5 | - | 0,5 |
| Варметр | Д-335 | 0,5 | - | 0,5 |
| Счётчик активной энергии | ЦЭ-6812 | 2,0 | - | 2,0 |
| Датчик активной мощности | Е-849 | 1,0 | - | 1,0 |
| Амперметр регистр | Н-344 | - | 10 | - |
| Ваттметр | Р-348 | 10 | - | 10 |
| Ваттметр | Д-335 | 0,5 | - | 0,5 |
| Датчик реактивной мощности | Е-830 | 1,0 | - | 1,0 |
| ИТОГО: | 15,5 | 10 | 15,5 | |
Определяем общее сопротивление проводов:
Определить допустимое сопротивление проводов:
Для генератора ТВФ-60МВт применяется кабель с медными шинами, ориентированная длина – 40 м
Принимаем контрольный кабель КРВГ-2.5мм2
В цепи комплектного пофазного экранированного токопровода установлен трансформатор напряжения ЗНОМ-15-63 итехнические данные сносим в таблицу
Технические характеристики трансформатора напряжения (класс точности 0,5)
| Тип трансформатора | Uном.пер, кВ | Uном.втор,кВ | Uном.доп, кВ | Sном, В*А | Smax,В*А |
| ЗНОМ-15-63 У2 | | | 100/3 | 50 | 400 |
Вторичная нагрузка трансформатора
| Прибор | Тип | S одной об-ки, В*А | Числ об-ок | СОSφ | Sinφ | Число приборов | Общая потребляемая S Р, Вт Q,В*А |
| вольтметр | Э-335 | 2 | 1 | 1 | 0 | 1 | 2 - |
| Ваттметр | Д-335 | 1.5 | 2 | 1 | 0 | 2 | 6 |
| Варметр | Д-335 | 1.5 | 2 | 1 | 0 | 1 | 3 - |
| Датчик активной мощности | Е-829 | 10 | - | 1 | 0 | 1 | 10 |
| Датчик реактивной мощности | Е-830 | 10 | - | 1 | 0 | 1 | 10 |
| Счетчик активной энергии | ЦЭ-6812 | 2 | 2 | 0.38 | 0,925 | 1 | 4 9.7 |
| Ватметр регистрирующий | Н-344 | 10 | 2 | 1 | 0 | 1 | 20 |
| Вольтметр регистрирующий | Э-379 | 10 | 1 | 1 | 0 | 1 | 10 |
| Частотометр | Э-373 | 3 | 1 | 1 | 0 | 2 | 6 |
| Синхроскоп | Е-327 | 10 | 1 | 1 | 0 | 1 | 10 |
| ИТОГО: | 81 9.7 |
Выбранный трансформатор ЗНОМ-15 имеет номинальную мощность 75В*А в классе точности 0.5
71.7<75 – трансформатор напряжения будет работать в выбранном классе точности 0,5.
11 ВЫБОР ЭЛЕКТРООБОРУДОВАНИЯ ПО НОМИНАЛЬНЫМ ПАРАМЕТРАМ ДЛЯ ОСТАЛЬНЫХ ЦЕПЕЙ.
11.1 Выбор оборудования и токоведущих частей от генератора до распределительного устройства 10кВ.
Выбор электрооборудования производим по наибольшему из токов
Выбираем выключатели типа: МГГ-10-5000 и разъединители типа:РВР-20/6300 и их характеристики сносим в таблицу 10.1
Таблица 10.1. – технические характеристики выключателя и разъединителя.
| Расчётные данные | Каталожные данные Выключатель МГГ-10-5000 | Каталожные данные Разъединитель РВР-20/6300 |
| Uном=10кВ Iмах=4565А | Uном.=10кВ Iном.=5000А | Uном.=20кВ Iном.=6300А |
12.Выбор комплектного РУ-10 кВ
Для РУ-6-10 кВ в системе собственных нужд электрической станции для системы с одной системой шин выбираю КРУ для внутренней установки с маломасленным выключателем МГГ серии К-ХХ VI.
Шкаф КРУ состоит из шестого металлического корпуса, внутри которого расположена вся аппаратура.
Для безопасности обслуживания локализации аварии корпус разделен на отсеки металлическими перегородками и автоматически закрывающимися шторками.
Выключатель с приводом установлен на выкатной тележке.
В верхней и нижней частях тележки расположены подвижные разъединяющие контакты, которые при вкатывании тележки в шкаф замыкается с шинным и линейным неподвижным контактов. При выкатывании тележки с предварительно отключенным выключателем разъединенные контакты отключаются, и выключатель при этом будет отсоединен от сборных шин и кабельных вводов.
СПИСОК ЛИТЕРАТУРЫ
1. Дьяков В.Б. “Типовые расчёты по электрооборудованию”.-М.: Высшая школа, 1991г.
2. Неклепаев Б.Н. и др. “Электрическая часть электростанций и подстанций”.-М.: Энергоатомиздат, 1989г.
3. “Нормы технологического проектирования тепловых электрических станций и тепловых сетей”.-М.: Информэнерго, 1990г.
4. Основные направления развития энергетики. Непорожнев И.С. “Технический прогресс энергетики России”.-М.: Энергоаттомиздат, 1986г.
5. “Правила устройства электроустановок”.-М.: Энергоатомиздат, 1986г.
6. Смирнов А.Д. и др. “Справочная книжка энергетика”.-М.: Энергоатомиздат, 1984г.
7. Рожкова Л.Д. и др. “Электрооборудование станций и подстанций”.-М.: Энергоатомиздат, 1987г
5>75>














