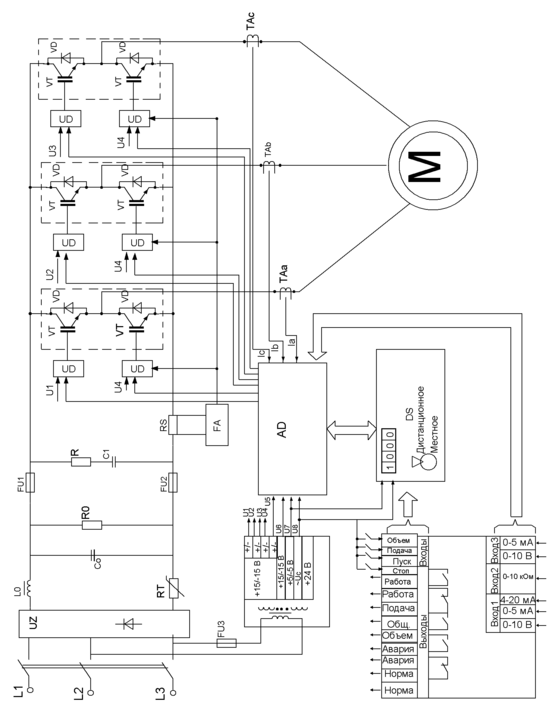
151036 (621551), страница 4
Текст из файла (страница 4)
где Rth(j-c)q – термическое переходное сопротивление кристалл–корпус для IGBT части модуля. При этом должно выполняться неравенство
Tja ≤ 125 0C.
Температура кристалла обратного диода FWD
(2.13)
где Rth(j-c)d – термическое переходное сопротивление кристалл–корпус для FWD части модуля. Должно выполняться неравенство Тj ≤ 125 0C.
2.5 Расчет выпрямителя
Максимальное значение среднего выпрямленного тока
(2.14)
А
где n – количество пар IGBT/FWD в инверторе.
Максимальный рабочий ток диода
(2.15)
А
где при оптимальных параметрах Г-образного LС-фильтра, установленного на выходе выпрямителя, kcc =1,045 для мостовой трехфазной схемы; kcc = 1,57 для мостовой однофазной схемы.
Максимальное обратное напряжение вентиля (для мостовых схем)
(2.16)
В
где kc ≥ 1,1– коэффициент допустимого повышения напряжения сети; k3H – коэффициент запаса по напряжению (>1,15); ΔUн – запас на коммутационные выбросы напряжения в звене постоянного тока (≈100–150 В).
Выбираем вентиль для функциональной электрической схемы АД эл. при вода с ПЧ по следующим данным:
В
А
Выбираем вентиль RM75DZ-2H
Расчет потерь в выпрямителе для установившегося режима работы электропривода (
):
(2.17)
Вт
где kcs = 0,577 для мостовой трехфазной схемы; kcs = 0,785 для мостовой однофазной схемы; Ron – динамическое сопротивление в проводящем состоянии вентиля;
Uj – прямое падение напряжения на вентиле при токе 50 мА (Uj + RonIdm/k1) – составляет около 1 В для диода или 1,3 В для тиристора; mv – число вентилей в схеме.
Максимальное допустимое переходное сопротивление охладитель-окружающая среда
в расчете на выпрямитель
(2.18)
где Rth(c-f) – термическое переходное сопротивление корпус–поверхность теплопроводящей пластины модуля.
Температура кристалла
(2.19)
0С
где Rth(j-c)d – термическое переходное сопротивление кристалл–корпус для одного вентиля модуля; nD – количество вентилей в модуле. Необходимо, чтобы выполнялось неравенство TjDV ≤ 140 0С.
2.6 Расчет параметров охладителя
При установке модулей (выпрямитель, инвертор) на общий охладитель требуемое сопротивление определяется аналогично суммарному сопротивлению при параллельном включении резисторов
Т.к мы предусматриваем общий охладитель для выпрямленного и автономного инвертора то тепловое сопротивление охладителя находятся по формуле
(2.20)
Используя график зависимости теплового сопротивления
скорости воздушного потока при принудительном охлаждении радиатора (рис. 1) определяем что при скорости обдува V=6м/с
рис. 1
Определяем
при 6 м/с
По полученным результатам выбираем охладитель для вентиля функциональной электрической схемы АД эл. привода с ПЧ. [6]
2.7 Расчет сглаживающего фильтра
Коэффициент пульсаций на входе фильтра (отношение амплитуды напряжения к среднему значению)
(2.21)
где m – пульсность схемы выпрямления (m = 6 для трехфазной мостовой схемы, m = 2 для однофазной мостовой схемы).
Параметр сглаживания LC-фильтра
(2.22)
где S = q1вх/q1вых – коэффициент сглаживания по первой гармонике; fs – минимальная частота выходного напряжения в ПЧ, равная 30 Гц.
В качестве индуктивности используем паразитную индуктивность питающей кабельной линии, задаёмся длинной кабельной линии
(50…100)м
Выбираем погонную индуктивность из справочника
нГн.
Ёмкость конденсатора необходимой для реализации LC фильтра
(2.23)
мкФ
(2.24)
(2.25)
мГн
где Id – номинальный средний ток звена постоянного тока, А.
Емкость конденсаторов, необходимая для протекания реактивного тока нагрузки инвертора [1], находится из выражения
(2.26)
мкФ
-амплитудное значение тока, в обмотке низшего напряжения трансформатора =
через IGBT ключ
угол сдвига м/у первой гармоникой
и
на двигателе
=320
коэффициент пульсаций на выходе LC фильтра
Амплитуда тока через конденсаторы фильтра на частоте пульсаций выпрямленного тока (по первой гармонике)
(2.27)
А
А
где
- наибольшая ёмкость из
и
,
мкФ
Выбираем марку электролитического конденсатора для батареи конденсаторов на ёмкость не менее 7500 мкФ с напряжением не менее (1,1…1,2) Ud=615,6 В запас по напряжению.
Составляем батарею
Выбираются небольшие конденсаторы электролитические с ёмкостью 680 мкФ напряжением 500 В, составляются пары из двух последовательно включённых конденсаторов, ёмкость такой пары 340 мкФ, рабочее напряжение 1000 В. Получается параллельно включённых порядка 24 пар, 48 конденсаторов марки Siemens Matsushita Components.Номинальный ток конденсатора свыше 300А, срок службы 15 лет.
2.8 Расчет снаббера
Снаббер защищает цепь от пробоя напряжения, а в частности защищает силовые транзисторы от выброса мощности в следствии паразитной индуктивности.
Рассматриваемая схема:
| Схема | Особенности | |
|
|
| |
Выбираем ёмкость снабберной цепи из расчёта 2 мкФ на 100А коммутированного тока.
Выбор величины сопротивления производится из условия минимума колебаний тока коллектора при включении IGBT
(2.29)
Ом
где LSn – индуктивность цепей снаббера, которая не должна быть более 10 нГн.
Мощность в резисторе
(2.30)
Вт
Вт
Выбираем высокочастотные резисторы
Для нашей схемы необходимо 10 резисторов.
Набрать снабберный резистор из резисторов типа МЛТ-1Вт, МЛТ-2Вт
Из стандартных значений по шкале сопротивлений с допуском номинала 5%
Соединяется последовательно или параллельно собираем резистор RCH
Снабберный диод выбирается по табличке [5] диод должен быть сверх высокочастотным или из методички. Выбираем по току в 20-50 раз меньше среднего тока IGBT транзистора
А,
напряжение снабберного диода
Выбираем снабберный диод серии MBR5150E для функциональной электрической схемы АД электропривода с ПЧ. со следующими данными:
IFAV=5 А
URRM=1500 В
UFM=2.0 В;
tвкл=175 нс;
tоткл=130 нс
Для нашей схемы нам потребуется 1 диод.
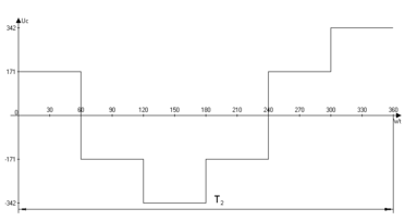
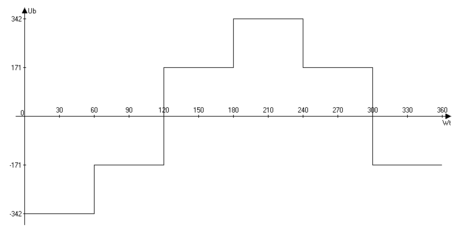
Строим временные диаграммы ступенчатых выходных напряжений П/Ч.
(
) (2.31)
(2.32)
В
;
;
(2.33)
(2.34)
Рассчитываем текущие значения для каждого периода (всего 10)используя диаграммы выходного напряжения ПЧ с ШИМ регулированием.
Вт
Аналогично рассчитываем для остальных значений
Заключение
В данном курсовом проекте рассчитан УВ и ПЧ для функциональной электрической схемы асинхронного ЭП с ПЧ и электрической принципиальной схемы УВ.
Рассчитаны все основные параметры и выбраны все необходимые элементы схемы.
Приложение 1
Приложение 2
Приложение 3
Библиографический список
-
Герасимов В.Г. «Электротехнический справочник Т2», МэИ, 2002
-
Герасимов В.Г. «Электротехнический справочник Т4», МэИ, 2002
-
Ковалев Ю.З., Кузнецов Е.М. «Электрооборудование промышленности» Омск 2006
-
Справочник «Охладители воздушных систем для п/п приборов»
-
Чебовский О.Г. Моисеев Л.Г. Недошивин Р.П. Силовые полупроводниковые приборы: Справочник. 2-е изд., перераб. и доп. М.: Энергоатомиздат, 1985. 512 с.
-
Охладители воздушных систем охлаждения для п/п приборов. Каталог 05.20.06-86 Информэлектра 1896 31с.
1















