150869 (621477), страница 4
Текст из файла (страница 4)
Визначення реактивної потужності компенсуючих пристроїв споживачів електроенергії
Qкп = Qр.5 – Qе.5 (1.29)
де Qe.5 розрахункова реактивна потужність підприємства на V рівні електропостачання (береться з таблиці 1.3 з урахуванням коефіцієнта одночасності збігання максимумів навантаження), квар.
,квар
Загальна встановлена потужність компенсуючого пристрою підприємства:
Qз = Qн.к + Qaд + Qв.к (1.30)
де Qн.к - реактивна потужність конденсаторних установок (КУ) споживача з напругою конденсаторів до 1кВ, квар.
QAД – реактивна потужність одержувана від AД, квар;
Qв.к- реактивна потужність КУ споживача з напругою конденсаторів понад 1кВ, квар.
Визначення потужності конденсаторних установок з номінальною напругою конденсаторів до 1 кВ. Потужність цих КУ визначається при розрахунках систем внутрішньозаводського та внутрішньо цехового електропостачання. Максимальна реактивна потужність, яку доцільно передавати через трансформатор 10/0,4 кВ у мережу напругою до 1 кВ для забезпечення бажаного коефіцієнта його завантаження
, становить
, квар, (1.31)
де N - кількість трансформаторів ТП, шт.;
Sном. - повна номінальна потужність трансформатора цехової ПС, кВА;
Рр.3 - розрахункова активна потужність навантаження на III рівні електропостачання (розрахункова активна потужність цеху Рр.ц з таблиці 1.3), кВт. Якщо під коренем величина зі знаком "мінус", то приймають QТ = 0.
Потужність КУ із конденсаторами номінальною напругою до 1 кВ (у курсовій роботі номінальною напругою 0,4 кВ) визначено як
Qн.к = Qр.т – Qт (1.32)
де Qр.т. - розрахункова реактивна потужність на III рівні електропостачання, яка дорівнює розрахунковій реактивній потужності цеху Qр.ц з таблиці 1.3, квар.
, квар;
, квар
Розрахунки для вибору номінальної потужності конденсаторів номінальною напругою 0,4 кВ для цехових ПС наведені в таблиці 5.1.
Таблиця 5.1 - Визначення потужності комплектних конденсаторних установок
| № цеху | Qт, квар | Qн.к, квар | Тип і номінал | Потужність, квар | Кількість ККУ |
| 1 | 508,8 | 229,16 | УКРП 0.4-120-20УЗ | 120 | 2 |
| 2 | 769,5 | -189,1 | - | - | - |
| 3 | 1195 | -340,8 | - | - | - |
| 4 | 913,2 | -478,7 | - | - | - |
| 5 | 1124,7 | -517,44 | - | - | - |
| 6 | 931,3 | -489,1 | - | - | - |
| 7 | 2861,2 | -337,7 | - | - | - |
Визначення потужності конденсаторних установок з номінальною напругою конденсаторів 6,3 кВ. Потужність цих КУ визначено при розрахунках систем зовнішнього та внутрішньозаводського електропостачання за формулою
Qв.к = Σ Qк.н - Σ Qн.к.ст, (1.33)
де Σ Qн.к.ст - сумарна потужність встановлених низьковольтних ККУ.
, квар
Для застосування приймається найближча стандартна величина потужності ККУ Qн.к.ст що вибрана зі спеціальної технічної літератури. Кількість ККУ повинна бути парною. Обираємо УКЛ 10,5-1350 УЗ
1.6 Розробка схеми електропостачання підприємства
Відповідно до нових норм технологічного проектування ПС змінного струму з вищою напругою 6-750 кВ [9] у схемах роз подільних пристроїв 35 кВ і більше на ГПП віддільники та короткозамикачі замість вимикачів не застосовуються, бо їх використання вимагає утворення штучного КЗ для забезпечення умов вимкнення вимикача на початку лінії, що призводить до таких обставин: збільшується зона аварії, бо при пошкодженні на живильному відгалуженні до трансформатора чи на самому трансформаторі короткочасно відключаються всі інші трансформатори, приєднані до даної магістралі, що недопустимо для виробництв з безперервним технологічним процесом; підвищується потужність однофазних КЗ (особливо в разі наявності СД, які створюють підживлення КЗ); значно ускладнюються схеми РЗ та автоматики.
У разі відсутності транзиту потужності застосовують перемички з двома роз'єднувачами (схеми 35-2 та 110-2 [9]), що дозволяє використовувати одну лінії та два трансформатори або дві лінії та один трансформатор в умовах ремонту відповідно лінії та трансформатора, тому на високій стороні (110кВ) приймаємо схему перемички з двома роз’єднувачами.
Внутрішньозаводський розподіл електричної енергії при напрузі 6 або 10 кВ може бути виконаний за радіальною, магістральною або змішаною схемами. Кожна з цих схем відрізняється за ступенем надійності та техніко-економічними показниками залежно від конкретних вимог проектованого об'єкта [2-5, 10].
У сучасній практиці проектування та експлуатації промислових підприємств здійснюється ступеневий принцип побудови схем. Під ступенем електропостачання розуміють вузли схеми електропостачання, між якими електроенергія, одержувана від ДЖ, передається визначеній кількості споживачів.
Схеми бувають одноступеневі та багатоступеневі. У багатоступеневих схемах застосовуються РП однієї напруги, від яких живляться окремі потужні ЕП або група ЕП. Це дозволяє зменшити кількість вимикачів у розподільному пристрої 10 кВ ГПП від великої кількості відгалужувальних ліній малої потужності. При виборі схем слід прагнути до зниження кількості ступенів (більше двох ступенів, як правило, не рекомендується), бо це спрощує комутацію, захист та автоматику, знижує втрати електроенергії.
Двоступеневі радіальні схеми застосовують на великих і середніх підприємствах з цехами (групами цехів), які розташовані на великій території. Живлення розташованих поруч одно-та двотрансформаторних ПС без шин ВН та ЕП з напругою понад 1 кВ здійснюється від проміжних РП (РШ - РПЗ), що живляться від ГПП радіальними лініями першого ступеня. При цьому всі комутаційні та захисні апарати розміщуються на РП. На цехових ТП передбачається глухе приєднання трансформаторів до радіальних ліній другого ступеня. Це дуже спрощує конструкцію та зменшує габарити ТП, що має велике значення при застосуванні внутрішньо цехових ТП.
Питання про спорудження РП розглядають при кількості радіальних ліній, що перевищує вісім. Сумарна потужність секцій РП повинна забезпечувати повне використання пропускної здатності головних вимикачів і ліній, які живлять ці секції.
При використанні радіальних схем здійснюється глибоке секціонування всієї СЕП - від основних ДЖ (ГПП) і до шин напругою до 1кВ, а іноді навіть цеховими СРШ. За допомогою секційних апаратів може здійснюватися АВР для живлення в після аварійному режимі роботи СЕП. Приймаємо одноступеневу схему на напрузі 6кВ.
1.7 Розрахунок трифазного короткого замикання на шинах низької напруги головної понижувальної підстанції
Розрахунок струмів КЗ є необхідним для вибору та перевірки струмопровідних частин і ЕА номінальною напругою понад 1 кВ на термічну й електродинамічну стійкість, вибору вимикачів розподільного пристрою 10 кВ за комутаційною здатністю, а також для розрахунків вставок та перевірки чутливості РЗ.
Режим СЕП, при якому струм КЗ в елементі, що вибирається або перевіряється, буде найбільшим, досягається за умов, коли в мережі між джерелами і точкою КЗ ввімкнена найменша кількість послідовних елементів і найбільша кількість - паралельних.
У схемі електропостачання заводу в нормальному режимі передбачена роздільна робота трансформаторів ГПП на збірні шини 10 кВ (секційний вимикач вимкнений). У разі наявності РП його секційний вимикач також вимкнений.
У розрахунковій схемі максимального режиму один із трансформаторів вимкнений, а секційний вимикач ввімкнений. Цей режим можливий у таких випадках: один із трансформаторів знаходиться в планово-попереджувальному ремонті або після аварійному режимі.
Приймаємо : Хс=0.04 при Sб=100МВА; U1=110 кВ; U2=10 кВ; U3=0,4 кВ;
Визначаємо опір трансформатора ТМН-4000/110
(1.34)
Визначаємо опір трансформатора ТМЗ-1000/6
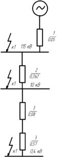
Рис. 7.1 – Розрахункова схема
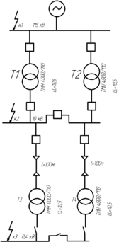
Рис. 7.2 – Схема заміщення
Визначаємо опір кабельної лінії 10кВ довжиною 0,100км:
Хл=0,08×0,1=0,08
Трьохфазне коротке замикання на шинах 110кВ (точка К1)
Визначаємо базисний струм:
Визначаємо струм короткого замикання у початковий момент часу:
Визначаємо ударний струм
Трьохфазне коротке замикання на шинах 6кВ (точка К2) цех №1
Визначаємо базисний струм:
Визначаємо струм короткого замикання у початковий момент часу:
де
Визначаємо ударний струм
Трьохфазне коротке замикання на шинах 0,4кВ (точка К3) цех №1
Визначаємо базисний струм:
Визначаємо струм короткого замикання у початковий момент часу:
де
Визначаємо ударний струм
Розрахунки зводимо в таблицю 7.1
| Номер цеху | Назва цеху | Іпо | іу |
| - | - | кА | кА |
| 1 | Механічний цех №1 | 23,16 | 59,98 |
| 2 | Механічний цех №2 | 25,0 | 64,75 |
| 3 | Механічно-складальний цех | 19,56 | 50,66 |
| 4 | Інструментальний цех | 27,77 | 71,92 |
| 5 | Цех дрібних серій | 23,16 | 59,98 |
| 6 | Ремонтно-механічний цех | 26,04 | 67,44 |
| 7 | Компресорна станція | 28,5 | 73,81 |
1.8 Вибір перерізу провідників в електричній мережі напругою 6 кВ
Економічно вигідний переріз провідників визначають за формулою
(1.35)
де Інорм - струм нормального режиму, А;
Jек - нормоване значення економічно вигідної щільності струму, А/мм2, яку вибрано з таблиці 1.3.36 ПУЭ.
Розрахунковий економічно вигідний переріз Sек який визначено за формулою (8.1), округлюється до найближчого більшого або меншого стандартного перерізу Sст , мм2.
Номінальний первинний струм трансформатора визначено як:















