150845 (621457), страница 5
Текст из файла (страница 5)
Примем к установке следующие защиты:
1) основная от всех видов коротких замыканий – высокочастотная дифференциально–фазная защита;
2) дополнительная от междуфазных коротких замыканий –максимальная токовая защита;
3) защита от однофазных коротких замыканий на землю.
7.1 Высокочастотная дифференциально–фазная защита
1) Защита выполняется с помощью реле ДФЗ 2.
2) Максимальный рабочий ток линии:
А; (7.1)
В формуле (8.1):
– номинальная мощность передаваемая по линии Л4, ВА;
– напряжение линии Л4, В.
Принимаем к установке трансформатор тока типа ТФЗМ220-300-0,5/10Р/ 10Р/10Р
А,
А.
Коэффициент трансформации трансформатора тока
. (7.2)
В каждой цепи линии устанавливаются три трансформатора тока, включенные по схеме полной звезды, коэффициент схемы
.
3) Ток срабатывания РТ1
(7.3)
где:
- коэффициент возврата реле.
4) Ток срабатывания РТ2
(7.4)
5) Ток срабатывания ПР1
Определяем ток небаланса, вызванный погрешностями трансформаторов тока
.
, (7.5)
где:
– коэффициент однотипности трансформаторов тока;
– коэффициент апериодической составляющей;
– допустимая погрешность трансформаторов тока;
А.
, (7.6)
где:
– коэффициент отстройки.
6) Ток срабатывания ПР2
А (7.7)
7) Коэффициент чувствительности определяем по току двухфазного короткого замыкания на секции АIс:
.
Так как коэффициент чувствительности превышает требуемое нормированное значение, то защита удовлетворяет требованиям чувствительности.
Так же в дополнение к комплекту защит РТ1 и РТ2, которые отвечают за отключение токов 3х фазных коротких замыканий, следует установить комплект защит РТ3 и РТ4, которые отвечает за отключение несимметричных коротких замыканий. Выполнить расчет комплектов защит РТ3 и РТ4 не представляется возможным из-за недостатка данных.
7.2 Максимальная токовая защита от междуфазных коротких замыканий.
1) Защита выполняется с помощью токового реле РСТ 11 с коэффициентом возврата
.
2) Измерительными органами являются выбранные в п.7.1 трансформаторы тока, включенные по схеме полной звезды (
,
), а также трансформатор напряжения.
3) Ток срабатывания защиты отстраивается от максимального рабочего тока линии:
А. (7.8)
4) Коэффициент чувствительности в основной зоне действия:
. (7.9)
Защита удовлетворяет требованиям чувствительности.
5) Ток срабатывания реле:
А. (7.10)
Принимаем к установке реле РСТ 11-19, у которого ток срабатывания находится в пределах
.
Определим сумму уставок:
. (7.11)
Принимаем уставку:
.
Найдем ток уставки реле:
А.
Выдержка времени МТЗ:
Ступень селективности для статического реле
с.
Определим время выдержки выключателя Q5:
с.
Для обеспечения выдержки времени выбираем реле времени РВ-01.
7.3 Защита от однофазных коротких замыканий на землю
При однофазных коротких замыканиях на землю (ОКЗЗ) увеличиваются токи нулевой последовательности, поэтому для определения данного вида повреждений устанавливаются фильтры нулевой последовательности (трансформаторы тока включаются по схеме полной звезды, а реле устанавливаются в нулевой провод). Защита от ОКЗЗ выполняется, как правило, трёхступенчатой: 1-ая ступень — направленная отсечка мгновенного действия нулевой последовательности, но в отличие от токовой отсечки отстройка производится только от тока нулевой последовательности, направленного от шин подстанции. Ток срабатывания мгновенных отсечек на параллельных линиях необходимо выбирать с учетом наличия значительной взаимоиндукции от параллельной цепи, оказывающей существенное влияние на сопротивление нулевой последовательности; 2-ая ступень — токовая отсечка нулевой последовательности с выдержкой времени
с; 3-я ступень — МТЗ нулевой последовательности.
8. Проверка трансформатора тока и выбор контрольного кабеля
Необходимо определить сечение контрольного кабеля во вторичных цепях трансформатора тока, установленного около выключателя Q17. При расчете двигателя был выбран тип трансформатора тока: ТЛМ-10-1500-0,5/10Р. Номинальный первичный ток
А, вторичный
А. Коэффициент трансформации трансформатора тока:
.
Расчетная кратность тока
, (8.2)
где
– ток при внешнем к.з. в максимальном режиме;
– номинальный ток первичной обмотки трансформатора тока, А.
.
По кривым
для данного типа трансформатора тока находим
Ом.
Расчетное сопротивление нагрузки определяется выражением
, (8.3)
где
– сопротивление проводов, Ом;
Ом – сопротивление реле;
Ом – сопротивление контактов.
Найдем
при условии
:
Ом.
Вторичные цепи выполнены медным кабелем длиной
м. Сечение кабеля можно определить по формуле:
, (8.4)
где
– удельное сопротивление меди.
мм2.
Принимаем стандартное сечение 2,5 мм2, которое удовлетворяет требованиям механической прочности для соединительных проводов токовых цепей. Кабель контрольный типа КВВГ.
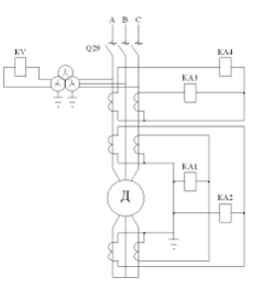
Схема защиты двигателя 10кВ
| Обозначение | Наименование | Кол-во | Примечание |
| KV | РСН | 1 | |
| KA1 | РСТ – 13 | 1 | |
| KA2 | РСТ – 13 | 1 | |
| KA3 | РСТ – 13 | 1 | |
| КА4 | РСТ – 13 | 1 | |
| KL | РП – 214 | 1 | |
| KH | РУ – 21 | 1 | |
| KT | РВ - 01 | 1 |
Схема защиты трансформатора Т1
| Обозначение | Наименование | Количество | Примечание |
| KA1 | РСТ 13/19 | 1 | |
| KA2 | РСТ 13/19 | 1 | |
| KA3 | РСТ 13/19 | 1 | |
| TL1 | |||
| TL2 | |||
| KA4 | РСТ15 | 1 | |
| KA5 | РСТ15 | 1 | |
| TL3 | 1 | ||
| TL4 | 1 | ||
| KSG | РГ43-66 | 1 | |
| KL1 | РП321 | 1 | |
| KL2 | РП321 | 1 | |
| KT1 | РВМ | 1 | |
| KT2 | РВМ | 1 | |
| KH1 | РУ-21 | 1 | |
| KH2 | РУ-21 | 1 | |
| KH3 | РУ-21 | 1 |
Литература
1 Релейная защита в системах электроснабжения: Методические указания к изучению курса и выполнению контрольного задания / Г. А. Комиссаров, Х. К. Харасов. – Челябинск: ЧГТУ, 1996. – 56 с.
2 Неклепаев Б. Н., Крючков И. П. Электрическая часть электростанций и подстанций: Справочные материалы для курсового и дипломного проектирования: Учеб. пособие для вузов. – 4-е изд., перераб. и доп. - М.: Энергоатомиздат, 1989.
3 Чернобровов Н.В. Релейная защита. Учебное пособие для техникумов. Изд. 5-е, перераб. и доп. – М.: Энергия, 1974 – 680 с. с ил.
4 Беркович М.А., Молчанов В.В., Семенов В.А. Основы техники релейной защиты. 6-е изд., перераб. и доп. – М.: Энергоатомиздат, 1984. – 376 с., ил.
с; 3-я ступень — МТЗ нулевой последовательности.















