150813 (621445), страница 10
Текст из файла (страница 10)
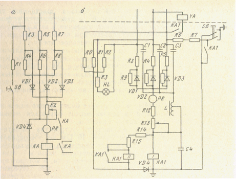
Фильтр напряжения нулевой последовательности реагирует на несимметричное снижение сопротивления изоляции. Реле срабатывает от суммарного тока обеих частей схемы при снижении общего сопротивления изоляции ниже критического значения (для сети U=380B, Rкр=1350 Ом). Время срабатывания реле равно 30 мс. Нажатием кнопки SB осуществляется периодический контроль исправности реле.
УАКИ — устройство автоматического контроля изоляции, выпускаемое для установки в сетях 380 и 660 В угольных шахт и карьеров, имеет в основе вентильную схему (рис. 6, б). Фильтр напряжения нулевой последовательности состоит из трех активных сопротивлений (R3, R4, R5)
Рис.6. Устройства защитного отключения в сетях напряжением до 1000 В:
а)-схема реле контроля изоляции РКЗ-Н51;б)-схема устройства автоматического контроля изоляции УАКИ и второй обмотки КА1.11 двухобмоточного реле КА. Магнитные потоки обмоток KA1.1и KA1.11 направлены встречно.
При прикосновении человека к голой токоведущей части электроустановки, находящейся под напряжением, или появлении в сети опасной утечки на землю увеличивается разность магнитных потоков обмоток KA1.1 и KA1.11, в результате чего реле срабатывает. Замыканием кнопки SB проверяется исправность реле. Дроссель L предназначен для компенсации емкости в сети.
4. ТБ и охрана окружающей среды
4.1. ТБ при эксплуатации электрооборудования выше 1000 В согласно заданию
Эксплуатацию электроустановок па карьере осуществляет оперативно-технический и ремонтный персонал. В состав оперативно-технического персонала входят: инженерно-технические работники отделов, служб и участков карьера, связанные с обслуживанием и ремонтом электротехнических установок: мастера, дежурные электрослесари подстанций, распределительных пунктов, участков электрической сети, машинисты и их помощники экскаваторов и других горных машин и механизмов и другие работники, непосредственно связанные с обслуживанием электроустановок. К ремонтному персоналу относятся мастера и рабочие электроцеха, выездных бригад, связанные с ремонтом действующих электроустановок.
Все лица оперативно-технического и ремонтного персонала должны пройти курс обучения и сдать экзамены по технике безопасности специальной комиссии, назначенной приказом по карьеру. При удовлетворительной сдаче экзаменов каждому лицу оперативно-технического и ремонтного персонала присваивается соответствующая квалификационная группа по технике безопасности и выдается удостоверение на право обслуживания электротехнических установок.
Объем знаний, требуемый для присуждения том или ином квалификационной группы, указан в правилах и местных инструкциях по безопасности при эксплуатации электроустановок. Все лица, непосредственно обслуживающие электроустановки карьера, начиная с группы II, должны ежегодно проходить проверку знаний правил безопасности и правил оказания нервом помощи, а ИТР отделов, непосредственно не связанные с обслуживанием электроустановок, — один раз в три года.
Оперативно-технический и ремонтный персонал должен строго выполнять все требования ПТЭ н ПТБ при эксплуатации электроустановок потребителей и Единых правил безопасности при разработке месторождений полезных ископаемых открытым способом.
В целях предупреждения электротравматизма необходимы следующие общие мероприятия.
-
Периодический инструктаж и проверка знаний лиц, обслуживающих электроустановки.
-
Проверка защитных заземлений и периодические замеры переходных сопротивлений заземляющей сети.
-
Периодический контроль технического состояния электроустановок и электрооборудования и устранение дефектов.
-
Предупреждение случайных прикосновений к токоведущим частям путем их изоляции, ограждений, различных блокировок, нанесения маркировок, применения отличительной окраски и т. п.
-
Систематический контроль состояния сетей и установок и устранение дефектов изоляции; применение устройств автоматического контроля за состоянием изоляции.
-
Применение индивидуальных защитных средств (штанг, клещей, диэлектрических перчаток, галош, ковриков и т. п.).
7. Применение безопасных напряжений 12—36 В в цепях управления и переносного освещения.
8. Надлежащее состояние технической документации (схемы сетей, коммутаций, заземлений и т. п.) и периодическое внесение происшедших изменений.
Все работы на действующих электроустановках должны производиться с обязательным выполнением организационных и технических мероприятий по технике безопасности.
Действующими называются электроустановки, находящиеся под напряжением, или электроустановки, на которые с помощью коммутационных аппаратов можно подать напряжение.
К организационным мероприятиям по соблюдению Правил безопасности относятся оформление работ нарядом или записью в специальном журнале, допуск к работе, наблюдение во время работы и оформление окончания работ.
Для проведения работ на электроустановках дается письменное распоряжение—наряд или запись в журнале. К техническим мероприятиям по соблюдению Правил безопасности относятся: снятие напряжения с ремонтируемой электроустановки, проверка отсутствия напряжения, ограждение работ, устройство местного заземления (при отсутствии стационарных заземляющих ножей), установка предупредительных плакатов.
Все работы на электроустановках производят с обязательным применением защитных средств (диэлектрических перчаток и бот, изолирующих подставок и штанг, клещей, указателей напряжения и т. п.).
Эти требования являются общими для производства работ на всех электроустановках (подстанции, РУ, воздушные и кабельные линии и электрооборудование горных машин и механизмов). Кроме этих общих мероприятий необходимо строго выполнять специальные правила безопасности, относящиеся конкретно к каждой отдельной установке.
При осмотре воздушных линий следует идти по краю трассы, чтобы в случае обрыва провода не попасть в зону опасных шаговых напряжений.
При обнаружении оборванного провода необходимо, не приближаясь к нему, на расстоянии 8—10 м выставлять предупредительные знаки и сообщить диспетчеру карьера или лицу технадзора о неисправности. Во время грозы или ее приближении все работы на ВЛ должны быть прекращены, а люди удалены за край трассы. При работе на опорах необходимо соблюдать следующие меры: 1) при подъеме на опору и работе на ней обязательно пользоваться предохранительным поясом; 2) работать обязательно на двух когтях; 3) не влезать на угловые опоры и не работать на ней со стороны внутреннего угла линии; 4) не влезать и не работать на той стороне опоры, на которую натягивают провода; 5) не подниматься на опору, не проверив предварительно прочность ее основания.
При осмотре оборудования запрещается снимать ограждения и предупредительные плакаты, входить во взрывные камеры масляных выключателей или устранять обнаруженные неисправности, если для этого надо приблизиться к токоведущим частям. Если при осмотре обнаружена неисправность, угрожающая пожаром, взрывом или несчастным случаем, то дежурный должен немедленно принять зависящие от него меры по предупреждению опасности, затем сообщить об этом энергодиспетчеру карьера.
Работы на токоприемных кольцах экскаваторов можно производить только после отключения приключательного пункта, установки на линейный разъединитель (на концы питающего экскаватор кабеля КШВГ) переносных заземляющих закороток и вывешивания на рукоятки приводов выключателей и разъединителей плакатов «Не включать. Работают люди».
Наиболее часто выполняемые работы в электроустановках карьера — подноска гибких кабелей, находящихся под напряжением, вслед за передвижными механизмами; отсоединение и присоединение этих кабелей к приключательным пунктам.
Подноску гибкого кабеля, находящегося под напряжением выше 1000 В, должен производить обслуживающий персонал данного механизма, имеющий квалификационную группу не ниже П. Работу выполняют в диэлектрических перчатках и ботах с помощью клещей, изготовленных из изоляционного материала. Кабель напряжением до 1000 В следует переносить в диэлектрических перчатках. Недопустима переноска гибкого кабеля на плече или в брезентовых рукавицах. Во время дождя, глубокого снега или грязи переноска кабеля, находящегося под напряжением, запрещается.
Более подробно все требования и мероприятия по безопасному ведению работ в действующих электроустановках изложены в ПТБ по эксплуатации электроустановок потребителей.
4.2 Противопожарные мероприятия
При появлении в электроустановке открытого пламени тушение обычными способами не достигает цели, а зачастую представляет даже значительный вред в связи со следующими опасностями, которые возникают при этом:
- поражение электротоком лиц, производящих тушение, и лиц находящихся вблизи;
- усиление и дальнейшее распространение пожара;
- нанесение значительного ущерба электроустановкам.
При тушении воспламеняющегося и находящегося под напряжением электрооборудования водой последняя, как токопроводящая среда, может создать дополнительный путь тока через человека в землю. При этом увлажнение почвы и людей, производящих тушение пожара, создаёт особо благоприятные условия для поражения электротоком. Тушение водой электроустановки, находящийся под напряжением, не только не способствует его усилению и распространению, создавая дополнительные очаги коротких замыканий.
Поэтому, приступая к тушению пожара электроустановки необходимо предварительно обесточить, отключить от сети.
Тушение отключенной электроустановки водой недопустимо и может быть применено лишь в исключительных случаях с согласия старшего персонала, находящимся на месте пожара.
Пожар в электроустановке следует тушить не электропроводными средствами (сухой песок, порошковые и углекислотные огнетушители).
4.3 Промышленная санитария и охрана окружающей среды
Совершенствование открытого способа разработки осуществляется за счет интенсификации отдельных производственных процессов и применения высокопроизводительного горного и транспортного оборудования, что зачастую сопровождается выделением большего количества пыли в атмосферу.
Для борьбы с пылью применяют следующие методы.
При уборке и погрузке горной массы пылеподавление осуществляется увлажнением и орошением.
При уборке ковшовыми машинами применяется гидрообеспыливание. При применении скреперов, машин с нагребающими лапами и погрузчиков типа КС (в вертикальных стволах) наряду с гидрообеспыливанием необходимо применять специальную систему орошения.
Для подавления пыли при работе погрузочных машин с нагребающими лапами используется система пылеподавления, представляющая собой два эжектора установленных над каждой нагребающей лапой.
Эффективными способами борьбы со взметыванием осевшей пыли являются смывы и орошение водой или связывающими растворами, осуществляемые передвижными поливочными машинами или оросительными установками. Зелёные насаждения задерживают и направляют воздушные потоки.
В проекте предусматривается замкнутое внутриплощадочное водоснабжение технологического оборудования, с применением отстойников. Потери воды восполняются свежей речной водой.
5. Литература
-
Г.Д. Медведев «Электрооборудование и электроснабжение горных предприятий», Москва «Недра», 1988г, с.357
-
Ф.И. Самохин, А.И. Маврицин «Электрооборудование и электроснабжение открытых горных работ», Москва «Недра», 1988г, с.367
-
Ю.Б. Липкин «Электрооборудование промышленных предприятий», Москва «Высшая школа», 1990г, с.363
-
А.А. Федоров «Справочник по электроснабжению и электрооборудованию» т.2, Москва «Энергоатомиздат», 1987г, с.588
-
В.К. Ахлюстин «Электрификация обогатительных фабрик», Москва «Недра», 1973г, с.424
-
Б.А. Князевский, Б.Ю. Липкин «Электрооборудование промышленных предприятий», Москва «Высшая школа», 1986г, с.397
-
В.А. Гольстрем, А.С. Иваненко «Справочник энергетика промышленных предприятий», Киев «Техника», 1977г, с.462
-
Чулков «Электрификация карьеров», Москва «Высшая школа», 1974г, с.376
-
И.И. Токарчук «Справочник энергетика обогатительных и окомковательных фабрик», Москва «Энергоатомиздат» 1987г, с.590
-
А.Д. Смирнов, К.М. Антипов «Справочная книжка энергетика», Москва «Энергоатомиздат» 1984г, с.440
-
А.П. Сухоручкин «Электрооборудование обогатительных фабрик», Москва «Недра» 1989г, с.190
-
Правила пожарной безопасности в Украине, Киев «Укрархбудинформ», 1995г, с.195
-
В.А. Голубев «Справочник энергетика карьера», Москва «Недра» 1986г, с.420
-
Рожкова, Козулин «Эл. оборудование станций, подстанций» «Недра»1987г, с.630














