150751 (621393), страница 2
Текст из файла (страница 2)
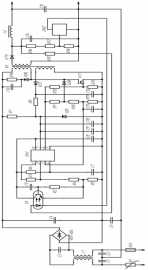
6. Выбираем транзистор VT1
Iдей=I1=18,5 А. Максимальное напряжение на транзисторе сразу после его закрытия:
Где ULs = 25 В – ЭДС самоиндукции индуктивности рассеяния трансформатора.
Выбираем транзистор КП809Б1: Uds max=500 В, Idmax=25 А, Rds(on)=0,3 Ом.
Статические потери на транзисторе:
где TП=120 0С – максимальная температура кристалла транзистора,
Tокр=50 0С - максимальная температура окружающей среды.
Динамические потери в транзисторе:
Поскольку выбран режим прерывистого потока трансформатора, то динамическими потерями при включении можно пренебречь.
Потери при включении зависят от времени спада tСП, которое в свою очередь зависит от выходного тока ШИМ - контроллера DA 1 при переключении. Слишком малое время спада может вызвать резкое увеличение напряжения на стоке транзистора VT 1 и сбой цепей управления. Поэтому время спада должно быть в интервале (100…200)нс. Примем tСП =100нс.
Вт.
Суммарные потери на транзисторе
PVT1 = PVT.СТАТ + PVT1.ДИН = 100,9+1,6=6,7 Вт.
7. Выбор выпрямительного диода VD9
Действующее значение тока равно току вторичной обмотки трансформатора IVD9 = I2 = 10,8 А.
Обратное напряжение на диоде:
В.
Критерии выбора диода те же что и для транзистора. Поскольку через диод протекает большой ток, то его следует выбирать с большим запасом, что позволит уменьшить размеры теплоотвода. Принимаем выпрямительный диод КД143-800 со следующими параметрами: Iпр=15 А; tобр.восст.=1,5 мкс;
Uобр.max=3,5 кВ. Так как
= 5012 В больше максимального обратного напряжения диода, значит следует последовательно соединить два диода
КД143-800.
Считая, что ток распределится по диодам равномерно, из суммы падений напряжения в проводящем состоянии на каждом диоде определяется падение напряжения (UVD9), которое составит 1 В.
Статические потери на диоде:
Вт.
Поскольку выбран режим прерывистого потока трансформатора, то динамическими потерями на диоде можно пренебречь вследствие их малости:
PVD9 = PVD.стат.= 10,8 Вт.
8. Выбор элементов узла управления
Рассчитываем резистор запуска R7
Через резистор запуска протекает ток зарядки конденсаторов цепи управления (С9, С10, С12) и ток запуска микросхемы DA1, равный 0,5 мА. Напряжение запуска микросхемы DA1 (Uзап) составляет 16 В. Предпологается, что суммарный ток запуска (IЗАП) равен удвоенному току запуска микросхемы (1 мА), тогда
кОм.
Принимаем резистор R7=67 кОм. Мощность, рассеиваемая резистором в установившемся режиме при максимальном входном напряжении
Вт.
Выбор элементов цепи обратной связи по току
Сопротивление открытого канала транзистора КП809Б1, использованное для расчета потерь, приведено для наихудшего случая. При выборе компонентов цепи обратной связи по току лучше руководствоваться типовым значением, которое, как правило, составляет (0,5…0,8) от максимального. Напряжение на выводе 3 микросхемы DA1 (U3DA1) и, следовательно, на резисторе R11, при котором начинается ограничение длительности импульса, составляет 1 В при максимальном пиковом токе. Исходя из того, что пиковый ток через R11 находится в пределах (0,5…1) мА, его номинал равен
кОм.
Примем R11=1,2 кОм.
Считая падение напряжения на диоде VD8 (UVD8) равным 0,6 В, вычисляем сопротивление резистора R10:
Нижний предел сопротивления R9 рассчитывается исходя из того, что ток, протекающий через него (IR9.max), не должен превышать 10 мА при номинальном напряжении питания узла управления и минимальном падении напряжения на транзисторе VT1 и диоде VD8. Максимальное сопротивление резистора R9 выбирают так чтобы при напряжении на выходе 7, микросхемы DA1, близком к напряжению отключения (Uоткл=10 В), и максимальном напряжении на открытом транзисторе VT1 диод VD8 был открыт.
;
Примем R9= 2,2 кОм.
Расчет сопротивления резистора R12 в цепи затвора:
Выходной ток микросхемы DA1 требуемый для переключения транзистора VT1 с учетом того, что время переключения совпадает с временем спада (tСП)
А.
где Q3 =60 нКл – полный заряд транзистора VT1.
Ом.
Примем R12=22 Ом.
Выбор элементов генератора:
Согласно документации на микросхему КР1033ЕУ15А, если выбрать номинал резистора генератора (R6) равным 20 кОм, то емкость конденсатора генератора (С7):
пФ.
Примем С7=4700 пФ.
Мощность, выделяемая на микросхеме DA1
Потери на управление коммутирующим транзистором:
Вт.
Потери на микросхеме:
Вт,
где IМС =20 мА – ток, потребляемый во включенном состоянии.
Общие потери на управление, выделяемые на микросхеме DA1:
Вт.
Эта мощность меньше чем максимальная мощность, рассеиваемая микросхемой (1 Вт).
Выбор элементов обратной связи по напряжению:
Образцовое напряжение микросхемы DA2 составляет 2,5 В. Выходное напряжение приводят к образцовому при помощи делителя, верхнее плечо которого R16, R17, а нижнее R18. При токе делителя (Iдел) 10 мА сопротивление резистора нижнего плеча делителя:
Ом.
Верхнее плечо делителя:
кОм.
Исходя из полученных результатов, выбираем R16=100 кОм, R18=240 Ом. Резистор R17=10..20 кОм служит для точной установки напряжения на нагрузке.
9. Расчет демпфирующей цепи
Предполагается, что индуктивность рассеяния трансформатора (Ls) находится в интервале (0,5…1,5) мкГн. Примем Ls=1,5 мкГн.
По закону сохранения энергии ELS=ECД=ЕС13,
где ELS – энергия, накопленная в индуктивности рассеяния трансформатора к окончанию этапа накопления;
ЕСД – энергия, которую должен поглотить конденсатор демпфирующей цепи С13 при заданном приращении напряжения на нем (UСд =ULS=25 В).
Из Ls*I1и2 = С13*UСд2:
нФ.
Выбираем конденсатор ОМБГ-1 емкостью 0,5 мкФ на номинальное напряжение 1000 В.
Амплитуда напряжения на демпфирующем конденсаторе:
В.
Сопротивление демпфирующего резистора RД (R14) рассчитаем исходя из того, что напряжение на демпфирующем конденсаторе уменьшается на ΔUCД за период, чтобы к моменту следующей коммутации конденсатор мог поглотить новую порцию энергии.
Ом.
Выбираем резистор R14=150 Ом для обеспечения заведомой разрядки демпфирующего конденсатора во всех режимах работы преобразователя в двое меньше расчетного.
Напряжение на резисторе R14 равно:
В.
Мощность, рассеиваемая резистором:
Вт.
Выбираем резистор мощностью 3 Вт.
Диод демпфирующей цепи должен выдерживать импульсный ток
I1И=50,6 А, обратное напряжение UобрVT1 = 366,5 В и иметь повышенное быстродействие.
Принимаем диод КД206А.
10. Расчёт КПД
;
.
Полученное значение КПД примерно равно принятому в начале расчетов.
Список литературы
-
Семенов Б. Ю. Силовая электроника: от простого к сложному, М: Солон – Пресс, 2005.
-
Утляков Г. Н. Источники вторичного электропитания бортового оборудования летательных аппаратов: Учебное пособие. – М.: Изд-во МАИ, 2002.
-
Электротехнический справочник. В 3-х т./Под общ. ред. профессоров МЭИ В. Г. Герасимова, П. Г. Грудинского, Л. А. Жукова и др. – 6-е изд., испр. и доп. – М.: Энергия, 1980 – 520 с.
-
Источники электропитания радиоэлектронной аппаратуры: Справочник / Г. С. Найвельт, К.Б. Мазель, Ч. И. Хусаинов и др. Под ред. Г. С. Найвельта.-М.: Радио и связь, 1986.
5.
-
< http://www.tkkt.ru/catalogue/index.php>
Приложение















