150728 (621365)
Текст из файла
Московский государственный университет
путей сообщения (МИИТ)
Курсовой проект по дисциплине
Детали машин и основы конструирования
Разработка механического привода электродвигателя редуктора
Студент гр. ТДМ 311
Хряков К.С
2009 г.
Введение
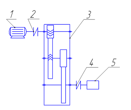
Механический привод разрабатывается в соответствии со схемой, приведенной на рисунке 1.
1 – электродвигатель;
2 – муфта;
3 – редуктор;
4 – муфта;
5 – исполнительный механизм
Рисунок 1 – Схема привода
Механический привод работает по следующей схеме: вращающий момент с электродвигателя 1 через муфту 2 передаётся на быстроходный вал редуктора 3. Редуктор понижает число оборотов и увеличивает вращающий момент, который через муфту 4 передается на исполнительный механизм 5. Редуктор состоит из двух ступеней. Первая ступень выполнена в виде шевронной цилиндрической передачи, а вторая – в виде прямозубой.
Достоинством данной схемы привода являются малые обороты и большой момент на выходном валу редуктора. Привод может использоваться на электромеханических машинах и конвейерах.
Исходные данные для расчёта:
-
Синхронная частота вращения электродвигателя nсх= 3000 мин-1;
-
Частота вращения на входе nu= 150 мин-1;
-
Вращающий момент на входе Tu= 400 Нм;
-
Срок службы привода Lг= 6000 ч;
Переменный характер нагружения привода задан гистограммой, изображённой на рисунке 2.
Рисунок 2 –Гистограмма нагружения привода.
Относительная нагрузка: k1=1 ; k2=0,3 ; k3=0,1 .
Относительное время работы: l1=0,25 ; l2=0,25 ; l3=0,5 .
Характер нагрузки: толчки.
1. Кинематический и силовой расчёты привода
1.1 Определяем КПД привода
ηпр = ηМ1 · ηред · ηМ2,
где ηпр – КПД привода;
ηМ1 – КПД упругой муфты;
ηред – КПД редуктора;
ηМ2 – КПД соединительной муфты.
Принимаем: ηМ1 = 0,95;
ηМ2 = 0,98;[1]
Определяем КПД редуктора:
где η1ст, η2ст – КПД первой и второй ступени редуктора.
η1ст = η2ст = 0,98 [1]
ηn – КПД пары подшипников; ηn = 0,99 [1]
z = 3 – число пар подшипников.
ηред = 0,993 · 0,98 · 0,98 = 0,93.
ηпр = 0,95 · 0,98 · 0,93 = 0,87.
1.2 Находим требуемую мощность электродвигателя.
1.3 Выбор электродвигателя.
nсх = 3000 мин-1
Выбираем электродвигатель 4А112М2 ГОСТ 19523-81 [2], мощность которого Рдв = 7,5 кВт
Величина скольжения
S = 2,5%
nдв =2925 мин-1 – частота вращения вала двигателя.
1.4 Вычисляем требуемое передаточное отношение редуктора
1.5 Производим разбивку передаточного отношения по ступеням
Согласно рекомендации книги [1], принимаем
1.6 Вычисляем частоты вращения валов
-
Быстроходный вал:
-
Промежуточный вал:
-
Тихоходный вал:
1.7 Вычисляем вращающие моменты на валах
-
Быстроходный вал:
-
Промежуточный вал:
-
Тихоходный вал:
2. Расчёт зубчатых передач
2.1 Расчёт зубчатой передачи тихоходной ступени редуктора
2.1.1 Выбор материалов
Принимаем для изготовления среднеуглеродистую конструкционную сталь с термообработкой нормализация и улучшение, что позволяет производить чистовое нарезание зубьев с высокой точностью после термообработки.
Такие колеса хорошо прирабатываются и не подвержены хрупкому разрушению при динамических нагрузках. Такой тип колес наиболее приемлем в условиях индивидуального и мелкосерийного производства.
Шестерня – сталь 45, термообработка – улучшение;
(192…240) НВ,НВср=Н1=215 ;
Н1≥Н2 + (10…15)НВ;[3]
Колесо – сталь 45, термообработка – нормализация;
(170…217)НВ,НВср=Н2=195.
2.2 Определяем базовое число циклов перемены напряжений
а) по контактным напряжениям:
NН0 = 30 · НВ2,4;
для шестерни N01 =
;
для колеса N02 =
;
б) по напряжениям изгиба:
NF0 = 4 · 106.
2.3 Определяем фактическое число циклов перемены напряжений
а) по контактным напряжениям:
б) по напряжениям изгиба:
где m – показатель степени кривой усталости. При твёрдости меньше 350НВ m = 6.
Тогда,
;
2.4 Вычисляем коэффициент долговечности
а) по контактным напряжениям.
;
Для шестерни:
;
Так как NНЕ1> NН01, то принимаем KHL1=1;
Для колеса:
;
Так как NНЕ2> NН02, то принимаем KHL2=1.
б) по напряжениям изгиба.
Так как NFE1 > 4∙106 и NFE2 > 4∙106, то принимаем KFL1=1 и KFL2=1.
2.5 Вычисляем базовое значение предела выносливости
а) для контактных напряжений
Для термообработки улучшения
σ0нlimb=2·HB+70 [2]
Для шестерни:
σ0нlimb1 = 2·215 + 70 = 500 МПа.
Для колеса:
σ0нlimb2 = 2·195 + 70 = 460 МПа.
б) для напряжений изгиба
Для термообработки улучшение и нормализация:
σ0Flimb= 1,8 НВ;[2]
σ0Flimb1= 1,8 · 215 = 387 МПа;
σ0Flimb2= 1,8 · 195 = 351 МПа.
2.6 Определяем допускаемые контактные напряжения:
;
- коэффициент запаса.
При термообработке нормализация и улучшение принимаем
[2]
МПа;
МПа;
- расчет ведем по наименьшему значению.
2.7 Определяем допускаемые напряжения изгиба
где
- коэффициент, зависящий от вероятности безотказной работы. Принимаем
= 1,75 [2]
- коэффициент, зависящий от способа изготовления заготовки, Для проката
= 1,15[2]
МПа;
МПа.
2.8 Проектный расчет цилиндрической прямозубой передачи.
2.8.1 Определяем межосевое расстояние из условия обеспечения контактной прочности зуба
;
Предварительно принимаем КНβ = 1,2[2]
Ψba-ширина зубчатого венца;
Принимаем для прямозубой передачи Ψba= 0,25 и Ка = 49,5 [2]
мм;
Принимаем ближайшее стандартное значение аW ГОСТ=250 мм [2]
2.8.2 Определяем модуль зацепления:
mn=(0,01…0,02)·аW=(0,01…0,02)·250=2,5…5 мм
принимаем mn=2,5 мм [2]
2.8.3 Определяем основные параметры зубчатых колес:
а) суммарное число зубьев:
Z∑=
Z1= Z∑/(u+1)=200/(3,89+1)=40;
Z2= Z∑ – Z1 =200 – 40 = 160;
б) диаметры делительных окружностей
d = mn · z;
d1 = 2,5 · 40 = 100 мм;
d2 = 2,5 · 160 = 400 мм;
Проверка: аW = (d1 + d2)/2;
250 = (100 + 400)/2;
250 = 250.
в) диаметры окружностей вершин:
da1 = d1 + 2·mn = 100 + 2·2,5 = 105 мм;
da2 = d2 + 2·mn = 400 + 2·2,5 = 405 мм;
г) диаметры окружностей впадин:
df1 = d1 – 2,5·mn = 100 – 2,5·2,5 = 93,75 мм;
df2 = d2 – 2,5·mn = 400 – 2,5·2,5 = 393,75 мм;
д) ширина колеса и шестерни:
b2 = Ψba · aW = 0,25 · 250 = 62 мм;
b1 = b2 + 4…8 = 62 + 4…8 = 66…70 мм;
Принимаем b1 = 66 мм.
2.9 Проверочный расчет цилиндрической прямозубой передачи.
2.9.1 Уточняем коэффициент нагрузки:
Для отношения Ψbd = b2/d1 = 62/100 = 0,62 , при несимметричном расположении колес относительно опор, КНβ = 1,06[2]
2.9.2 Определение окружной скорости колес и степени точности передачи:
м/с;
Принимаем 8-ю степень точности по ГОСТ 1643-81[2]
2.9.3 Определяем коэффициент нагрузки:
KH=KHβ·KHα·KHV = 1,06·1·1,05 = 1,11 ;
где KHα- коэффициент неравномерности нагрузки между зубьями;
KHα=1; [2]
KHV- коэффициент динамической нагрузки,
KHV=1,05 [2]
2.9.4 Вычисляем фактические контактные напряжения
МПа ;
Принимаем b2 = 45 мм, тогда
МПа
Принимаем b1 = 50 мм и уточняем Ψbd = b2/d1 = 45/100 = 0,45 .
2.9.5 Проверяем зубья на выносливость по напряжениям изгиба
Уточняем коэффициент нагрузки:
КF = КFβ · КFυ = 1,08 · 1,45 = 1,57 ;
Принимаем:
КFβ = 1,08[2]
КFυ = 1,45[2]
YF – коэффициент, учитывающий форму зуба;
YF1 = 3,7[2]
YF2 = 3,6[2]
Вычисляем напряжения изгиба:
;
МПа < [σ] F1 ;
МПа < [σ] F2 ;
2.9.6 Выполняем проверочный расчет на статическую прочность от действия перегрузок.
;
Определяем коэффициент перегрузки:
;
Находим контактное напряжение:
σHmax = σH ·
= 387 ·
= 585 МПа ;
Находим изгибные напряжения:
σFmax1= σF1· Кmax = 105 · 2,285 = 240 МПа ;
σFmax2= σF2· Кmax = 114 · 2,285 = 260 МПа .
Для термообработки улучшение и нормализация:
[σ]Hmax = 2,8 · σТ[3]
[σ]Fmax = 0,8 · σТ
где σТ – предел текучести материала.
Для колеса σТ = 340 МПа ;
[σ]H2max = 2,8 · 340 = 952 МПа > σHmax ;
[σ]F2max = 0,8 · 340 = 272 МПа > σF2max ;
Условие статической прочности выполняется.
3. Расчёт зубчатой передачи быстроходной ступени редуктора
3.1 Выбор материалов
Принимаем для изготовления зубчатых колес быстроходной ступени редуктора тот же материал и термообработку, что и для тихоходной ступени. Такой выбор уменьшает номенклатуру материалов.
Шестерня – сталь 45, термообработка – улучшение;
(192…240) НВ,НВср=Н1=215 ;
Н1≥Н2 + (10…15)НВ;[3]
Колесо – сталь 45, термообработка – нормализация;
(170…217)НВ,НВср=Н2=195.
3.2 Определяем базовое число циклов перемены напряжений.
а) по контактным напряжениям:
Характеристики
Тип файла документ
Документы такого типа открываются такими программами, как Microsoft Office Word на компьютерах Windows, Apple Pages на компьютерах Mac, Open Office - бесплатная альтернатива на различных платформах, в том числе Linux. Наиболее простым и современным решением будут Google документы, так как открываются онлайн без скачивания прямо в браузере на любой платформе. Существуют российские качественные аналоги, например от Яндекса.
Будьте внимательны на мобильных устройствах, так как там используются упрощённый функционал даже в официальном приложении от Microsoft, поэтому для просмотра скачивайте PDF-версию. А если нужно редактировать файл, то используйте оригинальный файл.
Файлы такого типа обычно разбиты на страницы, а текст может быть форматированным (жирный, курсив, выбор шрифта, таблицы и т.п.), а также в него можно добавлять изображения. Формат идеально подходит для рефератов, докладов и РПЗ курсовых проектов, которые необходимо распечатать. Кстати перед печатью также сохраняйте файл в PDF, так как принтер может начудить со шрифтами.
















