150693 (621343)
Текст из файла
Проектування головної схеми електричної станції
ЗМІСТ
ЗАВДАННЯ НА ДИПЛОМНИЙ ПРОЕКТ
УМОВНІ ПОЗНАЧКИ
ВСТУП
1. ВИБІР ОПТИМАЛЬНОГО ВАРІАНТА ГОЛОВНОЇ СХЕМИ
1.1 Побудова двох варіантів структурних схем. Розподіл генераторів між розподільними пристроями
1.2 Визначення потужностi на власнi потреби блоку
1.3 Розрахунок обраних варіантів у максимальному, мінімальному і аварійному режимах роботи. Вибір типу і потужності трансформаторів зв'язку
1.4 Вибiр секцiйних реакторiв
1.5 Вибiр лiнiйних реакторiв
1.6 Техніко-економічний аналіз обраних варіантів структурних схем
1.7 Обґрунтування головної схеми електричних з'єднань електричної станції
2. ВИБІР АПАРАТІВ І СТРУМОВЕДУЧИХ ЧАСТИН
2.1 Розрахункові умови для вибору апаратів і провідників по робочому режиму
2.2 Вибір електричних апаратів вище 1000 В
2.2.1 Вибір вимикачів і роз'єднувачів
2.2.2 Вибір трансформаторів струму
2.2.3 Вибір трансформаторів напруги
2.3. Вибір струмоведучих частин
ВИСНОВКИ
ЛІТЕРАТУРА
ЗАВДАННЯ НА ДИПЛОМНИЙ ПРОЕКТ
Тема: "Проектування головної схеми електричної станції", наведені собі наступні показники, що характеризують проектований об'єкт:
• тип електростанції;
• число і потужність агрегатів, установлюваних на електростанції;
• напруга видачі потужності із шин електростанції;
• навантаження розподільних пристроїв (РП), із шин яких виробляється видача потужності;
• потужність КЗ. від системи.
Таблиця 1.1. Вихідні дані до "Проектування головної схеми електричної станції".
| Тип електростанції | Число і потужність генераторів, Рг, МВт | Дані шин генераторної напруги | Дані шин середньої напруги | Дані шин високої напруги Uвн , кВ | Sк.з., МВА | ||||
| Uгн , кВ | Навантаження шин, МВТ | Uсн , кВ | Навантаження шин, МВТ | ||||||
| Pmax | Pmin | Pmax | Pmin | ||||||
| ТЕЦ | 2х100 | 10.5 | 90 | 75 | 110 | 115 | 80 | 220 | 1800 |
УМОВНІ ПОЗНАЧКИ
ВСТУП
Електроенергетика є основою економіки будь-якої країни. Роль електричної енергії пояснюється універсальністю її використання, можливістю передавати на практично будь-які відстані, концентрації в дуже більших масштабах. Легкість автоматизації процесів при використанні електроенергії робить її незамінною службовою енергією.
Проектування електричної станції є дуже важливим і відповідальним завданням, тільки за рахунок уведення нових потужностей, будівництва нових електростанцій можлива заміна морально і фізично застарілих енергоблоків, надійна робота енергетичних систем, і розвиток економіки країни в цілому
Проектована станція є електричною станцією теплофікаційного типу - ТЕЦ. Як основне паливо використається вугілля, природний газ, у якості резервного - мазут. Установлена потужність електростанції 2х100 МВт.
Станція призначена для видачі потужності в енергосистему на напругу 220 кВ і забезпечення промислових споживачів на напрузі 110 кВ. Зв'язок із системою здійснюється по п’яти лініям довгої 40 км. Електропостачання місцевого промислового району здійснюється по чотирьом лініям довжиною 5 км.
1. ВИБІР ОПТИМАЛЬНОГО ВАРІАНТА ГОЛОВНОЇ СХЕМИ
1.1 Побудова двох варіантів структурних схем. Розподіл генераторів між розподільними пристроями
При виборі головної схеми електричних з'єднань станції, насамперед, варто вирішити питання об розподіл генераторів, між системами шин виходячи при цьому з того, що живлення споживачів повинне здійснюватися при мінімально можливих втратах електроенергії на трансформацію.
Структурна принципова електрична схема залежить від типу станції, числа і одиничної потужності встановлюваних генераторів, наявності і величини місцевого навантаження, покриття якої визначає розподіл генераторів між розподільними пристроями (РП) різної напруги.
На ТЕЦ із генераторами потужністю 100 МВт і нижче споживачі електроенергії, розташовані на відстані 3-5 км, можуть одержувати електроенергію на генераторній напрузі. В цьому випадку на ТЕЦ споруджується генераторний розподільний пристрій (ГРП) 10,5 кВ. Число і потужність генераторів, приєднаних до ГРП, визначаються на підставі проекту електропостачання споживачів і повинне бути таким, щоб при остановці одного генератора останні повністю забезпечували живлення споживачів тобто
Якщо встановлюване на ТЕЦ число генераторів більше nтгру , то інші генератори включаються за схемою блоку на шини СН або ВН.
Розподіляючи генератори між секціями, необхідно враховувати, що гранично припустима генераторна потужність, що підключає до секції ГРП (за умовами комутаційної здатності вимикачів, термічної і динамічної стійкості комутаційних апаратур і струмоведучих частин), не повинна перевищувати 100 МВт.
Генератори вибираються відповідно до завдання на проектування (Таблиця 1.1.). Паспортні дані генераторів зведені в таблицю 1.2.
Таблиця 1.2. - Паспортні дані турбогенераторів
| Тип генератора | Номінальна потужність | Номінальна напруга, кВ | cos φном | Номінальній струм, кА | Χd" | Збудження | Охолодження | ||
| S | P | Обмотки ротора | Обмотки статора | ||||||
| ТВФ-110-2ЕУ3 | 137,5 | 110 | 10,5 | 0,8 | 7,56 | 0,189 | СДН-310-1900-2УХЛЧ | НВ | КВ |
В дипломному проекті намічаємо два варіанти структурної схеми ТЕЦ. Для складання першого варіанта схеми розподіляємо блоки проектованої ТЕЦ між шинами РП розрахунковим шляхом, другий варіант вибираємо довільно.
Становимо перший варіант структурної схеми станції:
шт.
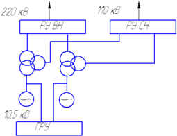
Рис. 1. Перший варіант структурної схеми ТЕЦ-2х100
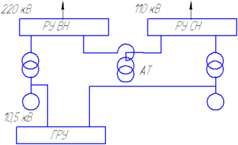
Другий варіант структурної схеми приймаємо довільно
Рис. 2. Другий варіант структурної схеми ТЕЦ -2х100
1.2 Визначення потужності на власні потреби блоку
,де
- активна потужність на власні потреби,
=10%
- установлена активна потужність генератора, МВт
,
Мвар
Повна потужність на власні потреби блока:
Навантаження в.п. 0,4 кВ складає 50%,т.е
=8,1 МВА
Вибираємо трансформатор типу ТСЗС 1000/10/0,4
Номінальна потужність – Sном = 1000 кBA
Напруга обмотки: - Uвн = 10,5 кВ, Uнн = 0,4 кВ
Втрати – Pх.х = 3000 Вт, РК.З = 12 кВт
UK=8 %
Ixx = 2%
1.3 Розрахунок обраних варіантів у максимальному, мінімальному і аварійному режимах роботи. Вибір типу і потужності трансформаторів зв'язку
На ТЕЦ, що має шини генераторної напруги, передбачається установка трансформаторів для зв'язку цих шин із шинами підвищеної напруги. Такий зв'язок необхідний для видачі надлишкової потужності в енергосистему в нормальному режимі, коли працюють всі генератори, і для резервування живлення навантажень на напрузі 6-10 кВ при плановому або аварійному відключенні одного генератора.
Число трансформаторів зв'язку з міркувань надійності звичайно приймається рівним двом. При трьох або більше секціях збірних шин ГРП два трансформатори зв'язку дозволяють створити симетричну схему і зменшити перетоки потужності між секціями при відключенні одного генератора.
Трансформатори зв'язку повинні забезпечити видачу в енергосистему всієї активної і реактивної потужності генераторів за винятком навантажень власних потреб і навантажень розподільного пристрою генераторної напруги.
Потужність трансформаторів зв'язку вибирається з урахуванням можливості живлення споживачів у літній період, коли при зниженні теплових навантажень може знадобитися зупинка теплофікаційних агрегатів.
Також ураховується необхідність резервування живлення навантажень у період максимуму навантажень при виході з ладу найбільш потужного генератора, приєднаного до ГРП.
Для кожного варіанта структурної схеми потужність трансформаторів вибирається по рівчаку потужності в 3-х режимах:
• максимального навантаження;
• мінімального навантаження;
• аварійному режимі.
Для мінімального режиму перетоки потужності становлять:
де ∑
- сумарна активна потужність генераторів, підключених до шин РП, на якому задане навантаження.
РMIN - активне навантаження шин генераторної напруги для мінімального режиму.
Характеристики
Тип файла документ
Документы такого типа открываются такими программами, как Microsoft Office Word на компьютерах Windows, Apple Pages на компьютерах Mac, Open Office - бесплатная альтернатива на различных платформах, в том числе Linux. Наиболее простым и современным решением будут Google документы, так как открываются онлайн без скачивания прямо в браузере на любой платформе. Существуют российские качественные аналоги, например от Яндекса.
Будьте внимательны на мобильных устройствах, так как там используются упрощённый функционал даже в официальном приложении от Microsoft, поэтому для просмотра скачивайте PDF-версию. А если нужно редактировать файл, то используйте оригинальный файл.
Файлы такого типа обычно разбиты на страницы, а текст может быть форматированным (жирный, курсив, выбор шрифта, таблицы и т.п.), а также в него можно добавлять изображения. Формат идеально подходит для рефератов, докладов и РПЗ курсовых проектов, которые необходимо распечатать. Кстати перед печатью также сохраняйте файл в PDF, так как принтер может начудить со шрифтами.















