150693 (621343), страница 3
Текст из файла (страница 3)
На ТЕЦ припустиме число і сумарна потужність агрегатів, що відключають одночасно, і трансформаторів зв'язку при відмові вимикачів визначається умовами стійкості і забезпечення електро- і теплопостачання споживачів. Для РП КЕС або ТЕЦ відмова будь-якого вимикача не повинен приводити до відключення більше одного ланцюга (двох ліній) транзиту напругою 220 кВ і вище, якщо транзит складається із двох таких ланцюгів.
Вiдключення ліній повинне вироблятися не більш ніж двома вимикачами, інших приєднань - трьома.
Ремонт вимикачів 220 кВ і вище повинен вироблятися без відключення ланцюгів.
При наявності декількох варіантів схем, що задовольняють перерахованим вище вимог, перевага віддається найбільш простому, економічному і потребуючий в умовах експлуатації найменшої кількості операцій, які виробляються вимикачами або роз'єднувачами.
В схемах РП 110-220 кВ із одним вимикачем на ланцюг при будь-якім числі приєднань виконується обхідна систем шин, що передбачає можливість заміни будь-якого вимикача обхідним.
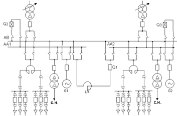
В схемах генераторної напруги (ГРП) ТЕЦ передбачається одна або дві системи збірних шин (залежно від наявності резервування живлення споживачів по мережі або передбаченого в проектованій схемі).
Вибiр схеми ГРП - з урахуванням особливостей електроприймачiв (/, // категорії), схеми електропостачання їх (відсутність резерву по мережі), а також великої кількості приєднань до збірних шин ГРП ТЕЦ передбачимо схему із двома системами збірних шин (рис. 1.6. 1.), у якій кожний елемент приєднується через розвилку двох шинних роз'єднувачів, що дозволяє здійснювати роботу як на одній, так і на іншій системі шин.
Робоча система шин АА секцiйована вимикачем Q1 і реактором LR1. Друга система шин АВ є резервної, напруга на ній нормально відсутній. Обидві системи шин можуть бути з'єднані між собою шиноз'єднувальними вимикачами Q2 і Q3, які в нормальному режимі відключені.
Шиноз'єднувальний вимикач дозволяє:
• забезпечити переклад приєднань із однієї системи шин на іншу;
• локалізувати аварію, наприклад, коротке замикання, у межах ушкодженої системи шин;
• випробувати систему шин напругою після ремонту на ній;
• забезпечити рівність напруг на зв'язаних системах шин.
Схема із двома системами шин дозволяє робити ремонт однієї! системи шин, зберігаючи в роботі всі приєднання.
Розглянута схема є гнучкою і досить надійною. До недоліків її варто віднести велика кількість роз'єднувачів, ізоляторів, струмоведучих матеріалів і вимикачів, більше складну конструкцію розподільного пристрою, що веде до збільшення I капітальних витрат на спорудження ГРП.
Рис. 1.6. 1. – Схема ГРП із двома системами збірних шин
Вибір схеми РП СН - 35 кВ - при значній кількості приєднань на підвищеній напрузі до 35 кВ включно можливо застосування схеми з одиночної секцiйованою системою шин (рис. 1.6. 2.).
Ця схема володіє рядом істотних недоліків, у тому числі необхідністю відключення лінії або джерел живлення на увесь час ремонту вимикача в їхньому ланцюзі. При напругах 110 кВ і вище тривалість ремонту вимикачів, особливо повітряних, зростає і стає неприпустимим відключати ланцюг на увесь час ремонту, тому схема з одиночною секцiйованою системою шин застосовується тільки для РП 35 кВ включно.
Одним з важливих вимог до схем на стороні вищої напруги є створення умов для ревізій і випробувань вимикачів без перерви роботи. Цим вимогам відповідає схема з одиночною секцiйованою і обхідною системами шин.
В нормальному режимі обхідна система шин перебуває без напруги, роз'єднувачі, що з'єднують лінії і трансформатори з обхідною системою шин, відключені. В схемі передбачаються обхідні вимикачі на кожній секції шин. Обхідний вимикач може замінити собою вимикач будь-якого приєднання без перерви в роботі цього приєднання.
В даній схемі ремонт секції пов'язаний з відключенням всіх ліній, приєднаної до даної секції, і одного трансформатора, тому таку схему можна застосовувати при парних лініях або лініях, резервованих від інших підстанцій.
Рис. 1.6. 2. Схема з одиночною секцiйованою системою шин
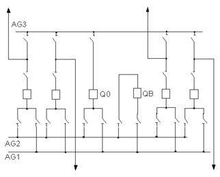
Вибір схеми РП ВН - 110 кВ - для РП 110-220 кВ із більшим числом приєднань застосовується схема із двома робітниками і обхідний системами шин з одним вимикачем на ланцюг (рис. 1.6. 3.). Як правило, обидві системи шин перебувають у роботі при відповідному фіксованому розподілі всіх приєднань: лінія W1 і трансформатор Т1 приєднані до першої системи шин AG1, лінії W2 і трансформатор Т2 приєднані до другої системи шин AG2, шиноз'єднувальний вимикач QB включений. Такий розподіл приєднань збільшує надійність схеми, тому що при короткому замиканні на шинах відключаються шиноз'єднувальний вимикач QB і тільки половина приєднань. Якщо ушкодження на шинах стійке, то приєднання, що відключилися, переводять на неушкоджену систему шин. Перерва електропостачання половини приєднань визначається тривалістю переключень.
Розглянута схема рекомендується для РП 110-220 кВ електростанцій при великій кількості приєднань.
Для РП 110 кВ і вище істотними стають недоліки цієї схеми:
• відмова одного вимикача при аварії приводить до відключення всіх джерел живлення і ліній, приєднаних до даної системи шин, а якщо в роботі перебуває одна система шин, відключаються всі приєднання. Ліквідація аварії триває тривалий час, тому що всі операції по переходу з однієї системи шин на іншу виробляються роз'єднувачами;
• ушкодження шиноз'єднувального вимикача при короткому замиканні на одній системі шин рівноцінно короткому замиканню на обох системах шин, тобто приводить до відключення всіх приєднань;
• велика кількість операцій роз'єднувачами при виводі в ревізію і ремонт вимикачів ускладнює експлуатацію РП;
• необхідність установки шиноз'єднувального, обхідного вимикачів і великої кількості роз'єднувачів збільшує витрати на спорудження РП.
Рис. 1.6. 3. - Схема із двома робочими і обхідною системами шин
Деякого збільшення гнучкості і надійності схеми можна досягти секціонуванням однієї або обох систем шин.
2. ВИБІР АПАРАТІВ І СТРУМОВЕДУЧИХ ЧАСТИН
2.1 Розрахункові умови для вибору апаратів і провідників по робочому режиму
Силові вимикачі і роз'єднувачі, установлювані в пристроях вищої і нижчої напруги вибирають:
- по напрузі, кВ;
- по максимальному робочому (розрахунковому) струму - струму пiсляаварiйного режиму трансформатора по вираженню:
- по роду установки (відкриті, закриті). Аналогічно вибирають параметри роз'єднувачів.
Перевірка силових вимикачів на стійкість дії струмів к. з. і по здатності, що відключає, здійснюється по формулах:
- на динамічну стійкість: iдин > iyд;
- на термічну стійкість:
- по здатності, що відключає:
Перевiрка роз'єднувачів аналогічна перевірці силових вимикачів за винятком того, що роз'єднувачі не перевіряють по здатності, що відключає.
Параметри апаратів на лініях, що відходять, вибирають по розрахункових максимальних навантаженнях приєднання.
Трансформатори струму вибирають: по напрузі; по максимальному навантаженню приєднання. Номінальний струм первинної обмотки трансформатора струму повинен бути якнайближче до робочого струму установки, тому що недовантаження первинної обмотки трансформатора струму приводить до збільшення погрішності:
- по класі точності і конструктивному виконанню;
Трансформатори струму перевіряють:
- по електродинамічній стійкості:
;
де
- кратність електродинамічної стійкості по каталозі.
Убудовані і шинні трансформатори струму на електродинамічну стійкість не перевіряють.
- по термічній стійкості:
або
- по вторинному навантаженню:
де
- номінальне припустиме навантаження трансформатора струму в обраному класі точності;
- вторинне навантаження.
Для живлення елементів релейного захисту, ланцюгів напруги контрольно-вимірювальних приладів і контролю ізоляції в мережах з ізольованої нейтралю вибирають трансформатори напруги типу НАМИ - 6(10) кВ. Їх вибирають по напрузі і по вторинному навантаженню:
U
UH0M S2H()M
де SH()M - номінальна потужність в обраному класі точності:
S2 - навантаження всіх вимірювальних приладів і реле, підключених до трансформатора напруги.
2.2 Вибір електричних апаратів вище 1000 В
2.2.1 Вибір вимикачів і роз'єднувачів
В зв'язку з можливістю перевантаження трансформатора зв'язку струм максимального режиму дорівнює току пiсляаварiйного режиму:
Таблиця 2.1. Вибір вимикачів і роз'єднувачів на 220 кВ
| Розрахункові дані | Дані вимикача ЯЭ 220Л-11(21) У4 | Дані роз'єднувача РНДЗ-220/1000 У1 |
| Uvcт= 220 кВ | Uном= 220 кВ | Uном= 220 кВ |
| Imax= 459 А | Iном = 1250 А | Iном= 1000 А |
| Iотк=40кА | - | |
| Ідин = 125 кА | ідин= 100 кА | |
| |
ЯЭ 220Л-11(21) У4- вимикач елегазовий, призначений для установки в районах з помірним кліматом.
РНДЗ-220/1000- роз'єднувач для зовнішньої установки двохколонковий із заземлюючими ножами.
Вибір вимикачів і роз'єднувачів на 110 кВ
| Розрахункові дані | Дані вимикача ЯЭ 110Л-23(13) У4 | Дані роз'єднувача РНДЗ-110/1000 У1 |
| Uvcт= 110 кВ | Uном= 110 кВ | Uном= 110 кВ |
| Imax= 920,8 А | Iном = 1250 А | Iном= 1000 А |
| Iотк=40кА | - | |
| Ідин = 125 кА | ідин= 80 кА | |
| | |
ЯЭ 110Л-23(13) У4- вимикач елегазовий, призначений для установки в районах з помірним кліматом.
РНДЗ-110/1000- роз'єднувач для зовнішньої установки двохколонковий із заземлюючими ножами.
Вибір генераторного вимикача і роз'єднувача на 10,5 кВ:
Таблиця 2.2
| Розрахункові дані | Дані вимикача МГУ - 20-90/9500 УЗ | Дані роз'єднувача РВРЗ-20/8000 -M |
| UУCТ=10,5 кВ | UH0M = 20 кВ | UH0M = 20 кВ |
| Іmах= 7560 А | ІНОМ=9500 А | IHOM=8000 A |
| Іотк=105 кА | - | |
| іДИН = 300 кА | ІДИН=315 кА | |
| | |
МГУ-20-90/9500 УЗ - маломасляний генераторний вимикач, для установки в районах з помірним кліматом.
РВРЗ-20/8000-М - роз'єднувач для внутрішньої установки, що рубає типу, із заземлюючими ножами.
2.2.2 Вибір трансформаторів струму
Трансформатори струму (ТТ) призначені для зменшення первинного струму до значень зручних для виміру, а так само для відділення ланцюгів виміру і автоматики від первинних ланцюгів високої напруги.
Приймається до установки трансформатор струму типу ТФЗМ-110Б-I з порцеляновою ізоляцією, з обмотками ланкового типу, маслонаповнений.
Порівняння розрахункового і каталожних даних трансформатора струму наведені в таблиці 2.4.
Таблиця 2.4. Порівняння розрахункового і каталожних даних трансформатора токи
| ВРП 220 кВ ТФЗМ-220Б-IV | |
| Розрахункові дані | Каталожні дані |
| Uycт= 220 кВ | UН0M= 220 кВ |
| Імах=459А | ІНОМ=300А |
| IДИН= 25 кА | |
| Клас точності 0,5 | Клас точності 0,5 |
| S2 =6,5 BA | S2Н =30 BA |
| | |
| ВРП110 кВ ТФЗМ-110Б-III | |
| Розрахункові дані | Каталожні дані |
| Uycт= 110 кВ | UН0M=110 кВ |
| Імах=920,8А | ІНОМ=1000А |
| IДИН= 158 кА | |
| Клас точності 0,5 | Клас точності 0,5 |
| S2 =6,5 BA | S2Н =20 BA |
| | |
S2H=I2 2н-r = 52·1,2=30 ВА.
де: r = 1,2 Ом - номінальний опір в даному класі точності.
Визначаємо опір проводів:
Znpов= Z2н - rприб - ZK = Z2H- Snp/
-ZK= l,2-6,5/52-0,l = 0,84 Ом;
Довжина сполучних проводів з алюмінієвими жилами (ρ=0,0283) приймається і дорівнює:
lрасч=100 м, тоді, перетин сполучних проводів:
q=ρ· lрасч /Znpoв=0,0283·100/0,84=3,37 мм2;
Приймаємо кабель АКВРГ із жилами 4 мм2, тоді Rnp визначимо як:
Ом
Тоді вторинне навантаження визначиться як:
Z2= Rnp+Rnpиб.+RK= 0,707+0,26+0,1 = 1,067 Ом.
Z2
На генераторній напрузі 10,5 кВ установлюються трансформатори струму типу ТШЛ-20-10000/5, убудований у струмопровiд ГРТЕ-10-8550-250.
2.2.3 Вибір трансформаторів напруги
Трансформатор напруги (ТН) призначений для зниження первинної напруги до напруги вторинних ланцюгів виміру і релейного захисту.
ВА
Згідно номінальної напруги 220 кВ і вторинного навантаження вибираємо трансформатор напруги КЙФ-220 (UHOM=220 кВ , S2hom=400 ВА).
S2∑< SH0M , U вуст = Uном
Для з'єднання трансформатора напруги із приладами приймаємо контрольний кабель АКРВГ із перетином жив 2,5 мм2 за умовою механічної міцності, номінальна напруга обмоток:
Рис. 3.2. Схема підключення вимірювальних приладів на збірних шинах 110 кВ.
Таблиця 2.6. Порівняння розрахункових і каталожних даних
| ВРП 220 НКФ-220-58 | |
| Розрахункові дані | Каталожні дані ТН |
| Uycт= 220 кВ | UН0M= 220 кВ |
| Клас точності 0,5 | Клас точності 0,5 |
| S2нагр =120,6 BA | S2нагр =400 BA |
| ВРП 110 кВ НАМИ-110 | |
| Розрахункові дані | Каталожні дані ТН |
| Uycт= 110 кВ | UН0M=110 кВ |
| Клас точності 0,5 | Клас точності 0,5 |
| S2нагр =120,6 BA | S2нагр =400 BA |
На генераторну напругу 10,5 кВ установлюється трансформатор напруги типу ЗНОМ-10, убудований у струмопровiд ГРТЕ-10-8550-250.[5]
2.3 Вибір струмоведучих частин
На напругу 220 кВ
Ошиновку 220 кВ виконуємо гнучкими проводами типу АС.
Збірні шини вибираються по припустимому струмі при максимальному навантаженні на шинах, рівний току найбільш потужного приєднання: ImахД0П
Як було сказано вище Imах= 459 А.
Приймаємо гнучке проведення АС-240/34 ; IДОП=605 А:
Перевірка на термічну дію струмів КЗ не виробляється, тому що шини виконуються голими проводами на відкритому повітрі [2].
Перевірка на корону може не вироблятися, тому що було встановлено, що при напрузі установки 220 кВ і перетині проводів більше 240 мм проведення не коронують [2].
Вибір гнучких струмопроводів від виводів ТС 220 кВ до збірних шин. Струмоведучі частини від виводів трансформатора 220 кВ до збірних шин виконується гнучкими струмопроводами.
Їх перетин вибирається по економічній щільності струму [7].
Sэ=IHOM/jэк = 459/1,1=417 мм2.
Приймаємо проведення АС-240/34
Перевірка за припустимим струмом: Imax=459 A < IДОП=605 А.
Перевірка на термічну дію струмів КЗ не робимо, тому що застосовані голі проведення на відкритому повітрі.
Перевірка на корону не виробляється, тому що проведення має перетин більше 240мм2.
ВИСНОВКИ
В роботі була спроектована електрична частина станції типу ТЕЦ, потужністю – 2х100 МВт. Спроектована станція призначена для видачі потужності в енергосистему (на 110 і 220 кВ) і забезпечення електроенергією промислових споживачів на генераторній напрузі (на 10,5 кВ).
Основне електротехнічне встаткування яке було обрано для спроектованої станції:
1. Два турбогенератори типу ТВФ-110-2ЕУ3 із Рном = 100 МВт.
2. Два трансформатори типу АТДЦТН-125000/220/110/10. Sном =125 MBА.
Видача електроенергії в енергосистему виробляється на напрузі 220 кВ, забезпечення електроенергією промислових споживачів виробляється на напрузі 110 кВ.
Розподільні пристрої 220 і 110 кВ - відкриті розподільні пристрої (ВРП).
Як схема ВРП 220 кВ була прийнята схема двi робочi систем шин з обхідною.
В якості схеми ВРП 110 кВ була прийнята схема одна секцiйована система збірних шин.
Головний розподільний пристрій виконаний за схемою дві системи шин, одна з яких резервна, друга робоча секцiйована.
ЛІТЕРАТУРА
1. Основи проектування електричних станцій та підстанцій. Методичні вказівки до виконання дипломного проекту для одержання щабля бакалавра. Для студентів спеціальності 6.010100.01 - Професійне навчання. Електроенергетика (денна форма навчання). Пантелєєва И.В., Васюченко П.В., Iрiков Д.В. - Харків: УIПА, 2005. 45 с.
2. Правила пристрою електроустановок. - М.: Енергія, 1992 - 484 с.
3. С.Ф. Артюх, И.В.Пантелєєва Електричні станції, мережі і системи. Харків - 2001 р., 366 з, іл.
4. Б.Н. Неклепаев, И.П. Гачків Електрична частина електростанцій і підстанцій., М: Энергоатомиздат, - 1989 р., 608 з, іл.
5. С.С. Рокотян Довідник для проектування електроенергетичних систем, М.: Енергія. - 1985 р. - 288 с.
6. Рожкова Л.Д., Козулин B.C. Електроустаткування станцій і підстанцій. - М.: Енергія, 1980. - 598 с.
7. Л.П. Гачкiв, Н.Н. Кувшинский, Б.Н. Неклепаев Електрична частина електростанцій і підстанцій. Довідкові матеріали для курсового і дипломного проектування. - М.: Енергія. 1978 р. - 456 с.















