150099 (621214)
Текст из файла
РАСЧЕТ БАЛАНСНОГО ТРАНСФОРМАТОРА
В соответствии с результатами предварительного проектирования выходной усилитель представляет параллельную структуру. Состоящую из двух идентичных усилительных модулей с передачей К (рис. 1).
Рис. 1 Структурная схема включения балансных трансформаторов
Такое построение позволяет существенно снизить требования по линейности передаточной характеристики отдельных модулей, обеспечить экономичный режим функционирования, что в конечно счете позволяет повысить надежность системы.
При построении трактов необходимо обеспечить согласования в сечениях подключения усилительных модулей и реализовать балансное деление группового сигнала с минимальными потерями. Постановленным целям в наилучшем виде отвечают устройства мостового типа [20), которье эффективно обеспечивает бинарное деление мощности в полосе частот с перекрытием в несколько октав и позволяют трансформировать групповые сигналы значительной мощности без искажений.
С целью унификации и упрощение конструкции используем в структуре на входе и выходе усилителя идентичные устройства деления мощности на отрезках кабелей [21) (рис. 2).
Рис. 2 Делитель мощности на отрезках кабелей
Для обеспечения развязки плеч делителя необходимо выполнить условия
Учитывая, что активны секции усилителя идентичны, а волновое сопротивление в тракте 75 Ом, присоединительные импедансы в точках присоединения модулей будет 1 50 Ом, волновое сопротивление линии - также 1 50 Ом, а балансный резистор будет иметь номинал 75 Ом.
Рассмотрим параметры устройства, по методике [21] полагая, что взаимная электрическая развязка (Н) между любыми двумя входами должна быть не хуже 20 дБ; снижение коэффициента передачи по напряжению (К) по любому из входов — не более 1 дБ; входное сопротивление по каждому из входов при условии нормальной работы всех четырех генераторов должно быть таким, что бы КСВ было не более 1,2 на высоких чаётотахи 1,5 на низких. Кроме того, пусть эти требования должны выдерживаться при отклонении (например, за счет причин технологического характера) волнового сопротивления линий от номинального на 20 %. Таким образом, р может лежать в пределах от 0,8 до 1 ,2, что соответствует реальным значениям волноводных сопротивлений.
Так как заранее знак отклонения волнового сопротивления неизвестен, та в расчетах нужно ориентироваться на худший случай.
Рассмотрим область верхних частот. Целью расчета при указанном выше задании является определение максимально допустимой длины линий то есть параметра
где I — физическая длина линии; - длина волны в линии.
По рис.За, определяем, что заданное значение Кп буде удовлетворятся даже при х(70°).
Исходя из допустимого значения взаимной развязки входов (Н=20 дБ), по рис. 3б, при р 1,2 (максимальное отклонение от номинала) находим х25°.
Графики рис. Зн (для iтi/п1, то есть когда секции усилителя нормально работают) при р =0,8 дают максимальное значение х=24°.
Из трех полученных значений выбираем наименьшее х24° с тем, чтобы одновременно выполнить все предъявляемые к схеме требования. Если для изготовления линий использованы витые пары 1, то при верхней частоте Г= 860 МГц геометрическая длина линии должна быть не больше:
с3*101О см/с скорость света в вакууме.
При х≤24° и р=О,8-i-1,2 схема обеспечит следующие параметры: К≈ 0,1 дБ; Н≥24 дБ; КСВ≤1,2.
Рис. 3 Частотные характеристики схемы рис. 2 в области верхних частот
Перейдем к области нижних частот. Здесь необходимо определить минимальное значение продольной индуктивности линий, то есть индуктивность дросселя, образуемого запараллеленными на обоих концах
РАСЧЕТ АМПЛИТУДНОГО ВЫРАВНИВАТЕЛЯ
Амплитудные выравниватели представляют собой четьирехполюсники, затухание которых меняется в зависимости от частоты по определенному закону. Назначение выравнивателей - коррекция частотных характеристик длинных кабельных линий, а также других радиотехнических устройств. Выравниватели не должны вносить рассогласования в цепи, поэтому схемы выравнивателей строятся так, чтобы их входное сопротивление не зависело от частоты.
Рис. 1 Принципиальные схемы выравнивателей
Выравниватель по схеме на рис. 1 имеет частотно-независимое входное сопротивление, а на частотно-независимые входное и выходное со- противления и затухание которое монотонно уменьшается при увеличении частоты.
Такой выравниватели может быть использован для коррекции частотных характеристик длинных кабельных линий, затухание которых возрастает при увеличении частоты.
Частотные характеристики затухания выравнивателя показаны на рис. 2 На рис. 2 по горизонтальной оси отложена в логарифмическом масштабе обобщенная частота
(
-текущая частота,
-частота, на которой затухание выравнивателя составляет З дБ), по вертикальной оси - затухание выравнивателя n, дБ.
Рассчитаем выравниватель с частотно-независимыми входным и выходным сопротивлениями для коррекции частотной характеристики затухания кабельной линии. Крайние рабочие частоты f
= 47 МГц, f
= 862 МГц, перепад затухании
n= 12 дБ, волновое сопротивление линии z
=75 Ом. Определяем отношение крайних рабочих частот f
/ f
, (f
>f
) : f
/f
= 862/47 = 16,5
По соответствующей частотной характеристике затухания подбираем такие значения минимального n
, дБ, и максимального n
, дБ, затухания, при которых обеспечивается требуемый перепад затуханий
при заданном отношении крайних рабочих частот:
Определяем значение
в разах по мощности по формуле
Значение
по мощности
Принимаем
=18.
Рассчитаем частоту
,ГЦ
По частотной характеристике находим, что перепад затухании 12 дБ при
может быть получен при n
= 0,5 дБ,
= 12,5 дБ.
Определяем элементы выравнивателя (L,Гн;С,Ф;R, Ом)
Рис. 2 Частотные характеристики затухания выравнивателей
Элементы:
РАСЧЕТ МАЛОШУМЯЩЕГО УСИЛИТЕЛЯ
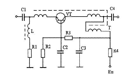
Согласно техническим требованиям, предъявленным к входным усилителям, одним из основных критериев при выборе его схемного решения, является обеспечение минимального коэффициента шума (Кш З дБ) и максимальную помехоустойчивости. Анализа схем построения малошумящих усилителей и их характеристик определяет: целесообразность использования однокаскадные РА схемы с трансформаторной обратной связью и включения транзистора по схеме с общей базой (рис. 1 ).
Рис. 1. Принципиальная схема усилителя с трансформаторной отрицательной обратной связью
Но у таких схем, обычно, малая развязка входа и выхода, отсюда приходим к определению следующей структуре малошумящего усилителя: два каскада (входной и промежуточный с бесшумной ОС для расчета коэффициента передачи усилителя принимаем, что число витков обмотки траисформатора Т подключенных к эмитгеру транзистора (wэ), и число обмоток, подключенных к корпусу и коллектору (соответственно, w0 и w1) относятся к wэ как n0 и n1 . Тогда коэффициента передачи усилителя по напряжению К=n0 (1). Теперь определим входное и выходное сопротивление усилителя, полагая, что выход транзистора с общей базой - источник тока, трансформатор идеальный [21] :
Таким образом, входное сопротивление каскада пропорционально сопротивлению нагрузки каскада Zн, а выходное сопротивление - сопротивлению источника сигнала Zr .Из ( 1) и ( 2) также следует, что при выполнении условия
Принимая
=3, получаем n1=32-3-1=5
Следовательно, при работе каскада в тракте с волновым сопротивлением Rо, те. при условии
Zr=Zн=Ro,
входное и выходное и выходное сопротивления каскада одинаковы:
При этом обеспечивается согласование на входе и выходе каскада, что способствует снижению неравномерности его АЧХ.
Для работы в схеме ООС, исходя из Кш и требований по широкополосности и коэффициенту усиления выбираем транзистор 2ТЗ101А, который имеет следующие параметры [13]:
Рис. 2 Технические характеристики усилителя с бесшумной ОС.
С учетом требований технического задания определим ток коллектора Iк VТ так, чтобы коэффициент шума не превышал 2 дБ. Для этого по графикам рис.2 находим для относительного числа витков трансформатора обратной связи n1=5 оптимальный по многосигнальному динамическому диапазону режим работы транзистора: Iк= 10 mА, Кш=2 дБ.
Теперь рассчитаем элементы цепи смещения задаем напряжение на эмиттере
Uэ=1.2 (Еп=I2В).
Ток базы
Характеристики
Тип файла документ
Документы такого типа открываются такими программами, как Microsoft Office Word на компьютерах Windows, Apple Pages на компьютерах Mac, Open Office - бесплатная альтернатива на различных платформах, в том числе Linux. Наиболее простым и современным решением будут Google документы, так как открываются онлайн без скачивания прямо в браузере на любой платформе. Существуют российские качественные аналоги, например от Яндекса.
Будьте внимательны на мобильных устройствах, так как там используются упрощённый функционал даже в официальном приложении от Microsoft, поэтому для просмотра скачивайте PDF-версию. А если нужно редактировать файл, то используйте оригинальный файл.
Файлы такого типа обычно разбиты на страницы, а текст может быть форматированным (жирный, курсив, выбор шрифта, таблицы и т.п.), а также в него можно добавлять изображения. Формат идеально подходит для рефератов, докладов и РПЗ курсовых проектов, которые необходимо распечатать. Кстати перед печатью также сохраняйте файл в PDF, так как принтер может начудить со шрифтами.
















