150099 (621214), страница 2
Текст из файла (страница 2)
Ток эмиттера
Определим сопротивление R1
Выбираем номинал R1=120 Ом.
Рассчитываем ток базового делителя
Сопротивление R2 базового делителя
где
Uб=Uэ+Uэб=1.2 + 0.7=1.9В
Выбираем номинал R2=2.4 кОм.
Рассчитаем ток цепи питания
Сопротивление R4
Выбираем номинал R4=110 Ом.
Для определения номиналов конденсаторов С1, С2, С4 учтем, что их реальные сопротивление конденсаторов на нижней рабочей частоте должно удовлетворять условию [2 1];
Откуда находим
Принимаем номинал конденсаторов С1=С2=С4=3,3 нФ.
Аналогично находим емкость конденсатора С3, учитываем, что
Принимаем номинал конденсатора СЗ=15нФ.
Найдем сопротивление R3.
Выбираем номинал резистора R3=12 кОм.
РАСЧЕТ РАЗВЕТВИТЕЛЯ МВ - ДМВ ДИАПАЗОНА
Схема разветвителя выполняется на реактивных элементах в виде взаимно дополняющих фильтров ФНЧ и ФВЧ, имеющую граничную частоту в полосе 250-470 МГц. Неэффективность применения разветвителя в качестве устройств подобного типа обусловлена затуханием сигнала в нем, составляющим более 3 дБ. При использовании фильтров затухание в полосе минимально, зависит от типа фильтра, и его порядка и обычно не превышает 1дБ. В качестве исходных данных при проектировании разветвителя МВ-ДМВ принимаем:
уровень межканальной развязки не менее 10 дБ. Частота стыковки (частота гарантированного затухания):
Исходя из требуемых характеристик диплексера, необходимо сформировать АЧХ вида рис. 1 номинальные значения граничной частоты:
Для выбора типа АЧХ и порядка фильтра воспользуемся кривыми затухания фильтров Баттерворта приведенных на рис. 2 [21]. Видно, что типовая АЧХ фильтра Баттерворта позволяет получить затухшие 10 дБ на частоте стыковки, следовательно обеспечить межканальную развязку свыше 10 дБ в полосах пропускания при использовании фильтра третьего порядка (n=3).
Исходная схема разветвителя МВ-ДМВ приведена на рис. 3
Масштабированные значения L’n, С’n табулированы, откуда определяем, что L’
=1; С’
=2; L’
=1.
Рис. 2 Типовая АЧХ Баттерворта
Рис. 3 Масштабированные значения L’n, C’n
Значения элементов ФНЧ вычисляются с учетом масштабного множителя
по формулам:
так как L’
=L’
;
Принимаем ближайшие значение емкостного элемента С2 из номинального ряда 18 пФ.
Для определения номиналов элементов фильтра ФВЧ, необходимо перейти от фйльтра ФНЧ к ФВЧ. Для эго все катушки индуктивности в схеме ФНЧ заменяем на конденсаторы с емкостью 1/L’, а все конденсаторы на катушки с индуктивностью 1/C’. Тогда
и учитывая масштабный множитель для ФВЧ
Теперь рассчитаем значения элементов схемы ФВЧ:
Принимаем ближайшее значение емкостных элементов С1=С3 из номинального ряда 4,7 пФ.
На рис. 4а приведена принципиальная схема диплексера для МВ - дМВ диапазона и расчетные передаточные характеристики по обоим входам смоделированная на компьютере программой “Work bench 5.0” .(рис4б)
Устройство обеспечивает полосное затухание, не превышающее 0,5 дБ, и межканальную развязку не менее 15 дБ.
На рис.4б приведена реальная АЧХ
Рис. 4а. Принципиальная схема МВ-ДМВ диплексера
Рис. 4б. Передаточная характеристика диплексера
РАСЧЕТ БЛОКА ПИТАНИЯ
В настоящее время для упрощения блоков питания применяют интегральные стабилизаторы с фиксированными напряжениями (что удовлетворяет требования) серии КРI42ЕН8 Выбираем по справочнику [13] необходимый стабилизатор КРI42ЕНБ с параметрами:
Стабилизаторы содержат защиту от перегрузок по току и тепловую защиту срабатывающую при температуре кристалла +175 °С. На рис.1 показана типовая схема включения.
Рис. 1 Типовая схема включения стабилизатора
На выходе стабилизатора необходимо включить конденсатор С1О мкФ для обеспечения устойчивости при изменении тока.
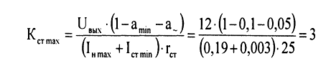
Задаемся коэффициентом пульсаций на входе стабилизатора, максимальным и минимальным токами нагрузки, относительными отклонениями напряжения сети в сторону повышения и понижения:
Определяем максимальный коэффициент стабилизации
В результате расчета выпрямителя должны быть определены параметры и тип диодов и параметры трансформатора. При проектировании и расчетах исходными данными являются:
номинальное выпрямленное напряжение U
,B. U
=12 B
ток нагрузки I
, А. Iо = 190 мА.
сопротивление нагрузки
R
= U
/I
, Oм.
R
= 12/0.19 = 63 Oм.
выходная мощность
P
= U
I
, Bт.
P
= 12
0.19 = 2,2 Bт
Номинальное напряжение питающей сети переменного тока U
= 220В; относительное отклонение напряжения питающей сети в сторону повышения:
в сторону понижения:
изменение входного питающего напряжения сети переменного тока
Частота питающей сети f
=50Гц;
На рис. 2 представлена выбранная схема выпрямителя. данная схема из всех вариантов двухполупериодных выпрямителей обладает наилучшими показателями. достоинства такого выпрямителя — повышенная частота пульсации; относительно небольшое обратное напряжение; хорошее использование трансформатора. К недостаткам можно отнести повышенное падение напряжения в диодном комплекте.
Рис. 2 Однофазный выпрямитель по мостовой схеме.
Определяем сопротивления трансформатора
вентиля
и по их значениям находим сопротивление фазы выпрямителя
.
где В — магнитная индукция, Т;j — средняя плотность тока в обмотках трансформатора, А/мм2.
Сопротивление вентиля
определяем из характеристик выбранного диода, выбранного ддя вентиля. Выбираем диод КД226д с
= U
/I
У данного диода U
= 1.3B,
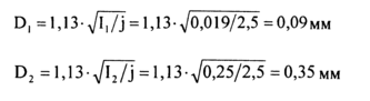
Определяем параметры выпрямителей
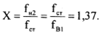
Параметры В и D определяем из рис.3, предварительно определив параметр А.
Тогда В = 1,35 D = 1,83.
Следовательно
Расчет трансформатора, опираясь на предыдущие вычисления определяем ток первичной обмотки трансформатора
Принимая КПД трансформатора, равным 0,85 определяем габаритную мощность трансформатора
Выбираем значение коэффициента заполнения медью окна сердечника при f
=50Гц; k
= 0,2.
Определяем число витков обмоток трансформатора
Определяем диаметр проводов обмоток трансформатора (без учета толщины изоляции)
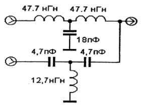
Так как проводником питания 12В будет коаксиальный кабель необходимо рассчитать фильтр питания усилительно-распределительного тракта (рис. 4) исходя из формул:
Определяем параметры фильтра:
Рис.4 Принципиальная схема питания усилительно-распределительного тракта
















