150097 (621212), страница 2
Текст из файла (страница 2)
Относительная высота шлицев основное влияние оказывает на поток в пристенной зоне. С увеличением
уменьшаются потери на расширение струи и вихреобразование у кромок шлицев, поэтому возрастает уровень
во всей пристенной зоне течения, в том числе и величина
.
Распределенность шлицев по периметру камеры (увеличение а) способствует повышению осевой симметрии потока в ядре и равномерности распределения скоростей в периферийной зоне. Относительная длина камеры оказывает влияние, как на структуру, так и на общие аэродинамические характеристики потока. При росте
несколько увеличивается радиальная протяженность пристенной зоны течения.
Повышение шероховатости поверхности рабочего объема циклонной камеры приводит к снижению уровня вращательных скоростей, уменьшению сопротивления камеры. Повышение
приводит к некоторой перестройке поля осевых скоростей, особенно в центре рабочего объема камеры. С ростом
может быть ликвидирован осевой обратный ток, увеличивается радиальная протяженность и уровень максимальной осевой скорости выходного вихря.
Трение потока о стенки оказывает влияние на уровень вращательных скоростей в рабочем объеме, следовательно, на величину затрат на достижение определенного уровня крутки и величины входной и выходной составляющих суммарного коэффициента сопротивления. Коэффициент кинематической вязкости потока при входных условиях
приводит к снижению коэффициента трения и, следовательно, к снижению тормозящего действия внутренней поверхности рабочего объема. Так как сопротивление формы не зависит от числа Рейнольдса, то и сопротивление циклонной камеры в этом случае не зависит от
. Течение потока становится автомодельным. В общем изменение суммарного коэффициента сопротивления камеры с увеличением числа
можно представить следующим образом: при ламинарном режиме течения, если он возможен, , вероятно, будет увеличиваться и достигнет максимума при критическом значении числа Рейнольдса, в переходном режиме убывает, при турбулентном промежуточном режиме, в отличие от двух предыдущих, характер изменения начинает существенно меняться от относительной шероховатости поверхности рабочего объема, и, в зависимости от величины , может иметь место и падение, и увеличение ; в режиме развитой шероховатости суммарный коэффициент сопротивления не меняется.
Загрузка объема циклонной камеры различного рода вставками не вызывает коренных изменений в картине распределения скоростей. В то же время она оказывает влияние практически на все аэродинамические характеристики потока.
3. Описание экспериментального стенда и методики измерений
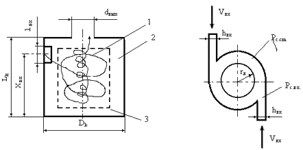
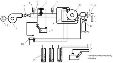
Основным элементом стенда является модель циклонной камеры 10, выполненная из оргстекла. Размеры рабочего объема камеры: диаметр Dк=2Rк=310 мм, длина Lк=1,55. Ввод воздуха в камеру производится двумя расположенными тангенциально к внутренней поверхности рабочего объема входными каналами (шлицами) прямоугольной формы длиной ℓвх=257 мм и высотой hвх = 24 мм из раздаточного короба-ресcивера 9. Отвод газа из камеры осуществляется через плоский торец с круглым осесимметричным выходным отверстием, безразмерный диаметр которого
вых можно варьировать в диапазоне значений от 0,2 до 0,6.
В качестве дутьевого устройства 2 используется воздуходувка. Измерение расхода воздуха через установку производят методом снятия поля скоростей пневмометрическим насадком 6 в мерном сечении подводящего трубопровода 5.
Температура воздуха, подаваемого в циклонную камеру, измеряют ртутными лабораторными термометрами 4, 7, установленными в гильзах в начале измерительного участка трубопровода и непосредственно перед циклонной камерой.
Отбор статистического давления во входных каналах и на боковой поверхности модели осуществляется через дренажные отверстия диаметром 0,7 мм. В качестве измерительного прибора используется дифференциальный водяной манометр 14, соединяемый с соответствующими точками отбора давления переключателем 15.
В объеме камеры производится снятие распределений скоростей и давлений в одном или нескольких сечениях в качестве пневмометрического насадка 12 используется трехканальный цилиндрический зонд с диаметром приемной части 2,6 мм (рисунок 4). Как показывают тарировочные опыты, введение измерительного насадка в рабочий объем модели не вносит существенных возмущений в поток. Перемещение зонда в измерительном сечении и его аэродинамическая ориентировка в потоке по показаниям микроманометра производятся координатником с ручным приводом конструкции ЛПИ им. М.И. Калинина. Координатник крепится специальным зажимами к каретке, которую можно перемещать. Пуск экспериментального стенда производится путем включения воздуходувки с электрощита управления при закрытой заслонке на воздухопроводе.
Трехканальные цилиндрические зонды применяются для исследования практически плоского потока. Приближенно циклонный поток в пределах его ядра можно рассматривать как плоский. Насадок 3 имеет три отверстия диаметром 0,3–0,4 мм, находящиеся на его боковой поверхности в одной плоскости, перпендикулярной оси зонда, на определенном (не менее 2d) расстоянии от торца. Боковые отверстия по отношению к центральному располагаются симметрично, причем угол между их осями должен составлять
. Пуск экспериментального стенда производится путем включения воздуходувки с электрощита управления при закрытой заслонке 3 (рисунок 1) на воздухопроводе.
Прежде чем приступить к производству замеров, необходимо вывести установку на стационарный режим. Для этого обычно требуется 30–40 мин. Убедившись в достижении стационарного режима, приступают к проведению эксперимента.
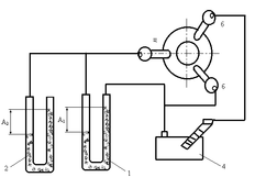
По дифференциальному водяному манометру 1 (рисунок 4) отсчитывают перепад давления А1 между центральным и одним из боковых отверстий, пропорциональный напору в данной точке потока, а по дифманометру 2 (рисунок 4) – полный напор А2. Угол скоса поток φ определяют по лимбу координатника с ценой деления 10. Полученные данные позволяют определить полную скорость потока и ее тангенциальную (вращательную) и осевую составляющие, а так же статическое давление.
При необходимости исследования пространственного трехмерного потока обычно применяют шаровые зонды. Приемная часть зонда имеет вид сферы, в которой имеется пять отверстий отбора давления. Отверстия расположены в двух перпендикулярных друг другу диаметральных плоскостях. Угол между осями центрального и каждого из боковых отверстий составляет 40
500. Все отверстия соединены с измерительными штуцерами импульсными трубками.
Порядок работы с шаровым зондом принципиально ничем не отличается от приведенного выше для цилиндрического. Разница заключается лишь в необходимости дополнительного замера перепада А3.
4. Расчет распределений скоростей и давлений в циклонной камере
Избыточное статистическое давление потока в точке замера, мм. вод. ст.:
Плотность воздуха в произвольной точке потока, кг/м3:
Полная скорость потока в точке замера, м/с:
Безразмерная осевая составляющая полной скорости:
Безразмерная вращательная составляющая полной скорости потока:
Плотность воздуха во входных каналах циклонной камеры кг/м3:
Безразмерное избыточное статистическое давление в точке замера:
Безразмерное избыточное полное давление в точке замера:
Избыточное безразмерное статистическое давление воздуха на боковой поверхности циклонной камеры:
Соотношение избыточных статистических давлений на боковой поверхности и во входных каналах:
Суммарный коэффициент сопротивления по входу :
Коэффициент кинематической вязкости воздуха при входных условиях, м2/с:
Число Рейнольдса, определяющее начало автомодельной области течения:
Сравнивая значения
и
, делаем вывод, что течение потока будет не автомодельным, так как
<
.
5. Расчет распределения скоростей и давлений по методике аэродинамического расчета
Безразмерная площадь входа:
Безразмерный средний радиус входа потока:
Безразмерный радиус ядра потока:
Относительная площадь выхода потока:
Соотношение площадей входа и выхода потока:
Безразмерный радиус:
где:
,
,
0,2543.
Безразмерный радиус осесимметричного ядра потока:
Коэффициент крутки в ядре потока:
Эффективная относительная площадь входа
Результат обобщенных данных:
,
где:
,
.
Вращательная скорость на границе ядра потока:
Безразмерная максимальная вращательная составляющая скорости течения в ядре потока:
В зоне квазитвердого вращения распределение:
где
,
Распределение в квазипотенциальной зоне:
где:
,
.
Избыточное статистическое давление на боковой поверхности циклонной камеры:
Соотношение статистических давлений на боковой поверхности циклонной камеры и во входных каналах:
Суммарный коэффициент сопротивления циклонной камеры:
Распределение безразмерного статистического давления по радиусу циклонной камеры для зоны квазитвердого вращения:
,
Для зоны квазипотенциального вращения:
,















