144936 (620810), страница 3
Текст из файла (страница 3)
Потери давления Rт, Па, на преодоление трения на участке трубопровода с
постоянным расходом движущейся среды (воды, пара) и неизменным диаметром определяют по формуле:
,
где R – удельная потеря давления;
l – длина участка трубопровода.
Потерю давления на преодоление местных сопротивлений, Па, определяют по формуле:
где
– сумма коэффициентов местных сопротивлений в данном участке трубопровода, величина безразмерная;
– динамическое давление воды в данном участке трубопровода, Па.
Общее сопротивление, возникающее при движении воды в трубопроводе циркуляционного кольца, включая отопительный прибор, котел и арматуру, может быть представлено как сумма потерь давления на трение ΣR·l и сумма потерь в местных сопротивлениях ΣΖ уравнением:
,
где Ρр – располагаемое давление.
Расчёт сети начинают с главного циркуляционного кольца, для которого Rср имеет наименьшую величину.
Кроме величины Rср, для подбора диаметра трубопроводов по таблице или номограмме необходимо знать количество воды G, кг/ч, протекающей по каждому расчетному участку циркуляционного кольца.
Величина G определяется по формуле:
, кг/ч
где Q – тепловая нагрузка расчетного участка по теплоотдаче приборов, Вт;
tг-tо – перепад температур воды в системе, оС;
с – теплоемкость воды, кДж/(кг·К);
3,6 – коэффициент перевода единиц Вт в кДж/ч.
Ориентируясь на полученное значение Rср, и определив количество воды
G, кг/ч, можно с помощью номограммы или расчетной таблицы подобрать оптимальные диаметры труб расчетного кольца. Все данные, получаемые при расчете трубопровода, заносят в таблицу.
При расчете отдельных участков трубопровода необходимо иметь в виду следующее: местное сопротивление тройников и крестовин относят лишь к расчетным участкам с наименьшим расходом воды; местные сопротивления нагревательных приборов, котлов и бойлеров учитывают поровну в каждом примыкающем к ним трубопроводе.
Если по произведенному расчету с учетом запаса до 10% расходуемое давление в системе будет больше или меньше располагаемого давления, то на отдельных участках кольца следует изменить диаметры труб.
Невязка в расходуемом давлении между отдельными циркуляционными кольцами допускается в однотрубных системах и двухтрубных системах с попутным движением воды до 15%, а в двухтрубных с тупиковой разводкой – до 25%.
Расчет трубопроводов двухтрубной системы водяного отопления с искусственной циркуляцией воды отличается от расчета трубопроводов такой же системы, но с естественной циркуляцией воды определением располагаемого давления. В системе с искусственной циркуляцией оно складывается из давления, возникающего в результате охлаждения воды в приборах и трубопроводах, и давления, которое создается насосом.
Располагаемое давление в этом случае определяется по выражению
,
где ΔРпр – естественное давление, возникающее при охлаждении воды в приборах. Па,
ΔРтр – естественное давление, возникающее в результате охлаждения воды в трубопроводах, Па;
Рнас – давление, создаваемое насосом, Па.
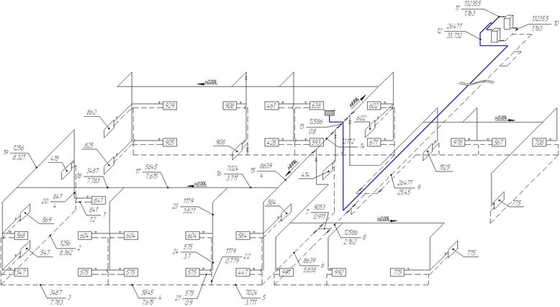
Аксонометрическая схема системы отопления представлена на рисунке 4.
Гидравлический расчёт системы отопления сводим в таблицу 3.
Рисунок 4 Аксонометрическая схема системы отопления
Таблица 3 Гидравлический расчёт системы отопления.
| № участка | Тепловая нагрузка на участок Qуч, Вт | Расход теплоно-сителя на участке G, кг/ч | Длинна участка l, м | Диаметр трубы d, мм | Скорость воды на участке W, м/с | Динами-ческий напор hw, Па | Удельная потеря давления на трение R, Па | Потеря давления на трение Rl, Па | Сумма коэффици-ентов местных сопротивлений Σζ | Потеря давления на местные сопротив-ления ΔP=Σζ·hw,Па | Полные потери давления на трение ΔP, Па |
| 1 | 2 | 3 | 4 | 5 | 6 | 7 | 8 | 9 | 10 | 11 | 12 |
| Большое циркуляционное кольцо | |||||||||||
| 1 | 841 | 28,93 | 1,2 | 20 | 0,026 | 0,33 | 0,58 | 0,70 | 2,1 | 0,70 | 1,40 |
| 2 | 1256 | 43,21 | 8,362 | 20 | 0,039 | 0,75 | 1,30 | 10,88 | 2,5 | 1,87 | 12,75 |
| 3 | 3487 | 119,95 | 7,783 | 25 | 0,069 | 2,36 | 3,11 | 24,20 | 1,0 | 2,36 | 26,56 |
| 4 | 5845 | 201,07 | 7,615 | 25 | 0,116 | 6,63 | 8,74 | 66,52 | 1,0 | 6,63 | 73,15 |
| 5 | 7024 | 241,63 | 3,711 | 25 | 0,140 | 9,57 | 12,61 | 46,81 | 1,5 | 14,36 | 61,17 |
| 6 | 8639 | 297,18 | 5,838 | 25 | 0,172 | 14,48 | 19,08 | 111,40 | 3,5 | 50,67 | 162,07 |
| 7 | 9053 | 311,43 | 0,911 | 25 | 0,180 | 15,90 | 20,96 | 19,09 | 1,5 | 23,85 | 42,94 |
| 8 | 12586 | 432,96 | 2,162 | 25 | 0,251 | 30,73 | 40,50 | 87,57 | 3,5 | 107,55 | 195,12 |
| 9 | 26471 | 910,61 | 25,45 | 32 | 0,322 | 50,64 | 49,02 | 1247,62 | 5,0 | 253,18 | 1500,80 |
| 10 | 13235,5 | 455,31 | 1,163 | 25 | 0,264 | 33,98 | 44,79 | 52,09 | 4,5 | 152,92 | 205,01 |
| 11 | 13235,5 | 455,31 | 1,163 | 25 | 0,264 | 33,98 | 45,53 | 52,95 | 6,0 | 203,89 | 256,84 |
| 12 | 26471 | 910,61 | 33,732 | 32 | 0,322 | 50,64 | 49,83 | 1680,88 | 5,0 | 253,18 | 1934,07 |
| 13 | 12586 | 432,96 | 0,8 | 25 | 0,251 | 30,23 | 41,17 | 32,94 | 2,0 | 60,46 | 93,40 |
| 14 | 12172 | 418,72 | 2 | 25 | 0,242 | 28,27 | 38,51 | 77,01 | 1,5 | 42,41 | 119,42 |
| 15 | 8639 | 297,18 | 4 | 25 | 0,172 | 14,24 | 19,40 | 77,59 | 1,5 | 21,36 | 98,95 |
| 16 | 7024 | 241,63 | 3,711 | 25 | 0,140 | 9,42 | 12,82 | 47,58 | 1,5 | 14,12 | 61,71 |
| 17 | 5845 | 201,07 | 7,615 | 25 | 0,116 | 6,52 | 8,88 | 67,62 | 1,0 | 6,52 | 74,14 |
| 18 | 3487 | 119,95 | 7,783 | 25 | 0,069 | 2,32 | 3,16 | 24,60 | 1,0 | 2,32 | 26,92 |
| 19 | 1256 | 43,21 | 8,321 | 25 | 0,025 | 0,30 | 0,41 | 3,41 | 2,5 | 0,75 | 4,16 |
| 20 | 841 | 28,93 | 4 | 20 | 0,026 | 0,33 | 0,59 | 2,37 | 4,6 | 1,52 | 3,89 |
| Малое циркуляционное кольцо | |||||||||||
| 21 | 575 | 19,78 | 0,9 | 20 | 0,018 | 0,16 | 0,3 | 0,2 | 2,1 | 0,3 | 0,6 |
| 22 | 1179 | 40,56 | 0,779 | 20 | 0,037 | 0,66 | 1,1 | 0,9 | 1,5 | 1,0 | 1,9 |
| 5 | 7024 | 241,63 | 3,711 | 25 | 0,140 | 9,57 | 12,6 | 46,8 | 1,5 | 14,4 | 61,2 |
| 6 | 8639 | 297,18 | 5,838 | 25 | 0,172 | 14,48 | 19,08 | 111,40 | 1,5 | 21,72 | 133,12 |
| 7 | 9053 | 311,43 | 0,911 | 25 | 0,180 | 15,90 | 20,96 | 19,09 | 3,5 | 55,64 | 74,73 |
| 8 | 12586 | 432,96 | 2,162 | 25 | 0,251 | 30,73 | 40,50 | 87,57 | 1,5 | 46,09 | 133,66 |
| 9 | 26471 | 910,61 | 25,45 | 32 | 0,322 | 50,64 | 49,02 | 1247,62 | 3,5 | 177,23 | 1424,84 |
| 10 | 13235,5 | 455,31 | 1,163 | 25 | 0,264 | 33,98 | 44,79 | 52,09 | 5,0 | 169,91 | 222,00 |
| 11 | 13235,5 | 455,31 | 1,163 | 25 | 0,264 | 33,98 | 44,79 | 52,09 | 4,5 | 152,92 | 205,01 |
| 12 | 26471 | 910,61 | 33,732 | 32 | 0,322 | 50,64 | 49,02 | 1653,62 | 6,0 | 303,82 | 1957,44 |
| 13 | 12586 | 432,96 | 0,8 | 25 | 0,251 | 30,73 | 40,50 | 32,40 | 5,0 | 153,64 | 186,04 |
| 14 | 12172 | 418,72 | 2 | 25 | 0,242 | 28,27 | 37,88 | 75,76 | 2,0 | 56,55 | 132,31 |
| 15 | 8639 | 297,18 | 4 | 25 | 0,172 | 14,24 | 19,08 | 76,33 | 1,5 | 21,36 | 97,69 |
| 16 | 7024 | 241,63 | 3,711 | 25 | 0,140 | 9,42 | 12,61 | 46,81 | 1,5 | 14,12 | 60,94 |
| 23 | 1179 | 40,56 | 3,821 | 20 | 0,037 | 0,65 | 1,15 | 4,38 | 2,5 | 1,62 | 6,00 |
| 24 | 575 | 19,78 | 3,7 | 20 | 0,018 | 0,15 | 0,27 | 1,01 | 4,6 | 0,71 | 1,72 |
Рассчитаем невязку:















