144912 (620794)
Текст из файла
Старооскольский технологический институт
Федерального государственного образовательного учреждения Высшего профессионального образования
"Национальный исследовательский технологический университет МИСиС"
Кафедра промышленного и гражданского строительства
Пояснительная записка
к курсовому проекту по железобетонным и каменным конструкциям
на тему:
"Проектирование и расчет несущих конструкций железобетонного каркаса одноэтажного промышленного здания"
Выполнил: студент
группы ПГС-05-2з
Рогоза С.И.
Проверил:
Медведев Е.Н.
2010 г.
Задание
К курсовому проекту №1
По дисциплине "Железобетонные и каменные конструкции"
Разработать проект каркаса одноэтажного промышленного здания в сборном железобетоне. В основу компоновки объемно - планировочного и конструктивного решения принять знания и умения, приобретенные в разработанном ранее курсовом проекте "Промышленные здания" по дисциплине "Архитектура ПГ3".
Исходные данные
1. Длина блока 60(м),
2. Ширина блока 36(м),
3. Шаг колонн 6(м),
4. Пролет (L1, L2) 18(м),
5. Количество пролетов 2
6. Высота до низа несущих конструкций 8.4(м),
7. Грузоподъемность крана 20 (т),
8. Район строительства г. Киев,
9. Типовые конструкции
- колонны, крановые сплошного прямоугольного сечения (колонна для расчета крайняя);
- отдельно стоящие фундаменты стаканного типа;
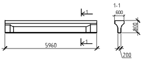
- конструкции покрытия – КЖС.
Состав проекта
-
Состав пояснительной записки:
-
Компоновочная и расчетная схема каркаса здания, сбор по загружениям.
-
Определение усилий в крайней колонне от загружений.
-
Комбинация усилий в сечениях крайней колонны.
-
Расчет и конструирование колонны.
-
Расчет и конструирование отдельно стоящего фундамента.
-
Расчет и конструирование плиты.
-
Графическая часть проекта.
Проект оформляется на 1.5-2 листах формата А1 в составе:
- компоновочная схема здания;
- армирование колонны;
- армирование отдельно стоящего фундамента;
- армирование конструкций покрытия.
Введение
Целью данного курсового проекта является расчет железобетонных элементов сборного каркасного одноэтажного промышленного здания. Здание имеет следующие объемно планировочные характеристики: два пролета по 18 м (общая ширина здания 36 м), длина – 60м. В здании применены железобетонные колонны заводского изготовления. Колонны имеют сплошное прямоугольное поперечное сечение. Шаг колонн в здании – 6м. На колонны опирается подкрановые балки длиной 6 м. В каждом пролете действует кран, грузоподъемностью Q=20 т. Все краны среднего режима работы. Колонны опираются на фундаменты стаканного типа. Нагрузка от покрытия на колонны посредством КЖС пролетом 18 м, уложенных с шагом 6 м. В качестве наружных ограждающих конструкций применяются железобетонные панели размером 1,2х6 м. Для расчета элементов каркаса колонн, КЖС – все размеры принимаются в соответствии с каталогом железобетонных конструкций для одноэтажных промышленных зданий. В пояснительной записке приводится лишь расчет и подбор арматуры. Фундамент рассчитывается с учетом требований унификации.
Здание рассчитывается для строительства в районе города Киев.
1. Подбор конструкций
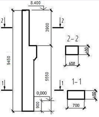
Колонны
Подкрановая балка – 3,5т
Стеновая панель – 2,1т
Характеристики крана:
Грузоподъемность Q=20т; Пролет Lк-16.5 м;
Ширина В=6300мм; База К=4400мм;
Высота Н=2400мм; Зазор В1=260мм;
Давление колеса Рn, max=195кН;
Масса тележки Gт=8.5 т;
Масса крана с тележкой Gк=28,5т.
2. Компоновка поперечной рамы здания
Fгр – грузовая площадь поперечника.
3. Cбор нагрузок
Постоянная нагрузка
Нагрузки от покрытия собираем с грузовых площадей равных: 9x6 м для колонн по рядам А и В, и 18х6 для колонн по ряду Б.
Нагрузки от массы подкрановых балок, крановых путей, стеновых панелей, от ветра собираем с полосы 6м, равной по ширине раме-блоку.
| Элементы конструкции | Нормативная нагрузка кН/м2 | Коэф. Надежности γf | Расчетная нагрузка кН/м2 |
| Защитный слой из гравия на мастике, δ=20мм | 0,4 | 1,3 | 0,52 |
| Водоизоляционный ковер (три слоя рубероида на мастике) | 0,15 | 1,3 | 0,18 |
| Цементно-песчаная стяжка δ=20мм | 0,4 | 1,3 | 0,52 |
| Минераловатный плитный утеплитель (γ=3,7 кН/м3; δ=100мм) | 0,37 | 1,3 | 0,48 |
| Пароизоляция – два слоя пергамина на мастике | 0,1 | 1,3 | 0,12 |
| КЖС | 1,82 | 1,1 | 2.00 |
| Итого | 3,24 | - | 3.82 |
Снеговая нагрузка
Расчетная снеговая нагрузка по (СНиП 2.01.07-85* "Нагрузки и воздействия" таб.4)
для г. Киев.
где γf – коэффициент надежности по нагрузке 1,8;
Определим продольную силу Ns в крайней
колонне:
;
Момент
, возникающий от действия снеговой
нагрузки равен
где
Ветровая нагрузка
В зависимости от района (по СНиП 2.01.07-85* прил.5 карта 3 и табл.5) выбираем район и нормативное значение ветрового давления w0 Киев – II район – w0=0.3 (кПа),
Аэродинамические коэффициенты для вертикальных стен:
- с наветренной стороны;
- c заветренной стороны;
где Ш – шаг колонн 6м;
γf – коэффициент надежности по нагрузке 1,2;
к=1 – коэффициент изменения ветрового давления по высоте.
С наветренной стороны:
С заветренной стороны:
Суммарная сосредоточенная сила W в уровне верха колонны от ветровой нагрузки на стеновую панель:
,
гдеhпар=0,6м – высота парапета.
Крановые нагрузки
Продольные сосредоточенные нагрузки от действия мостовых кранов:
,
где
- коэффициент сочетания для групп режимов работы кранов 1к-6к
γf – коэффициент надежности по нагрузке 1,2;
- максимальное давление колеса на подкрановую балку
- максимально возможная сумма ординат линии влияния опорные реакции подкрановых балок.
Момент от внецентренного приложения:
При торможении тележки возникает горизонтальная поперечная сила
:
Расчетная тормозная сила:
;
4. Расчет и конструирование средней колонны
Данные для расчета.
Бетон класса B22,5 с характеристиками Rb=13.5 МПа, продольная рабочая арматура класса А-III Rs=Rsc=365 МПа, Es=20x104 МПа, Eв=260x103 МПа.
Для расчета колонны используем следующее наиболее неблагоприятное сечение (расчетные сочетания усилий):
Надкрановая часть: N= 110.5 (т); М=4.6 (т·м); Q= 2,4 (т);
Подкрановая часть: N= 185.0 (т); М=15.2 (т·м); Q= 2,9 (т);
Расчет надкрановой части колонны.
Сечение колонны bxh=40x60см. Защитный слой а=4см.
Полезная высота сечения h0=60-4=56см.
Расчетная длина надкрановой части колонны l0=2H2=2x3.9=7,8 м,
При учете крановой нагрузки (т. 32 СНиП II-21-75)
Гибкость надкрановой части колонны:
, где
.
Значит, появляется необходимость учета влияния прогиба элемента на величину эксцентриситета продольной силы:
.
Случайные эксцентриситет:
Наибольшее значение случайного эксцентриситета
. Расчетный эксцентриситет
Находим условную критическую силу
, где
;
;
;
так как
следовательно принимаем значение
Кдл=1 – коэффициент учитывающий длительное влияние действия нагрузки на пргиб элемента в предельном состоянии. Придельный момент инерции сечения арматуры относительно центра тяжести бетонного сечения:
, где
;
Коэффициент
:
;
Расстояние
;
Граничное значение относительной высоты сжатой зоны бетона:
, где
;
;
Площадь арматуры в сжатой зоне
Сечение арматуры
назначаем по конструктивным соображениям:
Принимаем 3 Ø16 А-III, Аs=6.03см2
При принятом сечении
значение:
По таблице 2.11 (Мандриков)
Определим сечение растянутой арматуры
Сечение арматуры
назначаем по конструктивным соображениям:
Принимаем 3 Ø16 А-III, Аs=6.03см2
Принятый коэффициент армирования предварительно
μ=0,005,
не значительно отличается от первоначально принятого μ=0,005, по этому корректировку расчета можно не производить. На широких гранях предусматриваем по 1 Ø16 А-III с тем, чтобы расстояние между продольными стержнями не превышало 400мм.
Характеристики
Тип файла документ
Документы такого типа открываются такими программами, как Microsoft Office Word на компьютерах Windows, Apple Pages на компьютерах Mac, Open Office - бесплатная альтернатива на различных платформах, в том числе Linux. Наиболее простым и современным решением будут Google документы, так как открываются онлайн без скачивания прямо в браузере на любой платформе. Существуют российские качественные аналоги, например от Яндекса.
Будьте внимательны на мобильных устройствах, так как там используются упрощённый функционал даже в официальном приложении от Microsoft, поэтому для просмотра скачивайте PDF-версию. А если нужно редактировать файл, то используйте оригинальный файл.
Файлы такого типа обычно разбиты на страницы, а текст может быть форматированным (жирный, курсив, выбор шрифта, таблицы и т.п.), а также в него можно добавлять изображения. Формат идеально подходит для рефератов, докладов и РПЗ курсовых проектов, которые необходимо распечатать. Кстати перед печатью также сохраняйте файл в PDF, так как принтер может начудить со шрифтами.
















