144852 (620769)
Текст из файла
Міністерство освіти і науки України
Запорізька державна інженерна академія
Кафедра МБГ
КУРСОВА РОБОТА
з дисципліни "Металеві конструкції"
На тему: "Робочий майданчик виробничих будівель"
Запоріжжя
2010
1. ВИБІР РАЦІОНАЛЬНОЇ СХЕМИ БАЛОЧНОЇ КЛІТКИ
Згідно завдання до курсової роботи та рекомендацій п.2 [1] приймаємо дві схеми балочної клітки: загального та ускладненого типу.
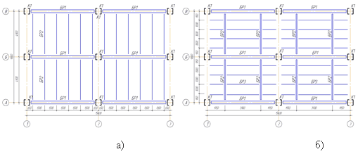
Рисунок 1 – Компоновочна схема балочної клітки:
а – нормального типу; б – ускладненого типу.
1.1 Розрахунок настилу
Розрахунок товщини настилу проводимо згідно рівняння 1 [1]:
, (1.1)
де
- відношення прольоту настилу до його граничного прогину;
- нормативне навантаження згідно завдання,
;
- модуль деформації сталі;
- коефіцієнт Пуассона для сталі.
Розрахунок горизонтальної опорної реакції обчислюємо за формулою 2 [1]:
, (1.2)
де
- відносний прогин настилу;
- коефіцієнт надійності за наантаженням.
Із умов міцності [1] знаходимо кати кутових швів кріплення настилу:
, (1.3)
, (1.4)
де
- коефіцієнти, що примається за табл.7д [1];
- розрахунковий опір металу шва (за табл.6д [1]),
;
- розрахунковий опір шва за межею сплавлення (за табл.5д [1]),
;
- коефіцієнт надійності за призначенням (за табл.1д [1]);
- коефіцієнт умови роботи конструкцій.
Катет шва приймаємо за більшим із знайдених значень, але не меньше мінимального, яке вказане у табл.8 додатку до [1].
1.1.1 Розрахунок настилу балочної клітки нормального типу
За формулою 1.1 розраховуємо товщину настилу балочної клітки:
Згідно сортаменту листової сталі приймаємо лист товщиною
.
За формулою 1.2 розраховуємо горизонтальну опорну реакцію в настилі:
За формулами 1.3 та 1.4 знаходимо катет кутвих швів кріплення настилу щодо умов ручної зварки електродами Е46:
Згідно табл.8 додатку до [1] приймаємо катет шва
.
1.1.2 Розрахунок настилу балочної клітки ускладненого типу
За формулою 1.1 розраховуємо товщину настилу балочної клітки:
Згідно сортаменту листової сталі приймаємо лист товщиною
.
За формулою 1.2 розраховуємо горизонтальну опорну реакцію в настилі:
За формулами 1.3 та 1.4 знаходимо катет кутвих швів кріплення настилу щодо умов ручної зварки електродами Е46:
Згідно табл.8 додатку до [1] приймаємо катет шва
.
1.2 Розрахунок балок настилу
Визначаємо нормативні і розрахункові навантаження на балку за формулами:
; (1.5)
; (1.6)
; (1.7)
; (1.8)
де
- нормативне навантаження від власної ваги настилу,
;
- нормативне навантаження від власної ваги балок настилу,
.
Нормативне навантаження від власної ваги балок настилу розраховуємо за формулою:
, (1.9)
де
- лінійна густина балки настилу,
;
- кількість балок настилу в частині балочної клітини за розмірами
;
- крок допоміжних балок,
;
- крок колон балочної,
;
- коефіцієнти надійності за навантаженням (
).
Визначаємо граничні значення згинального моменту та перерізуючої сили за формулами:
(1.10)
(1.11)
Визначаємо потрібний момент опору за формулою 8 [1]:
(1.12)
Перевірку міцності прийнятого перерізу виконуємо за фомулою 9 [1]:
, (1.13)
де
- коефіцієнт роботи матеріалу.
Міцність за дотичними напруженнями визначаємо за формулою 11 [1]:
, (1.14)
де
- моменти інерції обраного перерізу балки настилу;
- товщина стінки профілю,
;
- розрахунковий опір сталі зрізу,
.
Жорсткість балки настилу перевіряємо за формулою 12 [1]:
(1.15)
1.2.1 Розрахунок балок настилу балочної клітки нормального типу
За формулами 1.5 та 1.7 визначаємо нормативні і розрахункові навантаження на балку настилу:
За формулами 1.10 та 1.11 визначаємо граничні значення згинального моменту та перерізуючої сили:
За формулою 1.12 визначаємо потрібний момент опору балки настилу:
з сортаменту фасонного прокату приймаємо наступну за кроком двотаврову балку №20 з характеристиками:
;
;
;
.
За формулою 1.13 проводимо перевірку міцності прийнятого перерізу:
За формулою 1.14 проводимо перевірку міцності прийнятого перерізу:
За формулою 1.15 перевіряємо жорсткість балки настилу:
Усі умови виконуються, таким чином для даної схеми приймаємо балки настилу з двотаврового профілю 20.
1.2.2 Розрахунок балок настилу балочної клітки ускладненого типу
За формулами 1.5 та 1.7 визначаємо нормативні і розрахункові навантаження на балку настилу:
За формулами 1.10 та 1.11 визначаємо граничні значення згинального моменту та перерізуючої сили:
За формулою 1.12 визначаємо потрібний момент опору балки настилу:
З сортаменту фасонного прокату приймаємо двотаврову балку №14 з характеристиками:
;
;
;
.
За формулою 1.13 проводимо перевірку міцності прийнятого перерізу:
За формулою 1.14 проводимо перевірку міцності прийнятого перерізу:
За формулою 1.15 перевіряємо жорсткість балки настилу:
Усі умови виконуються, таким чином для даної схеми приймаємо балки настилу з двотаврового профілю 14.
За формулою 1.9 розраховуємо нормативне навантаження від балок настилу:
За формулами 1.6 та 1.8 визначаємо нормативні і розрахункові навантаження на допоміжну балку:
За формулами 1.10 та 1.11 визначаємо граничні значення згинального моменту та перерізуючої сили:
За формулою 1.12 визначаємо потрібний момент опору балки настилу:
З сортаменту фасонного прокату приймаємо двотаврову балку №30 з характеристиками:
;
;
;
.
За формулою 1.13 проводимо перевірку міцності прийнятого перерізу:
За формулою 1.14 проводимо перевірку міцності прийнятого перерізу:
За формулою 1.15 перевіряємо жорсткість балки настилу:
Усі умови виконуються, таким чином для даної схеми приймаємо допоміжні балки з двотаврового профілю 30.
1.3 Порівняння варіантів схем балочної клітки
Розрахунок металоємності балочних кліток нормального та ускладненого типу виконуємо за формулами 13,14 [1]:
; (1.16)
; (1.17)
де
- вага
настилу,
;
- відповідно, вага
балки настилу і допоміжної балки,
;
- відповідно кількість балок настилу і допоміжних балок.
Таким чином металоємність балочної клітки нормального типу складає:
Таким чином металоємність балочної клітки ускладненого типу складає:
Отримані дані з металоємності варіантів балочної клітки заносимо до таблиці.
Таблиця 1.1 – Порівняння варіантів схем балочної клітки
| №вар. | Витрати сталі, | Кількість | |||
| Всього | На | Відсотки, % | Типів балок | Монтажних елементів | |
| 1 | 3018 | 78,96 | 1 | 6 | |
| 2 | 2445 | 63,97 | 2 | 6 | |
Таким чином варіант балочної клітини нормального типу є менш металоємним та трудомістким. Схема балочної клітки нормального типу буде використана у подальшому розрахунку головних балок перекриття та колон.
2. РОЗРАХУНОК ГОЛОВНОЇ БАЛКИ
Визначаємо нормативні і розрахункові навантаження на головну балку:
За формулами 1.10 та 1.11 визначаємо граничні значення згинального моменту та перерізуючої сили:
За формулою 1.12 визначаємо потрібний момент опору балки настилу:
З сортаменту фасонного прокату приймаємо двотаврову балку №50Б2 з характеристиками:
;
;
;
.
За формулою 1.13 проводимо перевірку міцності прийнятого перерізу:
За формулою 1.14 проводимо перевірку міцності прийнятого перерізу:
За формулою 1.15 перевіряємо жорсткість балки настилу, але значення припустимого прогину приймаємо
:
Перевіряємо загальну стійкість головної балки перекриття за формулою:
, (2.1)
де
- крок балок настилу,
;
- ширина полки двотавра,
;
- товщина полки двотавра,
;
- вістова відстань між центрами полок двотавра.
Таким чином загальна стійкість головної балки перекриття складає:
Усі умови виконуються, таким чином приймаємо перетин головної балки з двотаврового профілю 50Б2.
2.1 Розрахунок опорного ребра балки
Для даної схеми приймаємо конструкцію опорного ребра, розміщеного на краю головної балки. Ширину опорного ребра
приймаємо конструктивно рівною ширині полки двотавра
.
Товщину опорного ребра розраховуємо за формулою 71 [1]:
, (2.2)
де
- опорна реакція головної балки,
;
- розрахунковий опір сталі за межею міцності,
.
Таким чином за формулою 2.2 товщина опорного ребра складає:
Конструктивно приймаємо товщину опорного ребра
.
Перевіряємо місцеву стійкість опорного ребра балки за формулою 72 [1]:
, (2.3)
де
- ширина консольної частини полки балки,
.
Таким чином розрахункова місцева стійкість ребра балки складає:
Стійкість опорного ребра балки , як центрово стиснутого стержня перевіряємо за формулою 73 [1]:
Характеристики
Тип файла документ
Документы такого типа открываются такими программами, как Microsoft Office Word на компьютерах Windows, Apple Pages на компьютерах Mac, Open Office - бесплатная альтернатива на различных платформах, в том числе Linux. Наиболее простым и современным решением будут Google документы, так как открываются онлайн без скачивания прямо в браузере на любой платформе. Существуют российские качественные аналоги, например от Яндекса.
Будьте внимательны на мобильных устройствах, так как там используются упрощённый функционал даже в официальном приложении от Microsoft, поэтому для просмотра скачивайте PDF-версию. А если нужно редактировать файл, то используйте оригинальный файл.
Файлы такого типа обычно разбиты на страницы, а текст может быть форматированным (жирный, курсив, выбор шрифта, таблицы и т.п.), а также в него можно добавлять изображения. Формат идеально подходит для рефератов, докладов и РПЗ курсовых проектов, которые необходимо распечатать. Кстати перед печатью также сохраняйте файл в PDF, так как принтер может начудить со шрифтами.
















