144627 (620663), страница 3
Текст из файла (страница 3)
Расчёт свайных фундаментов должен проводиться по двум группам предельных состояний:
-
по первой группе расчётом несущей способности грунта оснований свайных фундаментов
-
по второй группе расчётом осадок оснований свайных фундаментов.
Одиночную сваю по несущей способности грунтов основания следует рассчитывать исходя из условия:
, где
– расчётная несущая способность сваи по грунту,
– коэффициент надёжности,
=1,4
N – расчётная нагрузка передаваемая на сваю с учётом коэффициента надёжности по нагрузке
.
Несущая способность висячей сваи по грунту, работающей на сжимающую нагрузку, определяется по формуле:
где
– коэффициент условной работы сваи в грунте.
R – расчётное сопротивление грунта под нижним концом сваи, кПа
R=5783 кПа
- площадь опирания на грунт сваи
- наружный периметр поперечного сечения сваи.
расчётное сопротивление I‑го слоя грунта основания на боковой поверхности сваи.
толщина I‑го слоя грунта соприкасающегося с боковой поверхностью сваи, м
коэффициенты условной работы соответственно под нижним концом и на боковой поверхности сваи.
Расчётная несущая способность сваи с учётом коэффициента надёжности:
Определяем количество свай в свайном фундаменте.
Для установленного свайного фундамента количество свай определяется по формуле:
- вес ростверка,
Нагрузка от массы фундамента:
.
Нагрузка от массы колоны подвала:
.
Нагрузка от массы грунта:
Принимаем
свай.
Проверка свайного фундамента по первой группе предельных состояний
Законструировав ростверк, выполняется проверка свайного фундамента по несущей способности по условию:
или
.
Расчётная характеристика на сваю:
.
При проверке условия
следует добиться запаса прочности не более 20% т.е.
Расчёт свайного фундамента по второй группе предельных состояний
Расчёт фундамента по деформациям как условного массивного фундамента на естественном основании. Границы условного фундамента определяется следующим образом: сверху поверхностью планировки, с боков вертикальными плоскостями АВ и БГ, снизу плоскостью в уровне нижних концов свай в границах условной площади подошвы фундамента.
Средневзвешенное значение угла внутреннего трения грунтов, залегающих в пределах длинны сваи при сплошном их напластовании определяется:
, где
– расчётное значение углов внутреннего трения грунта I‑го слоя, град.
– соответствующие толщины слоёв грунта.
Ширина условного фундамента:
Площадь подошвы условного фундамента:
Среднее давление под подошвой условного фундамента:
, где
=2241,31кН – внешняя расчётная нагрузка на фундамент, для расчётов по второй группе предельных состояний.
- вес ростверка,
- Нагрузка от массы фундамента:
- Нагрузка от массы колоны подвала:.
Nсв11=4,5х0,23х10х9=93,15кН – Нагрузка от массы сваи
Усреднённый удельный вес грунта выше подошвы условного фундамента:
Вес грунта в объёме условного фундамента:
+
получим:
.
Проверим условие
Расчётное сопротивление грунта основания определяется по формуле:
,
- коэффициенты условной работы, принимаемые по таблице 5,2 (1).
- коэффициенты, принимаемые по таблице 5,3 (1) для
– условная ширина подошвы фундамента.
- осреднённое расчётное значение удельного веса грунтов, залегающих ниже условной подошвы фундамента.
– то же, выше подошвы фундамента.
– для сооружений с подвалом шириной
и глубиной свыше 2 м.
– толщина слоя грунта от подошвы до пола подвала
– толщина пола подвала
- коэффициент при
; коэффициент надёжности.
- расчётное значение удельного сцепления грунта, залегающего непосредственно под подошвой фундамента.
- условие выполняется перерасчёт не требуется.
Определение конечной осадки свайного фундамента методом послойного суммирования
Ширина подошвы свайного фундамента
. Среднее давление под подошвой фундамента
. Вычерчиваем в масштабе геологический разрез строительной площадки. На этот разрез наносим контуры фундамента, строго выдерживая глубину заложения. Разбиваем толщу грунта ниже подошвы фундамента на элементарные слои высотой
. Для вертикали, проходящей через середину подошвы фундамента, находим напряжения от собственного веса грунта
и дополнительные давления
:
.В уровне подошвы фундамента (точка 0)
Нижняя граница сжатой толщи основания применяется на глубине, где выполняется условие
.
Данные расчёта осадки сечения 2–2
| Грунт | Номера точек | Z, м | ξ=2Z/b | α | σzq, кПа | σzp, кПа | E, кПа |
| Глина коричневая | 0 | 0 | 0,00 | 1,000 | 139,69 | 91,5 | 21600 |
| 1 | 0,9 | 0,50 | 0,920 | 157,78 | 84,2 | ||
| Песок желтый | 2 | 1,44 | 0,80 | 0,800 | 163,12 | 73,2 | 28000 |
| 3 | 2,88 | 1,60 | 0,449 | 177,34 | 41,1 | ||
| 4 | 4,32 | 2,40 | 0,257 | 191,57 | 23,5 | ||
| 5 | 5,76 | 3,20 | 0,106 | 205,80 | 9,7 | ||
| 6 | 7,2 | 4,00 | 0,108 | 220,02 | 9,9 | ||
| 7 | 8,64 | 4,80 | 0,077 | 234,25 | 7,0 | ||
| 8 | 8,9 | 4,94 | 0,075 | 236,82 | 6,8 |
Осадка фундамента
S=0,8
(
0,9+
0,54 (
) х
1,44)=0,012 м=1,2 смu=8 см
3.3 Технико-экономическое сравнение вариантов фундаментов
| Наименование работ | Единицы измерения | Стоимость на ед. изм Руб.-коп. | Фундамент мелкого заложения | Свайный фундамент | |||||||
| Объём работ | Стоимость работ | Объём работ | Стоимость работ | ||||||||
| Разработка грунта экскаватором на гусеничном ходу | 1000 м³ | 146 | 176.08 | 25.71 | 181.04 | 26.43 | |||||
| Разработка грунта вручную в котловане | 100 м³ | 231 | 9.92 | 22.92 | - | - | |||||
| Засыпка вручную пазух котлована | 100 м³ | 56 | 91.89 | 51.46 | 176.81 | 99.01 | |||||
| Крепление стенок котлованов | 100 м² крепления | 106 | 24 | 25.44 | - | - | |||||
| Уплотнение грунта тяжелыми трамбовками | 100 м² уплотненной поверхности основания | 45.3 | 42.3 | 19.16 | - | - | |||||
| Устройство фундаментов под колоны, железобетонные | м³ | 32 | 4.83 | 154.56 | 4.23 | 135.36 | |||||
| Стоимость свай квадратного сечения сплошных длинной 6 м. | м | 7.7 | - | - | 54 | 415.80 | |||||
| Погружение дизель молотом на тракторе ж/б свай длинной 6 м. | м³ | 18.5 | - | - | 3.80 | 70.30 | |||||
| Вырубка бетона из арматурного каркаса | шт. | 19 | - | - | 9.00 | 171.00 | |||||
ИТОГО | | 299.24 | | 917.91 | | ||||||
Фундамент мелкого заложения дешевле
Проверка прочности слабого подстилающего слоя
Ниже несущего слоя грунта залегает грунт с меньшими прочностными характеристиками (ориентировочно оцененными по R0), поэтому проверим прочность подстилающего слоя.
Должно выполняться условие:
, где
– вертикальные напряжения в грунте на глубине Z
Rz-расчетное сопротивление грунта пониженной прочности на глубине Z, определяемое по формуле
, где
- ширина подошвы фундамента.
- коэффициенты условной работы.
- осреднённое расчётное значение удельного веса грунтов, залегающих ниже подошвы фундамента.
- коэффициент при
; коэффициент надёжности.
- коэффициенты, принимаемые по таблице 5,3 (1) для
, где
– толщина слоя грунта от подошвы до пола подвала
– толщина пола подвала.
- расчётное значение удельного веса пола подвала.
- для сооружений с подвалом шириной
и глубиной свыше 2 м.
- расчётное значение удельного сцепления грунта, залегающего непосредственно под подошвой фундамента.
- условие удовлетворяется.
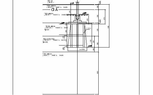
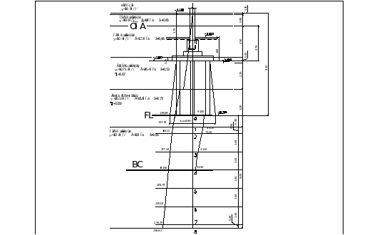
3.4 Подбор размеров подошвы фундамента для сечения 1–1
Выбираем: ФБС 24.5.6‑Т, ФБС 12.5.3‑Т
ФЛ 16.24–1
Толщина стены 51 см
Расчётные характеристики грунта основания песка пылеватого:
Расчётные характеристики грунта засыпки
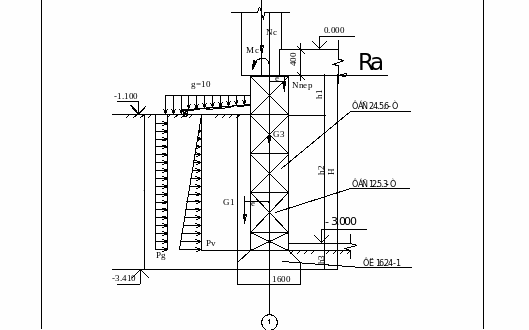
Определим интенсивность давления грунта:
Интенсивность горизонтального давления грунта от нагрузки g на поверхности земли:
.
Интенсивность горизонтального активного давления грунта от собственной массы: на поверхности земли
, в уровне верха подвальной плиты:
Дополнительные параметры
.
Коэффициенты:
.
Нагрузка от массы фундаментной плиты:
.
Нагрузка от массы грунта и временная нагрузка над левой частью фундамента:
Нагрузка от массы стены подвала:
.
Суммарная вертикальная нагрузка:
.
Опорная реакция в уровне низа плиты перекрытия надподвального этажа:
Момент в уровне подошвы фундамента:
Расчётное сопротивление грунта основания определяется по формуле:
, где
- ширина подошвы фундамента.
- коэффициенты условной работы, принимаемые по таблице 5,2 (1).
- осреднённое расчётное значение удельного веса грунтов, залегающих ниже подошвы фундамента.
- то же залегающих выше подошвы фундамента.
- коэффициент при
; коэффициент надёжности.
- коэффициенты, принимаемые по таблице 5,3 (1) для
– толщина слоя грунта от подошвы до пола подвала
– толщина пола подвала.
- расчётное значение удельного веса пола подвала.
- для сооружений с подвалом шириной
и глубиной свыше 2 м.
- расчётное значение удельного сцепления грунта, залегающего непосредственно под подошвой фундамента.
.
Среднее давление под подошвой фундамента:
.
Максимальное и минимальное давление под подошвой:
,
.
Проверка выполняется. Размеры фундамента достаточны для восприятия нагрузок от вышележащих конструкций здания.
Определение конечной осадки ленточного фундамента мелкого заложения методом послойного суммирования
Ширина подошвы ленточного фундамента
. Среднее давление под подошвой фундамента
. Вычерчиваем в масштабе геологический разрез строительной площадки. На этот разрез наносим контуры фундамента строго выдерживая глубину заложения. Разбиваем толщу грунта ниже подошвы фундамента на элементарные слои высотой
. Для вертикали, проходящей через середину подошвы фундамента, находим напряжения от собственного веса грунта
и дополнительные давления
:
В уровне подошвы фундамента (точка 0)
Ниже УПВ в грунтах с
и песках учитываем взвешивающее действие
Нижняя граница сжатой толщи основания применяется на глубине, где выполняется условие
.
Данные расчёта осадки сечения 1–1
| Грунт | Номера точек | Z, м | ξ=2Z/b | α | σzq, кПа | σzp, кПа | E, кПа |
| Песок желтый | 0 | 0,00 | 0,00 | 1,000 | 29,30 | 208,0 | 17300 |
| 1 | 0,64 | 0,80 | 0,881 | 35,70 | 183,3 | ||
| 2 | 1,19 | 1,49 | 0,670 | 41,20 | 139,4 | ||
| Супесь желтая | 3 | 1,28 | 1,60 | 0,642 | 42,16 | 133,5 | 26400 |
| 4 | 1,92 | 2,40 | 0,477 | 49,02 | 99,2 | ||
| 5 | 2,56 | 3,20 | 0,374 | 55,87 | 77,8 | ||
| 6 | 3,20 | 4,00 | 0,306 | 62,73 | 63,7 | ||
| 7 | 3,69 | 4,61 | 0,264 | 67,98 | 54,9 | ||
| 7» | 3,69 | 4,61 | 0,264 | 97,48 | 54,9 | ||
| Глина коричневая | 8 | 3,84 | 4,80 | 0,258 | 100,49 | 53,7 | 21600 |
| 9 | 4,48 | 5,60 | 0,223 | 113,35 | 46,4 | ||
| 10 | 5,12 | 6,40 | 0,196 | 126,22 | 40,8 | ||
| 11 | 5,76 | 7,20 | 0,175 | 139,08 | 36,4 | ||
| 12 | 6,40 | 8,00 | 0,158 | 151,95 | 32,9 | ||
| 13 | 6,69 | 8,36 | 0,150 | 157,78 | 31,2 | ||
| Песок желтый | 14 | 7,04 | 8,80 | 0,143 | 161,23 | 29,7 | 28000 |
| 15 | 7,68 | 9,60 | 0,132 | 167,56 | 27,5 | ||
| 16 | 8,32 | 10,40 | 0,122 | 173,88 | 25,4 | ||
| 17 | 8,96 | 11,20 | 0,113 | 180,20 | 23,5 | ||
| 18 | 9,60 | 12,00 | 0,106 | 186,53 | 22,1 | ||
| 19 | 10,24 | 12,80 | 0,106 | 192,85 | 22,1 | ||
| 20 | 10,88 | 13,60 | 0,106 | 199,17 | 22,1 | ||
| 21 | 11,52 | 14,40 | 0,106 | 205,50 | 22,1 | ||
| 22 | 12,16 | 15,20 | 0,106 | 211,82 | 22,1 | ||
| 23 | 12,80 | 16,00 | 0,106 | 218,14 | 22,1 | ||
| 24 | 13,44 | 16,80 | 0,106 | 224,47 | 22,1 | ||
| 25 | 14,08 | 17,60 | 0,106 | 230,79 | 22,1 | ||
| 26 | 14,69 | 18,36 | 0,106 | 236,82 | 22,1 |
Осадка фундамента
3.5 Подбор размеров подошвы фундамента для сечения 3–3
Выбираем: ФБС 24.5.6‑Т,
ФЛ 20.30–1
Толщина стены 51 см
Расчётные характеристики грунта основания песка пылеватого:
Расчётные характеристики грунта засыпки
Определим интенсивность давления грунта:
Нагрузка от массы фундаментной плиты:
.
Временная нагрузка над левой частью фундамента и нагрузка от грунта:
Нагрузка от массы стены подвала:
.
Суммарная вертикальная нагрузка:
.
Момент в уровне подошвы фундамента:
Расчётное сопротивление грунта основания определяется по формуле:
, где
- ширина подошвы фундамента.
- коэффициенты условной работы, принимаемые по таблице 5,2 (1).
- осреднённое расчётное значение удельного веса грунтов, залегающих ниже подошвы фундамента.
- то же залегающих выше подошвы фундамента.
- коэффициент при
; коэффициент надёжности.
- коэффициенты, принимаемые по таблице 5,3 (1) для
– толщина слоя грунта от подошвы до пола подвала
– толщина пола подвала.
- расчётное значение удельного веса пола подвала.
- расчётное значение удельного сцепления грунта, залегающего непосредственно под подошвой фундамента.
.
Среднее давление под подошвой фундамента:
.
Максимальное и минимальное давление под подошвой:
,
.
Проверка выполняется. Размеры фундамента достаточны для восприятия нагрузок от вышележащих конструкций здания.
Определение конечной осадки ленточного фундамента мелкого заложения методом послойного суммирования
Ширина подошвы ленточного фундамента
. Среднее давление под подошвой фундамента
. Вычерчиваем в масштабе геологический разрез строительной площадки. На этот разрез наносим контуры фундамента, строго выдерживая глубину заложения. Разбиваем толщу грунта ниже подошвы фундамента на элементарные слои высотой
. Для вертикали, проходящей через середину подошвы фундамента, находим напряжения от собственного веса грунта
и дополнительные давления
:
В уровне подошвы фундамента (точка 0)
Нижняя граница сжатой толщи основания применяется на глубине, где выполняется условие
.
Данные расчёта осадки сечения 3–3
| Грунт | Номера точек | Z, м | ξ=2Z/b | α | σzq, кПа | σzp, кПа | E, кПа |
| Песок желтый | 0 | 0,00 | 0,00 | 1,000 | 20,30 | 173,9 | 17300 |
| 1 | 0,80 | 0,80 | 0,881 | 28,30 | 153,2 | ||
| 2 | 1,60 | 1,60 | 0,642 | 36,30 | 111,6 | ||
| 3 | 2,09 | 2,09 | 0,532 | 41,20 | 92,5 | ||
| Супесь желтая | 4 | 2,40 | 2,40 | 0,477 | 44,52 | 82,9 | 26400 |
| 5 | 3,20 | 3,20 | 0,374 | 53,09 | 65,0 | ||
| 6 | 4,00 | 4,00 | 0,306 | 61,66 | 53,2 | ||
| 7 | 4,59 | 4,59 | 0,269 | 67,98 | 46,8 | ||
| 7» | 4,59 | 4,59 | 0,269 | 97,48 | 46,8 | ||
| Глина коричневая | 8 | 4,80 | 4,80 | 0,258 | 101,70 | 44,9 | 21600 |
| 9 | 5,60 | 5,60 | 0,223 | 117,78 | 38,8 | ||
| 10 | 6,40 | 6,40 | 0,196 | 133,86 | 34,1 | ||
| 11 | 7,20 | 7,20 | 0,175 | 149,94 | 30,4 | ||
| 12 | 7,59 | 7,59 | 0,166 | 157,78 | 28,9 | ||
| Песок желтый | 13 | 8,00 | 8,00 | 0,158 | 161,83 | 27,5 | 28000 |
| 14 | 8,80 | 8,80 | 0,143 | 169,73 | 24,9 | ||
| 15 | 9,60 | 9,60 | 0,132 | 177,63 | 23,0 | ||
| 16 | 10,40 | 10,40 | 0,122 | 185,54 | 21,2 | ||
| 17 | 11,20 | 11,20 | 0,113 | 193,44 | 19,6 | ||
| 18 | 12,00 | 12,00 | 0,106 | 201,35 | 18,4 | ||
| 19 | 12,80 | 12,80 | 0,106 | 209,25 | 18,4 | ||
| 20 | 13,60 | 13,60 | 0,106 | 217,15 | 18,4 | ||
| 21 | 14,40 | 14,40 | 0,106 | 225,06 | 18,4 | ||
| 22 | 15,20 | 15,20 | 0,106 | 232,96 | 18,4 | ||
| 23 | 15,59 | 15,59 | 0,106 | 236,82 | 18,4 |
Осадка фундамента:
4. Расчёт осадки фундамента во времени
Для расчёта затухания осадок затухания фундаментов во времени можно воспользоваться методом эквивалентного слоя профессора Н.А. Цытовича. В этом случае осадка сложного основания определяется приближённо из выражения
- модуль эквивалентного слоя, определяется из выражения
- коэффициент эквивалентного слоя, зависящий от коэффициента Пуасона
, формы подошвы фундамента и жесткости фундамента, определяется по таблице 3.1 (3)
- ширина подошвы фундамента, м.
- средний коэффициент относительной сжимаемости
– дополнительное (уплотняющее) давление по подошве фундамента, КПа.
В расчётной схеме сжимаемую толщу грунта, которая оказывает влияние на осадку фундамента, принимают равной двум мощностям эквивалентного слоя
, а распределение дополнительных давлений по закону треугольника. Коэффициент относительной сжимаемости в пределах эквивалентного слоя определяется осреднённо по формуле:
, где
n – число слоёв грунта в пределах активной зоны
- мощность i‑го слоя грунта
коэффициент относительной сжимаемости I‑го слоя
расстояние от нижней точки эквивалентной треугольной эпюры до середины i‑го слоя.
По фильтрационной теории консолидации осадка полностью водонасыщенных грунтов за время t определяется по формуле:
, где
U – степень уплотнения (степень консолидации)
S – величина конечной (стабилизирующей) осадки, см.
Коэффициент консолидации:
, где
средний коэффициент фильтрации грунта, метр/год
- средний коэффициент относительной сжимаемости грунта
удельный вес воды
При сплошном направлении грунтов ниже подошвы фундамента производят замену сплошного напластования условным однородным грунтом, обладающего средними характеристиками.
Средний коэффициент фильтрации грунта:
, где
Н – мощность активной зоны грунта, м.
- мощность i‑го слоя грунта, находящегося в пределах активной зоны
коэффициент фильтрации i‑го слоя в пределах активной зоны, метр/год.
Определить затухание осадки фундамента под колону шириной b=3 м. дополнительное давление в уровне подошвы фундамента
В основании фундамента преобладают пески и суглинки, поэтому по таблице3.1 (3) при
, при соотношении сторон
коэффициент эквивалентного слоя
Мощность эквивалентного слоя
.
Высота сжимаемой толщи, влияющей на осадку фундамента, для слоистого основания составит:
.
Найдём значение коэффициента относительной сжимаемости грунта
, где
коэффициент сжимаемости слоя.
коэффициент пористости.
1‑й слой супесь
2‑й слой глина
3‑й слой песок
Средний коэффициент относительной сжимаемости:
Полная осадка фундамента составит:
.
Средний коэффициент фильтрации:
Определим коэффициент консолидации:
.
Для того чтобы показатель времени Т имел наименьшее значение, чтобы упростить вычисления, размерность
принимается в см/год:
.
Показатель времени Т:
Вычисления затухания во времени
| U | | | |
| 0,00 | 0 | 0 | 0,00 |
| 0.1 | 0.02 | 0,0262 | 0,90 |
| 0.2 | 0.08 | 0,1048 | 1,80 |
| 0.3 | 0.17 | 0,2227 | 2,70 |
| 0.4 | 0.31 | 0,4061 | 3,60 |
| 0.5 | 0.49 | 0,6419 | 4,50 |
| 0.6 | 0.71 | 0,9301 | 5,40 |
| 0.7 | 1 | 1,31 | 6,30 |
| 0.8 | 1,40 | 1,834 | 7,20 |
| 0.9 | 2,09 | 2,7379 | 8,10 |
| 0.95 | 2,80 | 3,668 | 8,55 |
График затухания осадок во времени:
Литература
1. Методические указания «Проектирование оснований и фундаментов»
Дизенко С.И.
2. Методические указания «Расчёт нагрузок на фундаменты зданий» Дизенко С.И.
3. Методические указания «Расчёт осадки фундамента с использованием ЭВМ» Дизенко С.И.
4. СНиП 2.02.01–83. «Основания зданий и сооружений» Стройиздат. 1985 г.
5. СНиП 2.01.07–87. «Нагрузки и воздействия» Стройиздат. 1987 г.
6. СНиП 2.02.03–85. «Свайные фундаменты» Стройиздат. 1985 г.
7. Берлинов М.В. Ягупов Б.А. Примеры расчёта оснований и фундаментов. Стройиздат. 1986 г.















