144627 (620663), страница 2
Текст из файла (страница 2)
1. Инженерно-геологические условия площадки строительства (физико-механические свойства грунтов, характеристика их напластования, наличие слоёв, склонных к скольжению, карстовых полостей и пр.)
2. Конструктивные особенности проектируемого здания, нагрузки и их воздействие на фундамент.
3. Уровень подземных вод и их химический состав.
4. Глубина заложения фундаментов примыкающих зданий, а так же глубина прокладки инженерных коммуникаций.
5. Существующий и проектируемый рельеф строительной площадки.
6. Гидрологические условия строительной площадки, а так же возможность их изменения в процессе выполнения работ по устройству фундаментов и эксплуатации здания.
В случае, когда на строительной площадке залегают слабые грунты, в целях уменьшения затрат труда, прибегают к методам укрепления оснований, повышающих их несущую способность. К таким методам можно отнести поверхностное и глубинное уплотнение, укрепление
грунтов известью, цементом, добавкой солей, синтетическими смолами, устройством песчаных свай и подушек.
Вариантность инженерных решений – важнейший принцип проектирования фундаментов сооружений. В курсовом проекте расчёту и сравнению по стоимости подлежат два варианта: на естественном основании и свайный вариант. Сравнение вариантов фундаментов следует проводить на самом загруженном фундаменте.
3. Проектирование фундамента на естественном основании
Глубина заложения подошвы фундамента определяется в соответствии с требованиями. Глубина заложения подошвы фундамента должна быть не менее 0.5 метра от поверхности рельефа.
Кроме того на выбор глубины заложения подошвы фундамента оказывают влияние следующие факторы:
-
конструктивные особенности проектируемого сооружения (наличие или отсутствие подвала).
-
глубина заложения фундаментов примыкающих сооружений.
-
Инженерно-геологические условия площадки. Следует учесть, что подошвы фундамента должна располагаться выше или ниже границы грунтов на 0.3–0.5 метра.
Подошва фундамента должна располагаться ниже расчётной глубины промерзания для грунтов, обладающих пучинистыми свойствами (к непучинистым грунтам относят крупнообломачные, пески гравистые, крупные и средней крупности).
Расчётная глубина сезонного промерзания грунта определяется по формуле:
, где
нормативная глубина промерзания, для города Уральска, но т. к. слой-песок
коэффициент, учитывающий влияние теплового режима сооружения, принимаемый по таблице5.1 (7)
– для здания с подвалом
, тогда
– по утепленному цокольному перекрытию
, тогда
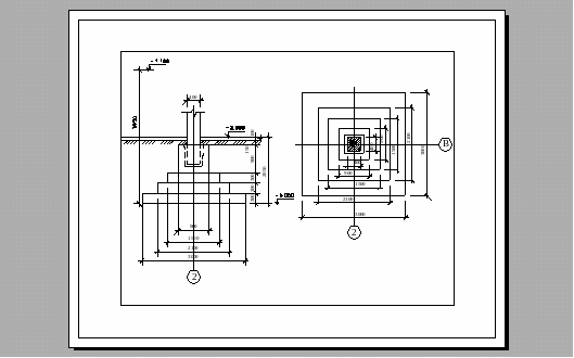
3.1 Подбор размеров подошвы фундамента для сечения 2–2
По предварительному расчёту, принимаем площадь подошвы фундамента 3x3 метра.
Расчётные характеристики грунта основания суглинка тугопластичного:
Осреднённое расчётное значение удельного веса грунта, залегающего выше подошвы:
Интенсивность горизонтального давления грунта от нагрузки g на поверхности земли
(так как g=0); интенсивность горизонтального активного давления грунта от собственной массы на поверхности земли
, считаем, что грунт по обе стороны фундамента на одинаковой отметке не создаёт момента, поэтому
и
не учитываем.
Нагрузка от массы фундамента:
.
Нагрузка от массы колоны подвала:
.
Нагрузка от массы грунта:
Суммарная вертикальная нагрузка:
.
Среднее давление под подошвой фундамента:
.
Расчётное сопротивление грунта основания определяется по формуле:
, где
- ширина подошвы фундамента.
- коэффициенты условной работы.
- осреднённое расчётное значение удельного веса грунтов, залегающих ниже подошвы фундамента.
- коэффициент при
; коэффициент надёжности.
- коэффициенты, принимаемые по таблице 5,3 (1) для
– толщина слоя грунта от подошвы до пола подвала
– толщина пола подвала.
- расчётное значение удельного веса пола подвала.
- для сооружений с подвалом шириной
и глубиной свыше 2 м.
- расчётное значение удельного сцепления грунта, залегающего непосредственно под подошвой фундамента.
.
Проверка выполняется. Размеры фундамента достаточны для восприятия нагрузок от вышележащих конструкций здания.
Определение конечной осадки ленточного фундамента мелкого заложения методом послойного суммирования.
Ширина подошвы фундамента
. Среднее давление под подошвой фундамента
. Вычерчиваем в масштабе геологический разрез строительной площадки. На этот разрез наносим контуры фундамента, строго выдерживая глубину заложения. Разбиваем толщу грунта ниже подошвы фундамента на элементарные слои высотой
. Для вертикали, проходящей через середину подошвы фундамента, находим напряжения от собственного веса грунта
и дополнительные давления
:
В уровне подошвы фундамента (точка 0)
.
Ниже УПВ в грунтах с
и песках учитываем взвешивающее действие воды
Нижняя граница сжатой толщи основания применяется на глубине, где выполняется условие
.
Данные расчёта осадки сечения 2–2.
| Грунт | Номера точек | Z, м | ξ=2Z/b | α | σzq, кПа | σzp, кПа | E, кПа |
| Супесь желтая | 0 | 0,00 | 0,00 | 1,000 | 46,02 | 235,5 | 26400 |
| 1 | 1,20 | 0,80 | 0,800 | 58,87 | 188,4 | ||
| 2 | 2,05 | 1,37 | 0,528 | 67,98 | 124,3 | ||
| 2» | 2,05 | 1,37 | 0,528 | 97,48 | 124,3 | ||
| Глина коричневая | 3 | 2,40 | 1,60 | 0,449 | 104,51 | 105,7 | 21600 |
| 4 | 3,60 | 2,40 | 0,257 | 128,63 | 60,5 | ||
| 5 | 4,80 | 3,20 | 0,160 | 152,75 | 37,7 | ||
| 6 | 5,05 | 3,37 | 0,146 | 157,78 | 34,4 | ||
| Песок желтый | 7 | 6,00 | 4,00 | 0,108 | 167,16 | 25,4 | 28000 |
| 8 | 7,20 | 4,80 | 0,077 | 179,02 | 18,1 | ||
| 9 | 8,40 | 5,60 | 0,058 | 190,87 | 13,7 | ||
| 10 | 9,60 | 6,40 | 0,051 | 202,73 | 12,0 | ||
| 11 | 10,80 | 7,20 | 0,036 | 214,59 | 8,5 | ||
| 12 | 12,00 | 8,00 | 0,029 | 226,44 | 6,8 | ||
| 13 | 13,05 | 8,70 | 0,025 | 236,82 | 5,9 |
Осадка фундамента:
S=0,8
(
1,2+
0,85+
0,35+(
) х
1,2+
0,25+
0,95=0,02 м=2 см < Su=8 см
3.2 Проектирование свайного фундамента
Предварительное назначение размеров свай производится исходя из геологического строения площадки. Остриё сваи следует располагать в прочных малосжимаемых грунтах. Заглубление сваи в опорный слой несущий должно быть не менее 0,5–1 метра, причём меньшие значения при прочных грунтах.
Рекомендуется заводить сваю в несущий слой на 2–3 метра. Остриё сваи не должно совпадать с границей слоёв, а быть выше её на 1 метр или ниже на 0,5 метра.
Назначив ориентировочно положение нижнего конца сваи, округляют её до ближайшей стандартной сваи и уточняют положение нижнего конца сваи. Принимают поперечное сечение сваи. Длинна забивных свай измеряется от головы сваи до начала острия. Минимальная длина сваи при центральной нагрузке не менее 2,5 метра при внецентренной – 4 метра. Ростверки выполняют из монолитного или сборного железобетона. Высота ростверка назначается согласно расчёту на продавливание, обычно по конструктивным соображениям
, но не менее 30 см, (
- величина заделки сваи в ростверк). Чаще всего осуществляется свободное сопряжение сваи с ростверком заделкой сваи в ростверк на глубину не менее d (d – сторона квадратной сваи или диаметр круглой) и применяется в случае действия больших моментов и горизонтальных нагрузок или когда сваи располагаются в слабых грунтах.
Ростверк, как правило, располагается ниже подвала. В пучинистых грунтах ростверк закладывается ниже расчётной глубины промерзания. Ростверки бесподвальных зданий могут закладываться у поверхности земли на 0,1–0,15 метра ниже планировочных отметок.















