144542 (620620), страница 2
Текст из файла (страница 2)
Нормируемый коэффициент естественной освещенности КЕО: 0.5
Характеристика помещения:
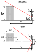
Высота от пола до верха проема (h0): 1 м
Глубина помещения (dp): 9 м
Ширина помещения (bp): 6 м
Расчет по приложению "Б" СП 23-102-2003
Количество проемов в помещении: 1
Характеристика проемов:
| Наименование | Ширина (bi) | Высота (hi) | Привязка в плане (pri) | Ед. измерения |
| 1 проем | 5 | 3,1 | 0,5 | м |
Толщина наружной стены (s): 03 м
Заполнение: переплеты деревянные, одинарные
Остекление: двойное
Затемнение балконами/навесами: нет
Вычисленные коэффициенты освещенности (КЕО) по точкам:
1 точка (1 м от задней, 1 м от правой стены помещения) 0
2 точка (1 м от задней стены, по оси помещения) 0
3 точка (1 м от задней, 1 м от левой стены помещения) 0
4 точка (центральная точка помещения) 0.01
3.7 Расчет инсоляции в помещении:
Результаты расчёта
Расчёт инсоляции помещения
1.- Исходные данные:
Широта: Москва 180 ° С.Ш.
Ширина окна или блока 5 м
Высота от уровня земли до подоконника (hp) 1 м
Расстояние от наружной поверхности стены до плоскости окна 0,1 м
Ориентация окна (угол между нормалью к плоскости окна и направлением на север) 180 °
Инсолируемое помещение: Промышленное здание
Норма инсоляции по МГСН 2.05-99 2 часа.
:
Общее время инсоляции помещения 10 час.
Инсоляции рассчитываемого помещения ДОСТАТОЧНО.
Нормативное время инсоляции 2 час.
















