144520 (620611)
Текст из файла
Госстрой РФ
Стерлитамакский колледж строительства,
экономики и права
Специальность 2902
Предмет «Архитектура»
ПОЯСНИТЕЛЬНАЯ ЗАПИСКА
ТЕМА ПРОЕКТА
«Цех ремонта строительных кранов»
Разработал проект:
Учащийся группы 3ДС-43
Руководитель проекта:
2006 г.
Содержание
1. Архитектурно-конструктивная часть
1.1 Исходные данные
1.2 Генеральный план
1.3 Объёмно-планировочное решение
1.4 Конструктивное решение
1.4.1 Фундаменты
1.4.2 Фундаментные блоки
1.4.3 Колонны
1.4.4 Связи
1.4.5 Подстропильные конструкции
1.4.6 Стропильные конструкции
1.4.7 Плиты покрытия
1.4.8 Фонари
1.4.9 Подъёмно-транспортное оборудование
1.4.10 Стеновые панели и кирпичные вставки
1.4.11 Окна, двери, ворота
1.4.12 Кровля
1.4.13 Полы
1.4.14 Прочие конструкции
Список использованных источников
Архитектурно-конструктивная часть
1.1 Исходные данные
Проектируемое здание – Цех ремонта строительных кранов
Район строительства – г. Мелеуз
Глубина промерзания грунта – 1,8 м
Наименование грунта в основании – глина
Условное давление грунта – 1,8 МПа
Материал стен – железобетон
Плотность материала стен – р = 2500 кг/м3
Толщина стен – 300 мм
Материал утеплителя стен – пенополистерол
Толщина утеплителя – 15 кг/м3
Расчётная зимняя температура наружного воздуха наиболее холодных суток обеспеченностью 0,92 – 39 0С
Расчётная зимняя температура воздуха наиболее холодной пятидневки обеспеченностью 0,92 – 36 0С
Снеговой район – IV
Нормативная снеговая нагрузка – 150 кг/м2
Ветровой район – III
Нормативная ветровая нагрузка – 38 кг/м2
Класс здания – II
Степень долговечности – II
Степень огнестойкости – II
Начало строительства – октябрь
1.2 Генеральный план
Проектируемое здание расположено на участке со спокойным рельефом с небольшим уклоном в западную сторону. Проектируемое здание расположено с отступом от красной линии. Главный фасад ориентирован в юго-восточном направлении. Кроме того, на участке расположены некоторые здания.
Ширина покрытия основных дорог принята в 6 метров, пешеходных – в 3 метра. Вид покрытия – асфальт.
1.3 Объёмно-планировочное решение
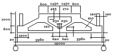
Проектируемое здание (цех ремонта строительных кранов) имеет форму в плане прямоугольную и габаритные размеры по координационным осям «А – В» - 48 метров, по осям «1 – 11» - 60 метров конструктивную схему здания.
Количество этажей – один. Высота этажа – 10,8 метра.
Вид крыши – скатная.
1.4 Конструктивное решение
Фундаменты сборные и монолитные столбчатые стаканного типа.
Фундаментные блоки – сборные железобетонные основные и укороченные.
Колонны сборные железобетонные (бесконсольные с уширенной верхней частью).
Подстропильные и стропильные конструкции – сборные, железобетонные (фермы).
Плиты покрытия сборные железобетонные реористые высотой 300 мм.
Стены – кирпичные, толщиной 510 мм.
Стеновые панели сборные с утеплителем.
Окна с двойным сотекленением.
Двери противопожарные.
Кровля – скатная.
Полы – бетонные, из керамических плиток асфальтобетонные.
1.4.1 Фундаменты
Фундаменты приняты столбчатые стаканного типа. Для фахверка сечением – 2100 на 180 мм. Фундаменты приняты по серии 1,412 – 1/77, высотой 1800 мм, марки ФА 4-2 рисунок 1.1. Под колонны среднего ряда принят фундамент марки ФВ 6-2 – рисунок 1.3. Под колонны крайнего ряда принят фундамент марки ФБ 5-2 – рисунок 1.2.
Под бетонные стойки ворот принят монолитный фундамент марки ФМ-1 размером 1000 на 1000 мм и высотой 1000 мм – рисунок 1.4
900
9
00
1800
2100
1800
Рисунок 1.1
Рисунок 1.2 Рисунок 1.3 Рисунок 1.4
Таблица 1.1
| Марка элемента | Класс бетона | Расход бетона, м3 | Расход ст. кг | Масса элемента |
| ФА 4-2 | В-15 | 25 | 87,5 | 6250 |
| ФБ 5-2 | В-15 | 3,7 | 124,5 | 9250 |
| ФБ 6-2 | В-15 | 4,5 | 150,5 | 107,50 |
| ФМ 1 | В-15 | 1 | - | 2400 |
1.4.2 Фундаментные блоки
Фундаментные блоки приняты железобетонные, высотой 300 мм, серии 1.415.-1, рядовые фундаментные блоки марки ФБ 6-46 – рисунок 2.1, укороченные марки ФБ-6-47 рисунок 2.2.
Рисунок 2.1 Рисунок 2.2
Таблица 1.2
| Марка элемента | Класс бетона | Расход бетона, м3 | Расход ст. кг | Масса элемента |
| ФВ-6-48 | В-15 | 0,35 | 18 | 800 |
| ФБ 6-47 | В-15 | 0,33 | 17 | 800 |
1.4.3 Колонны
Колонны фахверка приняты сечением 1400 на 300 мм, серии 1.427.1-3 марки 1Кф105-2 – рисунок 3.1. Колонны крайнего ряда сечением 400 на 40 мм, серии 1.423-381 марки К-96-1 – рисунок 3.2. Колонны среднего ряда сечением 600 на 500 мм, серии 1.423.-381 марки К96-36.
Рисунок 3.1 Рисунок 3.2
Таблица 1.3
| Марка элемента | Класс бетона | Расход бетона, м3 | Расход ст. кг | Масса элемента |
| 1Кф 106-2 | В-15 | 0,35 | 90,4 | 2,4 |
| К-96-1 | В-15 | 1,68 | 114 | 4,2 |
| К-96-36 | В-15 | 2,97 | 218 | 7,4 |
1.4.4 Связи
Для обеспечения жёсткости и устойчивости каркаса в проекте предусмотрены крестовые связи длиной 6000 мм, серии 1.424.-4В – рисунок 4.1, портальные связи для шага – 12 метров, серии 1.424.-4В2 – рисунок 4.2
Рисунок 4.1 Рисунок 4.2
Таблица 1.4
| Марка элемента | Н | а | в | с | Масса элемента |
| С3 | 9800 | 419 | 4960 | 6018 | 1031 |
| С44 | 10600 | 6018 | 6018 | 6018 | 2271 |
1.4.5 Подстроительные конструкции
Сборные железобетонные фермы для скатных крыш серии ПК – 01 – 1.10/81 В—1-12-2 К7 марки 2ФПС-12-2К7 – рисунок 5.1.
Рисунок 5.1 Рисунок 5.2
Таблица 1.5
| Марка элемента | Класс бетона | Расход бетона, м3 | Расход ст. кг | Масса элемента |
| ФБ 24/99П | 335 | 5,7 | 963 | 14,2 |
1.4.5 Строительные конструкции
Скатные железобетонные фермы серии ФБ 24/4-9П марки В-35 - рисунок 6.1.
Рисунок 6.1
Таблица 1.6
| Марка элемента | Класс бетона | Расход бетона, м3 | Расход ст. кг | Масса элемента |
| ФБ 244-10П | 330 | 5,7 | 1020 | 14,2 |
1.4.7 Плиты покрытия
Плиты покрытия приняты сборные железобетонные ребристые высотой 300 мм, глухие, серии ГОСТ 22701.1-77 ПГ – 1А1АIVТ – рисунок 7.1, с отверстием под дефлектор серии ГОСТ 227011 ПВ 7-1А1АIVТ – рисунок 7.2, с отверстием под зенитный фонарь ГОСТ 227014-77 ПФ-1АIVТ.
Рисунок 7.1
Рисунок 7.2
Рисунок 7.3
Таблица 1.7
| Марка элемента | Класс бетона | Расход бетона, м3 | Расход ст. кг | Масса элемента |
| ПГ-1А IVТ | В20 | 1,07 | 68 | 2,65 |
| ПВ-1А IVТ | В20 | 1,28 | 107 | 3,2 |
| ПФ-1А IVТ | В20 | 0,91 | 78 | 2,3 |
1.4.8 Фонари
Фонари в покрытии для естественного освещения устанавливаются зенитные серии 1464-1 марки Ф-1 – рисунок 8.1.
Рисунок 8.1
Таблица 1.8
| Марка элемента | Органическое стекло | Сталь, кг | Сталь оцинко-ванная | Дерево сосна | Резина | Вода |
| Ф-1 | 19,1 | 531 | 2,1 | 0,024 | 0,4 | 2,1 |
1.4.9 Подъёмно-транспортное оборудование
Цех ремонта строительных кранов оборудован для подъёма и перемещения грузов до 6 тонн подвесными кранами – рисунок 1.9.
Характеристики
Тип файла документ
Документы такого типа открываются такими программами, как Microsoft Office Word на компьютерах Windows, Apple Pages на компьютерах Mac, Open Office - бесплатная альтернатива на различных платформах, в том числе Linux. Наиболее простым и современным решением будут Google документы, так как открываются онлайн без скачивания прямо в браузере на любой платформе. Существуют российские качественные аналоги, например от Яндекса.
Будьте внимательны на мобильных устройствах, так как там используются упрощённый функционал даже в официальном приложении от Microsoft, поэтому для просмотра скачивайте PDF-версию. А если нужно редактировать файл, то используйте оригинальный файл.
Файлы такого типа обычно разбиты на страницы, а текст может быть форматированным (жирный, курсив, выбор шрифта, таблицы и т.п.), а также в него можно добавлять изображения. Формат идеально подходит для рефератов, докладов и РПЗ курсовых проектов, которые необходимо распечатать. Кстати перед печатью также сохраняйте файл в PDF, так как принтер может начудить со шрифтами.















