144363 (620543), страница 2
Текст из файла (страница 2)
Для проверки прочности определяю положение нейтральной оси из условия:
При соблюдении условия нейтральная ось проходит в полке. Тогда высота сжатой зоны (см) вычисляется по формуле:
Несущая способность сечения (Н·см):
Несущая способность считается достаточной, т. к.
3.4.3 Расчет прочности наклонных сечений на действие поперечных сил
Необходимость расчёта определяется условием (п. 3.32 [1])
Для тяжёлого бетона φb3=0,6. Правая часть неравенства минимальная несущая способность бетонного сечения на восприятие поперечной силы.
Условие не выполняется. Поперечная арматура определяется расчетом.
Рис. 6 Конструктивные требования к расположению поперечных стержней в ребрах панелей и в балках
Диаметр поперечных стержней принимаю из условия свариваемости их с продольной арматурой.
Таблица 4. Соотношения диаметров свариваемых стержней при контактной точечной сварке
| Диаметры стержней одного направления, мм | 18;20 |
| Наибольшие допустимые диаметры стержней другого направления, мм | 5 |
Для поперечных стержней, устанавливаемых по расчёту, должно удовлетворяться условие:
, где
qsw — погонное усилие в поперечных стержнях в пределах наклонного сечения (Н/см);
— площадь сечения поперечной арматуры в см2
ASW1=0,196 см2 — площадь сечения одного стержня поперечной арматуры (1 Ø 5 А–III);
n — число хомутов в поперечном сечении; зависит от количества каркасов в панели.
n=2, т. к. два продольных ребра.
φf — коэффициент, учитывающий влияние сжатых полок в тавровом сечении, принимается не более 0,5. Только в этой формуле
.
- условие выполняется.
Принимаю Ø5 Вр–I шаг 150 мм.
Рис. 7 К расчету прочности наклонного сечения
Длина проекции опасного наклонного сечения (см) на продольную ось элемента (рис7):
Поперечное усилие (Н), воспринимаемое бетоном:
, где
С=С0=66,3 см=70 см – округленное до целого числа шагов хомутов (в большую сторону);
φb2=2 для тяжёлого бетона.
Поперечное усилие, воспринимаемое хомутами, пересечёнными наклонной трещиной, определяется по формуле:
Проверка прочности наклонного сечения производится из условия:
Условие прочности соблюдается.
Проверка прочности наклонной полосы между трещинами на действие сжимающих напряжений производится из условия:
Здесь
, но не более 1,3.
- условие соблюдается.
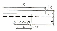
3.4.4 Расчет полки ребристой панели
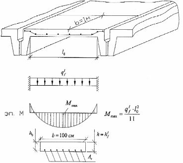
Полка панели считается защемленной в продольных рёбрах и свободно опёртой на поперечные торцовые рёбра. Поскольку отношение длинной стороны полки к короткой больше двух, то полка панели рассчитывается в направлении короткой стороны как балка шириной b=1 м с защемленными опорами (рис. 8).
Рис. 8 К расчету полки ребристой панели
Расчётным пролётом полки является расстояние в свету между продольными рёбрами панели.
Нагрузкой на полку является собственный вес полки, конструкции пола и временная нагрузка на междуэтажное перекрытие. Расчётная нагрузка на полку (кН/м):
, где
ρ=2500 кг/м3
q/и
— полная нагрузка и нагрузка от собственного веса панели в кН/м2
h/f — толщина полки панели в метрах
Расчётный изгибающий момент в полке (кН·м):
Площадь сечения рабочей арматуры полки панели определяю как для прямоугольного сечения высотой h/f и шириной b=100 см.
Рабочая высота сечения (см. рис. 8):
, где
а — расстояние от центра тяжести рабочей арматуры до растянутой грани полки; принимается равным 1,5 см (п. 5.6 [1]).
Полка панели армируется сеткой с поперечной арматурой класса А–III. Продольная распределительная арматура диаметром 4 мм из арматуры класса Вр – I, шаг 250 мм.
Для определения необходимой площади арматуры, укладываемой вдоль расчётного пролёта полки, подсчитываю параметр α0:
По таблице 7 [2] нахожу значение относительного плеча внутренней пары сил ν = 0,966
Площадь растянутой арматуры (см2) на 1 м длинной стороны полки:
Шаг и диаметр рабочей арматуры подбираю по требуемой площади сечения арматуры AS1 по сортаменту (табл. 8 [2]). Принимаю Ø6 А–III с AS=1,42 см2. Шаг S рабочей арматуры принимаю равным 200 мм (п. 5.20 [1]).
Площадь сечения арматуры:
AS0 — площадь сечения одного стержня в см2
S — шаг стержней 200 мм.
3.4.5 Армирование панелей
Ребристая панель армируется продольными сварными каркасами, расположенными в рёбрах и сварной сеткой в полке. Продольные арматурные каркасы образуются из рабочих (нижних) стержней класса А–III, определённых расчётом прочности нормальных сечений панели, и верхних (монтажных) стержней диаметром 10 мм, объединенных поперечными стержнями, шаг и диаметр которых получены расчётом прочности наклонных сечений или определены конструктивными требованиями (см. рис. 6).
Сетка помещается в нижней части полки и отгибается в верхнюю зону вблизи ребра с обеспечением надлежащей анкеровки поперечных стержней (рис. 9).
Петли для подъёма закладываются в продольных рёбрах. Петли должны быть надёжно заанкерены.
Рис. 9 Анкеровка рабочей арматуры
Для монтажных петель применяется арматура класса А–I (п. 1.13 [1]). Диаметр петель назначается по требуемой площади поперечного сечения (см2) одной петли, определяемой при условии распределения веса плиты на три петли с учётом коэффициента динамичности 1,4 (п. 1,13 [1]) и коэффициента, учитывающего отгиб петли 1,5.
, где
— нормативная нагрузка от собственного веса панели в кН/м2
— конструктивная ширина и длина панели в м.
RS — расчётное сопротивление арматуры класса А–I в МПа.
Принимаю 4Ø10 А –I петли с AS = 0,785 см2 каждая.
3.5 Расчет панелей по предельным состояниям II группы (по раскрытию трещин и деформациям)
К трещиностойкости панелей перекрытия предъявляются требования 3–й категории (п. 1.16, табл. 2;3 [1]), согласно которым предельно-допустимая ширина продолжительного раскрытия трещин [acrc2] =0,3 мм.
Предельно-допустимый прогиб панели определяю согласно п. 1,20 [1]
[f] = 2,5 см
Определение ширины раскрытия трещин и прогибов производится от нагрузки с коэффициентом надёжности по нагрузке γf = 1.
3.5.1 Проверка трещиностойкости
Расчёт ширины раскрытия трещин не производится при соблюдении условия (п. 4.5 [1]):
Mr. Mcrc, где
Mr. — момент внешних сил относительно оси, проходящей через ядровую точку, наиболее удаленную от растянутой грани сечения. Для изгибаемого элемента он равен изгибающему моменту с коэффициентом надёжности по нагрузке γf = 1, то есть, равен Мн=68,46·105Нсм (см. п. 3.3 ПЗ);
Mcrc — момент, воспринимаемый сечением, нормальным к продольной оси элемента, при образовании трещин и определяемый по формуле:
Mcrc = Rbt, ser · Wpl · 100 – Mrp, где
Mrp — момент усилия Р относительно той же оси, что и для определения Mr.
Для изгибаемых элементов без предварительного напряжения усилие Р рассматриваю как внешнюю растягивающую силу, определяемую по формуле в Н:
P = (σs·AS + σ/s · A/S) ·100,
σs и σ/s — напряжения в нижней и верхней продольной арматуре, численно равные значениям потерь предварительного напряжения от усадки бетона по поз. 8 таб. 5 [1] как для арматуры, натягиваемой на упоры. Для бетона класса В–25 σs = σ/s = 35 (МПа).
Здесь и далее предполагается отсутствие сжатой (верхней) арматуры, то есть A/S = 0.
Р = (35 ·8,04) · 100 =28140 Н
Значение Mrp определяю (Н ·см) по формуле:
Mrp = P · (eop + r), где
еор — эксцентриситет приложения силы Р относительно центра тяжести приведённого сечения (см):
r — расстояние от центра тяжести приведённого сечения до верхней ядровой точки (см):
Для определения геометрических характеристик сечение панели должно быть приведено к эквивалентному по моменту инерции — к тавровому.
α = ES / Eb = 200 ·103 / 27 ·103 = 7,4
Ared = b/f· · h/f· + (h – h/f) · b + α · AS = 151 ·6 + (35 – 6) · 20 + 7,4 · 8,04 =1545,5 см2
Sred = b/f· · h/f · (h – 0,5 · h/f) + 0,5 · b · (h - h/f)2 + α · AS · а = 151 · 6 · (35 – 0,5 · 6) + 0,5 ·20 ·
(35 – 6)2 + 7,4 · 8,04 · 4,4 =37663,78 см3
y = h – x = Sred / Ared = 37663,78 / 1545,5 = 24,37 см
х = h – у = 35 – 24,37 = 10,63 см
Wred = Jred / y = 176339,7 / 24,37 = 7235,9 см3
Wpl = γ · Wred = 1,75 ·7235,9 = 12662,8 см3
γ — коэффициент, учитывающий пластические свойства бетона и зависит от вида эквивалентного сечения; принимается для таврового сечения 1,75
r = 7235,9 /1545,5 = 4,68 см
Mrp = 28140 · (19,97 + 4,68) =693651 Н·см
Mcrc =1,6 ·12662,8 ·100 – 693651 =13,3 · 105Н·см
Mr=68,46·105Нсм > Mcrc = 13,3 · 105Н·см
Условие не соблюдается. Необходимо провести расчёт ширины раскрытия трещин, нормальных к продольной оси панели.
Проверяется ширина раскрытия трещин (мм) при продолжительном действии длительных нагрузок (п. 4.14 [1]):
, где
δ — коэффициент, принимаемый равным 1 для изгибаемых элементов;
η — коэффициент, принимаемый равным 1 для стержневой арматуры периодического профиля;
φ1 = 1,60 – 15 · μ при продолжительном действии нагрузок;
— коэффициент армирования сечения, принимаемый равным отношению площади сечения бетона (при рабочей высоте h0 и без учёта сжатых свесов полок), но не более 0,02















