144340 (620521), страница 4
Текст из файла (страница 4)
Вычислим новый собственный вес балки и расчетную нагрузку на погонный метр балки
При h= 55 см Qb = b h γ = 0,3 x 0,55 x 25 = 4.125 кН/м,
8,77+4.125·1,1= 57.82 кН/м.
При h= 65 см Q*b = b h γ = 0,3 x 0,65 x 25 = 4.875 кН/м,
8,77+4.875·1,1= 58.64 кН/м.
м;
0,242
м2
Принимаем 422A-III As = 15,2 см2 [1, прил. 4].
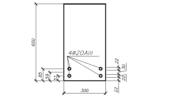
Рис. 3.4 – Сечение ригеля в первом пролете
Определим фактическую несущую способность балки в первом пролёте МU1, при полном количестве арматуры. Фактическая высота сжатой зоны:
м;
где а*= (у1 +у2)/2=(33+85)/2 = 59мм,
у1=22+22/2=33 мм, у2=22+22+30+22/2=85 мм [3, п.5.12];
302<0.35,
МU1=
278.37кНм > 266,2 кНм.
Необходимая несущая способность обеспечена.
3.5.2 Сечение во втором пролете
М = 172,6 кНм;
м; вычисляем:
=0,157
,
м2.
Принимаем 614A-II, c As =9.23 см2.
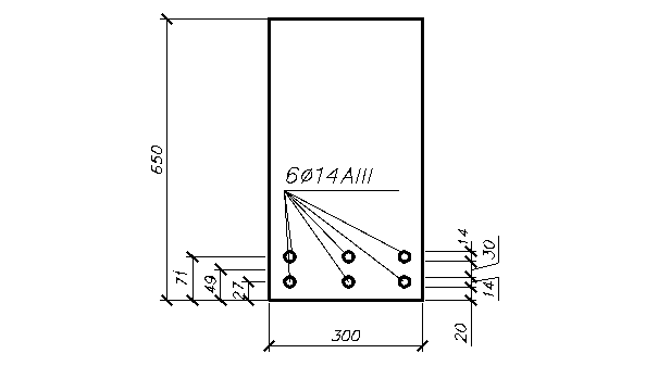
Рис. 3.5 – Сечение ригеля во втором пролете
Определим фактическую несущую способность балки во втором пролёте МU2, при полном количестве арматуры. Фактическая высота сжатой зоны:
м;
где а*=(27+71)/2 = 49мм,
у1=20+14/2=27 мм, у2=20+14+30+14/2=71 мм [3, п.5.12];
0,181
,
МU2=
184.15кНм > 172,6 кНм.
Необходимая несущая способность обеспечена.
3.5.3 Сечение на опоре В
М1 = 240,4 кНм;
м.
Определяем изгибающий момент у грани колонны со стороны второго пролета (QBL > QBR):
кНм.
Вычисляем:
0,184,
,
м2
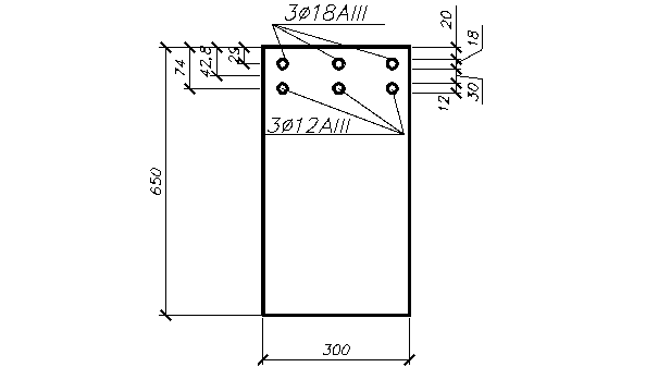
Принимаем 318A-III в верхней части, c As =7.63 см2, и 312 A-III,
c As =3.39см2 , общей площадью As = 11.02 см2
Рис. 3.7 – Сечение ригеля у опоры B
Определим фактическую несущую способность балки на опоре С МUС, при полном количестве арматуры. Фактическая высота сжатой зоны:
м;
где а*=
=42.8 см,
у1=20+18/2=29 см, у2=20+18+30+12/2=74 см [3, п.5.12];
,
,
МUС=
218.2кНм > 208,6 кНм.
Необходимая несущая способность обеспечена.
3.5.4 Сечение на опоре С
М = 240,7 кНм;
м;
Определяем изгибающий момент у грани колонны со стороны второго пролета (QBL > QBR):
кНм.
Вычисляем:
19
м2.
Принимаем 318A-III в верхней части, c As =7.63 см2, и 312 A-III,
c As =3.39см2 , общей площадью As = 11.02 см2
Рис. 3.7 – Сечение ригеля у опоры С
Определим фактическую несущую способность балки на опоре С МUС, при полном количестве арматуры. Фактическая высота сжатой зоны:
м;
где а*=
=42.8 см,
у1=20+18/2=29 см, у2=20+18+30+12/2=74 см [3, п.5.12];
,
,
МUС=
218.2кНм > 208,6 кНм.
Необходимая несущая способность обеспечена.
3.6. Расчет прочности ригеля по сечениям
наклонным к продольной осиРасчет производится по наклонным сечениям у опоры А, опоры В слева и справа и у опоры С.
3.6.1 Расчет наклонного сечения у опоры А
174кН;
м,
где а = 20+20/2=30 см – координата центра тяжести нижнего ряда арматуры [п. 3.5.1]. Вычисляем несущую способность бетона:
105кН.
где
. Так как QA = 174 кН >
=105 кН, то необходимо произвести подбор поперечной арматуры. Определяем длину проекции на продольную ось элемента наиболее опасного наклонного сечения (С):
218кНм;
где
=2 [3, п.3.31*]
кН;
2,5 м [3, 76].
Так как С = 2,5 > 2h0 = 2 0,62 = 1,24 м, принимаем С = 2h0 = 1,24 м.
Вычисляем
175,8
174кН;
Поперечная арматура по расчету не требуется и устанавливается конструктивно.
Принимаем поперечные стержни 6A-III из условия свариваемости с продольной арматурой 20 [4, прил. 9].
см2 (два каркаса);
В соответствии с [3, п.5.27] на приопорном участке длиной
=
м шаг поперечной арматуры должен быть не более:
м. Принимаем S=20 см.
В средней части пролета шаг должен быть не более:
см. Принимаем S= 35 см.
3.6.2 Расчет наклонного сечения у опоры В слева
-249,6кН;
м,
где а = 20+18/2=29 см – координата центра тяжести верхнего ряда арматуры [п. 3.5.3]. Вычисляем несущую способность бетона:
кН.
где
. Так как QBL = 249,6 кН >
= 104 кН, то необходимо произвести подбор поперечной арматуры. Определяем длину проекции на продольную ось элемента наиболее опасного наклонного сечения (С):
212,3 кНм;
где
=2 [3, п.3.31*]
кН;
м [3, 76].
Так как С = 1,2 > 2h0 = 2 0,621 = 1,224 м, принимаем С = 2h0 = 1,242 м.
Вычисляем
кН;
кН;
кН/м [3, 82]
кН/м [3, 83]
Принимаем
кН/м; поперечные стержни 6A-III [п. 3.6.1].
см2 (три каркаса) ; Rsw = 255 МПа [3, табл.22*].
м, [3, 81]
В соответствии с [3, п.5.27] на приопорном участке длиной
=
м шаг поперечной арматуры должен быть не более:
м и 0,5 м. Принимаем S=20 см.
3.6.3 Расчет наклонного сечения у опоры B справа
QBR = 230,9кН;
м,
где а = 20+18/2=29см – координата центра тяжести нижнего ряда арматуры [п. 3.5.3]. Вычисляем несущую способность бетона:
кН.
где
. Так как QBR = 230,9 кН > 104 кН, то необходимо произвести подбор поперечной арматуры. Определяем длину проекции на продольную ось элемента наиболее опасного наклонного сечения (С):
212,3кНм;
где
=2 [3, п.3.31*]
кН;
м [3, 76].
Так как С =1,84 > 2h0 = 2 0,621 = 1,242 м, принимаем С = 2h0 = 1,242 м.
Вычисляем
170,9
кН;
кН;
кН/м [3, 82]
кН/м [3, 83]
Принимаем
кН/м; поперечные стержни 6A-III [п. 3.6.1].
см2 (три каркаса) ; Rsw = 255 МПа [3, табл.22*].
м, [3, 81]
В соответствии с [3, п.5.27] на приопорном участке длиной не менее
=
м шаг поперечной арматуры должен быть не более:
м и 0,5 м. Принимаем S=20 см.
В средней части пролета шаг должен быть не более:
см и 50 см. Принимаем S=34 см.
3.6.4 Расчет наклонного сечения у опоры С
QСL = 213,9кН;
м,
где а = 20+18/2=29 см – координата центра тяжести нижнего ряда арматуры [п. 3.5.4]. Вычисляем несущую способность бетона:
кН.
где
. Так как QCL = 213,9 кН > 104 кН, то необходимо произвести подбор поперечной арматуры. Определяем длину проекции на продольную ось элемента наиболее опасного наклонного сечения (С):
212,3кНм;
где
=2 [3, п.3.31*]
кН;
м [3, 76].
Так как С =2,04 > 2h0 = 2 0,612 = 1,242 м, принимаем С = 2h0 = 1,242 м.
Вычисляем
кН;
кН;
кН/м [3, 82]
кН/м [3, 83]
Принимаем
кН/м; поперечные стержни 6A-III [п. 3.6.1].
(три каркаса) см2 ; Rsw = 255 МПа ;
м, [п. 3.6.5]
В соответствии с [3, п.5.27] на приопорном участке длиной не менее
=
м шаг поперечной арматуры должен быть не более:
м и 0,5 м. Принимаем S=20 см.
3.7. Построение эпюры материалов и определение места обрыва стержней продольной арматуры
В соответствии с [3] для экономии материала разрешается обрывать продольную арматуру площадью не более ½ площади всей рабочей арматуры (за грань опоры необходимо завести не менее двух стержней [3, п.5.20]). При этом обрываемые продольные стержни растянутой арматуры должны быть заведены за нормальное к продольной оси элемента сечение, в котором они учитываются с полным расчетным сопротивлением на длину не менее длины анкеровки [3, п.5.14].
На основании эпюры выровненных моментов [рис. 3.3] строится эпюра материалов [рис. 3.11].
3.7.1 Построение эпюры материалов в первом пролёте
В первом пролёте установлено 220A-III (As = 15,2см2). Высота сжатой зоны:
0,591м (а*=59 мм);
0,302,
0,849. Несущая способность балки в первом пролёте, при полном количестве арматуры МU1=278,37 кНм [п. 3.5.1] .
Обрываем верхний ряд арматуры 220A-III (As= 7,6 см2). [рис. 3.6].
Рис. 3.8 - Сечение ригеля с оборванной арматурой
Определим несущую способность балки в первом пролёте М220, при наличии только нижней арматуры. Высота сжатой зоны:
м;
где а1*= 20+20/2=30 см,
0,144
М220=
159,6 кНм.
Нанося полученное значение на эпюру, получаем точки теоретического обрыва. Для определения мест фактического обрыва необходимо найти требуемую длину анкеровки арматуры:
1) W1 по [3, п. 5.14, табл. 37]:
см,
где
и
определяется по [3, табл.37] для случая закрепления растянутой арматуры в растянутом бетоне;
см;
см;
принимаем W1=67 см.
2) W2 по формуле, для МТО1:
см,
0,72кН/см,
где Qi – значение поперечной силы в МТО1; Si – шаг поперечной арматуры в МТО1;
и
из [п. 3.6.1].
для МТО2:
см,
0,72кН/см,
Принимаем длину анкеровки в обоих случаях равной 87 см. Продлеваем арматуру до опоры А.
3.7.2 Построение эпюры материалов во втором пролете
Во втором пролёте установлено 614A-III в нижней части с As =9,23 см2.
Несущая способность балки в втором пролёте, при полном количестве арматуры МU2=184,15 кНм. Высота сжатой зоны
м (а*= 49 см);
,
[п. 3.5.2].
Обрываем верхний ряд арматуры 314A-III (As,обор.= 4,62 см2). Тогда As=4,62см2 [рис. 3.9].
Рис. 3.9 - Сечение ригеля с оборванной арматурой
Определим несущую способность балки во втором пролёте М314, при наличии только нижней арматуры. Высота сжатой зоны:
м;
где а1*= 20+14/2=27 см,
=0,087















