144340 (620521), страница 2
Текст из файла (страница 2)
Для расчета выделяют полосу плиты шириной в один метр. Сбор нагрузок на полку плиты приведён в таблице 1.3.
Таблица 1.3 Загружение полки плиты
| Наименование нагрузок | qn кН/м | f | q кН/м |
| Вес пола (см. табл. 1) | 1,2 | - | 1,46 |
| Вес полки (0,0325) | 0,75 | 1,1 | 0,825 |
| 3. Временная нагрузка | 3,8 | 1,2 | 4,56 |
| Итого n | 5,75 | 6,845 |
Изгибающий момент [рисунок 2.2]:
кНм
Рис. 2.2 - Схема работы полки плиты
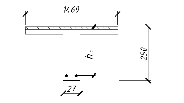
Полезная высота сечения при расположении арматуры в середине полки:
м.
Подбор сечения арматуры:
м2.
Принимаем минимальную сварную сетку по ГОСТ 8478-8 [4, приложение VII]
(Аs=0,65 см2).
2.3.2 Предварительный подбор сечения продольной арматуры
Изгибающий момент в середине пролета:
кНм.
В расчетах по предельным состояниям первой группы расчетная толщина сжатой полки приведенного таврового сечения (рис. 2.3) принимается равной фактическому значению (
). Ширина полки bf’, вводимой в расчет, принимается равной всей ширине верхней полки плиты, так как имеет место:
[3, п.3.16]. Ширина ребра b=1,46 - 70,17 = 0,27 м.
Рис. 2.3 - Сжатая полка сечения плиты
Предположим, что нейтральная ось проходит в пределах полки (I случай), то есть
[1, 3.3].
где
см
см, подтверждается 1-ый случай расчета.
Для вычисления коэффициента условия работы sb по формуле
, [3, 27]
принимаем предварительно R=0,55. Для арматуры класса A-IV коэффициент =1,2 [3, п.3.13]. Тогда
Принимаем sb=1,2.
Требуемое сечение арматуры равно:
Принимаем 610A-IV (Asp=4,74 см2) [прил. 4]. Размещение арматуры приведено на рисунке 2.4.
Рис. 2.4 - Размещение рабочей арматуры.
-
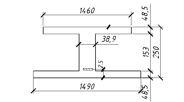
Определение характеристик приведённого сечения
Заменяем пустоты равновеликими по площади и моментам инерции прямоугольниками. При круглых пустотах диаметрами d сторона квадратного отверстия равна: hred=0,9d=0,917=15,3 см.
Толщина полок, приведенного сечения hf = hf’=(25-15,3)0,5=4,85 см.
Ширина ребра 146-715,3=38,9 см [рисунок 2.4].
[3, п. 4.5]
Рис. 2.4. Приведенное сечение плиты
Приведенная площадь сечения:
м2.
Приведенный статический момент относительно нижней грани сечения:
м3.
Положение центра тяжести приведенного сечения:
м.
Приведенный момент инерции:
Момент сопротивления по нижней зоне
м3,
то же по верхней зоне
м3.
2.3.4 Назначение величины предварительного напряжения арматуры
Для арматуры должны выполняться условия:
и
[3, 1]
где значение допустимых отклонений Р при электротермическом способе принимается [3, п.1.23]:
МПа [3, 2]. Тогда
МПа,
МПа.
Принимаем sp =500 МПа.
2.3.5 Определение потерь предварительного напряжения
Первые потери (
):
-
От релаксации напряжений арматуры. При электротермическом натяжении стержневой арматуры:
1=0,03sp=0,03500=15 МПа [3, поз.1 табл.5].
-
От температурного перепада потери не учитываются, так как форма с изделием подогревается в тоннельной камере до одинаковой температуры.
-
От обмятия анкеров. При электротермическом способе натяжения в расчете не учитывается
[3, табл.5, поз.3]. -
От сил трения арматуры. При натяжении на упоры и отсутствии огибающих приспособлений не учитываются
[3, табл.5, поз.4]. -
От деформации стальной формы. При электротермическом способе натяжения в расчете не учитываются
[3, табл.5, поз.5]. -
От быстронатекающей ползучести бетона [3, табл.5, поз.6]. Напряжения в бетоне на уровне центра тяжести предварительно напряженной арматуры bp равны
МПа, [4, п.33]
где
м,
кН,
МПа.
Передаточная прочность бетона Rbp для арматуры A-IV назначается по [3, п.2.6] из условия Rbp 11 МПа, Rbp 0,5B25 =12,5 МПа.
Принимаем Rbp=12,5 МПа.
.
Так как
, то
МПа
Суммарные первые потери
МПа.
Вторые потери:
-
От усадки бетона [3, табл.5, поз.8]. Для В25 < В35 и при тепловой обработке изделия при атмосферном давлении 8=35 МПа.
-
От ползучести бетона [3, табл.5, поз.9].
МПа,
где
кН
Так как bpRbp=2,28/12,5=0,182 < 0,75, то
МПа,
где = 0,85 - при тепловой обработке бетона.
Суммарные вторые потери los2 = 23,25 + 35 = 58,25 МПа.
Общие потери los =los1 + los2 =22,42 + 58,25 =80,67 МПа. В соответствии с [3, п.1.2.5] принимаем los = 100 МПа.
-
Проверка прочности бетона в стадии обжатия
Напряжения в бетоне на уровне крайнего сжатого волокна после отпуска арматуры равны [2, п.1.29]:
МПа [4, п.36]
Т.к. неравенство
[3, табл.7, п.1.29] выполняется, прочность бетона в стадии обжатия обеспечена.
-
Определение коэффициента точности натяжения арматуры
Коэффициент точности натяжения арматуры sp определяется по формуле:
. [3, 6]
При электротермическом способе натяжения
, [3, 7]
где np =6 –число стержней напряженной арматуры
тогда sp = 1 0,12.
-
Проверка принятого сечения предварительно напряженной арматуры
Ранее было принято R = 0,55. Необходимо уточнить значения коэффициента R и площади сечения арматуры Asp.
Коэффициент R определяем по формуле:
[3, 25 и 69]
где
МПа,
- с учетом полных потерь; при неавтоматизированном электротермическом натяжении арматуры Δ
[3, п.3.28];
sc,u = 500 МПа [3, п.3.12].
Поскольку полученное значение совпадает со значением, принятым в п.2.3.2 R=0,55, то перерасчет арматуры не требуется.
.
-
Расчет прочности плиты по сечению наклонному к продольной оси по поперечной силе
Расчетная поперечная сила на опоре равна:
кН.
Влияние свесов сжатых полок (при 7 отверстиях, с учетом
)
[3, 77]
Влияние усилия обжатия продольной предварительно напряженной арматуры
, [3, 78]
где
МПа.
Вычисляем
. Принимаем 1,5,
Вычисляем
=
кН.
Так как
кН, то поперечная арматура по расчету не требуется и она ставится конструктивно [3, п.5.27]. На приопорных участках длиной
=6,3/4=1,575 м необходимо установить 4 каркаса 4Вр-I с шагом
см (рисунок 2.5). В середине пролета поперечная арматура не требуется.
Рис. 2.5 - Распределение поперечной арматуры.
2.3.10 Проверка прочности по сжатой полосе между наклонными трещинами
Расчет производится по формуле:
кН [3, 72]
где
,
,
=4х0,126х10-4=0,504х10-4м2 – площадь поперечной арматуры.
[3, 74],
где β =0,1 для тяжелого бетона
Условие выполняется, прочность между наклонными трещинами обеспечивается.
-
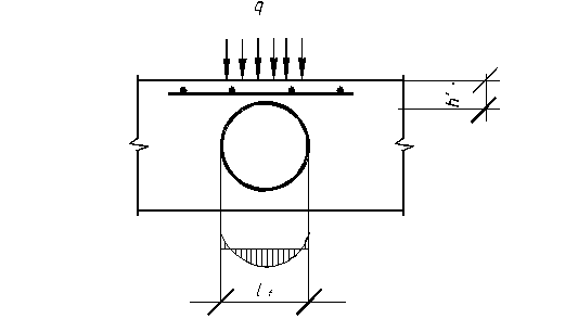
Расчет плиты в стадии изготовления
При распалубке и снятии изделия с формы подъемными петлями плита работает, как консольная балка [рис. 2.6]. Вылет консоли lc=0,4 м. Изгибающий момент от собственного веса плиты в основании консоли с учетом коэффициента динамичности kd=1,4 [3, п.1.13] равен:
кНм.
Рис. 2.6 - Работа плиты при распалубке
Напряжение в напрягаемой арматуре в сжатой зоне равно:
МПа [3, п.3.14], где при расчете элементов в стадии обжатия sc,u=330 МПа [3, п.3.12]; sp’ определяется с учетом потерь до обжатия с коэффициентом sp > 1 [3, п.3.14], то есть
[2.3.7]. Таким образом, после обжатия бетона в арматуре остаются растягивающие напряжения.
Усилие предварительного напряжения рассматривается как внешняя сила:
кН.
Изгибающий момент в консоли относительно верхней арматуры
кНм,
Вычисляем
и
,
где Rb определяется по классу бетона [3, табл.13] равной отпускной прочности Rbp=12,5 МПа; b8=1,2 [3, табл.15, поз.8].
Требуемое сечение арматуры в верхней зоне плиты, как для внецентренно сжатого элемента:
.
Оставляем ранее принятую арматурную сетку [п.2.3.1].
2.4 Расчет плиты по 2-ой группе предельных состояний
2.4.1.Проверка на образование начальных трещин в сжатой зоне при эксплуатационных нагрузках в стадии изготовления
После освобождения арматуры на упорах под действием силы обжатия Р1 плита изгибается, и в верхней зоне могут возникнуть начальные трещины.
Трещины не возникнут, если удовлетворится условие:
[3, 124],
где момент от внешних сил (собственного веса):
кНм,
Момент силы Р1 относительно ядровой точки, наиболее удаленной от растянутой (верхней) зоны:
кНм,
где Р1=226,32 кН [п.2.3.5];
=0,096 м [п. 2.3.5].
Расстояние до нижней ядровой точки
м; [3, 132]
коэффициент
>1, [3, 145]
максимальное напряжение в сжатом бетоне от внешних сил и сил предварительного напряжения (нижняя зона):
.
[3, табл.5, поз.3].
[3, табл.5, поз.4].
[3, табл.5, поз.5].














