144245 (620458), страница 2
Текст из файла (страница 2)
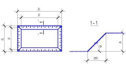
Подсчёт объёмов котлованов.
Объём прямоугольного в плане котлована, расположенного на спланированной площадке с уклоном до 10% можно определить по формуле:
где hк - глубина котлована, равная разности между планировочной отметкой в зоне котлована и отметкой дна котлована, м;
а, b - размеры котлована по дну, м;
a1, b1- размеры котлована по верху с учётом принятых откосов
где m - показатель естественного откоса котлована (СНиП 3.01.02-87)
Объём круглого в плане котлована, расположенного на спланированной площадке с уклоном до 10% можно определить по формуле:
V=
hк π( R2+Rr+r2)
где hк - глубина котлована, равная разности между планировочной отметкой в зоне котлована и отметкой дна котлована, м;
R - радиус котлована по верху, м;
r - радиус котлована по дну, м;
Котлован №1:
а1=110+2*0.85*4.9= 118.33м
b1=60+2*0.85*4.9=68.33м
а=110м
b=60м
h=4.9м
m=0.85м
V1=
м3
Котлован №2:
а1=62.55м
b1= 26.55м
а=60 м
b=24м
h=1.9м
m=0.67м
V2=
м3
Котлован №4:
R=25+0.85*4.9=29.165 м
r=25 м
hк=4.9м
m=0.85м
V4=
м3
Подсчёт объема траншеи:
где l-длинна траншеи, м;
а-ширина траншеи, м;
h-глубина траншеи, м;
m-показатель крутизны откосов.
Траншея:
l=920м
a=1.8м
h=1.9м
m=0.67
Vтр=(1.8+0.67*1.9)*1.9*920=5371,6м3
2.3 Определение объемов работ по ручной или механической зачистки дна котлованов и траншеи
Подсчёт объёмов недобора грунта.
При определении объёмов котлованов и траншей следует иметь в виду, что эти сооружения должны быть выбраны без нарушения структуры грунта в основании. В связи с этим требования при работе экскаватора предусматривается набор грунта. Объём подчистки дна котлована или траншеи после отрывания его экскаватором:
где
- площадь дна котлована;
-глубина (или толщина) недобора, м.
Котлован №1
=0.10м;
Vподч1=0.10*6600=660м3
Котлован №2
=0.05м;
Vподч1= 0.05*1440=72м3
Котлован №4
=0.10м;
Vподч1= 0.10*19625=1962.5м3
Траншея
=0.15м;
Vподч1=0.15*1659.6=248.94 м3
3. Водопонижение уровня грунтовых вод
В гражданском и промышленном строительстве для искусственного водопонижения чаще всего используются иглофильтровые установки. Такие установки имеются типовые, однако в зависимости от требуемой глубины водопонижения, величины притока воды и первоначального уровня, грунтовых вод необходимо проверить возможность применения той или иной установки в конкретных условиях и определить требуемое расстояние между иглофильтрами. Иглофильтры располагаются в один ряд параллельно сторонам котлована на расстоянии 0,5–1,0 м от бровки.
Расчет иглофильтровой установки производится по следующей методике.
Потребная производительность насосной установки определяется по формуле
,
где kф – коэффициент фильтрации, м/сутки;
Н – мощность водоносного слоя, м;
S – величина проектируемого понижения уровня грунтовых вод, м, (пониженный уровень грунтовых вод должен быть на 0,5 м ниже дна котлована);
Rr – радиус действия группы иглофильтров, м, равный
,
где R – радиус действия одного иглофильтра, м, определяемый по формуле проф. И.П. Кусакина
,
r – приведенный радиус группы иглофильтров, м, равный
,
где F – площадь котлована, огражденная иглофильтрами.
Пропускная способность одного иглофильтра, м3/ч, определяется из выражения
,
где d – диаметр фильтрового звена, м.
Количество иглофильтров в установке должно быть не менее
.
Расстояние между иглофильтрами не должно превышать
,
где L – периметр ограждения котлована иглофильтрами.
№1
H-мощность водоносного слоя H=S
S-требуемое поглощение УГВ
H=4,1-3,1=1,
R-радиус одного иглофильтра
R=
(м)
r-приведенный радиус группы иглофильтров
(м)
F-площадь котлована внутри контура иглофильтров
(
)
-радиус действия группы иглофильтров
(м)
Q-приток воды к иглофильтровым установкам
n-количество иглофильтров
(округляем в большую сторону и принимаем значение 60)
L-периметр котлована
(м)
l-расстояние между иглофильтрами
(м)
Марка иглофильтров ЛИУ-3
Итак, для марки ЛИУ-3 расстояние 6,35 м слишком большое и останутся участки, которые иглофильтр охватывать не будет, вследствие этого увеличим количество иглофильтров до 100, тогда расстояние между иглофильтрами соответственно равно 3,77 м, что соответствует нашей марке иглофильтров.
№2
УГВ ниже глубины котлована
№4
H=S=1
R=1,63
-радиус котлована поверху
(
)
(м)
(м)
(6 шт)
g=0,077
(м)
Итак, расстояние между иглофильтрами велико. Рассчитываем кол-во иглофильтров так, чтобы расстояние было приближенно равно 3, тогда наша марка будет ЛИУ-3,
n=
.
Берем количество иглофильтров равное 61 и марку ЛИУ-3.
| Показатели | Ед. изм. | ЛИУ-3 |
| Глубина понижения УГВ | м | 5 |
| Максимальная высота самовсасывания | м | 6 |
| Производительность | м3/час | 60 |
| Максимальный напор | м | 45 |
| Мощность двигателя | квт | 10 |
| Диаметр коллектора | мм | 150 |
| Число звеньев коллектора | шт | 18 |
| Длина звена | м | 5,25 |
| Диаметр фильтрующего звена | мм | 50 |
| Диаметр надфильтрующего звена | мм | 38 |
| Длина иглофильтра | м | 8,5 |
| Число иглофильтров | шт | 100 |
4. Выбор способа производства работ и подбор состава машин для комплексной механизации производства работ
Определение структуры планировочных работ.
| № | Наименование рабочих процессов | Единица измерения | Объём работ |
| 1 2 3 4 5 6 | Снятие растительного слоя Разработка грунта скрепером Разработка грунта экскаватором Уплотнение грунта катком Транспортирование грунта самосвалами Разработка недобора грунта | м3 м3 м3 м3 м3 м3 | 36000 105815.37 55545.3 1044962.34 35121.59 2943.44 |
4.1 Предварительный выбор ведущей машины по техническим параметрам
Выбор машины для планировочных работ
Графическим методом определяем среднюю дальность транспортировки.
Lср=378м => ведущей машиной будет прицепной скрепер Д-511.
Технические характеристики скрепера Д511:
| Показатели | Ед. изм. | Д-551 |
| Емкость ковша | м3 | 15 |
| Тягач: тип | ДЭТ-250 | |
| Мощность | л.с. | 271 |
| Ширина резания | м | 2,85 |
| Наибольшая высота отсыпаемого слоя | м | 0,35 |
| Толщина отсыпаемого слоя | м | 0,15-0,5 |
| Скорость движения скрепера: | км/ч | |
| при загрузке | 1.5-1.8 | |
| при разгрузке | 3,75-7,5 | |
| при движении с грузом | 4,5-7,3 | |
| при движении без груза | 9-12 | |
| Минимальный путь загрузки | м | 40 |
| Время загрузки ковша | с | 42-48 |
| Габаритные размеры: | ||
| длина | м | 11,38 |
| ширина | м | 3,4 |
| высота | м | 3,19 |
| Масса (без трактора) | т | 16,5 |
Эксплуатационная производительность скреперов.
Пэ=60*Т*g*kн*kв/tц*kр ,м3/смена
кн - коэффициент наполнения ковша скрепера
Грунт – супесь: кн=1,0-1,2
кр – коэффициент рыхления грунта в ковше скрепера, кр=1,2
кв - коэффициент использования сменного времени, кв=0,8-0,9
Т - продолжительность смены, Т=8ч=480 мин.
g - геометрическая ёмкость ковша скрепера, g=15м3
tц - длительность цикла работы скрепера
,















