144160 (620422), страница 3
Текст из файла (страница 3)
Каркасы, имеющие связевые элементы, или без них, в которых влияние перемещения узлов на расчетные моменты и усилия незначительно (не превышает 5%) относятся к несмещаемым. В других случаях они называются смещаемыми (податливыми).
Где
,
- суммарная вертикальная реакция и сдвигающая расчетные силы в поперечной раме.
- взаимное смещение верха и низа колонн рассматриваемого этажа от силы
,
- высота колонны.
Так как влияние перемещений узлов на расчетные моменты и усилия превышают 5%, то каркас смещаемый и его расчет необходимо вести согласно п. п.7,1,3,17-7,1,3,21 СНБ 5,03,01-02, Однако при этом требуется многократное вычисление критических сил во всех колоннах рам при различных комбинациях нагрузок. В связи с этим дальнейший расчет колонн выполняем, применяя требования норм, относящиеся к несмещаемым каркасам. Расчет выполняем согласно п. п.7,1,3,14-7,1,3,16 СНБ 5,03,01-02.
3.2 составление расчетных сочетаний нагрузок для подбора сечений надкрановой и подкрановой частей колонны
Расчетные сочетания нагрузок составляются следующим образом:
- нагрузка от собственного веса;
- доминирующая нагрузка (в нашем случае - крановая);
- остальные нагрузки с коэффициентом сочетания
, принимаемым по таблице А.1 приложения А СНБ 5,03,01-02,
Расчетные комбинации усилий в сечениях рассчитываемой колонны.
| Сечение | I-I | II-II | |||||||||||||
| Усилие | M | N | V | ∑Ni | ∑Vi | ∑Ti | Q | M | N | V | ∑Ni | ∑Vi | ∑Ti | Q | |
| № загр. | 1,2* | 1,2*,3 | |||||||||||||
| MMAX (N,V соотв) | 107.48 | -817.75 | -7.83 | -2365.5 | 0 | 0.7 | - | 199.84 | -843.55 | -37.83 | -2365.5 | -216.5 | 98.3 | 0.06 | |
| Сечение | III-III | IV-IV | |||||||||||||
| Усилие | M | N | V | ∑Ni | ∑Vi | ∑Ti | Q | M | N | V | ∑Ni | ∑Vi | ∑Ti | Q | |
| № загр. | 1,2*,4 | 1,3 | |||||||||||||
| MMAX (N,V соотв) | -181.43 | -1082.55 | 26.97 | 2365.5 | 216.5 | -96.9 | 0.059 | 1160.8 | -1072.5 | -123.8 | -2145 | -216.5 | 98.2 | 0.054 | |
Расчетные нагрузки для расчета фундамента получаем из значений M, N, V для сечения IV-IV и делим на 1.4
M = 1160.8/1.4 = 829.14 кН. N = - 1072.5/1.4 = - 766.07 кН.
V = - 123.8/1.4 = - 88.43 кН.
Так как каркас во всех случаях смещаемый то:
4. Расчет колонны
4.1 расчет подкрановой части
На подкрановую часть колонны действуют:
NSD=1072.5 кН; MSD=1225.65 кН м.
Найдем усилия в ветвях колонны:
Выполним расчет арматуры в каждой ветви как во внецентренно сжатом элементе.
,
При симметричном армировании:
тогда:
Найдем
по формуле
Так как
то:
Так как
то имеем случай больших эксцентриситетов.
Принимаем 2 стержня диаметром 20 мм AS! =628 мм2.
Расчет первой ветви:
При симметричном армировании:
тогда:
Найдем
по формуле
Так как
то:
Так как
то имеем случай больших эксцентриситетов.
Принимаем 2 стержня диаметром 16 мм AS! =402 мм2.
4.2 расчет надкрановой части
Найдем случайный эксцентриситет:
выбираем максимальный эксцентриситет ea=29,83 мм.
Полный эксцентриситет равен:
тогда:
,
значит имеем случай больших эксцентриситетов
Принимаем 2 стержня диаметром 20 мм AS! =628 мм2
Диаметры стержней поперечной арматуры которые следует принимать во внецентренно сжатых элементах устанавливаются в соответствии с п.11.2.28 в сварных каркасах - не менее диаметра, устанавливаемого из условия сварки с наибольшим, поставленным по расчету, диаметром продольной арматуры (22/3=8мм) и не более 14мм. Принимаем поперечную арматуру ∅8 S240.
Поперечная арматура устанавливается по конструктивным требованиям в соответствии с п.11.2.21 в. При fyd ≥ 500 Н/мм2 шаг поперечной арматуры должен быть не более 400мм. И не более 15∅ = 20∙8 = 1600мм в сварных каркасах.
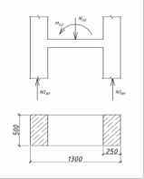
5. Расчёт внецентренно нагруженного фундамента
Определим силу и момент на уровне подошвы фундамента и расчет представим в виде таблицы
| Сочета-ния | Усилия от колонны | V Hf | Усилие от собств. веса стены | Усилия на уровне подошвы фунд. | ||||||
| M | N | V |
|
|
|
| ||||
|
| 1160,8 | -1072,5 | -123,8 | -309,5 | -148,28 | -118,624 | -856,476 | -1220,78 | ||
|
| 829,14 | -766,07 | -88,43 | 221,08 | -105,91 | -84,73 | -611,77 | 871,985 | ||
GCТ=2,5∙1,2∙12∙1,15+13,4∙12∙1,35∙0,5=148,28 кН
м.
Определение размеров подколонника.
Эксцентриситет:
Значит
Принимаем
Высота подколонника
Ширина подколонника
Глубина заделки колонны в фундамент:
dC≥lbd, где
,
,
где
тогда
Где
Окончательно принимаем dC=950 мм. Глубина стакана с учетом бетонной подливки, dР=dC+50=950+50=1000 мм. Глубина заложения фундамента d’=1.65 м. Общая высота фундамента d=2.65-0.15=2.5 м.
Определение размеров подошвы фундамента: определяем площадь подошвы фундамента:
принимаем соотношение размеров сторон подошвы фундамента равным:
тогда
Размеры в плане фундамента принимаем:
3м, тогда
. Принимаем bf=2м.
Для подобранного размера фундамента должно выполняться условие:
,
где
,
Подбор армирования в фундаментной плите.
Определим давление под подошвой фундамента от расчетных нагрузок для подбора нижней сетки
Подбор поперечной арматуры подошвы фундамента:
Рассмотрим момент по грани уступа как для консольной балки:
По конструктивным соображениям принимаем 4 стержня диаметром 10 мм AS=314 мм2
Подбор арматуры в направлении короткой стороны по среднему давлению под подошвой фундамента:
,
По конструктивным соображениям принимаем 4 стержня диаметром 6 мм AS=93,2 мм2
Подбор поперечной арматуры подколонника:
Определим требуемую площадь сеток в одном уровне:
fywd = 157 кПа для арматуры класса S240
Определим необходимую площадь сечения 1-го рабочего стержня (при 4-ех стержнях в каждой сетке).
Принимаем по конструктивным соображениям 4 стержня диаметром 10 мм AS=314 мм2
Подбор продольной арматуры:
где
S0 - статический момент половины площади бетонного сечения относительно ц. т.
Для бетона класса C 25/30
По конструктивным соображениям площадь арматуры не менее 0.15% площади бетонного сечения по ширине. По ширине
По конструктивным соображениям принимаем 4 стержня диаметром 16 мм AS=616 мм2. По длине
По конструктивным соображениям принимаем 4 стержня диаметром 14 мм AS=616 мм2
6. Расчёт предварительно напряженной балки покрытия
Исходные данные для проектирования
Номинальный пролет -
;
Шаг колонн и балок покрытия -
;
Район строительства - г. Минск;
Проектируемое здание относится ко II классу по степени ответственности. По СНиП 2.01.07-85 “ Нагрузки и воздействия “ коэффициент надежности по назначению
.
По таблице 5.2 СНБ 5.03.01-02 принимаем класс ответственности по условиям эксплуатации ХС1.
Минимальный класс бетона
.
В соответствии с пунктом 6.1.2.3 СНБ 5.03.01-02 принимаем минимальный класс бетона
.















