144112 (620397)
Текст из файла
Кафедра "“Железобетонные и каменные конструкции”
КУРСОВОЙ ПРОЕКТ
"МНОГОЭТАЖНОЕ ПРОИЗВОДСТВЕННОЕ ЗДАНИЕ"
Минск 2009
Аннотация
В курсовом проекте выполнена разбивка сетки колон. Определены расчетные и нормативные нагрузки на плиту перекрытие.
Определена высота поперечного сечения плиты, подобрана арматура. Собраны нагрузки на второстепенную балку, определена высота поперечного сечения балки, подобрана арматура, построена эпюра материалов.
Скомпоновано сечение колоны, которое обеспечивает прочность колоны и общую устойчивость. Осуществлена компоновка и расчет фундамента.
Перечень графического материала: 2 листа формата А2.
Содержание
1. Расчет и конструирование монолитного ребристого перекрытия
1.1 Компоновка конструктивней схемы перекрытия
1.2 Расчёт и конструирование плиты перекрытия
1.2.1 Определение нагрузок
1.2.2 Определение расчетных усилий
1.2.3 Определение высоты сечения плиты
1.2.4 Подбор сечения арматуры
1.2.5 Конструирование плиты
1.3 расчёт второстепенной балки
1.3.1 Определение нагрузок
1.3.2 Определение расчётных усилий
1.3.3 Определение размеров сечения второстепенной балки
1.3.4 Подбор сечения арматуры
1.3.5 Расчет поперечной арматуры
1.3.6. Назначение количества и диаметров продольной рабочей арматуры
1.3.7. Построение эпюры материалов
2. Расчёт и конструирование монолитной железобетонной колонны
2.1 Сбор нагрузок на колонну.
2.2 Расчёт сечения колонны.
3. Расчет фундамента
Литература
1. Расчет и конструирование монолитного ребристого перекрытия
1.1 Компоновка конструктивней схемы перекрытия
Железобетонные ребристые перекрытия могут быть с балочными плитами и плитами, опертыми по контуру. Балочные плиты имеют отношение длинной стороны к короткой
, а плиты, опертые по контуру,
.
В настоящей курсовой работе рассматриваются принципы проектирования ребристых перекрытий с балочными плитами.
В однопролётных зданиях (шириной до 5-7 м) балки обычно опираются непосредственно на продольные стены. В многопролётных зданиях ребристые перекрытия с балочными плитами представляют собой конструкцию, состоящую из главных и второстепенных балок, расположенных по взаимно перпендикулярным направлениям, и плиты, монолитно связанной с балками в одно целое. Второстепенные балки служат опорами плиты, главные - опорами второстепенных балок, а стены и колонны: - опорами главных балок.
При равномерно распределенной нагрузке и отсутствии отверстий в перекрытии рекомендуется назначать равно пролетные плиты и балки. Если на перекрытии имеется значительная сосредоточенная нагрузка, то балки целесообразно располагать непосредственно под этой нагрузкой.
Ориентировочные расстояния в метрах между второстепенными балками (или пролеты плиты) и соответствующие им минимальные толщины балочных плит в зависимости от нагрузки приняты по табл. I.I. методических указаний.
При выборе расстояния между второстепенными балками следует стремиться к тому, чтобы толщина плиты была минимальной (для производственных зданий - не менее 60 мм).
Рекомендуемые пролеты элементов перекрытия и размеры их поперечных сечений приведены в таблице №1.
Таблица 1
| Наименование элемента | Пролет,m | Размеры сечения элемента | |
| высота | Ширина | ||
| Плита | Lпл=1,72,7 | 810см | 100см (условно) |
| Второстепенная балка | Lвб=57 | hвб= (1/121/20) Lвб | bвб= (0,40,5) hвб |
| Главная балка | Lгб=58 | hгб= (1/81/15) Lгб | bгб= (0,40,5) hгб |
Установка нескольких лишних второстепенных балок меньше сказывается на общем расходе бетона на перекрытие, чем увеличение толщины плиты. Исходя из этих соображений, пролёт плиты выбирают, как правило, в пределах 1,7 - 2.7 м.
В настоящее время для многоэтажных производственных зданий принимаются унифицированные расстояния между колоннами (кратные модулю 3000 мм и равные 6,9 и 12 м) и унифицированные высоты этажей (кратные модулю 600 мм и равные 3,6: 4.2; 4.8; 6.0 и 7.2 м).
По методическим соображениям дли курсового проектирования размеры в плане и высоты этажей задаются, как правило, неунифицированными. Несмотря на это. все габаритные размеры должны подчиняться единой модульной системе на базе модуля 100 мм. Для возможности более быстрого статического расчета с применением готовых формул и таблиц элементы перекрытия - рекомендуется назначать с равными пролетами или пролетами, не отличающимися более чем на 20% для плит и более чем па 10% для балок. Обычно крайние пролеты плиты, второстепенных и главных балок выполняю меньше средних. В этом случае изгибающие моменты и перерезывающие силы в крайних пролетах приближаются по величине к расчетным усилиям в средних пролетах.
Расположение главных балок по продольному или поперечному направлениям принимаются в зависимости от архитектурных, конструктивных и технологических требований. При курсовом проектировании ограничиваемся выбором конструктивной схемы перекрытия на основе сравнения нескольких вариантов перекрытия по расходу бетона.
Крайние разбивочные оси в производственных зданиях располагаются по внутренним граням стен (нулевая привязка) либо со смещением внутрь стены на расстояние, кратное 100 мм. В настоящей работе принята нулевая привязка.
В целях унификации высоту балок принимает кратной 50 мм при размерах до.600 ми и кратной 100 мм при больших размерах.
Ширину сечения балок назначают 100.120, 150, 200, 220, 250 и далее кратной 50 мм.
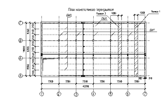
Таким образом, выполнение проекта начинается с выбора сетки колонн, привязки наружных стен к крайним разбивочным осям и компоновки конструктивных схем междуэтажного перекрытия.
На основании всех требований и рекомендаций применяем:
пролет плиты Lпл = 1700мм
пролет второстепенной балки Lвб = 5800 мм
пролет главной балкиLгб = 6800 мм
высота и ширина главной балки соответственно hгб = 600 мм bгб = 300 мм
высота и ширина второстепенной балки соответственно hвб = 400 мм bвб = 200 мм
Толщина плиты при нормативной нагрузке 9500 Н/м2 принимается равной hпл = 70 мм.
Исходные данные:
здание имеет размеры в плане 20,4х40-м;
высота этажа - 4,8 м
количество этажей - 8
наружные стены - кирпичные несущие
нормативная полезная нагрузка на перекрытие 4кПа.
В настоящей работе принимаем привязку 200 мм.
При наружных станах из кирпичной кладки длину опираниия плиты на стену принимаем 120 мм, второстепенной балки - 250 мм и главной балки - 380 мм
Рис. 1. План монолитного перекрытия.
1.2 Расчёт и конструирование плиты перекрытия
Элементы железобетонного монолитного ребристого перекрытия (плиту, второстепенную и главную балку) рассчитывают отдельно. Расчёт элементов производится в соответствии с указаниями СНиП II 21 75 и "Руководства по проектированию бетонных и железобетонных конструкций из тяжелого бетона."
Монолитные ребристые перекрытия выполняются из бетонов классов по прочности на сжатие В10... В15. Класс арматуры принимается в зависимости от принятого варианта армирования.
Подсчет нагрузок на отдельные элементы перекрытия, несмотря на его монолитность, ведется, как для разрезных конструкций.
Для балочных плит повышение несущей способности, обусловленное опиранием по коротким сторонам, относительно невелико. Поэтому для расчета балочной плиты на равномерно распределенную нагрузку из неё мысленно выделяется полоса шириной в 1 м, опертая на второстепенные балки. Такая полоса рассматривается как отдельная неразрезная балка и изгибается в одном направлении.
1.2.1 Определение нагрузок
Нагрузки на 1 м2 плиты складываются из постоянной нагрузки (от собственной массы плиты и заданной конструкции пола) и временной (полезной), принимаемой по заданию. Для определения расчетных нагрузок коэффициенты надежности по нагрузке определяются по СНиП II01.07. 85 "Нагрузки и воздействия" [2]: пп.2.2 и 3.7СниП II01.07. 85, от веса железобетонных конструкций
= 1,1, от веса выравнивающих и отделочных слоев (плиты, засыпки, стяжки и др.), выполняемых: в заводских условиях
= 1,2, на строительной площадке
= 1,3, для равномерно распределенных временных нагрузок
=1,2. Определение нагрузок на 1 м2 перекрытия приведено в табл.2. При ширине полосы в 1 м нагрузка, приходящаяся на 1 м2 плиты, равна по величине нагрузке на 1 п. м полосы.
Таблица 2
| № | Наименование нагрузки | Нормативная нагрузка Н/м2 | f | n | Расчетная, Н/м2 | ||||||
| 1 2 3 | I. Постоянная нагрузка Паркет t=5мм (р=550кг/м3) Цементная стяжка t=20мм (р=2000м3) Железобетонная плита t=70мм (р=2500кг/м3) | 275 400 1750 | 1,2 1,3 1,1 | 0,95 0,95 0,95 | 313,5 494 1828,75 | ||||||
| ИТОГО | 2636,25 | ||||||||||
| II. Полезная нагрузка | 4000 | 1,2 | 0,95 | 4560 | |||||||
| ВСЕГО | 7196,25 | ||||||||||
1.2.2 Определение расчетных усилий
Плита рассматривается как неразрезная балка, загруженная равномерно распределенной нагрузкой. В неразрезных балочных плитах с равными пролетами или с пролетами, отличающимися не более чем на 20%, изгибающие моменты определяют с учетом перераспределения вследствие пластических деформаций по готовым формулам.
На работу участков плиты, защемленных по четырем сторонам во второстепенных и главных балках, благоприятное влияние оказывают распоры. Поэтому для плит, окаймлённых по всему контуру монолитно связанными с ними балками, рассчитываемых без учета распора, возникающего в предельном состоянии, значения изгибающих моментов следует уменьшить против определенных по расчету в сечениях промежуточных пролетов и промежуточных опор на 20%
Таким образом, расчет следует выполнить для двух полос; условно вырезанных у торцевых стен (участки плиты защемлены по трем сторонам и свободно оперты одной стороной на стену - полоса 1) и в средней части перекрытия (участки плиты защемлены по четырем сторонам - полоса II).
За расчетные пролеты плиты принимаются: средние - расстояния в свету между второстепенными балками; крайние - расстояния от оси опоры на стене (при опирании на наружные стены) до грани ребра второстепенной балки. Длина опорной части плиты на кирпичную наружную стену принимается равной 120 мм. Средний расчетный пролет:
l0ср = 1700-2 (bвб/2) = 1700- 300= 1400 мм
Крайний расчетный пролет:
l0кр = 1700-200-bвб/2+120/2=1700200300/2 +120/2 = 1410 мм
Определим расчетную нагрузку:
Характеристики
Тип файла документ
Документы такого типа открываются такими программами, как Microsoft Office Word на компьютерах Windows, Apple Pages на компьютерах Mac, Open Office - бесплатная альтернатива на различных платформах, в том числе Linux. Наиболее простым и современным решением будут Google документы, так как открываются онлайн без скачивания прямо в браузере на любой платформе. Существуют российские качественные аналоги, например от Яндекса.
Будьте внимательны на мобильных устройствах, так как там используются упрощённый функционал даже в официальном приложении от Microsoft, поэтому для просмотра скачивайте PDF-версию. А если нужно редактировать файл, то используйте оригинальный файл.
Файлы такого типа обычно разбиты на страницы, а текст может быть форматированным (жирный, курсив, выбор шрифта, таблицы и т.п.), а также в него можно добавлять изображения. Формат идеально подходит для рефератов, докладов и РПЗ курсовых проектов, которые необходимо распечатать. Кстати перед печатью также сохраняйте файл в PDF, так как принтер может начудить со шрифтами.















