144112 (620397), страница 3
Текст из файла (страница 3)
В связи с этим при подборе сечений, в которых намечено образование пластических шарниров, следует принимать значение = 0.35 - 0.40. Согласно "Руководству по расчет) статически неопределимых железобетонных конструкций'", необходимо проектировать конструкции гак, чтобы причиной разрушения не могли быть срез сжатой зоны или (особенно в элементах двутаврового в таврового сечения) раздавливание бетона от главных сжимающих напряжений, и применять для армирования конструкций стали, допускающие достаточно большие деформации в пластических шарнирах.
Назначаем ширину ребра второстепенной балки b = 250 мм.
M = 27.964кНм,
m - определяется по оптимальному значению
= 0,350,4
При =0,37
= 0.37* (1 - 0.5*0.37) = 0.302
Rb =8,5 МПа - для бетона класса В 15,b - ширина ребра второстепенной балки
Полная высота балки
h = h0 + a = 25.0 + 4 =29 см
где a - расстояние от нижней грани балки до центра тяжести арматуры.
Так как высота балки должна быть кратна 5 см, то окончательно принимаем сечение второстепенной балки
b*h= (20*40) см
b/h=20/40=0,5= (0,40,5)
Пересчитаем новое значение рабочей высоты второстепенной балки:
h0 = h - a = 40 - 4 = 36 см
1.3.4 Подбор сечения арматуры
В зависимости от направления действия изгибающего момента сжатия зона второстепенной балки таврового сечения расположена в верхней или нижней части сечения.
При подборе продольной арматуры в пролетах второстепенной балки по положительным изгибающим моментам сечение балки рассчитывается как тавровое с шириной полки bf’.
При определении сечения продольной арматуры на промежуточных опорах и в средних пролетах по отрицательному изгибающему моменту в расчет вводится только ширина ребра балки b.
Максимальная расчетная ширина полки b (ограничивается определёнными пределами, так как её совместная работа с ребром в предельной стадии может быть не обеспечена в следствие местной потери устойчивости полки и ее чрезмерного прогиба.
Пункт 3.16. СНиП 2.03.01-84*
Значение bf’ вводимое в расчёты, принимается из условия, что ширина свеса полки в каждую сторону от ребра должна быть не более 1/6 пролета элемента и не более:
а) при наличии поперечных рёбер или
расстояния в свету между продольными ребрами/
б) при отсутствия поперечных рёбер или при расстояниях между ними больших, чем расстояния между продольными ребрами, и
/
При определении сечения продольной арматуры на промежуточных опорах и в средних пролётах по отрицательным изгибающим моментам в расчет вводится только ширина ребра балки b.
Пункт 2.19. СНиП 2.03.01-84*
В качестве ненапрягаемой арматуры железобетонных конструкций следует преимущественно применять
а) горячекатаную арматурную сталь класса АШ
6) арматурную проволоку диаметром 3-5 мм класса BpI (в сварных сетках и каркасах)
в) допускается также применять стержневую арматурную сталь классов А-П и A-I для поперечной арматуры линейных элементов, для конструктивной и монтажной арматуры, а также в качестве продольной, если другие виды ненапрягаемой арматуры не могут быть использованы.
Определяем площадь сечения продольной арматуры в первом пролёте по положительному изгибающему моменту
Исходные данные: М = 35.59 кНм, b = 200 мм, ho = h - a = 400-40 = 360 мм,
60 мм
где
а)
б)
в)
= 60/400 = 0,15 > 0.1 =>
равно шагу второстепенных балок.
В расчётную ширину полки
вводится минимальное значение
Бетон класса В15, Rb = 8.5 МПа.
Назначаем арматурные стержни класса AII Rs = 280МПа.
Определим, где проходит граница сжатой зоны в нашем случае:
Mn= Rb*b2* bf’* hf’* (h0 - hf’/2) =8,5*100*0,9*170*6* (36-6/2) = 2.57*107 Н * cм = 257.499 кН * м/
Так как Mn = 257.499 кН*м> M1max=35.59 кН * м, то граница сжатой зоны проходит в полке. Расчет производим как для прямоугольного сечения с шириной bf’.
m = M1max / (Rb*b2* bf’* h02) =35.59*105/ (8.5*100*0.9*170*362) = 0,021
По таблице по m =0,021 = 0,021 = 1 - / 2 = 0,9894
= 0,85 - 0,008* Rb*b2= 0,85 - 0,008 * 8,5 * 0,9 = 0,7888, = 0,021< r=0,681 - условие выполняется. Определим требуемую площадь продольной арматуры:
Подбор площади сечения продольной арматуры по опоре В
M2max = 27.964 кН*м, b = 200 мм
ho = h - a = 400 - 40 = 360 мм
60 мм, Бетон класса В15, Rb = 8.5 МПа
Назначаем арматурные стержни класса AII Rs = 280МПа
m = M2max / (Rb*b2* bf’* h02) = 27.964*105/ (8,5*100*0,9*170*362) = 0.141
По m =0.141 =0.1525 = 1 - / 2 = 0.92375
=0.141< r=0,681 условие выполняется
Подбор площади сечения продольной арматуры по опоре С:
Mc = 24.434 кН*м
b = 20см h0 = 36см
m = Mc / (Rb*b2* bf’* h02) = 24.434 *105/ (8,5*100*0,9*20*362) = 0.0145
По m =0.0145 =0.0145 = 1 - / 2 = 0.99275
=0.0145 < r=0.681 условие выполняется
Подбор площади сечения продольной арматуры во втором пролёте по отрицательному моменту.
M = 24.434 кН*м, b = 20см h0 = 36см
m = Mc / (Rb*b2* bf’* h02) = 24.434 *105/ (8,5*100*0,9*20*362) = 0.123
По m =0.123 =0.131 = 1 - / 2 = 0.9345
=0.131< r=0.681 условие выполняется
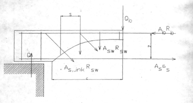
Требуемая по расчету площадь сечения продольной арматуры приведена на рисунке
Рис.7. Схема требуемой площади арматуры.
1.3.5 Расчет поперечной арматуры
Расчет на действие поперечной силы не производится, если соблюдается условие:
Q< в4 *Rbt * b2 * b*h0
где -в4 - коэффициент для тяжёлого бетона
Rbt - расчётное сопротивление класса В 15 на растяжение
b2 - коэффициент условий работы
Q< 0,6 * 0,75 *100 *0,9 * 20 *36 = 29160 Н = 29,160 кН
Qвл = 131, 74 кН > Q = 29,160 кН расчёт на действие поперечной силы требуется.
При армировании балки вязанными сетками, хомуты бывают диаметром 6 - 8 мм из стали класса АI с шагом кратным 5 см.
Затем вычисляют
и сравнивают с поперечной силой у грани опор балки.
Если
> Q - отогнутые стержни (утки) проектируется конструктивно, если
< Q отогнутые стержни рассчитываются.
Рис. 8. Схема усилий в сечении, наклонном к продольной оси железобетонного элемента, при расчете его по прочности на действие поперечной силы.
Расстояния между хомутами S, между опорой и концом отгиба, ближайшего к опоре S1, а также между концом предыдущего и началом последующего отгиба S2, должен быть не более величины
где
= 2,0 - для тяжелого бетона
Принимаем двухветвевые хомуты d = 6 мм
Шаг хомутов в крайней зоне пролета равен:
Так как h = 500 мм > 450 мм, то S1 = h/3= 50/3 = 16,67 см и не более 15 см
Принимаем S1 = 100 мм
В средней зоне пролета S2 = 3*h/4=3*50/4 = 37,5 см и не более 500 мм
Принимаем S2 = 350мм
Определим величину поперечной силы, которая воспринимается хомутами и бетоном.
Q = Qsw + Qb = qsw * Cw + (b2 (1 + f + n) R bt b2 b h02) / C0
C0 - проекция наклонной трещины на продольную ось элемента
qsw - интенсивность поперечного армирования
qsw = R sw * A sw / S1 = (175*100*2*0,283) /10 = 990,5 Н/см
A sw - площадь сечения двухветвевого хомута
f - коэффициент учитывающий свес полок
f = 0, так как на опоре полки растянуты
n - учитывает продольные силы
Значение Cw находим из условия
2 h0< Cw < C0
Принимаем Cw = 85,83 см
Находим:
отгибы по расчету не требуется по конструктивным соображениям.
1.3.6. Назначение количества и диаметров продольной рабочей арматуры
Определив необходимое сечение арматуры в пролётах и на опорах, а так же отогнутой арматуры, переходят к назначению количества и диаметра стержней. При этом руководствуются следующими положениями:
1. Количество стержней необходимо назначать таким, что бы арматура поместилась в одном ряду (но не менее 3 стержней). Диаметр рабочих стержней следует назначать от 12 мм до 25 мм.
2. Число стержней в пролете следует согласовать с требуемым по расчету сечением отогнутой арматуры и с количеством отогнутых стержней, которое требуются, чтобы перекрыть участок огибающей эпюры поперечных сил.
3. Всю отогнутую арматуру следует получить посредством отгиба нижних продольных стержней и, в крайнем случае, если их не хватает, поставить "утки". Количество плоскостей отгибов и площадь отогнутых стержней в каждой плоскости должны быть не меньше требуемых по расчету. Угол наклона отгибов к оси балки (при h < 800 мм) принимается 45°.















