144072 (620379), страница 2
Текст из файла (страница 2)
5. Расчет главной балки
Сечение сварной балки двутавровое симметричное, составленное из трех металлопрокатных листов. Выбираю сталь С 345, с расчетным сопротивлением Ry = 300 МПа (толщина проката 20÷40 мм).
5.1 Определение усилий
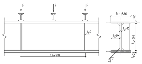
При частом расположении балок настила (шаг а1 = 1,5 м < l/5 = 15/5 = 3 м) сосредоточенную нагрузку, передаваемую на главную балку от балок настила, заменяем равномерно распределенной нагрузкой.
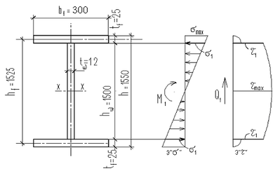
Расчетная схема главной балки представлена на рис.5.
Рис. 6. Расчетная схема главной балки
Нормативная нагрузка
.
Расчетная нагрузка
где b = 9 м – шаг главных балок.
Расчетный изгибающий момент в середине пролета
Нормативный изгибающий момент
Расчетная поперечная сила в опорном сечении
5.2Компоновка сечения
Рис. 7. Сечение главной балки
Балку рассчитываем в упругой стадии работы. Из условия прочности требуемый момент сопротивления балки
,
где Ry = 300 МПа при толщине проката более 20 мм;
Назначаем высоту сечения балки h, которая определяется максимально допустимым прогибом балки, связанным с жесткостью балки, экономическими соображениями и строительной высотой перекрытия Н, т.е. разностью отметок верха настила и верха габарита помещения под рабочей площадкой. Минимальная высота из условия жесткости
где fu = l/225 = 0,0044 при пролете l = 15 м – предельный прогиб главной балки.
Высота разрезной главной балки принимается в пределах (1/10…1/13)l = =(1,5…1,15 м). Предварительно принимаем высоту балки h = 1,5 м.
Оптимальная высота балки из условия наименьшего расхода стали
здесь tw – толщина стенки балки, предварительно определяемая по эмпирической зависимости tw = 7 + 3h/1000 = 7 + 3·1500/1000 = 11,5 мм.
Принимаем tw = 12 мм.
Максимально возможная высота балки
hстр = H – (tн + hбн + Δ) = (1080 –800) – (10 + 49,6 + 14) = 206,4 см,
где Δ= fu + (30 …100 мм) = 6,67 + 7,33 = 14 см – размер, учитывающий предельный прогиб балки fu = 6,67 см и выступающие части, расположенные ниже нижнего пояса балки (толщина стыковых накладок, болты, элементы связей т.п.).
Требуемая площадь пояса
Ширина пояса bf = h/3 = 150/3 = 50 см.
Толщина пояса tf =
/ bf = 115,23/50 = 2,3 см.
Сравнивая полученные данные, окончательно назначаем высоту балки h = 1550 мм. Приняв толщину поясов tf = 25 мм, ширину поясов bf = 530 мм, стенку выполняем из листовой горячекатаной стали по ГОСТ 19903–74 высотой hw = 1500 мм и толщиной tw = 12 мм.
Проверяем необходимость постановки продольных ребер жесткости. Условная гибкость стенки
следовательно, продольные ребра жесткости не требуются.
Проверяем местную устойчивость сжатого пояса, для чего отношение свеса пояса
= (530–12)/2 = 259 мм к его толщине tf должно быть не более предельного, определяемого по СНиП [1],
Условие выполняется.
5.3 Проверка прочности принятого сечения балки
По назначенным размерам вычисляем фактические геометрические характеристики сечения:
– момент инерции
– момент сопротивления
– площадь сечения
По найденной площади A и плотности стального проката ρ = 7850 кг/м3 определяем вес 1 пог. м балки
где k = 1,1 – конструктивный коэффициент, учитывающий увеличение веса балки за счет ребер жесткости, накладок и т.п.
Уточняем расчетные значения изгибающего момента M и поперечной силы Q с учетом собственного веса главной балки, для этого определяем:
– нормативную нагрузку
-
расчетную нагрузку
– расчетный изгибающий момент
– нормативный изгибающий момент
– поперечную силу
Проверка прочности балки по нормальным напряжениям
Недонапряжение в балке составляет
что допустимо в составном сечении согласно СНиП [1].
Прочность балки обеспечена.
5.4 Изменение сечения балки по длине
Сечение составной балки, подобранное по максимальному изгибающему моменту в середине пролета, можно уменьшить в местах снижения моментов. Наибольший эффект дает симметричное изменение сечения на расстоянии x = l/6 от опор. Наиболее простым является изменение сечения за счет уменьшения ширины пояса (рис.7).
Рис. 8. Изменение сечения балки по длине
Стыкуем сжатый и растянутый пояса прямым сварным швом с выводом концов шва на подкладки с применением полуавтоматической сварки без использования физических способов контроля качества швов. Расчетное сопротивление таких сварных соединений при растяжении принимается пониженным
Для снижения концентрации напряжений при сварке встык элементов разной ширины на элементе большей ширины делаем скосы с уклоном 1:5. Определяем расчетный момент и перерезывающую силу на расстоянии
Определяем требуемые:
–момент сопротивления измененного сечения, исходя из прочности сварного стыкового шва, работающего на растяжение,
Требуемая площадь пояса
Толщина пояса bf1 =
/ tf = 74,08/2,5 = 29,63 см.
По конструктивным требования ширина пояса должна отвечать условиям:
–
–
–
По сортаменту принимаем измененный пояс из универсальной стали сечением 30025 мм, площадью
Вычисляем геометрические характеристики измененного сечения:
– момент инерции
– момент сопротивления
– статический момент пояса относительно нейтральной оси х-х
– статический момент половины сечения относительно оси х-х
Производим проверку прочности балки в месте изменения ее сечения в краевом участке стенки на уровне поясных швов на наиболее неблагоприятное совместное действие нормальных и касательных напряжений, для чего определяем:
Рис. 9. К проверке прочности балки
– нормальные напряжения
– касательные напряжения
– приведенные напряжения
где 1,15 – коэффициент, учитывающий локальное развитие пластических деформаций в стенке балки.
Проверка прочности на срез по касательным напряжениям
Прочность балки обеспечена.
5.5 Проверка общей устойчивости балки
Общая устойчивость балки считается обеспеченной при передаче нагрузки через сплошной жесткий настил, непрерывно опирающийся на сжатый пояс балки и надежно с ним связанный, а также, если соблюдается условие: отношение расчетной длины балки lef к ширине сжатого пояса bf не превышает критическое, определяемое по формуле
где lef = 1,5 м – расстояние между точками закрепления сжатого пояса от поперечных смещений, равное шагу балок настила a1.
В середине пролета балки
В месте уменьшения сечения балки
Устойчивость балки обеспечена.
5.6 Проверка местной устойчивости элементов балки
5.6.1. Проверка местной устойчивости сжатого пояса не требуется, так как она была обеспечена надлежащим выбором отношения свеса пояса к толщине (см.п.5.2).
5.6.2. Проверка местной устойчивости стенки балки
Определяем условную гибкость стенки
,
следовательно, поперечные ребра жесткости необходимы. Расстояние между основными поперечными ребрами a не должно превышать 2hw при w > 3,2. Расстояние между ребрами назначаем
, что увязывается с шагом балок настила.
Рис. 10. Схема балки, укрепленная поперечными ребрами жесткости
Ширина выступающей части парного ребра
Толщина ребра
Принимаем ребро жесткости из полосовой стали 907 мм. Ребра жесткости привариваются к стенке непрерывными угловыми швами минимальной толщины. Торцы ребер должны имеют скосы с размерами 3030 мм.
Т.к.
, то требуется проверка стенки на местную устойчивость.
Проверяем местную устойчивость стенки в среднем отсеке (рис.11).
Так как а = 3 м > hw = 1,5 м, определяем Mср и Qср по середине условного отсека шириной, равной половине высоты стенки hw, для чего вычисляем величины моментов и поперечных сил в середине расчетного участка (хср = 6,75 м) :
Рис. 11. К проверке местной устойчивости стенки в среднем отсеке
Краевое напряжение сжатия в стенке
Среднее касательное напряжение в отсеке
Критическое нормальное напряжение
где cсr – коэффициент, определяемый по [1, табл.21] в зависимости от значения коэффициента
который учитывает степень упругого защемления стенки в поясах;
Коэффициент cсr = 33,6614 (определен линейной интерполяцией).
.
Критическое касательное напряжение определяется по формуле
где
здесь d – меньшая из сторон отсека
следовательно,
– отношение большей стороны отсека к меньшей.
Рис. 12. Поэтажное сопряжение балок
где F– расчетное значение сосредоточенной силы, при поэтажном сопряжении балок равное двум реакциям от балок настила
F=2Qmax=2·184,374=368,75 кН;
условная длина распределения сосредоточенной нагрузки (b = 200 мм – ширина пояса балки настила; tf = 25 мм – толщина верхнего пояса главной балки).
При принятом шаге поперечных ребер жесткости а = 3 м, отношение
Отношение
– предельного значения, определенного при
и
линейной интерполяцией по [1, табл.24].
















