144072 (620379), страница 3
Текст из файла (страница 3)
Локальное критическое напряжение
где с1 = 58,3 – коэффициент, определенный по [1, табл.23] в зависимости от δ;
Проверяем местную устойчивость стенки
.
Стенка устойчива.
5.7 Проверка жесткости главной балки
При равномерно распределенной нагрузке на балку
где α = 1,03 – коэффициент, учитывающий увеличение прогиба балки за счет уменьшения ее жесткости у опор, вызванного изменением сечения балки по длине.
5.8 Расчет соединения пояса со стенкой
Соединение выполняется автоматической сваркой угловыми непрерывными швами одинаковой толщины по всей длине балки.
Сравниваем
Поясные швы при
рассчитываются по металлу шва по формуле
где
–усилие на единицу длины шва (1 см) от поперечной силы Qmax на опоре, сдвигающее пояс относительно стенки;
Sf – статический момент пояса относительно нейтральной оси;
– при расчете по металлу шва;
βz = 1,15 – при расчете по металлу границы сплавления;
и
– коэффициенты условий работы шва, равные 1;
– расчетное сопротивление сварного соединения при расчете по металлу шва, принимаемое по [1,табл. 56*] в зависимости от марки сварочной проволоки, которую выбирают по [1,табл. 55*] для автоматической сварки стали принятого класса;
– расчетное сопротивление сварного соединения при расчете по границе сплавления;
– нормативное сопротивление основного металла, принимаемое по [1,табл.51*].
Определяем требуемый катет сварного шва
Согласно [1,табл.38*] при толщине более толстого из свариваемых элементов tf = 25 мм конструктивно принимаем минимальный катет шва для автоматической сварки
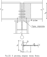
5.9 Конструирование и расчет опорной части главной балки
Передача нагрузки от главной балки, установленной сверху на колонну, осуществляется через торцевое опорное ребро. Торец ребра рассчитывается на смятие, для чего он острагивается. Выступающая часть а не должна быть больше 1,5th (рис. 13) и принимается 20 мм.
Рис. 13. К расчету опорной части балки
Опорная реакция
Определяем площадь смятия торца ребра
где
– расчетное сопротивление торцевой поверхности принимается по [1,табл.51*].
Принимая ширину ребра, равной ширине пояса балки у опоры
определяем толщину ребра
По конструктивным соображениям рекомендуется толщину опорного ребра принимать
.
Принимаем опорное ребро из листа 30016 мм с площадью Ah = 48 см2.
Местная устойчивость ребра проверяется по формуле
Ребро устойчиво.
Опорная часть главной балки из своей плоскости (относительно оси z-z) проверяется на устойчивость как условная центрально-сжатая стойка с расчетной длиной
. Расчетное сечение включает в себя площадь опорного ребра Ah и площадь устойчивого участка стенки, примыкающего к ребру, шириной
Определяем площадь стойки
Момент инерции
Радиус инерции
Гибкость
По формуле 8 [1] φ = 0,959 – коэффициент продольного изгиба
Условие устойчивости центрально-сжатой стойки
Опорная часть балки устойчива.
5.10 Проектирование монтажного стыка главной балки
5.10.1. Монтажный стык на сварке
Рис. 14. Монтажный стык главной балки на сварке
Стык элементов балки осуществляется стыковыми швами. Расчетные сопротивления сварных соединений для любого вида сварки принимаются: при сжатии соединения независимо от методов контроля качества швов Rwy = Ry; при растяжении и изгибе с физическим контролем качества швов – Rwy = Ry, непроверенного физическими методами контроля – Rwy = 0,85Ry.
На монтаже физические способы контроля затруднены, поэтому расчет растянутого стыкового соединения производится по его пониженному расчетному сопротивлению. Сжатый верхний пояс и стенка соединяются прямым швом, растянутый пояс – косым швом для увеличения длины шва, так как действительное напряжение в поясе σ превышает Rwy.
Для обеспечения качественного соединения при ручной сварке, сваривая элементы толщиной более 10 мм, производится V-образная разделка кромок.
Для уменьшения сварочных напряжений соблюдается определенный порядок сварки (на рис.14 показанный цифрами): сначала свариваются поперечные стыковые швы стенки и поясов, имеющие наибольшую усадку, последними завариваются угловыми швами, имеющими небольшую продольную усадку, участки длиной по 500 мм, оставленные незаверенными на заводе. Это позволяет при монтаже совместить торцы свариваемых элементов отправочных марок, имеющих отклонение в размерах в пределах технологических допусков, и дает возможность поясным листам несколько вытянуться при усадке поперечных швов. Для ручной сварки монтажных стыков применяются электроды Э50.
5.10.2 Монтажный стык на высокопрочных болтах
Монтажные стыки на высокопрочных болтах выполняются с накладками: по три на каждом поясе и по две на стенке (рис.15).
Стык осуществляем высокопрочными болтами db = 20 мм из стали 40Х «селект», имеющей наименьшее временное сопротивление
.
Способ регулирования натяжения высокопрочных болтов принимаем по M (моменту закручивания). Расчетное усилие Qbh, которое может быть воспринято каждой поверхностью трения соединяемых элементов, стянутых одним высокопрочным болтом, определяется по формуле
где
– расчетное сопротивление растяжению высокопрочного болта;
– площадь сечения нетто болта db = 20 мм.
– коэффициент трения, принимаемый в зависимости от обработки поверхности по [1,табл.36*] (принят газопламенный способ обработки поверхностей);
– коэффициент надежности, принимаемый при статической нагрузке и разности номинальных диаметров отверстий и болтов
с использованием регулирования натяжения болтов по М при газопламенном способе обработки поверхностей;
b – коэффициент условий работы соединения, зависящий от количества болтов n, необходимых для восприятия расчетного усилия, и принимаемый равным 1,0 при n 10.
Определяем
Расчёт стыков поясов и стенки производим раздельно. Приравнивая кривизну балки в целом
, где – радиус кривизны, кривизне ее составляющих: стенки Mw /(EIw) и поясов Mf /(EIf), находим изгибающие моменты в стенке Mw и поясах Mf, которые распределяются пропорционально их жесткостям, соответственно EIw и ЕIf. Момент инерции стенки
момент инерции поясов
Изгибающий момент в стенке
Изгибающий момент в поясах
Расчет стыка пояса. Расчетное усилие в поясе определяется по формуле
Количество болтов n на каждую сторону от центра стыка балки для прикрепления накладок пояса определяем по формуле
где ks = 2 – количество поверхностей трения соединяемых элементов.
Принимаем 28 болтов и размещаем их согласно рис.15.
Диаметр отверстия d под болт делается на 3 мм больше db. Назначаем отверстие d = 23 мм.
Минимальное расстояние между центрами болтов (шаг болтов) аmin в расчетных соединениях определяется условиями прочности основного металла, принимается в любом направлении равным amin = 2,5d = 2,5·23 = 57,5 мм.
Принимаем а = 60 мм.
Рис. 15. Монтажный стык главной балки на высокопрочных болтах
Максимальное расстояние между болтами определяется устойчивостью сжатых частей элементов в промежутках между болтами (в крайних рядах при отсутствии окаймляющих уголков amax ≤ 12t = 12*14 = 168 мм, где t – толщина наиболее тонкого наружного элемента), и условием плотности соединения
Минимальное расстояние от центра болта до края элемента для высокопрочных болтов в любом направлении усилия
Принимаем с = 50 мм.
Ширина верхней накладки пояса bnf принимается равной ширине пояса
bf = 530 мм; ширина каждой нижней накладки пояса
Требуемая площадь сечения накладки определится
Толщина каждой накладки пояса определяется
Принимаем верхнюю накладку из листа 68053014 мм площадью сечения Аnf = 74,2 см2; и две нижних из листа 68023014 мм с площадью сечения
Суммарная площадь накладок
Горизонтальные болты располагаем в 6 рядов на одной полунакладке.
Две вертикальные накладки, перекрывающие стенку балки, по длине (высоте) выполняются с учетом расстояния между краем накладки и поясом, которое включает в себя толщину горизонтальных поясных накладок tnf и конструктивный зазор = 6…15 мм
Толщина одной вертикальной накладки tnw принимаем равной толщине стенки tw за вычетом 2 мм. tnw = 10 мм.
Максимальное расстояние между крайними горизонтальными рядами болтов с учетом с = 50 мм
Расчет стыка стенки. Расчетный момент, приходящийся на стенку, уравновешивается суммой внутренних пар усилий, действующих на болты. Максимальное горизонтальное усилие Nmax от изгибающего момента, действующее на каждый крайний наиболее напряженный болт, не должно быть больше несущей способности Qbh.
Условие прочности соединения
где ai – соответствующие расстояния между парами сил, возникающих в болтах (рис.14);
m – число вертикальных рядов болтов на полунакладке.
Для определения числа рядов болтов по вертикали k и назначения их шага а вычисляем коэффициент стыка
Находим число рядов при = 2,19 по таблице.
Принимаем k = 11 и = 2,2 2,19.
Определяем шаг болтов по вертикали
















