62191 (611447)
Текст из файла
Московский Государственный Технический Университет
им. Н.Э. Баумана
Курсовая работа
«Анализ и синтез электрических фильтров »
Калуга
Содержание
1. Задание
2. Разложение периодического сигнала на гармоники
3. Расчет фильтра для полосы частот с согласованием его на выходе с сопротивлением нагрузки Rн.
4. Расчет передаточной функции по напряжению Ku(p), графики АЧХ и ФЧХ фильтра.
5. Вычислить и построить график выходного напряжения фильтра при полученном в пункте 2 периодическом входном сигнале.
6. Выполнить расчет переходной характеристики фильтра и интеграла от нее с учетом сопротивления нагрузки.
7.Считая, что на входе фильтра действует одиночный импульс той же формы, что и в пункте 2, вычислить его воздействие и построить график этого отклика. Сравнить его с выходным сигналом полученным в пункте 5.
8. Вывод
9. Список использованной литературы.
Приложение.
-
Задание
-
Получить от преподавателя вариант задания, состоящего из типа фильтра и типа испытательного сигнала.
-
Испытательный сигнал разложить в тригонометрический ряд Фурье, используя пакет MATLAB 6.5(7.0) и m-file: Fourier.m .
-
Для заданного варианта рассчитать фильтр, обеспечив его согласование на выходе с сопротивлением нагрузки
. -
Для полученного фильтра составить выражение для передаточной функции по
напряжению
и по ней с помощью пакета MATLAB 6.5(7.0) и m-file: afchx.m вычислить и построить графики АЧХ и ФЧХ. -
Вычислить и построить график выходного напряжения фильтра при полученном в пункте 2 периодическом входном сигнале. При этом необходимо использовать значения АЧХ и ФЧХ, найденные в пункте 4.
-
Выполнить расчет переходной характеристики фильтра и интеграла от нее с учетом сопротивления нагрузки.
-
Считая, что на входе фильтра действует одиночный импульс той же формы, что и в пункте 2, вычислить с помощью интеграла Дюамеля отклик на его воздействие и построить график этого отклика. Сравнить его с выходным сигналом, полученным в пункте 5.
-
Оформить пояснительную записку в соответствии с установленными требованиями.
Задание:
Таблица 1.1
| № | Тип фильтра | Граничные частоты |
|
|
|
| 0 | ЗФ типа К, Г - обр. с П-обр.входом |
| 1000 | 100 | 80 |
Тип испытательного сигнала № 8 (рис 1.1)
Рис 1.1 Испытательный сигнал
2. Разложение периодического сигнала на гармоники
В данном случае необходимо разложить периодический сигнал (напряжения) в тригонометрический ряд Фурье.
,
где
,
,
- период,
,
- функции, составляющие ортогональный базис.
Разложение справедливо для периодических функций (
), заданных на всей числовой оси
до
.
Данную функцию нельзя разложить в тригонометрический ряд Фурье, так как она не периодическая. Доопределим данную функцию на всю числовую ось (рис. 2.1). В данном случае функция не является ни чётной, ни нечётной. Для такого сигнала справедливо общее разложение, содержащее постоянную составляющую, косинусы и синусы.
Кроме периодичности полученная функция удовлетворяет всем условиям теоремы Дирихле:
-
она непрерывна на отрезке
и имеет конечное число точек разрыва первого рода; -
она имеет конечное число экстремумов на этом отрезке.
Следовательно, к полученной функции можно применить разложение в тригонометрический ряд Фурье.
Рис. 2.1
Запишем аналитическое выражение для данной функции:
Вычислим с помощью пакета MATLAB 6.5(7.0) и m-file: Fourier.m коэффициенты Фурье
для двадцати гармоник.
Таблица 2.1
Результатов вычислений:
| Коэффициенты Фурье для данной функции F(x), заданной графически на отрезке [0,T]. | |
| Коэффициенты | Коэффициенты |
| A(0)= 75.000 A(1)= -20.264 A(2)= -10.132 A(3)= -2.252 A(4)= -0.000 A(5)= -0.811 A(6)= -1.126 A(7)= -0.414 A(8)= -0.000 A(9)= -0.250 A(10)= -0.405 A(11)= -0.167 A(12)= -0.000 A(13)= -0.120 A(14)= -0.207 A(15)= -0.090 A(16)= -0.000 A(17)= -0.070 A(18)= -0.125 A(19)= -0.056 A(20)= -0.000 | B(1)= 52.095 B(2)= -15.915 B(3)= 8.359 B(4)= -7.958 B(5)= 7.177 B(6)= -5.305 B(7)= 4.134 B(8)= -3.979 B(9)= 3.787 B(10)= -3.183 B(11)= 2.726 B(12)= -2.653 B(13)= 2.568 B(14)= -2.274 B(15)= 2.032 B(16)= -1.989 B(17)= 1.943 B(18)= -1.768 B(19)= 1.619 B(20)= -1.592 |
Частота первой гармоники:
.
Таким образом мы получили разложение:
.
Рис 2.2 График напряжения на входе
-
-
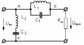
Расчет фильтра для полосы частот с согласованием его на выходе с сопротивлением нагрузки Rн.
Под электрическим фильтром будем понимать пассивный четырёхполюсник, пропускающий некоторую определённую полосу частот с малым затуханием и подавляющий все остальные частоты.
Полоса частот, для которых затухание мало, называется полосой пропускания или полосой прозрачности. Остальные частоты составляют полосу подавления или полосу непрозрачности.
Заградительный фильтр (ЗФ) - пропускают сигналы в диапазоне частот от 0 до 1 и от 2 до .
Рис. 3.1 Схема ЗФ
Рассчитаем параметры элементов фильтра с учётом поставленной задачи:
т.е.
Частота среза:
;
;
.
Формулы для расчета и полученные значения элементов фильтра.
;
;
;
.
Уточним полученные параметры по следующим формулам :
;
;
;
.
Таким образом получаем:
;
4. Расчет передаточной функции по напряжению Ku(p), графики АЧХ и ФЧХ фильтра.
Составим для полученного фильтра выражение для передаточной функции по напряжению K(p). Для этого нагрузим полученный фильтр со стороны выхода нагрузкой
, предполагая что на вход подается напряжение
, а на выходе при этом получается
:
;
Для определения передаточной функции найдем комплексные сопротивления:
Передаточная функция приобретает следующий вид:
Запишем передаточную функцию в численном виде(с учетом замены j на p) :
Рис 4.1 График АЧХ.
Рис 4.2 График ФЧХ.
Таблица 4.1
Таблица значений АЧХ и ФЧХ
| | | |
| 0.000 10.000 20.000 30.000 40.000 50.000 60.000 70.000 80.000 90.000 100.000 110.000 120.000 130.000 140.000 150.000 160.000 170.000 180.000 190.000 200.000 210.000 220.000 230.000 240.000 250.000 260.000 270.000 280.000 290.000 300.000 310.000 320.000 330.000 340.000 350.000 360.000 370.000 380.000 390.000 400.000 410.000 420.000 430.000 440.000 450.000 460.000 470.000 480.000 490.000 500.000 510.000 520.000 530.000 540.000 550.000 560.000 | 1.000 0.996 0.983 0.959 0.921 0.863 0.775 0.646 0.471 0.264 0.081 0.001 0.046 0.167 0.304 0.427 0.527 0.607 0.669 0.718 0.756 0.788 0.814 0.835 0.852 0.867 0.880 0.891 0.900 0.909 0.916 0.922 0.928 0.933 0.937 0.941 0.945 0.948 0.951 0.954 0.957 0.959 0.961 0.963 0.965 0.967 0.968 0.970 0.971 0.972 0.973 0.975 0.976 0.977 0.977 0.978 0.979 | 0.000 -3.672 -7.497 -11.641 -16.310 -21.765 -28.346 -36.483 -46.639 -59.087 -73.465 -88.471 77.609 65.878 56.516 49.184 43.426 38.847 35.147 32.107 29.570 27.424 25.584 23.990 22.595 21.364 20.268 19.286 18.401 17.598 16.867 16.198 15.583 15.016 14.491 14.003 13.549 13.124 12.727 12.355 12.004 11.674 11.362 11.067 10.788 10.523 10.271 10.031 9.803 9.585 9.377 9.178 8.988 8.806 8.631 8.463 8.302 |
5. Вычислить и построить график выходного напряжения фильтра при полученном в пункте 2 периодическом входном сигнале.
Для построения графика выходного напряжения необходимо взять разложение входного сигнала в ряд Фурье, найти отклики на каждую гармонику входного сигнала, а затем их сложить.
Характеристики
Тип файла документ
Документы такого типа открываются такими программами, как Microsoft Office Word на компьютерах Windows, Apple Pages на компьютерах Mac, Open Office - бесплатная альтернатива на различных платформах, в том числе Linux. Наиболее простым и современным решением будут Google документы, так как открываются онлайн без скачивания прямо в браузере на любой платформе. Существуют российские качественные аналоги, например от Яндекса.
Будьте внимательны на мобильных устройствах, так как там используются упрощённый функционал даже в официальном приложении от Microsoft, поэтому для просмотра скачивайте PDF-версию. А если нужно редактировать файл, то используйте оригинальный файл.
Файлы такого типа обычно разбиты на страницы, а текст может быть форматированным (жирный, курсив, выбор шрифта, таблицы и т.п.), а также в него можно добавлять изображения. Формат идеально подходит для рефератов, докладов и РПЗ курсовых проектов, которые необходимо распечатать. Кстати перед печатью также сохраняйте файл в PDF, так как принтер может начудить со шрифтами.
.
и по ней с помощью пакета MATLAB 6.5(7.0) и m-file: afchx.m вычислить и построить графики АЧХ и ФЧХ.
и имеет конечное число точек разрыва первого рода;














