62190 (611446), страница 2
Текст из файла (страница 2)
:
.
Несобственный интеграл сходится, поскольку асимптотически ВЧХ U() 0 при
. Для ускорения расчетов обычно обрезают верхний предел интеграла по предельному значению частоты ωе, полученному из анализа формы АЧХ замкнутой системы. Однако этот, достаточно удобный, метод пригоден для расчета переходных процессов только в устойчивых линейных системах и отличается невысокой скоростью сходимости.
После составления структурной схемы модели перед запуском вычислительной процедуры подобрали параметры интегрирования системы уравнений (время процесса и шаг интегрирования).
После построения графика переходного процесса следует определили параметры, характеризующие качество переходного процесса: время регулирования (время вхождения регулируемой величины в 5% трубку значений, относительно установившегося значения), динамический заброс и колебательность. Из рис.13 видно, что:
время регулирования составляет - в первом случае -порядка 80,8с, во втором случае - порядка 10,7 с, а в третьем - около 4,2 с;
максимальный динамический заброс - в первом случае равен 1,6, во втором - 1,55, а в третьем - 1,52;
колебательность - в первом случае равна 93%, во втором-53%, а в третьем -25%
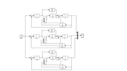
Рис.12 Структурная схема, составленная в пакете визуальногомо делирования
Simulink, для расчетов переходных процессов в исследуемой системе.
Рис.13. Результат моделирования переходных процессов для значений варьируемого коэффициента передачи k: 1 - 2.507; 2 - 1.567; 3 - 0.313
Вывод
В данной расчетно-графической работе нами была найдена по заданной структурной схеме и известным выражениям для передаточных функций динамических звеньев передаточная функция замкнутой САУ. В пакетах программ MATHCAD и MATHLAB мы провели исследование устойчивости системы (система оказалась устойчивой); провели частотный анализ системы (построили графики АЧХ, ФЧХ и КЧХ). Затем был произведен расчет переходных процессов в системе, после чего промоделировали переходной процесс для значений варьируемого коэффициента передачи k.
















