50402 (610109)
Текст из файла
Размещено на http://www.allbest.ru/
Мiністерство освiти та науки України
Нацiональний унiверситет "Львiвська Полiтехнiка"
Кафедра САПР
Пояснювальна записка
До курсової роботи
з курсу "Комп’ютери та мікропроцесорні системи"
ПРИСТРІЙ МІКРОПРОЦЕСОРНОЇ ОБРОБКИ АНАЛОГОВОЇ ІНФОРМАЦІЇ
Керiвник:Теслюк В.М.Виконав:
Cтудент: Зелінський Андрій Я.
Прийняв
Панчак Р.Т.
ЛЬВІВ -2005
Завдання на курсовий проект студента
Тема проекту: “Пристрій мікропроцесорної обробки аналогової інформації”
Постановка задачі: Розробити компоненти технічного і програмного забезпечення мікропроцесорного пристрою на базі МП КР580ВМ80, який включає аналогово-цифровий і цифро-аналоговий перетворювачі і виконує функцію цифрової обробки аналогової інформації. Обробка описується заданим пропорційно-інтегро-диференціальним рівнянням, що пов’язує аналогові сигнали x(t) на вході і y(t) на виході системи.
Визначення варіантів індивідуального завдання:
Номер залікової книжки студента: 0308356
-
Для таблиці 1 (k=20) порядковий номер варіанта буде:
L1={([56/20]+{ 56/20})/20}+1=18+1=19;
-
Для таблиці 2 (k=3) порядковий номер варіанта буде:
L2={([56/3]+{ 56/3})/3}+1=2+1=3;
-
Для таблиці 3 (k=2) порядковий номер варіанта буде:
L3={([56/2]+{ 56/2})/2}+1=0+1=1;
-
Для таблиці 4 (k=17) порядковий номер варіанта буде:
L4={([56/17]+{ 56/17})/17}+1=8+1=9;
Для таблиці 5 (k=14) порядковий номер варіанта буде:
L5={([56/14]+{ 56/14})/14}+1=4+1=5;
-
Для таблиці 6 (k=11) порядковий номер варіанта буде:
L6={([56/11]+{ 56/11})/11}+1=6+1=7;
Початкові дані
-
функціональна залежність:
-
розрядність АЦП - 10;
-
полярність вхідного сигналу: однополярний(невід’ємні);
-
організація обміну з АЦП - через переривання з RST6 використовуючи режим 1 роботи контролера КР580ВВ55;
-
об’єм ОЗП і організація мікросхеми пам’яті – 8K використовуючи мікросхеми пам’яті з організацією 4096x1
-
вид функціонального вузла: постійний запам’ятовуючий пристрій
Анотація
Зелінський Андрій Ярославович
“Пристрій мікропроцесорної обробки аналогової інформації”. Курсова робота. - НУ “Львівська політехніка”, каф.: САПР, дисципліна: “Комп’ютери і мікропроцесорні системи”, 2005.
Кусова робота складається з 37 сторінок, 10 таблиць, 21 схем, 2 додатків.
В даній курсовій роботі розроблено компоненти апаратного і програмного забезпечення мікропроцесорного пристрою, який включає аналого- і цифро-аналогові перетворювачі і виконує обробку за функціональною залежністю
аналогового сигналу. Дана робота охоплює ввід і первинну обробку аналогової інформації, подальшу цифрову обробку інформації за програмою і вхідними даними, а також вивід обробленої інформації в аналоговій формі для подальшого використання.
програмний мікропроцесорний перетворювач фільтр
Зміст
Перелік умовних скорочень
Вступ
1. Синтез аналогової схеми фільтру
1.1 Виведення рівняння цифрового фільтра
1.2 Побудова структурної схеми апаратної реалізації цифрового фільтра
1.3 Побудова аналогової схеми, що описується даним рівнянням
2. Вибір та обгрунтування типу АЦП і ЦАП
2.1 Вибір типу АЦП та принципова схема підключення АЦП до МПП
2.2 Вибір типу ЦАП та принципова схема підключення ЦАП до МПП
2.3 Структура представлення даних
3. Структурна схема та алгоритм функціонування МПП
3.1 Опис структурної схеми МПП
3.2 Розподіл адресного простору
3.3 Алгоритм функціонування МПП
4. Загальна структура програми роботи МПП
4.1 Опис програми вводу, виводу
4.2 Опис програми обробки інформації
4.3 Оцінка верхньої фінітної частоти вхідного аналогового сигналу
5. Реалізація блоку ОЗП для МПС розміром 8К на елементах 4096x1
6. Опис постійних запам’ятовуючих пристроїв
Висновок
Список літератури
Перелік умовних скорочень
МПП – мікропроцесорний пристрій;
МПС – мікропроцесорна система;
МП – мікропроцесор;
ГТІ – генератор тактових імпульсів;
ПЗП – постійний запам’ятовуючий пристрій;
ППЗП – програмований постійний запам’ятовуючий пристрій;
ЕППЗП- електрично програмований постійний запам’ятовуючий пристрій;
ОЗП – оперативний запам’ятовуючий пристрій;
АД – адресний дешифратор
СК – системний контролер;
АЦП – аналогово-цифровий перетворювач;
ЦАП – цифро-аналоговий перетворювач;
СШ – системна шина.
ШД – шина даних;
ША – шина адрес;
ШК – шина керування.
РШ – розрядна шина
Вступ
Цифрові фільтри є найбільш поширеним елементом систем цифрової обробки сигналів. Порівняно невисока швидкодія багатьох мікропроцесорних комплектів ВІС і послідовний принцип обробки інформації в мікро-ЕОМ обмежеють їх застосування для реалізації цифрових фільтрів в реальному масштабі часу. Збільшення продуктивності та швидкодії мікропроцесорних пристроїв цифрової обробки сигналів потребує додаткових апаратних ресурсів. У багатьох системах цифрова фільтрація являється лише частиною складного комплексу задач обробки інформації і додаткові апаратні затрати недоцільні. Тоді буває корисним застосування табличних способів представлення алгоритмів, які зменшують час обробки за рахунок збільшення програмних ресурсів
Цифрові фільтри мають ряд переваг порівняно з аналоговими, побудованими на резисторах, конденсаторах та підсилювачах:
-
Нечутливість характеристик фільтра до розкиду параметрів елементів, що входять до його складу, їх часовому і температурному дрейфам.
-
Малі розміри та висока надійність роботи фільтра, пов’язані з використанням ВІС.
-
Легкість зміни параметрів і характеристик цифрового фільтра, що при використанні МП здійснюється модифікацією програмного забезпечення або таблиць коефіцієнтів.
-
Можливість реалізації адаптивних фільтрів, тобто фільтрів з параметрами, що змінюються в процесі роботи.
На нинішній час важко назвати області і сфери людської діяльності, де б не застосовувались мікропроцесорні системи. Основними з них є: науково-технічні розрахунки, автоматизовані системи управління виробництвом, обробка даних і зв’язок, системи автоматизації наукових експериментів, системи автоматизації проектування.
В даній роботі розробляється мікропроцесорний пристрій системи автоматичного регулювання на базі МПК К580, який здійснює прийом, обробку і видачу сигналів.
-
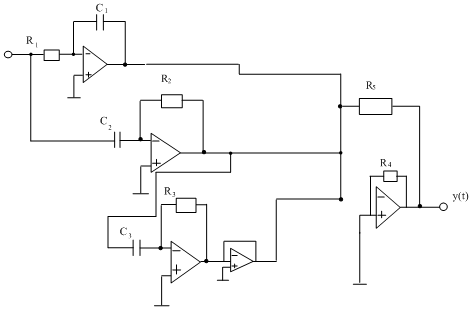
Побудова аналогової схеми, що описується даним рівнянням
На основі вихідного рівняння будуємо аналогову схему цифрового фільтру з використанням операційних підсилювачів.
Прості функціональні залежності на ОП.
Побудова аналоговой схеми фільтру на операційному підсилювачі:
Задана функціональна залежність:
x(t) – вхідний аналоговий сигнал;
y(t) – вихідний аналоговий сигнал;
– частота;
С
-
+
-
+
-
+
x(t)
хема 1.1 Функціональна схема аналогового фільтруНа основі схеми 1:
2. Синтез структурної схеми фільтру
Виведення рівняння цифрового фільтра
Задана функціональна залежність:
Для часової дискретизації використаємо наближені рівності
.
При підстановці цих величин у вихідне рівняння одержимо:
Винесемо за дужки спільні множники:
Виконаємо заміну :
Нехай
,
,
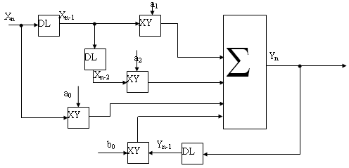
Тоді остаточно рівняння цифрового фільтру набуде вигляду:
Отже, фільтр є рекурсивним, оскільки в правій частині рівняння присутні члени виду
Побудова структурної схеми апаратної реалізації цифрового фільтра
Схема 2.1 Структурна схема реалізації рівняння цифрового фільтра, де: DL – елемент затримки, ХY – елемент множення, ∑ – суматор
2. Вибір та обгрунтування типу АЦП і ЦАП
2.1 Вибір типу АЦП
У відповідності з умовами даної роботи для цифрового фільтру потрібно використати 12-розрядний АЦП і 16-розрядний ЦАП.
При розгляді ЦАП і АЦП мають місце наступні критерії:
-
Час перетворення.
-
Похибка перетворення.
-
Складність застосування.
-
Поширеність.
В якості мікросхеми АЦП з 12-розрядним вихідним сигналом для даного цифрового фільтра виберемо 12-розрядний АЦП К572ПВ1А, що має наступні характеристики:
| Розрядність | 12 |
| Час перетворення, мкс. | 170 |
| Вхідна напруга, В | 5 |
Напівпровідникова ВІС функціонально завершеного АЦП призначена для використання в електронній апаратурі в складі блоків аналогового вводу.Мікросхема виконує функцію 12-розрядного аналого-цифрового перетворення однополярного і біполярного вхідного сигналу з представленням результатів перетворення в паралельному двійковому коді. Мікросхема випускається у 48-вивідному металкерамічному герметичному корпусі типу 4434.48-2 з вертикальним розміщенням виводів.
Позначення АЦП АЦП К572ПВ1А на схемі електричній принциповій
Призначення виводів мікросхеми К572ПВ1А:
| Виводи | Призначення |
| 1 | Послідовний вхід |
| 2 | Вхід управління СР |
| 3 | +5В |
| 4-15 | D0-D11 |
| 16 | Вхід управління МР |
| 17 | Вхід управління режимом |
| 22 | Вихід “Цикл” |
| 23 | Вхід порівняння |
| 24 | -15В |
| 25 | Вхід ТІ |
| 26 | Вихід “Кінець перетворення” |
| 27 | Вхід “Запуск” |
| 28 | Вхід “Цикл” |
| 29 | Вхід стробування ЦАП |
| 30 | Цифрова земля |
| 31 | Кінцевий вивід матриці R-2R |
| 32 | Спільний вивід резисторів 1,2 |
| 40 | Вивід регістра 1 |
| 41 | Вивід регістра 2 |
| 42 | Опорне навантаження |
| 43 | Аналоговий вхід 1 |
| 44 | Аналоговий вхід 2 |
| 45 | Спільний вивід резисторів аналогових вх. 1,2 |
| 46 | Аналоговий вихід 1 |
| 47 | Аналоговий вихід 2 |
| 48 | Анагогова земля |
Встановлення АЦП у вихідний стан і запуск його в режим перетворення здійснюється з допомогою входу “гашення/перетворення”. При поступанні на вхід “гашення/перетворення” рівня логічного нуля АЦП починає перетворення вхідної інформації. Через час, необхідний для перетворення на виході АЦП “готовність даних” з’являється сигнал з рівнем логічної одиниці, що сигналізує про готовність виводу даних з АЦП в МПП. МПП, прийнявши дані, встановлює на вході “гашення/перетворення” рівень логічної одиниці, що “гасить” інформацію, що є в регістрі послідовного наближення, і АЦП знову готовий до прийому, опрацювання вхідних даних
Запуск АЦП здійснюється видачею 0 в розряд C7 (сигнал “гашення/перетворення”) каналу С ППІ.Оскільки згідно умови мені необхідно використати режим 1 роботи ППІ , то в складі МПП потрібно використати 2 мікросхеми ППІ, причому одну з них запрограмувати на ввід через канали А та В , а другу – на вивід. Запуск АЦП будемо здійснювати з використанням порта С 1-шої ППІ. По закінченні перетворення на вході “готовніть даних” з’являється сигнал логічна “1”, який подається на вхід розряду С2 каналу С ППІ .
Характеристики
Тип файла документ
Документы такого типа открываются такими программами, как Microsoft Office Word на компьютерах Windows, Apple Pages на компьютерах Mac, Open Office - бесплатная альтернатива на различных платформах, в том числе Linux. Наиболее простым и современным решением будут Google документы, так как открываются онлайн без скачивания прямо в браузере на любой платформе. Существуют российские качественные аналоги, например от Яндекса.
Будьте внимательны на мобильных устройствах, так как там используются упрощённый функционал даже в официальном приложении от Microsoft, поэтому для просмотра скачивайте PDF-версию. А если нужно редактировать файл, то используйте оригинальный файл.
Файлы такого типа обычно разбиты на страницы, а текст может быть форматированным (жирный, курсив, выбор шрифта, таблицы и т.п.), а также в него можно добавлять изображения. Формат идеально подходит для рефератов, докладов и РПЗ курсовых проектов, которые необходимо распечатать. Кстати перед печатью также сохраняйте файл в PDF, так как принтер может начудить со шрифтами.
















