50366 (610094)
Текст из файла
Размещено на http://www.allbest.ru/
Федеральное агентство по образованию РФ
ГОУ ВПО
"Московский Государственный Текстильный Университет им. А.Н. Косыгина"
ФИТАЭ
Кафедра автоматики и промышленной электроники
Курсовая работа
Тема: "Синтез астатических систем"
Дисциплина: "Теория Автоматического Управления"
Москва 2009
Исходные данные:
ПИ-закон
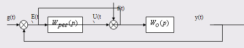
1. По заданной системе уравнений получить передаточную функцию объекта управления и составить структурную схему замкнутой САУ, считая регулятор звеном с входной величиной Е, выходной U и передаточной функцией
2. Выбрать регулятор таким образом, чтобы система обладала свойством астатизма по отношению к постоянному задающему g(t) и возмущающему f(t) воздействию.
Для того чтобы система обладала астатизмом необходимо выполнение условия – величина установившейся ошибки по заданию и возмущению должна быть равна 0. Проверим это условие на регуляторах:
-
Выбираем П – регулятор
Т.к. величина установившейся ошибки не равна нулю, то система не обладает астатизмом,, а следовательно считать ошибку по каналу f-E нет необходимости.
-
Выбираем И – регулятор
Обе ошибки равны нулю следовательно система с И - регулятором является астатической. Данный регулятор нам подходит
-
Проверим наш ПИ – регулятор
Система так же является астатической, что является тем, что выбранный нами ПИ – регулятор подходит к условию задания.
3. Найти область значений постоянной времени регулятора для И – закона управления, обеспечивающих устойчивость системы.
Найдем передаточную функцию замкнутой системы по каналу g-y и затем выделим ее характеристическое уравнение.
Характеристическое уравнение Q(p):
Уравнение 3 порядка, следовательно, для устойчивости системы необходимо чтобы произведение внутренних коэффициентов характеристического уравнения было больше произведения внешних коэффициентов.
Следовательно область значений
для И – закона можно определить интервалом
.
4. Для И – закона регулирования найти минимальную возможную величину установившейся ошибки, если g(t)=2t и f(t)=-3t.
Для определения минимальной установившейся ошибки нам необходимо узнать при каком значении постоянной времени система находится на границе устойчивости. Для этого отыщем передаточную функцию и характеристическое уравнение системы с И – регулятором. И затем найдем значение
Находим значение постоянной времени на границе устойчивости:
Найдем величину установившейся ошибки при g(t)=2t и f(t)=-3t
Поскольку задающее воздействие у нас g(t)=2t, то используя преобразование Лапласа получаем:
тогда величина установившейся ошибки будет
Подставляем полученное значение
и получаем
Найдем ошибку по каналу f-E
Подставляем
и получаем
Тогда
5. Построить, с использованием ЭВМ, область устойчивости, на плоскости, параметров регулятора при использовании ПИ – закона, обосновать возможность и путь получения допустимой установившейся ошибки при
и
.
Для построение области устойчивости необходимо найти характеристическое уравнение передаточной функции для данного регулятора.
Отсюда:
Запишем условие, при котором система находится на границе устойчивости:
Выразим зависимость
от
Строим область устойчивости по по лученной зависимости:
| Ти | Кп |
| 0,01 | 4,00 |
| 0,02 | 1,50 |
| 0,03 | 0,67 |
| 0,04 | 0,25 |
| 0,05 | 0,00 |
| 0,06 | -0,17 |
| 0,07 | -0,29 |
| 0,08 | -0,38 |
| 0,09 | -0,44 |
Таким образом выбирая значения параметров регулятора над границей устойчивости – мы получаем устойчивую систему, и наоборот.
6. Вычислить значения параметров ПИ – регулятора, обеспечивающих устойчивость и установившуюся ошибку в системе = 0,06 при g(t)=2t и f(t)=0
Поскольку возмущение f(t)=0, то
. Найдем
:
для этого найдем передаточную функцию замкнутой системы по каналу g-E
По условию
, тогда подставим это значение в получившееся выражение:
Таким образом для получения в системе установившейся ошибке равной 0,06 необходимо задать параметру постоянной времени значение 0,03.
7. Для интегрального закона регулирования и начальных условий
, выбрать оптимальное значение постоянной времени регулятора по критерию:
(Рассматривается движение в системе при g(t)=f(t)=0 и ненулевых начальных условиях).
Для решения мы будем использовать метод Мондельштама. Для этого нам необходимо найти передаточную функцию замкнутой системы и взять характеристическое уравнение:
Получаем уравнение:
Поочередно умножаем его на
и на Е
Интегрируем полученное уравнение по частям
Получаем:
Интегрируем полученное уравнение по частям
Получаем:
Из полученных уравнений составим систему уравнений:
Выбираем
=1,054
8. Для найденного в пункте 7 значения постоянной времени регулятора построить с помощью ЭВМ вещественную частотную характеристику P(ω), приняв входным воздействием g(t) и входной координатой E(t)/
Для нахождения вещественной характеристики нам понадобится передаточная функция замкнутой системы по каналу g-y.
Перейдем в частотную область p=jω:
Домножаем на сопряженное знаменателю число и получаем:
Отделяем действительную часть U(ω):
При
=1,054
| w | p(w) |
| 0 | 1 |
| 0,1 | 1,010058 |
| 0,2 | 1,039191 |
| 0,3 | 1,079471 |
| 0,4 | 1,099022 |
| 0,5 | 0,997092 |
| 0,6 | 0,58593 |
| 0,7 | -0,06976 |
| 0,8 | -0,48243 |
| 0,9 | -0,56794 |
| 1 | -0,5208 |
| 1,1 | -0,44696 |
| 1,2 | -0,3782 |
| 1,3 | -0,32081 |
| 1,4 | -0,27428 |
| 1,5 | -0,23666 |
| 1,6 | -0,20606 |
| 1,7 | -0,18095 |
| 1,8 | -0,16013 |
| 1,9 | -0,14269 |
| 2 | -0,12796 |
| 2,5 | -0,08003 |
| 3 | -0,05481 |
| 3,5 | -0,03991 |
| 4 | -0,03037 |
| 4,5 | -0,02389 |
| 5 | -0,01929 |
| 5,5 | -0,0159 |
| 6 | -0,01334 |
9. По вещественной характеристике P(ω) пункта 8 построить переходной процесс E(t) при единичном ступенчатом изменении g(t) и нулевых начальных условиях методом трапециидальных частотных характеристик.
Для построения переходного процесса нам необходимо разбить получившуюся вещественную характеристику на трапеции и построить переходный процесс для каждой из полученных трапеций.
| R(0) | Wo | Wd | æ | ||
| I | - | 0,099021688 | 0,38 | 0,1 | 0,263158 |
| II | + | 1,666965285 | 0,88 | 0,43 | 0,488636 |
| III | - | 0,567943597 | 6 | 0,95 | 0,158333 |
1-я трапеция
| t табл | h(æ) | t=t табл/Wo | h=R(0)*h(æ) |
| 0 | 0 | 0 | 0 |
| 0,5 | 0,199 | 1,315789474 | -0,019705316 |
| 1 | 0,386 | 2,631578947 | -0,038222372 |
| 1,5 | 0,56 | 3,947368421 | -0,055452145 |
| 2 | 0,709 | 5,263157895 | -0,070206377 |
| 2,5 | 0,833 | 6,578947368 | -0,082485066 |
| 3 | 0,928 | 7,894736842 | -0,091892127 |
| 3,5 | 0,994 | 9,210526316 | -0,098427558 |
| 4 | 1,039 | 10,52631579 | -0,102883534 |
| 4,5 | 1,057 | 11,84210526 | -0,104665924 |
| 5 | 1,067 | 13,15789474 | -0,105656141 |
| 5,5 | 1,067 | 14,47368421 | -0,105656141 |
| 6 | 1,054 | 15,78947368 | -0,104368859 |
| 6,5 | 1,043 | 17,10526316 | -0,103279621 |
| 7 | 1,035 | 18,42105263 | -0,102487447 |
| 7,5 | 1,025 | 19,73684211 | -0,10149723 |
| 8 | 1,024 | 21,05263158 | -0,101398209 |
| 8,5 | 1,022 | 22,36842105 | -0,101200165 |
| 9 | 1,025 | 23,68421053 | -0,10149723 |
| 9,5 | 1,027 | 25 | -0,101695274 |
| 10 | 1,027 | 26,31578947 | -0,101695274 |
| 10,5 | 1,028 | 27,63157895 | -0,101794295 |
| 11 | 1,025 | 28,94736842 | -0,10149723 |
| 11,5 | 1,021 | 30,26315789 | -0,101101144 |
| 12 | 1,015 | 31,57894737 | -0,100507013 |
| 12,5 | 1,01 | 32,89473684 | -0,100011905 |
| 13 | 1,005 | 34,21052632 | -0,099516797 |
| 13,5 | 1 | 35,52631579 | -0,099021688 |
| 14 | 0,997 | 36,84210526 | -0,098724623 |
| 14,5 | 0,996 | 38,15789474 | -0,098625601 |
| 15 | 0,995 | 39,47368421 | -0,09852658 |
| 15,5 | 0,995 | 40,78947368 | -0,09852658 |
| 16 | 0,995 | 42,10526316 | -0,09852658 |
| 16,5 | 0,995 | 43,42105263 | -0,09852658 |
| 17 | 0,995 | 44,73684211 | -0,09852658 |
| 17,5 | 0,995 | 46,05263158 | -0,09852658 |
| 18 | 0,995 | 47,36842105 | -0,09852658 |
| 18,5 | 0,994 | 48,68421053 | -0,098427558 |
| 19 | 0,992 | 50 | -0,098229515 |
| 19,5 | 0,991 | 51,31578947 | -0,098130493 |
| 20 | 0,991 | 52,63157895 | -0,098130493 |
Характеристики
Тип файла документ
Документы такого типа открываются такими программами, как Microsoft Office Word на компьютерах Windows, Apple Pages на компьютерах Mac, Open Office - бесплатная альтернатива на различных платформах, в том числе Linux. Наиболее простым и современным решением будут Google документы, так как открываются онлайн без скачивания прямо в браузере на любой платформе. Существуют российские качественные аналоги, например от Яндекса.
Будьте внимательны на мобильных устройствах, так как там используются упрощённый функционал даже в официальном приложении от Microsoft, поэтому для просмотра скачивайте PDF-версию. А если нужно редактировать файл, то используйте оригинальный файл.
Файлы такого типа обычно разбиты на страницы, а текст может быть форматированным (жирный, курсив, выбор шрифта, таблицы и т.п.), а также в него можно добавлять изображения. Формат идеально подходит для рефератов, докладов и РПЗ курсовых проектов, которые необходимо распечатать. Кстати перед печатью также сохраняйте файл в PDF, так как принтер может начудить со шрифтами.
















