49859 (609333)
Текст из файла
Введение
Процесс проектирования представляет собой целенаправленную последовательность действий по реализации проектных решений (к которым приводят проектные процедуры: математическое моделирование, оптимизация, компоновка объектов), приводящие к созданию описания объекта проектирования, достаточного для изготовления объекта и его эксплуатации в заданных условиях.
Особенностью автоматизированного проектирования является то, что в ходе проектирования происходит постоянный диалог человека и специального оборудования.
Данная курсовая работа посвящена автоматизированному проектированию сложных систем, которые характеризуются иерархией, многообразием связей между элементами, многократным изменением состояния, множеством показателей качества и критериев. Отдельные части сложных систем могут рассматриваться как система.
Задачей этой курсовой работы является автоматизирование расчетных задач проектирования (решение систем уравнений, построение графиков зависимости, оптимизация, модели объектов) и конструкторских задач проектирования (проектирование компьютерного офиса на основании исходных данных: оборудования, темы) с использованием компьютера и компьютерных программ (MS Excel, MS Word, MathCAD, 3DHome Architect).
В основу разработки данной курсовой работы войдёт проектирование компьютерного офиса частной компании занимающегося предоставлением физическим лицам интернет услуг. Спектр услуг колеблется от поиска необходимой информации до программирования сайтов.
1. Автоматизация расчетных задач проектирования
1.1 Задание 1.1
Модель объекта представлена системой линейных уравнений:
Определить неизвестные переменные(Xi)
1) используя функцию MathCAD Find;
2) используя средства Excel.
Решение в Excel.
Для того чтобы решить данную систему уравнений удобно использовать команду Поиск решения меню Сервис. Для начала формируется таблица начальных данных:
| Неизвестные: | Результат: | Целевая функция: | |
| x1= | 2,8 | =B2+2*B3+3*B4+4*B5 | |
| x2= | 2,8 | Ограничения: | значения |
| x3= | 4,8 | =2*B2+3*B3+4*B4+B5 | 34 |
| x4= | 0,8 | =3*B2+4*B3+B4+2*B5 | 26 |
| =4*B2+B3+2*B4+3*B5 | 26 |
Для начальных Xi задаем первое приближение равное 0. После этого запускаем инструмент Поиска решений.
Механизм действия этой утилиты следующий:
-
задаемся какой-либо целевой функцией, и в поле установить целевую ячейку, выбираем ячейку, в которой записана формула (в нашем случае это первое уравнение системы, ячейка С2).
-
выбираем переменные, которые будем изменять, и заносим ячейки, в которых они расположены – в поле, изменяя ячейки (в нашем случае это значения Xi в ячейках В2:В5).
-
задаемся ограничениями и вносим их в список ограничений в соответствующие поля (в нашем случае ограничения – остальные уравнения системы).
После настройки этих параметров необходимо выбрать значение, которому должна равняться целевая функция, либо установить поиск минимального, максимального значения.
Выполнив данные операции, было получено следующее решение:
| x1= | 2,8 |
| x2= | 2,8 |
| x3= | 4,8 |
| x4= | 0,8 |
Для решения данной задачи в MathCAD имеется весьма простое и мощное средство. Система линейных уравнений помешается в блок операторов Given Find, и программа автоматически рассчитывает необходимые величины:
Вывод: Полученные в результате вычислений разными программными продуктами (Excel, MathCAD) значения полностью идентичности, что говорит о достоверности решения.
1.2 Задание 1.2
Преобразовать модель, заданную в виде системы нелинейных уравнений к виду f1 (x) = y и f2 (y)= x. Построить их графики и определить начальное приближение решения. Решить систему нелинейных уравнений.
Решение в Excel.
В данной задаче имеем условие практически идентичное с предыдущим. Разница заключатся в том, что здесь всего два уравнения и две неизвестных. Также нужно отметить, что в этой задаче необходимо построить графики зависимостей y(x) и x(y).
Исследуем эти уравнения. Оба содержат трибометрические функции.
Решение:
Найдем приблизительно, в каких интервалах следует искать точку пересечения y и x. Так как sin и cos находятся в промежутке от -1 до 1, то можно составить следующие неравенства:
-1≤sin (x+2)≤1
-1≤cos (у-2)≤1
После преобразования получим приблизительные интервалы, в которых следует искать решение:
-0,5≤х≤1.5
-2,5≤у≤-0,5
Рисунок 5 – «Подготовка к поиску решения»
Рисунок 6 – Окно «Поиск решения
Рисунок 7 – Результат поиска
Рисунок 9 – Пределы функций
Рисунок 10 – Рисунок «Диаграмма»
Решение в MathCAD.
Для решения данной задачи воспользуемся уже известной структурой Given Find. Далее зададим две зависимости f1 (x), f2 (y) и построим графики.
Проверка.
Подставим в одно из уравнений полученные результаты:
Вывод: Полученные разными способами результаты вычислений идентичны, что свидетельствует о достоверности расчетов. На обоих графиках наглядно видно решение, которое также совпадает с расчетами.
-
Графическое моделирование
-
Теоретическая модель работы офиса
Данная модель разрабатывается для компьютерного офиса частной компании, занимающегося предоставление услуг физическим лицам с сфере интернет.
Т.к. деятельность офиса непосредственно связана с деятельностью в интернете, а значит необходимо наличие сервера и соединенных компьютеров по средствам локальной сети. Спектр услуг довольно широк, из этого следует необходимость в хорошем оборудование. Из всего вышесказанного следует, компьютерный офис из двух компьютеров будут обслуживать два сотрудника:
-
Заведующий или директор
-
Администратор – программист
В обязанности заведующего входят:
-
Анализ поступающих требований и предложений;
-
Разработкой планов и стратегий решения задач;
-
Постановка задач;
-
Контроль выполнения плана.
Для полного состава штата работников офиса необходимо включить 1 человека занимающегося техническими работами и охраной
Подводя итог о составе сотрудников нужно сказать что, полный состав штата состоит из трех человек:
-
Директор;
-
Администратор – программист;
-
Техничка – сторож
План работы офиса
| Дни недели | Время работы | Время перерыва |
| понедельник – пятница | с 9:00 до 20:00 | с 12:00 до 13:00 |
| суббота, воскресенье | с 9:00 до 13:00 | – |
-
План офиса (режим 2D)
План офиса включает следующие комнаты:
-
Коридор;
-
Туалет;
-
Компьютерныйзал;
-
Подсобное помещение
3
Рисунок 31 – План офиса
-
Трёхмерная модель офиса
Эта трёхмерная модель офиса представлена в виде целостной структуры здания имеющего только пол, стены, двери, окна.
Рисунок 32 – двухмерная модель офиса
Полная готовая трёхмерная модель офиса показана на рисунке 2.
Рисунок 33 – Трехмерная модель офиса»
2.4 Список предметов интерьера офиса
1 – Цветы;
2 – Стулья;
3 – Выключатели;
4 – Щит;
5 – Шкафы;
6 – Офисные ящики;
7 – Шкаф для книг;
8 – Телевизор;
9 – Осветительные лампы;
10 – Компьютеры;
11 – Сканер;
12 – Розетки;
13 – Столы;
14 – Окна;
15 – Двери;
16 – Принтеры;
17 – Кресла;
18 – Стулья.
-
Потребление мощности в офисе
Для расчёта потребления мощности электроэнергии офиса целесообразней рассмотреть сначала оборудование офиса. Помимо разнообразных деталей офис будет иметь в наличии 2 компьютера, телевизор, музыкальный центр. Попутно следует дать описание всему оборудованию, высчитать его стоимость и стоимость электроэнергии потребляемой описанным оборудованием.
Таблица 1 – Оборудование
Общая сумма издержек затраченных на оборудование офиса составляет: 32086,50 грн. Ориентируясь по вышеуказанному оборудованию можно переходить к вычислению потребления мощности электроэнергии из электроснабжающей сети. В таблице 3 приведен суточный усредненный график потребления в офисе мощности из электросети оборудованием, а также средняя мощность в ваттах за 1 час, потребление электроэнергии за сутки в КВт, стоимость электроэнергии в грн за сутки (Таблица 2).
Таблица 2 – Стоимость электроэнергии за сутки
2.6 Расположение оборудования в офисе
Многое из вышеперечисленного оборудования имеет определённое расположение в офисе, которое показано на рисунке 34.
Рисунок 34 – Оборудование офиса
-
Системные блоки;
-
Мониторы;
-
Сканнеры;
-
Принтеры;
-
Музыкальный центр;
-
Телевизор (плазменная панель).
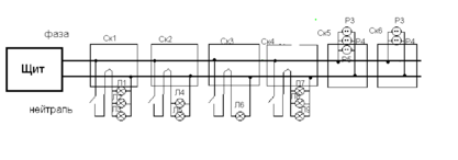
2.7 Схема электроснабжения
Неотъемлемой частью в проектировании этой модели офиса является проектирование схемы электроснабжения.
Вначале следует составить электроарматуру офиса (рис. 35)
Рисунок 35 – Электроарматура офиса
-
Распределительный щит (обозначенный фиолетовым цветом);
-
Электропроводка (зелёным);
-
Соединительные коробки (чёрным);
-
Розетки (красным);
-
Выключатели (фиолетовым);
-
Лампы освещения (жёлтым).
На (Рис. 36) показана схема подключения ламп освещения и розеток к общей электропроводки офиса.
Рисунок 36 – Схема электроснабжения
При расчете сечения кабеля использовались следующие формулы:
I = p/u – Ток в цепи;
S = I/ρ, где ρ = 2,7 для алюминия [1] – Сечение кабеля.
| Расчет параметров кабеля для выполнения электропроводки | |||||
| Элемент | № кабеля | Длина (мм) | Мощность (Вт) | Ток (А) | Сечение (мм2) |
| Коробка1 | 1 | 1300 | 2580 | 11,7 | 4,34 |
| Выключатель1 | 2 | 920 | 100 | 0,5 | 0,17 |
| Лампа1 | 3 | 2100 | 100 | 0,5 | 0,17 |
| Коробка2 | 4 | 700 | 2380 | 10,8 | 4,01 |
| Выключатель2 | 5 | 1800 | 200 | 0,9 | 0,34 |
| Лампа 2 | 6 | 1500 | |||
| Коробка3 | 7 | 4500 | 2180 | 9,9 | 3,67 |
| выключатель3 | 8 | 1600 | 100 | 0,5 | 0,17 |
| лампа3 | 9 | 1700 | 100 | 0,5 | 0,17 |
| Коробка4 | 10 | 5000 | 2080 | 9,5 | 3,50 |
| выключатель3 | 11 | 1800 | 2080 | 9,5 | 3,50 |
| лампа4 | 13 | 4100 | 1220 | 5,5 | 2,05 |
| коробка5 | 14 | 3950 | 1120 | 5,1 | 1,89 |
| розетка1 | 15 | 1600 | 1020 | 4,6 | 1,72 |
| коробка6 | 16 | 2500 | |||
| розетка 2 | 17 | 1000 | 1020 | 4,6 | 1,72 |
| Общая длина кабеля | 35070 | мм | |||
Заключение
Характеристики
Тип файла документ
Документы такого типа открываются такими программами, как Microsoft Office Word на компьютерах Windows, Apple Pages на компьютерах Mac, Open Office - бесплатная альтернатива на различных платформах, в том числе Linux. Наиболее простым и современным решением будут Google документы, так как открываются онлайн без скачивания прямо в браузере на любой платформе. Существуют российские качественные аналоги, например от Яндекса.
Будьте внимательны на мобильных устройствах, так как там используются упрощённый функционал даже в официальном приложении от Microsoft, поэтому для просмотра скачивайте PDF-версию. А если нужно редактировать файл, то используйте оригинальный файл.
Файлы такого типа обычно разбиты на страницы, а текст может быть форматированным (жирный, курсив, выбор шрифта, таблицы и т.п.), а также в него можно добавлять изображения. Формат идеально подходит для рефератов, докладов и РПЗ курсовых проектов, которые необходимо распечатать. Кстати перед печатью также сохраняйте файл в PDF, так как принтер может начудить со шрифтами.
















