272261 (609239), страница 2
Текст из файла (страница 2)
Принципиальный недостаток лазерной технологии - докладчик может случайно перекрыть луч лазера, в результате чего процесс измерения координат нарушается. Лазерные интерактивные доски наиболее дороги в производстве. Их выпускает, насколько нам известно, только одна компания - PolyVision.
Ультразвуковая/инфракрасная технология
Система, запатентованная под названием eBeam, использует различие в скорости распространения световых и звуковых волн.
Основной недостаток ультразвуковой/инфракрасной технологии тот же, что у электромагнитной и лазерной - необходимо использовать специальный электронный маркер. Электронный маркер испускает одновременно и ИК-свет, и ультразвук.
Интерактивные доски с использованием ультразвуковой/инфракрасной технологии выпускают компании Hitachi, Panasonic и ReturnStar.
Система MIMIO не является интерактивной доской как таковой, но может превратить в нее любую другую доску, совершенно для этого не предназначенную. Устройство представляет собой сенсор, крепящийся с помощью липучек на поверхность доски, и маркер с источником ультразвука и отсеком для обычного маркера. Имеется ультразвуковая губка, которой можно стирать как тонкие линии, так и большие площади.
Неоспоримым достоинством такой системы видится великолепная транспортабельность и возможность получения интерактивных досок с большими диагоналями, а главная проблема состоит в том, что пластмассовый корпус недостаточно прочен, чтобы выдержать длительную эксплуатацию и многократное перевешивание с места на место. Кроме того – это самый дешевый вариант создания интерактивного комплекса.
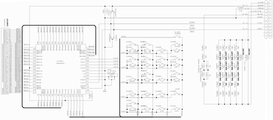
Рисунок 2.2 – Электрическая принципиальная схема интерактивной доски
3. Основные технические характеристики интерактивной доски
Основные особенности новой серии интерактивных досок: больший размер экрана - размер рабочей поверхности доски у модели SB680 составляет 156,5х117,8 см. Разрешение матрицы доски увеличилось до 4000х4000 точек. Благодаря этим изменениям вы сможете увеличить информационную плотность вашего урока или презентации. Изменился и внешний вид интерактивной доски, лотка с маркерами и ласьтиком. Удобное расположение кнопок делают SMART Board еще более стильным и эффективным инструментом обучения.
Помимо внешних появились и функциональные отличия. Например, кнопка вызова клавиатуры и "правой кнопки мыши" на лотке стали больше и теперь расположены посредине лотка, там же появилась новая кнопка вызова "справка", которая поможет вам при любых затруднениях при работе с интерактивной доской. Так же на лотке доски появился дополнительный разъем, который позволит вам подключать дополнительные аксессуары. Одним из таких аксессуаров может быть устройство System On, при помощи которого, нажатием только на одну кнопку, можно запускать компьютер, доску и проектор. Дополнительно интерактивные доски SMART Board 600 серии могут комплектоваться акустическими системами, которые позволят дополнить ваш урок или презентацию аудио-сопровождением. 15Ватные акустический системы можно устанавливать как на доске, так и на стене.
Подключения интерактивной доски к компьютеру осуществляется при помощи USB кабеля. И, естественно, никакого дополнительного питания 220 В для интерактивной доски. Передача данных между интерактивной доской и компьютером, так же может осуществляться и в беспроводном режиме. При этом используется беспроводный протокол передачи данных Bluetooth, который не требует установки дополнительного программного обеспечения.
Напольное крепление для интерактивной доски SMART Board стало еще более надежным и удобным в использовании. Например, ролики крепления стали ещё более прочными и надежными, так же на креплении появилась измерительная шкала, при помощи которой вам будет удобнее устанавливать необходимую высоту расположения доски относительно пола.
Таблица 3.1 - Спецификация для досок прямой проекции 600 серии
| Модель | Размер рабочей поверхности, см | Диагональ, см |
| SMART Board 640 | 97,5х73.0 | 121,9 |
| SMART Board 660 | 130,2х97,5 | 162,6 |
| SMART Board 680 | 156,5х117,8 | 195,6 |
При наличии в аудитории системы Smart Board 600i Вы сможете уделять основное внимание преподаванию, не отвлекаясь на технические нюансы. Интерактивный комплекс делает обучение динамичным и интересным. Теперь ученики смогут услышать историческую справку, просмотреть документальный фильм на DVD-проигрывателе или видеомагнитофоне или посетить галерею искусств в сети Интернет. А главное, все это можно сделать, используя только одну интерактивную систему Smart Board 600i.
Только два элемента
Вам уже нет необходимости вызывать специалистов для установки аудио- или видеооборудования. Система SMART Board 600i состоит из настенного проектора Unifi с вмонтированной аудиосистемой и интерактивной доски SMART Board. Поскольку проектор надежно закреплен на стене над интерактивной доской SMART Board, на доске создается меньше теней, а кабели не лежат под ногами.
Простота использования
Элементы управления проектором и аудиосистемой удобно расположены на интерактивной доске SMART Board, поэтому Вам не доведется каждый раз перед уроком искать пульт дистанционного управления. Если Вам понадобятся дополнительные устройства, например, документ-камера, компьютер или DVD-проигрыватель, просто подключите из к специальной панели подключения.
Простота приобретения и установки
Приобрести и установить интерактивную систему SMART Board 600i очень просто. Система поставляется со схемой подключения доски и проектора. После установки компоненты необходимо только отрегулировать - и можно начинать работу. Кроме того, поскольку все оборудование надежно закреплено, его тяжело украсть или испортить.
Система SMART Board 600i состоит из настенного проектора Unifi со встроенной аудиосистемой и интерактивной доски SMART Board.
Отличные качества :
- Аудиосистема;
- Проектор Unifi;
- Интерактивная доска SMART Board;
- Сенсорная поверхность;
- Активная область экрана (диагональ);
- 77” (195.6 см);
- 64” (162.6 см);
- Модели: SB680i, SB660i;
- Панель подключения;
- Модуль управления;
- Ластик;
- Электронные маркеры.
4. Особенности подключения интерактивной доски
Интерактивную доску серии 600 можно подключить к компьютеру с помощью прилагаемого интерфейса USB. Можно также воспользоваться опциональным модулем с последовательным интерфейсом RS-232 или подключить без кабеля с помощью модуля Bluetooth. USB-кабели и последовательные кабели можно купить у компании SMART или в любом компьютерном магазине.
4.1 Подключение с помощью USB кабеля
Интерактивная доска SMART Board 600 снабжена полноскоростным интерфейсом USB 2.0, который имеет скорость до 12 Мбит/с и потребляет большой ток. Этот интерфейс может обмениваться данными с интерфейсами USB, совместимыми со стандартами USB 2.0 и USB 1.1. Главное USB-подключение интерактивной доски осуществляется с помощью встроенного кабеля, на конце которого находится гнездо USB. Это гнездо USB типа B. Этот кабель предоставляет удобный доступ к гнезду USB без необходимости снимать интерактивную доску со стены. Встроенный кабель и USB-кабель можно также спрятать в кабельный канал за интерактивной доской.
Рисунок 4.1 - Встроенный кабель с портом USB
Порядок подключения интерактивной доски к компьютеру происходит в следующем порядке:
1. Вставьте разъём USB-кабеля в гнездо встроенного USB-кабеля, который находится за нижним правым углом интерактивной доски.
ПРИМЕЧАНИЕ. Чтобы вынуть разъём USB-кабеля из гнезда встроенного USB-кабеля, нужно приложить усилие приблизительно 300 грамм. Поскольку USB-кабель длиной 5 метров весит приблизительно 200 грамм, нет необходимости в дополнительном креплении к гнезду. Такая конструкция безопасна, поскольку если кто-нибудь наступит на кабель, кабель просто отсоединится от гнезда, не повредив контроллерный модуль;
2. Разъем на другом конце USB-кабеля вставьте в USB-гнездо компьютера.
– Если используется компьютер Макинтош (Mac с операционной системой OS X) или компьютер с операционной системой, на котором установлен соответствующий драйвер USB, то индикатор готовности в нижнем правом углу рамы доски должен сразу загореться красным цветом, а затем мигать зелёным цветом. В этом случае можно перейти к следующей странице, чтобы установить программное обеспечение SMART Board.
– Если соответствующий драйвер не установлен, Мастер нового оборудования поможет вам найти драйвер подключённого USB HID-совместимого устройства (интерактивной доски).
Рисунок 4.2 - Подключение интерактивной доски с помощью USB – кабеля
Как установить USB-драйвер (только для Windows):
- Нажмите кнопку Далее, чтобы мастер начал поиск соответствующего драйвер;
- Ещё раз нажмите кнопку Далее, чтобы операционная система Windows начала поиск подходящего драйвера в базе данных драйверов на жёстком диске;
- После того как драйвер будет найден и установлен, нажмите кнопку Готово. Индикатор готовности сначала начнёт светиться красным цветом, а затем будет мигать зелёным – это означает, что контроллер получает электропитание по USB-кабелю и работает в режиме мыши HID.
Как установить программное обеспечение SMART Board:
- Вставьте компакт-диск с программным обеспечением SMART Board в дисковод и следуйте инструкциям, которые будут появляться на экране.
Сразу после установки программного обеспечения SMART Board индикатор готовности на лотке для перьев перестанет мигать зелёным цветом и начнёт светиться зелёным постоянно. Это означает, что интерактивная доска SMART Board обменивается данными с программным обеспечением SMART Board, поэтому можно пользоваться инструментами из лотка для перьев;
- Если панель инструментов SMART Board не открывается автоматически, нажмите кнопку Пуск > Все программы > Программное обеспечение SMART Board > Средства SMART Board, или дважды щёлкните ярлык Средства SMART Board на рабочем столе. В правой части панели задач появится значок SMART Board. Теперь можно взять из лотка перо и писать на проецируемом изображении, а также записывать заметки в приложение, поддерживающее ввод рукописных данных. Такие приложения перечислены в «Руководстве пользователя программного обеспечения SMART Board»
4.2 USB-кабели удлинители и концентраторы
Прилагаемый к интерактивной доске USB-кабель длиной 5 метров соответствует требованию стандарта USB 2.0 по максимальной длине кабеля. Если длины прилагаемого USB-кабеля не хватает, можно использовать активные удлиняющие USB-кабели, USB - удлинители или концентраторы.
Обычно можно последовательно соединить до четырёх кабелей, чтобы увеличить общую длину до 25 метров, что является пределом по спецификации USB. Пассивные удлиняющие USB-кабели не поддерживаются.
Рисунок 4.3 - Активный удлиняющий USB - кабель компании SMART
4.3 Подключение с помощью опционального последовательного модуля расширения RS-232
Дополнительный последовательный модуль расширения RS-232 позволяет подключать интерактивную доску серии 600 к компьютеру другим способом. Этот модуль имеет собственный блок питания, от которого питается интерактивная доска SMART Board. Для подключения последовательного модуля расширения RS-232 к компьютеру подходит стандартный последовательный кабель с разъёмами DB9 (охватываемый) и RS-232 (охватывающий).
















