48895 (608833)
Текст из файла
МІНІСТЕРСТВО ОСВІТИ І НАУКИ УКРАЇНИ
РОМЕНСЬКИЙ КОЛЕДЖ
ДЕРЖАВНОГО ВИЩОГО НАВЧАЛЬНОГО ЗАКЛАДУ
«КИЇВСЬКИЙ НАЦІОНАЛЬНИЙ ЕКОНОМІЧНИЙ УНІВЕРСИТЕТ ІМЕНІ ВАДИМА ГЕТЬМАНА»
Спеціальність: 5.091504
«Обслуговування комп’ютерних та інтелектуальних систем та мереж»
Курсовий проект з предмету:
Мікропроцесорні системи
Тема: «Розробити схему електричну принципову годинника-будильника-термометра з ІЧ ПК»
РК КНЕУ. КП. 5.091504.
Виконав: студент гр. К 3-2
Катрич С. В.
Перевірив викладач
Шокота Т.А.
2007
Зміст
Вступ
1 Загальний розділ
1.1 Призначення проектуємого пристрою
1.2 Технічні характеристики
1.3 Розробка і обґрунтування схеми електричної структурної
2 Спеціальний розділ
2.1 Вибір і обґрунтування елементної бази
2.2 Принцип роботи окремих ВІС з використанням часових діаграм та алгоритмів роботи
2.3 Принцип роботи пристрою згідно схеми електричної принципової
3 Експлуатаційний розділ
3.1 Ініціалізація програмуємих ВІС
3.2 Тест перевірки окремих вузлів або пристроїв
3.3 Розрахунок надійності пристрою
4 Анотація
5 Література
Вступ
За сучасного розвитку науки і техніки, та постійного удосконалення електричних пристроїв ми все частіше і частіше стикаємося зі словами мікропроцесор та мікроконтролер. Ці пристрої дозволяють реалізувати досить складні закони керування електронними пристроями. Безперечною перевагою мікропроцесорних систем керування є їх гнучкість, оскільки систему, розроблену для виконання одного завдання, легко пристосувати для вирішення інших завдань шляхом зміни програмного забезпечення.
Надзвичайно високий рівень технічних характеристик мікропроцесорних великих інтегральних схем і їх досить низька вартість у розрахунку на одиницю оброблюваної інформації дозволяють впроваджувати мікропроцесори у побутову, промислову і спеціальну радіоелектронну апаратуру.
Мікропроцесор (МП) - програмно-управляючий пристрій, призначений для обробки цифрової інформації і керування процесом цієї обробки, виконано у виді однієї (або декількох) інтегральної схеми з високим ступенем інтеграції електронних елементів.
Продуктивність мікропроцесорів швидко зростає разом з удосконаленням мікроелектронної технології й архітектури. Процесори ЕОМ мають складну логічну структуру і містять велику кількість електронних елементів з безліччю розгалужених зв'язків між ними. Для підвищення продуктивності процесора необхідно розвивати всі його апаратурні ресурси. Можливості однокристальних мікропроцесорів визначає мікроелектронна технологія на визначеному рівні розвитку. Тому, для збільшення продуктивності процесорів, використовують їх реалізацію у виді багатокристальних, а також секційних багатокристальних мікропроцесорів.
Багатокристальні МП можна одержати в тому випадку, коли виробляється поділ логічної схеми процесора на окремі функціонально закінчені частини, кожна з якої реалізується у виді інтегральної схеми.
Надзвичайно важливим кроком у розвитку електроніки вцілому було створення мікроконтролерів (МК) - керуючих пристроїв, виконаних на одному чи декількох кристалах.
Мікроконтролери виконують функції логічного аналізу і керування (що дозволяє за рахунок виключення арифметичних операцій зменшити їхню апаратурну складність чи розвити функції логічного керування).
Архітектура МПС – розподіл функцій, що реалізуються системою на окремих її рівнях, та точне визначення меж між цими рівнями. Вона поєднує апаратні, мікропрограмні і програмні засоби обчислювальної техніки, визначає принцип організації МПС та функції її компонентів, зокрема процесора, пам’яті та ін. Архітектура МПС не відображає конструктивні особливості логічних структур і модулів та технологію їх виробництва.
Загальний архітектурний тип мікросистеми містить такі компоненти:
-
центральний процесор (ЦП);
-
схеми синхронізації;
-
пам’ять;
-
підсистема введення-виведення;
-
логіка управління шиною;
-
системна шина.
В мікросистемі роль центрального процесора виконує МП. Він дешифрує команди і управляє всіма подіями в системі, а також виконує всі арифметичні і логічні операції.
Генератор синхронізації формує одну або кілька послідовностей рівномірно розміщених імпульсів, для синхронізації дій в МП і логіці управління шиною. Вихідні імпульси генератора мають одну й ту ж частоту, але зміщені в часі, тобто мають різні фази.
Пам’ять призначена для збереження даних та команд, які виконує ЦП. Вона складається з набору модулів, кожен з яких містить кілька тисяч комірок.
Підсистема введення-виведення складається з різних пристроїв, призначених для взаємодії з зовнішнім середовищем та збереження великих об’ємів інформації.
Системну шину утворює сукупність провідників по яких передаються дані від ЦП до пам’яті та пристроїв введення-виведення. Звичайно провідники шини об’єднуються в три групи:
-
лінії даних (для передачі інформації);
-
лінії адреси (вказують звідки або куди передається інформація);
-
лінії управління, (регулюють дії на шині).
Інтерфейс пам’яті утворює схеми для дешифрування адреси цільової комірки і буферизувати даних на шину (з шини), а також схеми виконання операцій зчитування і запису.
Всі інтерфейси введення-виведення повинні буферизувати дані на системну шину (з системної шини), приймати накази від ЦП і передавати в ЦП інформацію про стан підключеного пристрою. Взаємодія між інтерфейсом введення-виведення і шиною даних здійснюється через регістри, що називаються портами введення-виведення.
1 Загальний розділ
1.1 Призначення проектуємого пристрою
Визначення та поняття термінів, які використовуються у курсовому проекті:
АЛП – арифметико-логічний пристрій
ЕОМ – електронно-обчислювальна машина
МП – мікропроцесор
МПК – мікропроцесорний комплект
ВІС – великі інтегральні схеми
ЦП – центральний процесор
МК – мікроконтролер
ОМК – однокристальний мікроконтролер
МПС – мікропроцесорна система
ОЗП – оперативно-запам’ятовучий пристрій
ДК – дистанційне керування
Місце та основні функції пристрою в архітектурі МПС.
Однокристальним мікроконтролером (ОМК) називають пристрій, виконаний конструктивно в одному корпусі ВІС, і містить усі компоненти МПС: процесор, пам'ять даних, пам'ять програм, програмовні інтерфейси.
Для однокристальних мікроконтролерів характерні:
-
система команд, орієнтована на виконання завдань керування і регулювання;
-
алгоритми, що реалізуються на ОМК, мають багато розгалужень залежно від зовнішніх сигналів;
-
дані, якими оперують ОМК, не повинні мати велику розрядність;
-
схемна реалізація систем керування на базі ОМК нескладна і має невисоку вартість;
-
універсальність і можливість розширення функцій керування значно нижчі, ніж у системах із однокристальними МП.
Однокристальні мікроконтролери - зручний інструмент для створення сучасних вбудованих пристроїв керування різноманітним обладнанням, автомобільною електронікою, побутовою технікою, мобільними телефонами та ін.
В даній роботі описується МК приладу, що призначений для індикації поточного часу, подачі звукового сигналу у визначений час та індикації температури в двох точках (в приміщенні та на подвір’ї) на проміжку -55…+99 ºС з точністю ±1 ºС. Час та температура виводяться почергово. Встановлення значення часу, спрацювання будильника, спалахування та вимикання індикатора здійснюється з ІЧ пульта дистанційного керування (ДК). Будильник подає звуковий сигнал з паузою 10 с, спочатку два коротких (приблизно по 0,1 с) одиночних, потім стільки ж здвоєних (з паузою 0,1 с), а після них – два зтроєних (з такою ж паузою). На протязі хвилини зтроєні сигнали подаються кожну секунду до тих пір, поки будильник не буде відключений. Існує функція Snooze (повторення сигнала через певний час), що дозволяє ще трохи поспати після першого сигналу. Якщо індикатор погашено, в момент спрацювання будильника він вмикається і до відключення чи переходу в режим Snooze показує поточний час. Передбачено короткий звуковий сигнал при натисненні кнопок пульта, індикацію (світлодіодом) при проходженні команд з пульта, резервне живлення при зникненні напруги в мережі (в цьому випадку будильник буде подавати безперервний сигнал).
Принципова схема заснована на мікроконтролері DD2 АТ89С4051. 1.2 Технічні характеристики
При створенні схеми електричної принципової розроблюваного пристрою було використано такі елементи як мікроконтролер АТ89С4051, мікросхеми КР1171СП47, FCP8583, SAA3010, PCF8583, DS1621, MC34063.
Розрахунок надійності строю представлено в відповідному розділі курсового проекту.
Характеристики мікроконтролера АТ89С4051:
АТ89С4051 – низьковольтний швидкодіючий 8-ми розрядний мікроконтролер, що використовує енергонезалежну технологію пам’яті Atmel що характеризуються також високою щільністю, має 4 кілобайти перепрограмованої пам’яті з можливістю 1000 циклів запису/стирання, 15 портів вводу/виводу, 2 16-бітових таймери/лічильники, послідовний порт та систему переривань, п’ятивекторну дворівневу систему переривань, дуплексний послідовний порт, презиційний аналоговий компаратор. Даний мікроконтролер підтримує режим Power-down, який зберігає вміст пам’яті але зупиняє генератори до наступного перезапуску (/відновлення роботи) апаратних пристроїв, а також Idle mode – режим, під час якого він зупиняє ЦПП, і підтримує роботу пам’яті, таймерів/лічильників, послідовним портом та системою переривань, для продовження роботи пристрою.
На рисунку 1.2.1 зображено корпус мікроконтролера АТ89С4051.
Рисунок 1.2.1 – Зображення корпусу мікроконтролеру АТ89С4051
Структурна схема мікроконтролера АТ89С4051 зображена на рисунку 1.2.2.
Рисунок 1.2.2 – Структурна схема мікроконтролера АТ89С4051
На схемі зображено: регістр адрес пам’яті, пам’ять RAM, Flash-пам’ять, регістр В, Арифметико-логічний пристрій (АЛП), буфер даних, вказівник стеку, програмний регістр адрес, програмний лічильник, інкрементор, порти драйверів, аналоговий компаратор, схеми управління і синхронізації, регістр інструкцій, блок переривання, серійний порт і блоки таймеру.
1.3 Розробка і обґрунтування схеми електричної структурної
Структурна схема пристрою зображена на рисунку 1.3.
Рисунок 1.3 – Структурна схема розроблюваного пристрою
На структурній схемі пристрою (див. рисунок 1.3) зображено наступні функціональні блоки: мікроконтролер, який забезпечує керування роботою всіх пристроїв схеми; блок живлення що забезпечує безперебійне живлення всіх компонентів схеми; індикатори, які відображають час та температуру; блок датчиків який призначений для знімання показників температури та синхронізації пристрою з блоком керування до якого входить пульт ДК; блок управління часом що забезпечує організацію управління часом.
2 Спеціальний розділ
2.1 Вибір і обґрунтування елементної бази
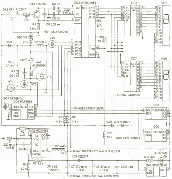
Схема електрична принципова створюваного пристрою зображена на рисунку 2.1.1. Користуючись даною схемою, дамо коротку її характеристику та обґрунтування вибору елементів, що входять до неї.
Рисунок 2.1.1 – Схема електрична принципова годинника-будильника-термометра
Основою створюваного пристрою є мікроконтролер DD2 AT89C4051, який керує роботою всіх вузлів. До його складу входить енергозалежна пам’ять програм (4кб), ОЗП (128 байт), 2 таймери, система переривань та ін. (див. пункт 1.2). Для надійного запуску та захисту мікроконтролера від збоїв по напрузі використано мікросхему КР1171СП47 (DA1), яка забезпечує затримку на своєму виході низький рівень при напрузі живлення менше 4.7 В.
Табло пристрою складається з п’яти світлодіодних цифрових індикаторів типу SA08-11GWA. Індикація статична. Для зниження яскравості свічення в коло живлення індикаторів включено діоди VD5 і VD6.
Для керування вузлом індикації використано три виводи мікроконтролера: P1.2, (14); P1.3, (15); P1.4, (16).
МС 74HC595 являє собою 8-бітгний регістр з послідовним входом і паралельним виходом.
В якості годинника використано мікросхему PCF 8583, яка дозволила забути про скидання часу за умови відсутності живлення. В PCF 8583 є статична пам’ять, що використовується для визначення першого включення годинника.
Характеристики
Тип файла документ
Документы такого типа открываются такими программами, как Microsoft Office Word на компьютерах Windows, Apple Pages на компьютерах Mac, Open Office - бесплатная альтернатива на различных платформах, в том числе Linux. Наиболее простым и современным решением будут Google документы, так как открываются онлайн без скачивания прямо в браузере на любой платформе. Существуют российские качественные аналоги, например от Яндекса.
Будьте внимательны на мобильных устройствах, так как там используются упрощённый функционал даже в официальном приложении от Microsoft, поэтому для просмотра скачивайте PDF-версию. А если нужно редактировать файл, то используйте оригинальный файл.
Файлы такого типа обычно разбиты на страницы, а текст может быть форматированным (жирный, курсив, выбор шрифта, таблицы и т.п.), а также в него можно добавлять изображения. Формат идеально подходит для рефератов, докладов и РПЗ курсовых проектов, которые необходимо распечатать. Кстати перед печатью также сохраняйте файл в PDF, так как принтер может начудить со шрифтами.















