48895 (608833), страница 2
Текст из файла (страница 2)
Для подачі звукових сигналів застосовано електромагнітний випромінювач НСМ1606Х з вбудованим генератором, що працює на частоті 2200 Гц.
Батарея GB1 служить для живлення мікросхеми годинника та звуковипромінювача при відсутності живлення в мережі.
Для прийому сигналів керування пульта ДК використано інтегральний приймач ІЧ-діапазону SFH 506-36. Ця мікросхема дуже чутлива до перешкод в колі живлення, тому до неї включено фільтр VD4C8C9.
Живиться пристрій від стабілізованого перетворювача напруги на основі мікросхеми MC 34063. Принципову схему ІЧ пульту ДК зображено на рисунку 2.1.2.
Рисунок 2.1.2 – Схема електрична принципова годинника-будильника-термометра
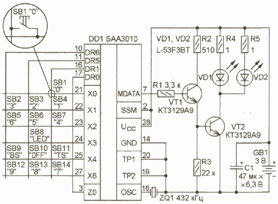
Пульт керування виконано на базі малогабаритного калькулятора. В якості передавача використано мікросхему SAA 3010 яка працює в системі ІЧ ДК RC5. В режимі очікування SAA 3010 спожива незначний струм що робить експлуатацію пульту дуже зручною.
В якості виносних датчиків апаратури застосовано мікросхеми DS1621
2.2 Принцип роботи окремих ВІС з використанням часових діаграм та алгоритмів роботи
Часові діаграми машинних циклів читання зовнішньої пам’яті програм показано на рисунку 2.2.1.
Рисунок 2.2.1 – діаграми машинних циклів читання зовнішньої пам’яті програм
При виконанні команди MOVX, сигнал ALE формується у другому машинному циклі лише один раз.
2.3 Принцип роботи пристрою згідно схеми електричної принципової
Схема електрична принципова зображена на рисунку 2.1.1 пункту 2.1.
Описуваний пристрій призначений для індикації поточного часу, подачі звукових сигналів в заданий час та індикації температури в двох точках в інтервалі від -55˚ до +99˚ С з точністю
˚ С. Час і температура відображаються по черзі на протязі 10, 1 та 2 секунд відповідно. Встановлення показань годинника, часу спрацювання будильника, відключення будильника, ввімкнення і вимкнення індикатора проводяться з ІЧ пульта ДК.
Будильник подає звукові сигнали з паузою 10 с: спочатку – два коротких одиночних, потім – стільки ж здвоєних, а після них – два строєних. По закінченні хвилини вбудовані сигнали подаються в кожну секунду до тих пір, доки будильник не буде вимкнено. Якщо індикатор вимкнено, в момент спрацювання будильника він вмикається і до відключення або переходу в режим Snooze показує поточний час. Передбачений короткий звуковий відклик у відповідь на натиснення кнопок пульту.
Мікроконтролер DD2 AT89C4051 керує роботою всіх вузлів. До його складу входить енергозалежна пам’ять програм, ОЗП, 2 таймери, система переривань та ін. Для надійного запуску та захисту мікроконтролера від збоїв по напрузі використано мікросхему КР1171СП47 (DA1), яка забезпечує затримку на своєму виході низький рівень при напрузі живлення менше 4.7 В.
Табло пристрою складається з п’яти світлодіодних цифрових індикаторів типу SA08-11GWA. Індикація статична. Для зниження яскравості свічення в коло живлення індикаторів включено діоди VD5 і VD6.
Для керування вузлом індикації використано три виводи мікроконтролера: P1.2, (14); P1.3, (15); P1.4, (16).
МС 74HC595 являє собою 8-бітгний регістр з послідовним входом і паралельним виходом.
В якості годинника використано мікросхему PCF 8583, яка дозволила забути про скидання часу за умови відсутності живлення. В PCF 8583 є статична пам’ять, що використовується для визначення першого включення годинника.
Для подачі звукових сигналів застосовано електромагнітний випромінювач НСМ1606Х з вбудованим генератором, що працює на частоті 2200 Гц.
Батарея GB1 служить для живлення мікросхеми годинника та звуковипромінювача при відсутності живлення в мережі.
Для прийому сигналів керування пульта ДК використано інтегральний приймач ІЧ-діапазону SFH 506-36. Ця мікросхема дуже чутлива до перешкод в колі живлення, тому до неї включено фільтр VD4C8C9.
3 Експлуатаційний розділ
3.1 Ініціалізація програмуємих ВІС
Програма ініціалізації мікросхем виконує налагодження портів вводу-виводу мікросхем та встановлює параметри дільника та входів мікросхеми по яким буде виконуватися переривання. Також налагоджуються переривання по таймеру. Всі інші переривання забороняються.
Програма ініціалізації і програма тестування пристрою наведена в пункті 3.2.
3.2 Тест перевірки окремих вузлів або пристроїв
Програма за якою працює мікропроцесор мовою асемблера АТ89С4051 має наступний вигляд:
__CONFIG _CP_OFF & _WDT_OFF & _PWRTE_ON & _XT_OSC
ORG 0
Goto PROGRAM
sec equ H'11' ; секунди
sec10 equ H'12' ; Десятки секунд
min equ H'13' ; минути
min10 equ H'14' ; Десятки минут
hour equ H'15' ; години
hour10 equ H'16' ; Десятки годин
Indicator equ H'17' ; 7-сегментний код для загрузки в регістр DD2
Bit_counter equ H'18' ; лічильник бітів, загруженних в регістр DD2
FLAGS equ H'19' ; різні прапорці
FLAGS_2 equ H'1F'
Fig_pointer equ H'1B' ; показник виведеної цифри
TEMP equ H'1C' ; для тимчасового збереження вмісту порту A
Ind_start equ H'1D' ; адреса комірки, яка першою виводиться на індикатор
SB_delay equ H'1E' ; часова затримка
STATUS_copy equ H'21' ; копії вмісту регістрів
W_copy equ H'22'
FSR_copy equ H'23'
min_al_1 equ H'24' ; регістри першого будильника
min10_al_1 equ H'25'
hour_al_1 equ H'26'
hour10_al_1 equ H'27'
min_al_2 equ H'28' ; регістри другого будильника
min10_al_2 equ H'29'
hour_al_2 equ H'2A'
hour10_al_2 equ H'2B'
EEP_Ind_4 equ H'2C' ; регістри для індикації
EEP_Ind_3 equ H'2D' ; режиму роботи з EEPROM
EEP_Ind_2 equ H'2E'
EEP_Ind_1 equ H'2F'
Alarm_count equ H'30' ; лічильник будильника
SB4_count equ H'31' ; лічильник часу натискання на кнопку SB2
IntCount_H equ H'32' ; лічильник переповнення таймеру номер 1
IntCount_L equ H'33' ; лічильник переповнення таймеру номер 2
MaxInt_H equ H'34' ; верхня границя лічильника переривань
MaxInt_L equ H'35' ; визначає секундну затримку
TIME_SET equ H'36' ; коефіцієнт корекції часу
; ------------- Підпрограма яка добавляє хвилини ---------------
INC_MIN macro Reg1_min,Reg2_min
movfw Reg1_min ; якщо кількість менут = 9 то
xorlw 9 ; обнуляємо менути і прибавляємо десятки менут
BZ $+3 ; інакше прибавляємо менути та виходимо з підпрограми
incf Reg1_min, f
goto Main_loop
clrf Reg1_min
movfw Reg2_min
xorlw 5 ; якщо кількість десятків менут = 5,
BZ $+3 ; обнуляємо менути та взагалі та виходимо з підпрограми
incf Reg2_min, f ; інакше прибавляємо десятки менут
goto Main_loop
clrf Reg1_min
clrf Reg2_min
goto Main_loop
endm
; ------------- Підпрограма яка прибавляє години ---------------
INC_HOUR macro Reg1_hour,Reg2_hour
movfw Reg1_hour ; якщо кількість годин = 3, то перевіряємо чи
xorlw 3 ; число десятків годин = 2, якщо так то
btfss STATUS, Z ; обнуляємо години взагалі (перехід із 23 годин в 00)
goto $+5
movfw Reg2_hour
xorlw 2
BZ $+D'14'
movfw Reg1_hour ; якщо число годин = 10, прибавляєм
xorlw 9 ; десятки годин і скидаємо одениці
BZ $+3 ; інакше прибавляєм одениці годин та виходимо із підпрограми
incf Reg1_hour, f
goto Main_loop
clrf Reg1_hour
movfw Reg2_hour
xorlw 2
BZ $+3
incf Reg2_hour, f
goto Main_loop
clrf Reg1_hour
clrf Reg2_hour
goto Main_loop
endm
; ------------- Підпрограма зменшення хвилин ---------------
DEC_MIN macro Reg1_min,Reg2_min
local DEC_min10,Clr
movfw Reg1_min ; зменшуєм хвилини
xorlw 0
BZ DEC_min10
decf Reg1_min,f
goto Main_loop
DEC_min10 movlw 9 ; установлюєм число хвилин = 9
movwf Reg1_min ; і зменшуєм десятки хвилин
movfw Reg2_min
xorlw 0
BZ Clr
decf Reg2_min, f
goto Main_loop
movlw 5
movwf Reg2_min
goto Main_loop
endm
; ------------- Підпрограма зменшення годин ---------------
DEC_HOUR macro Reg1_hour,Reg2_hour
local Set_hour,Clr,If_hour10_1,If_hour10_2,Dec_hour10
movfw Reg1_hour ; зменшуєм години
xorlw 0
BZ Set_hour
decf Reg1_hour, f
goto Main_loop
movfw Reg2_hour ; якщо десятки годин = 0,
xorlw 0 ; установлюємо години рівні 3
btfss STATUS, Z
goto If_hour10_1
movlw 3
movwf Reg1_hour
goto Dec_hour10
If_hour10_1 movfw Reg2_hour ; якщо десятки годин = 1,
xorlw 1 ; установлюєм число годин = 9
btfss STATUS, Z
goto If_hour10_2
movlw 9
movwf Reg1_hour
goto Dec_hour10
If_hour10_2 movlw 9 ; якщо десятки годин = 2,
movwf Reg1_hour ; установлюємо години рівні 9
Dec_hour10 movfw Reg2_hour ; зменшуєм десятки годин
xorlw 0
BZ Clr
decf Reg2_hour, f
goto Main_loop
Clr movlw 2
movwf Reg2_hour
goto Main_loop
endm
; ------------- Підпрограма запису в EEPROM ---------------
EE_write macro Adress,Data
movlw Adress
movwf EEADR
movfw Data
movwf EEDATA
call Write_to_EEPROM
endm
; ------------- Підпрограма читання EEPROM ---------------
EE_read macro Adress,Destination
movlw Adress
movwf EEADR
call Read_from_EEPROM
movfw EEDATA
movwf Destination
endm
; ------------------- ІНІЦІАЛІЗАЦІЯ ----------------------
PROGRAM
bsf STATUS,RP0 ; банк 1
clrf TRISA ; порт А на вихід
movlw B'11110000' ; RB7..RB4 - на вхід, RB3..RB0 - на вихід
movwf TRISB
movlw B'00001000' ; відключений від таймеру
movwf OPTION_REG
bcf STATUS, RP0 ; банк 0
clrf TIME_SET
clrf FLAGS
clrf FLAGS_2
clrf sec
clrf sec10
clrf min
clrf min10
clrf hour
clrf hour10
clrf SB_delay
clrf Bit_counter
clrf Alarm_count
clrf PORTB
clrf SB4_count
clrf IntCount_H
clrf IntCount_L
movlw B'00010001'
movwf PORTA
movlw H'16' ; починаєм індикацію з десятків годин
movwf Ind_start
movfw Ind_start
movwf Fig_pointer
bsf FLAGS,PT ; ввімкнення крапок на індикаторі
bsf FLAGS_2, HL1
movlw D'16' ; запускаємо таймер номер 0
movwf TMR0
EE_read 1, TIME_SET ; читаємо значення коэфіціэнту
movwf TIME_SET ; корекції часу
EE_read 2, min_al_1 ; читаєм показпоказники обох
EE_read 3, min10_al_1 ; будильників з EEPROM
EE_read 4, hour_al_1
EE_read 5, hour10_al_1
EE_read 6, min_al_2
EE_read 7, min10_al_2
EE_read 8, hour_al_2
EE_read 9, hour10_al_2
movfw min_al_1 ; якщо в регістрах будильника
xorlw H'11' ; були числа 0х11, тоді,
btfss STATUS,Z ; він був вімкнений при останньому
bsf FLAGS, Al_on ; записі в EEPROM
movfw min_al_2
xorlw H'11'
btfss STATUS, Z
bsf FLAGS_2, Al_on2
bsf PORTB, 3 ; вмикаєм світлодіод
btfsc FLAGS, Al_on
bcf PORTB, 3
btfsc FLAGS_2, Al_on2
bcf PORTB, 3
bsf INTCON, T0IE ; дозволяєм переривання
bsf INTCON, GIE
movlw H'E' ; ініціалізація регістрів для правельної індикації
movwf EEP_Ind_1 ; режим роботи EEPROM
movlw H'E'
movwf EEP_Ind_2
movfw TIME_SET ; розбиваємо змінну TIME_SET
andlw B'00001111' ; на 16-розрядні десятки та одениці
movwf EEP_Ind_4 ; одениці
movfw TIME_SET
movwf EEP_Ind_3 ; десятки
swapf EEP_Ind_3, f
movlw B'00001111'
andwf EEP_Ind_3, f
;******************************************************************
; ГОЛОВНИЙ ЦИКЛ ПРОГРАМИ
******************************************************************
movlw H'21' ; задаємо верхню границю
movwf MaxInt_L ; лічби переривань = 3873
movlw H'F'
movwf MaxInt_H
movfw TIME_SET ; добавляєм TIME_SET до границі
bcf STATUS, C ; лічби переповнення таймера
addwf MaxInt_L, f















