48326 (608540)
Текст из файла
Содержание
Введение
1. Построение структурной схемы
2. Выбор элементной базы
2.1 Выбор датчика
2.2 Выбор цифрового индикатора
2.3 Выбор микроконтроллера
3 Формирование принципиальной электрической схемы
4. Разработка алгоритма
5. Построение программы
Заключение
Список использованных источников
Приложение
Введение
Весы – прибор для определения массы тел по действующему на них весу. Различают весы: образцовые (для поверки гирь), лабораторные (аналитические, микроаналитические, пробирные и др.) и общего назначения; по принципу действия - рычажные, пружинные, электротензометрические (см. Тензометр), гидравлические и гидростатические. Вес тела– это сила, действующая на опору или подвес со стороны тела. Т.е, если встать на весы в момент старта лифта вверх, показания будут больше, чем в состоянии покоя, а если в момент старта вниз – меньше. Это происходит за счёт того, что помимо ускорения свободного падения действует ещё и другое ускорение, направленное либо в ту же, либо а противоположную сторону.
Рассмотрим весы общего назначения. Существует целое множество разнообразных конструкций весов, среди которых:
Весы с чашечками – груз кладётся на одну чашечку, а эталонные гири на другую. Необходимо добиться равновесия, при этом вес груза будет равен весу гирек. Это неудобно, т.к. добиться равновесия довольно трудно. В данном случае точность измерения веса зависит от чувствительности весов и от номинала гирек.
Весы со стрелкой – груз, весом до одного килограмма взвешивается без дополнительных гирек, а свыше требует установки противовеса, в этом случае вес груза вычисляется как сумма веса гирек и показаний стрелки. Точность измерения зависит от чувствительности стрелки (на какое расстояние она смещается при каком весе).
Электрические весы – Существует чувствительный элемент, который реагирует на изменение веса, этой реакцией может быть: изменение сопротивления, изменение напряжения, изменение тока, редко изменение потребляемой мощности. В случае изменения сопротивления, необходимо нагрузить этот элемент на источник питания, и последовательно с ним поставить амперметр. Значение тока будет пропорционально значению веса. Если изменяется напряжение, просто можно поставить вольтметр. Точность измерения зависит от чувствительности амперметра (вольтметра).
Электронные весы – наиболее удобный в эксплуатации прибор. Необходимо только положить груз на весы, а дальше они сделают всё сами. При просмотре значения веса на электронных весах нет неоднозначности, как в случае со стрелкой (никогда нельзя однозначно сказать, на какое значение она указывает), значение выводится в понятном цифровом виде.
Микропроцессорное управление весов позволяет обеспечить большую точность измерения по сравнению с механическим прибором, электронные весы более долговечны, т.к. практически не имеют изнашивающихся деталей.
Немаловажным является тот фактор, что точность измерения во многих весах зависит от положения объекта на них (чем дальше от центра, тем меньше точность), это происходит за счёт того, что в них датчик веса или один и стоит посередине, или четыре и стоят по углам. В случае четырех датчиков микроконтроллер вычисляет среднее арифметическое от их показаний, это и есть результат.
В данной работе эта проблема решена следующим образом: измеряется не вес, а давление, оказываемое объектом на подушку с водой, посредством пластины, к подушке подсоединен датчик, измеряющий давление воды. Всё это обеспечивает независимость показаний от позиции объекта на весах.
1. Построение структурной схемы
Согласно техническому заданию, в электронные весы должны входить следующие компоненты:
Датчик давления – первичный преобразователь давления в электрическое напряжение
Индикатор – элемент, отображающий значение веса в виде десятичных цифр
Микроконтроллер – элемент, управляющий электронными весами, т.е. опрашивающий датчик с некоторой периодичностью и преобразующий его аналоговый электрический сигнал в цифровой. А также выводящий это значение на индикатор
Батарея питания – элемент, питающий электронные весы
Структурная схема электронных весов имеет следующий вид:
Рис. 1. Структурная схема
2. Выбор элементной базы
Для электронных весов необходимо выбрать следующие компоненты:
Датчик давления,
Индикатор,
Микроконтроллер.
2.1 Выбор датчика
Как уже было сказано в введении необходимо выбрать не датчик веса, а датчик давления. Рассчитаем необходимые параметры. Для начала вычислим диапазон измеряемого давления. Давление это отношение силы давления к площади соприкосновения. В нашем случае сила давления – это сила тяжести, вычисляемая по формуле
F=mg,
где m-масса объекта,
g-ускорение свободного падения, равное, для нашего региона 9,8 м/c2.
Площадь прикосновения в нашем случае равна площади пластины, лежащей на подушке, т.е. 0,25 м2 . Согласно техническому заданию измеряемая масса может быть в диапазоне от 0 до 250 кг, давление соответственно от 0 до 10 кПа. Погрешность, должна составлять не более 0,5 кг., а значит 20 Па. Напряжение питания – 5 В.
Существуют разнообразные датчики давления (согласно [1]):
Датчик абсолютного давления. Абсолютное давление, такое как барометрическое давление, измеряется относительно вакуума во встроенной в кристалл датчика полости.
Датчик дифференциального давления. Дифференциальное давление, такое как падение давления в регуляторе тяги или на фильтре в воздушном канале, измеряется подачей давления с противоположных сторон чувствительного элемента датчика.
Датчик относительного давления. Относительное давление, как в случае измерения кровяного давления, является частным случаем дифференциального, в котором в качестве давления сравнения служит атмосферное давление.
В нашем случае нужно выбрать датчик абсолютного давления. Рассмотрим датчик DMP330H, имеющий следующие характеристики (согласно [2]):
Диапазон измерений – от 0..100 кПа до 0..16 МПа,
Относительная погрешность – 1%,
Выходной сигнал – 4..20 мА или 0..10 В,
Температура -25..85 °С,
Напряжение питания – 12..36 В;
Данный датчик не подходит, т.к. напряжение питания у него не 5 В.
Рассмотрим датчик DMP331, имеющий следующие характеристики (согласно [3]):
Диапазон измерений – от 0..4 кПа до 0..4 МПа,
Относительная погрешность – 0,35%,
Выходной сигнал – 4..20 мА или 0..10 В,
Температура -25..125 °С,
- Напряжение питания – 14..36 В;
Данный датчик не подходит, т.к. напряжение питания у него не 5 В.
Рассмотрим датчик DMP341, имеющий следующие характеристики (согласно [4]):
Диапазон измерений – от 0..0,6 кПа до 0..10 кПа,
Относительная погрешность – 1%,
Выходной сигнал – 4..20 мА или 0..10 В,
Температура -40..125 °С,
- Напряжение питания – 12..36 В;
Данный датчик не подходит, т.к. напряжение питания у него не 5 В.
Рассмотрим датчик DPS100, имеющий следующие характеристики (согласно [5]):
Диапазон измерений – от 0 до 6 кПа,
Относительная погрешность – 1%,
Выходной сигнал – 4..20 мА или 0..10 В,
Температура 0..60 °С,
- Напряжение питания – 19..31 В;
Данный датчик не подходит, т.к. не обеспечивает необходимого диапазона измеряемого давления и напряжение питания у него не 5 В.
Рассмотрим датчик MPX5010 GVP, имеющий следующие характеристики (согласно [1]):
Диапазон измерений – от 0 до 10 кПа,
Относительная погрешность – 0,1%,
Выходной сигнал – 0..5 В,
Температура -40..125 °С,
- Напряжение питания – 5 В;
Данный датчик подходит по всем критериям.
Рис. 2. Внешний вид датчика
Рис. 3. Схема датчика
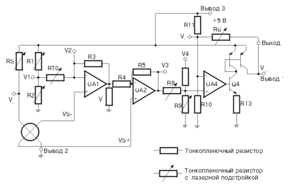
Датчик оснащён схемой нормализации выходного напряжения, которая реализована посредством четырёхкаскадного биполярного линейного усилителя с использованием тонкоплёночной технологии и интерактивной лазерной подгонкой, она имеет следующий вид:
Рис. 4. Принципиальная схема нормализации выходного напряжения
2.2 Выбор цифрового индикатора
Согласно техническому заданию, индикатор должен отображать значения веса от 0 до 250 кг., с точностью 0,5 кг, а значит индикатор должен быть четырёхразрядным и иметь десятичную точку. Входное напряжение – 5 В. Существуют следующие виды индикаторов:
Семисегментные индикаторы – индикаторы, у которых управляется каждый сегмент:
Рис. 5. Семисегментный индикатор
- Двоично-десятичные индикаторы – индикаторы, управляемые шестнадцатеричным кодом, т.е. могут выводиться числа от 0 до 9 и буквы английского алфавита от A до F.
Рис. 6. Двоично-десятичный индикатор
- Индикаторы с динамической индикацией – индикаторы, у которых все разряды выводятся по очереди (минимальная частота обновления 30 Гц)
Рис.7. Индикатор с динамической индикацией
- Программируемые индикаторы – индикаторы, управляемые микропроцессорами. Пример подключения программируемого индикатора к контроллеру [6]:
Рис.8. Подключение LCD-дисплея к микроконтроллеру серии MCS-51
Для электронных весов нужно выбрать семисегментный индикатор, имеющий четыре разряда.
Рассмотрим индикатор LFD2110-XX, имеющий следующие характеристики (согласно [7]):
Число разрядов – 4,
Входное напряжение –1, 5..3 В
Высота цифр – 7 мм;
Данный индикатор не подходит, т.к. входное напряжение не 5 В.
Рассмотрим индикатор LFD3162-XX, имеющий следующие характеристики (согласно [7]):
Число разрядов – 4,
Входное напряжение –1, 5..3 В
Высота цифр – 9,2 мм;
Данный индикатор не подходит, т.к. входное напряжение не 5 В.
Рассмотрим индикатор LFD3164-XX, имеющий следующие характеристики (согласно [7]):
Число разрядов – 4,
Входное напряжение –1, 5..3 В
Высота цифр – 9,2 мм;
Данный индикатор не подходит, т.к. входное напряжение не 5 В.
Индикатор HD44780 не подходит, т.к. он программируемый, в данной работе не нужен весь спектр его возможностей.
Рассмотрим индикатор DE-119, имеющий следующие характеристики (согласно [8]):
Число разрядов – 4,
Входное напряжение –5 В
- Высота цифр – 12,7 мм;
Данный индикатор подходит по всем критериям. Он является жидкокристаллическим, эти индикаторы характеризуются низким энергопотреблением по сравнению со светодиодными, но у них есть и недостатки: плохая видимость пли плохом освещении, плохая работоспособность при низкой температуре. Индикатор DE-119 имеет следующий вид:
Рис. 9. Габаритные размеры индикатора DE-119
2.3 Выбор микроконтроллера
Микроконтроллер для электронных весов должен иметь встроенный десятиразрядный АЦП (Аналогово-цифровой преобразователь), четыре восьмиразрядных порта ввода/вывода, напряжение питания 5 В.
Существуют разнообразные виды управляющих микроконтроллеров (согласно [9]). Контроллеры классифицируют по разрядности:
Четырехразрядные – самые простые и дешёвые устройства, предназначенные для замены несложных схем на “жёсткой” логике в системах с невысоким быстродействием. Типичные случаи применения- часы, калькуляторы, игрушки, простые устройства управления.
Восьмиразрядные – наиболее многочисленная группа (оптимальное сочетание цены и возможностей). К этой группе относятся микроконтроллеры серии MCS-51 (Intel) и совместимые с ними: PIC (MicroChip), HC68 (Motorola), Z8 (Zilog) и др.
Шестнадцатиразрядные – MCS-96 (Intel) и др. – более высокопроизводительные, но более дорогостоящие и менее распространённые.
Тридцатидвухразрядные – обычно являющиеся модификациями универсальных микропроцессоров, например i80186 или i386EX.
Для электронных весов будем выбирать восьмиразрядный микроконтроллер семейства MCS-51, т.к. это семейство является несомненным чемпионом по количеству разновидностей и количеству компаний, выпускающих его модификации.
Рассмотрим микроконтроллер AT80C5112, имеющий следующие характеристики (согласно [10]):
ПЗУ - нет,
Напряжение питания - 2,7-5,5 В,
Порты ввода/вывода - 3,
Рабочая частота - 60 МГц,
16-разрядный таймер – 2,
АЦП – нет,
UART – нет;
Данный микроконтроллер не подходит, т.к. не обладает АЦП.
Рассмотрим микроконтроллер AT89LV52, имеющий следующие характеристики (согласно [10]):
ПЗУ – 8 Кб,
Напряжение питания - 2,7-5,5 В,
Порты ввода/вывода - 5,
Рабочая частота - 16 МГц,
16-разрядный таймер – 3
АЦП – нет,
UART – 1;
Характеристики
Тип файла документ
Документы такого типа открываются такими программами, как Microsoft Office Word на компьютерах Windows, Apple Pages на компьютерах Mac, Open Office - бесплатная альтернатива на различных платформах, в том числе Linux. Наиболее простым и современным решением будут Google документы, так как открываются онлайн без скачивания прямо в браузере на любой платформе. Существуют российские качественные аналоги, например от Яндекса.
Будьте внимательны на мобильных устройствах, так как там используются упрощённый функционал даже в официальном приложении от Microsoft, поэтому для просмотра скачивайте PDF-версию. А если нужно редактировать файл, то используйте оригинальный файл.
Файлы такого типа обычно разбиты на страницы, а текст может быть форматированным (жирный, курсив, выбор шрифта, таблицы и т.п.), а также в него можно добавлять изображения. Формат идеально подходит для рефератов, докладов и РПЗ курсовых проектов, которые необходимо распечатать. Кстати перед печатью также сохраняйте файл в PDF, так как принтер может начудить со шрифтами.
















