48300 (608530)
Текст из файла
Міністерство освіти і науки України
Національний університет харчових технологій
Курсова робота з дисципліни
«Програмне забезпечення»
Виконав: студент групи
АКС-4-4 Ширма С.В.
Київ 2010
Завдання 34 20
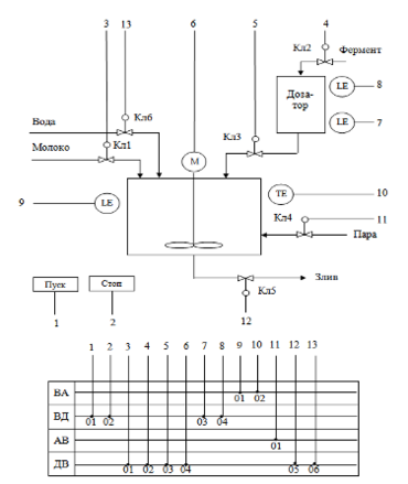
Рис.1 Схема об’єкта управління
У початковому стані всі клапани закриті. Клапан 4 аналоговий.
Після натискання кнопки «ПУСК» відкривається клапан 5 і на 60% клапан 4. На протязі п’яти хвилин відбувається пропарювання апарату. Закривається клапан 4 і через 2 хвилини – клапан 5.
Відкривається клапан 1 і ємність наповндюється молоком до верхнього рівня.
Подається перша доза ферменту в ємність:
відкривається клапан 2 і в дозатор подається фермент, поки не спрацює датчик верхнього рівня дозатора
закривається клапан 2, відкривається клапан 3 (відбувається зливання ферменту до спрацювання датчика нижнього рівня дозатора)
закривається клапан 3.
Подається друга доза ферменту в ємність
Включається двигун і протягом 3 хвилин виконується промивка ємності.
Якщо не натиснута кнопка «СТОП», продовжити роботу починаючи з п. 1, інакше – завершити роботу.
Блок-схема процесу
Вимкнути мотор.
Відкрити кл. 4
Закрити кл.6
Закрити кл.5
Відкрити кл. 2
К:=К+1
9
Так
10
24
25
Схема автоматизації об’єкта керування
ВД – входи дискретні;
ДВ – виходи дискретні;
ВА – входи аналогові;
АВ – аналогові виходи.
Таблиця відповідності адрес входів-виходів різних контролерів, що відповідають умовним позначенням, наведеним у спрощеній схемі автоматизації об’єкта керування.
| Параметр | Умовне позначення на СА | Адреси входів-виходів на МПК | |||
| МПК Ломіконт | МПК Р-130 | МПК TSX Premium | |||
| Вимірювання рівня | ВА01 | ВА001 | ВА01 | %IW3.1 | %MW31 |
| Вимірювання температури | ВА02 | ВА002 | ВА02 | %IW3.0 | %MW30 |
| Пуск | ВД01 | ВД001 | ВД01 | %I1.0 | %M10 |
| Стоп | ВД02 | ВД002 | ВД02 | %I1.1 | %M11 |
| Нижн. рів. дозатора | ВД03 | ВД003 | ВД03 | %I1.2 | %M12 |
| Верх. рів. дозатора | ВД04 | ВД004 | ВД04 | %I1.3 | %M13 |
| Кл4 | АВ01 | АВ001 | АВ01 | %QW4.0 | %MW40 |
| Кл1 | ДВ01 | ДВ001 | ДВ01 | %Q2.0 | %M20 |
| Кл2 | ДВ02 | ДВ002 | ДВ02 | %Q2.1 | %M21 |
| Кл3 | ДВ03 | ДВ003 | ДВ03 | %Q2.2 | %M22 |
| Кл5 | ДВ05 | ДВ005 | ДВ05 | %Q2.3 | %M23 |
| Кл6 | ДВ06 | ДВ006 | ДВ06 | %Q2.4 | %M24 |
| Мішалка | ДВ04 | ДВ004 | ДВ04 | %Q2.5 | %M25 |
Розроблення програмного забезпечення для МПК Ломіконт
Для розроблення прикладного програмного забезпечення МПК Ломіконт використовується пакет програм “Крос-система мови МІКРОЛ”.
| Секція 000 | Пояснення |
| 00 АЛГ 130 1. ВЫХОД = КБ0 2. №=8 3. В/О = ОТКЛ 01 АЛГ 130 1. ВЫХОД = КС000 2. №=128 3. В/О = ОТКЛ 02 ОТКЛ ДВ001 03 ОТКЛ ДВ002 04 ОТКЛ ДВ003 05 ОТКЛ ДВ004 06 ОТКЛ ДВ005 07 ОТКЛ ДВ006 10 АВ001=+0000 11 ТМ05=00.00.00 12 ТМ06=00.00.00 13 ТМ07=00.00.00 14 ВКЛ КБ1 15 ВКЛ КС100 | Закрити всі ключі блоків Закрити всі ключі секцій Закрити клапан подачі молока Закрити клапан подачі фермента Закрити клапан зливу фермента Вимкнути мішалку Закрити клапан зливу Закрити клапан подачі води Закрити клапан подачі пари Обнулити таймер Обнулити таймер Обнулити таймер Включити ключ блока КБ1 Включити ключ секції КС100 |
| Секція 100 | Пояснення |
| 00 ЕСЛИ ВА001>+0000 01 ТОГДА ВКЛ ДВ005 02 ЕСЛИ ВА001=+0000 03 ТОГДА ВКЛ ДВ006 04 ТОГДА ТМ05=00.00.00 05 ТОГДА ВКЛ ТМ05 06 ЕСЛИ ТМ05=00.03.00 07 ТОГДА ОТКЛ ДВ006 10 ТОГДА ОТКЛ ДВ005 11 ТОГДА ОТКЛ КС100 12 ТОГДА ВКЛ КС 101 | Якщо апарат не порожіній Тоді відкриваєм клапан зливу Якщо апарат порожній Тоді відкриваєм клапан подачі води Обнуляєм таймер Запускаєм таймер Якщо вийшов час 3 хв Тоді відключаєм клапан подачі води Тоді відключаєм клапан зливу Тоді закриваєм ключ секції КС100 Тоді відкриваєм ключ секції КС101 |
| Секція 101 | Пояснення |
| 00 ЕСЛИ ВКЛ ВД001 01 ЕСЛИ ОТКЛ ВД002 02 ТОГДА ВКЛ ДВ005 03 ТОГДА АВ001=+0600 04 ТОГДА ТМ05=00.00.00 05 ТОГДА ВКЛ ТМ05 06 ЕСЛИ ТМ05=00.05.00 07 ТОГДА АВ001=+0000 10 ЕСЛИ ТМ05=00.07.00 11 ТОГДА ОТКЛ ДВ005 12 ТОГДА ВКЛ ДВ001 13 ЕСЛИ ВА001=+1000 14 ТОГДА ОТКЛ ДВ001 15 ТОГДА ОТКЛ КС101 16 ТОГДА ВКЛ КС102 | Якщо нажата кнопка «ПУСК» І не нажата кнопка «СТОП» Тоді включаєм клапан зливу І відкриваєм клапан подачі пари на 60% Обнуляєм таймер Запускаєм таймер Якщо вийшов час 5 хв Тоді закриваєм клапан подачі пари +2хв Закриваєм клапан зливу Тоді відкриваєм клапан подачі молока Коли апарат повний Тоді закриваєм клапан подачі молока Тоді виключаєм ключ секції КС101 Тоді включаєм ключ секції КС102 |
| Секція 102 | Пояснення |
| 00 ВКЛ ДВ002 01 ЕСЛИ ВКЛ ВД004 02 ТОГДА ОТКЛ ДВ002 03 ТОГДА ВКЛ ДВ003 04 ЕСЛИ ОТКЛ ВД003 05 ТОГДА ОТКЛ ДВ003 06 ТОГДА ОТКЛ КС102 07 ТОГДА ВКЛ КС103 | Відкрити клапан подачі ферменту Якщо досягнуто верхній рівень Тоді закрити клапан подачі ферменту Тоді відкрити клапан зливу ферменту Якщо дозатор порожній Тоді закрити клапан зливу ферменту Тоді відключити ключ секції КС102 Тоді включити ключ секції КС103 |
| Секція 103 | Пояснення |
| 00 ВКЛ ДВ002 01 ЕСЛИ ВКЛ ВД004 02 ТОГДА ОТКЛ ДВ002 03 ТОГДА ВКЛ ДВ003 04 ЕСЛИ ОТКЛ ВД003 05 ТОГДА ОТКЛ ДВ003 06 ТОГДА ОТКЛ КС103 07 ТОГДА ВКЛ КС104 | Відкрити клапан подачі ферменту Якщо дозатор повний Тоді закрити клапан подачі ферменту Тоді відкрити клапан зливу ферменту Якщо дозатор порожній Тоді закрити клапан зливу ферменту Тоді відключити ключ секції КС103 Тоді включити ключ секції КС104 |
| Секція 104 | Пояснення |
| 00 ВКЛ ДВ004 01 ТМ06=00.00.00 02 ВКЛ ТМ06 03 ЕСЛИ ТМ06=00.03.00 04 ТОГДА ОТКЛ ДВ004 05 ТОГДА АВ001=+1000 06 ЕСЛИ ВА002>+0400 07 ТОГДА АВ001=+0000 10 ТОГДА ВКЛ ДВ005 11 ЕСЛИ ВА001=0000 12 ТОГДА ВКЛ ДВ006 13 ТОГДА ТМ07=00.00.00 14 ТОГДА ВКЛ ТМ07 15 ЕСЛИ ТМ07=00.03.00 16 ТОГДА ОТКЛ ДВ006 17 ТОГДА ОТКЛ ДВ005 20 ЕСЛИ ОТКЛ ВД002 21 ТОГДА ОТКЛ КС104 22 ТОГДА ВКЛ КС101 | Включити мішалку Тоді обнуляєм таймер Тоді запускаєм таймер Коли вийшов час 3 хв Тоді виключаєм мішалку Відкриваєм клапан подачі пари Якщо досягнута температура 400С Тоді закриваєм клапан подачі пари Тоді відкриваєм клапан зливу Якщо апарат порожній Тоді відкриваєм клапан подачі води Тоді обнуляєм таймер Тоді запускаєм таймер Коли вийшов час 3 хв Тоді закриваєм клапан подачі води Тоді закриваєм клапан зливу Якщо не натиснута кнопка «СТОП» Тоді закриваєм ключ секції КС104 Тоді відкриваєм ключ сеції КС101 |
Вибір технічних засобів
1. Для визначення рівня (LЕ) - ємнісні сигналізатори рівня.
Характеристики
Тип файла документ
Документы такого типа открываются такими программами, как Microsoft Office Word на компьютерах Windows, Apple Pages на компьютерах Mac, Open Office - бесплатная альтернатива на различных платформах, в том числе Linux. Наиболее простым и современным решением будут Google документы, так как открываются онлайн без скачивания прямо в браузере на любой платформе. Существуют российские качественные аналоги, например от Яндекса.
Будьте внимательны на мобильных устройствах, так как там используются упрощённый функционал даже в официальном приложении от Microsoft, поэтому для просмотра скачивайте PDF-версию. А если нужно редактировать файл, то используйте оригинальный файл.
Файлы такого типа обычно разбиты на страницы, а текст может быть форматированным (жирный, курсив, выбор шрифта, таблицы и т.п.), а также в него можно добавлять изображения. Формат идеально подходит для рефератов, докладов и РПЗ курсовых проектов, которые необходимо распечатать. Кстати перед печатью также сохраняйте файл в PDF, так как принтер может начудить со шрифтами.
















