48300 (608530), страница 2
Текст из файла (страница 2)
Вхідний дискретний сигнал (03 та 04).
2. Для неперервного вимірювання рівня (LE) – ультразвуковий рівнемір з вихідним сигналом 0 – 20 мА. При підключенні до МПК – вхідний аналоговий сигнал (01).
3. Для вимірювання температури (ТЕ) – термометр опору з вбудованим нормуючим перетворювачем і вихідним сигналом 0 – 20 мА. Вхідний аналоговий сигнал (02).
4. Кнопки «Пуск» та «Стоп» – вхідні дискретні сигнали (01 та 02).
5. Клапани Кл 1, Кл 2, Кл 3, Кл 5, Кл 6 – дискретні електропневматичні клапани. 5 дискретних вихідних сигналів – 01, 02, 03, 05, 06.
6. Управління мішалкою за допомогою магнітного пускача. Дискретний вихідний сигнал – 04.
7. Клапан Кл 4 – пневматичний клапан з аналоговим електропневматичним перетворювачем. Управляючий сигнал 0 – 20 мА. Аналоговий вихідний сигнал – 01.
Таким чином для управління об’єктом необхідно сконфігурувати МПК який забезпечує підключення: 4 дискретних вхідних сигнали, 6 дискретних вихідних сигнали, 2 вхідних аналогових сигнали 0 – 20 мА 1 аналоговоговий вихідний сигнал 0 – 20 мА.
Конфігурування МПК і схеми підключення зовнішніх пристроїв МПК Ломіконт
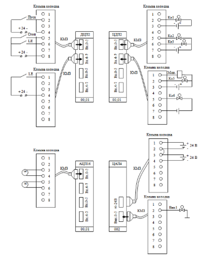
Для реалізації алгоритму управління можна вибрати модель Ломіконта Л-120 з наступною конфігурацією:
Модулі базового комплекту: ПРЦ7 і МП7.
Модулі входів-виходів:
- 1 модуль дискретних входів – ДЦП2. 16 входів, настроєний на роботу з групами змінних 00 і 01;
- 1 модуль дискретних виходів – ЦДП2. 16 виходів, настроєний на роботу з групами змінних 00 і 01;
- 1 модуль аналогових входів АЦП16 (включає в себе по одному модулю гальванічного розподілення РГ12 на групи 00 і 01) - 16 входів, настроєний на роботу з групами змінних 00 і 01. Для сигналів від датчиків рівня і температури 0 – 20 мА на клемній колодці встановлюються резистори 400 Ом;
- 1 модуль аналогових виходів ЦАП4. 4 виходи, настроєний на роботу з групою змінних 00 з сигналом 0-20 мА.
Схема підмикання в МПК Ломіконт
Для реалізації алгоритму управління на базі Реміконта 130, у відповідності з типами і кількістю зовнішніх сигналів вибираєм регулюючу модель Реміконта 130 з модифікацією – 15.
Прикладне програмне забезпечення для МПК Реміконт Р-130 розробляється за допомогою “крос-системи” на ПЕОМ. Враховуючи поставлені в умові задачі вимоги щодо керування обрали наступну модель контролера:
Модель контролера: Регулююча
Комплектність групи А: МАС 8 ан.вх. і 2 ан.вих.(1)
Комплектність групи Б: МСД 8 д.вх. і 8 д.вих.(5)
Часовий діапазон контролера: Старший(Мин/Час)
Час циклу: 0.2 сек.
Під‘єднання зовнішніх пристроїв до рознімів контролера відбувається за допомогою клемно-блокових з‘єднань.
Підключення датчиків і виконавчих механізмів до МПК Реміконт-130
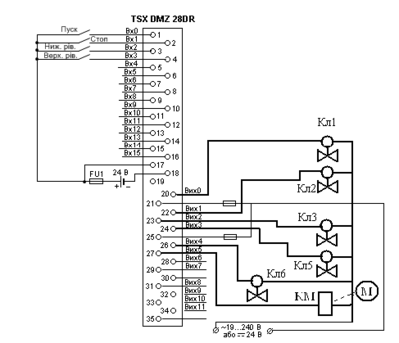
Modicon TSX Micro 3705
Рис. 2 Конфігурування контролера Modicon TSX Micro 3705
До складу контролера крім процесорного модуля входять:
- комбінований повноформатний модуль TSX DMZ 28DR, який встановлений у першому слоті і займає 1-е і 2-е місця. Модуль має 16 дискретних входів з напругою 24 В постійного струму та 12 релейних виходів з струмом комутації 3 А та напругою 24 В постійного струму і 24-240 В змінного струму;
- напівформатний модуль аналогових входів TSX AEZ 802, який розташований на 3-му місці і працює з 8 аналоговими сигналами 0-20 або 4-20 мА;
- ніпівформатний модуль аналогових виходів TSX ASZ 200, який розташований на 4-му місці і працює з 2 аналоговими сигналами 0-20, 4-20 мА або 0-10 В;
Рис. 3 Підключення дискретних входів та виходів
Рис. 4 Підключення аналогових входів та аналогового виходу
Рис. 5 Конфігурування процесорного модуля
Рис. 6 Конфігурування модуля дискретних входів
Рис. 7 Конфігурування модуля дискретних виходів
Рис. 8 Конфігурування модуля аналогових входів
Рис. 9 Конфігурування модуля аналогових виходів
Рис. 10 Конфігурування таймерів
Фрагмент програми імітації:
IF %M10 AND NOT %M11 THEN (*якшо нажата кнопка ПУСК і не нажата кнопка СТОП*)
IF %MW19=0 THEN (*ОБНУЛЯЄМ ТАЙМЕРИ*)
DOWN %TM1;
DOWN %TM2;
DOWN %TM3;
DOWN %TM4;
%MW19:=1;
END_IF;
IF %MW19=1 THEN (*ВІКДРИВАЄМ КЛ 5 І НА 40% КЛ 4*)
SET %M43;
%MW30:=6000;
START %TM1;(*ЗАПУСКАЄМ ТАЙМЕР 1*)
%MW19:=2;
END_IF;
IF %MW19=2 THEN (*ЯКЩО ВИЙШОВ ЧАС 5ХВ, ТО ЗАКРИВАЄМ КЛ4 І ЗАПУСКАЄМ ТАЙМЕР 2*)
IF %TM1.Q THEN
%MW30:=0;
START %TM2;
%MW19:=3;
END_IF;
END_IF;
IF %MW19=3 THEN (*КОЛИ ВИЙШОВ ЧАС 2 ХВ, ТО ЗАКР КЛ 5 І ВІДКР КЛ 1*)
IF %TM2.Q THEN
RESET %M43;
SET %M40;
SET %M48;
%MW19:=4;
END_IF;
END_IF;
IF %MW19=4 THEN (*НАПОВНЮЄМ БАЧОК МОЛОКОМ*)
%MW21:=%MW21+50;
IF %MW21>=10000 THEN %MW19:=5;
END_IF;
END_IF;
IF %MW19=5 THEN (*ЯКЩО БАЧОК ПОВНИЙ, ТО ЗАКР КЛ 1, ОБНУНИЛИ ПОКАЗНИК ДОЗ*)
IF %MW21>=10000 THEN
RESET %M40;
%MW200:=0;
%MW19:=20;
END_IF;
END_IF;
(*початок дозування*)
IF %MW19=20 THEN
%MW200:=1;
SET %M41;SET %M12;DOWN %TM5;START %TM5;%MW19:=21;
END_IF;
IF %MW19=21 THEN
IF %TM5.Q THEN SET %M13;RESET %M41;SET %M42;DOWN %TM6;START %TM6;RESET %M13;%MW19:=22;END_IF;
END_IF;
IF %MW19=22 THEN
IF %TM6.Q THEN RESET %M12;RESET %M42;%MW19:=23;END_IF;
END_IF;
(**)
IF %MW19=23 THEN
%MW200:=2;
SET %M41;SET %M12;DOWN %TM5;START %TM5;%MW19:=24;
END_IF;
IF %MW19=24 THEN
IF %TM5.Q THEN SET %M13;RESET %M41;SET %M42;DOWN %TM6;START %TM6;RESET %M13;%MW19:=25;END_IF;
END_IF;
IF %MW19=25 THEN
IF %TM6.Q THEN RESET %M12;RESET %M42;%MW19:=6;END_IF;
END_IF;
(*кінець дозування*)
IF %MW19=6 THEN (*ЯКЩО ДВІ ДОЗИ..., ТО ВКЛЮЧАЄМ МІШАЛКУ І ТАЙМЕР 3*)
SET %M45;
START %TM3;
%MW19:=7;
END_IF;
IF %MW19=7 THEN (*КОЛИ ВИЙШОВ ЧАС 3ХВ, ТО ВИКЛ МІШАЛКУ, ВІДКРИТИ КЛ 4 ПОВНІСТЮ*)
IF %TM3.Q THEN
RESET %M45;
%MW30:=10000;
%MW19:=8;
END_IF;
END_IF;
IF %MW19=8 THEN (*підігрівання*)
%MW20:=%MW20+20;
IF %MW20>=4000 THEN %MW19:=9;
END_IF;
END_IF;
IF %MW19=9 THEN (*КОЛИ ТЕМПЕРАТУРА=40 ГРАД, ТО ЗАКР КЛ 4, ВІДКР КЛ 5*)
IF %MW20>=4000 THEN
%MW30:=0;
SET %M43;
SET %M49;
%MW19:=10;
END_IF;
END_IF;
IF %MW19=10 THEN (*ЗЛИВ МОЛОКА*)
%MW21:=%MW21-50;
IF %MW21<1 THEN %MW19:=11;
END_IF;
END_IF;
IF %MW19=11 THEN (*КОЛИ АПАРАТ ПОРОЖНІЙ, ВІДКРИТИ КЛ 6, ЗАПУСТИТИ ТАЙМЕР 4*)
IF %MW21=0 THEN
%MW20:=0;
SET %M44;
START %TM4;
%MW19:=12;
END_IF;
END_IF;
IF %MW19=12 THEN
IF %TM4.Q THEN (*КОЛИ ВИЙШОВ ЧАС 6 ХВ, ЗАКР КЛ 6, ЗАКР КЛ 5 *)
RESET %M44;
RESET %M43;
%MW19:=0;
END_IF;
END_IF;
END_IF;
Копія екрану Runtime Screen:
Література
1. Ельперін І.В. Промислові контролери: Навч.посіб. – К.: НУХТ, 2003. – 320 с.
2. Ельперін І.В. Промислові контролери. Частина 1.: Конспект лекцій до вивчення дисц. Для студ. Спец. 6.092500 «автоматизоване управління технологічними процесами» і «Комп‘ютерно-інтегровані технологічні процеси і виробництва» напряму підготовки 0925 «Автоматизація і комп‘ютерно-інтегровані технології». – К.: НУХТ, 2007. – 84 с.
3. Ельперін І.В. Промислові контролери. Частина 2.: Конспект лекцій до вивчення дисц. Для студ. Спец. 6.092500 «автоматизоване управління технологічними процесами» і «Комп‘ютерно-інтегровані технологічні процеси і виробництва» напряму підготовки 0925 «Автоматизація і комп‘ютерно-інтегровані технології». – К.: НУХТ, 2007. – 84 с.
4. Мікропроцесорні пристрої і системи управління в харчовій промисловості: Навч. Посібник /І.В.Ельперін, Є.Л.Календро, А.П.Ладанюк. -К.: ІСДО, 1994. - 140 с.
5. Мікропроцесорні та програмні засоби автоматизації: Метод. вказівки до виконання курс. проекту для студ. спец. 6.092501 “Автоматизоване управління технологнічними процесами” та 6.092502 “Комп‘ю-терно-інтегровані технологічні процеси та виробництва”ден. та заоч.форм навчання / Уклад.: І.В. Ельперін, В.М. Кушков, Г.В. Кабальський. – К.: УДУХТ, 2001. – 16 с.
6. Мікропроцесорні пристрої та системи автоматики: Метод. Вказівки до вивчення дисципліни для студтів спец.. 7.092501 “Автоматизація технологнічних процесів і виробництв заоч. форми навчання” / Уклад.: І.В. Ельперін, В.М. Кушков.– К.: УДУХТ, 1998. – 20 с.
1>














