48166 (608482), страница 2
Текст из файла (страница 2)
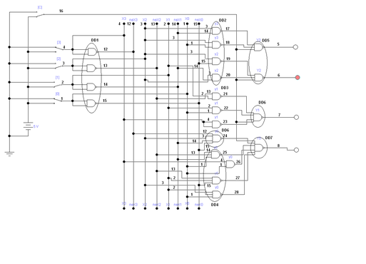
Полученные таким образом булевы функции записаны в едином базисе И-НЕ и являются основой для составления структурной схемы ПК.
2.5. Составление структурной схемы ПК (приложение А)
Структурная схема ПК составляется непосредственно по полученным минимальным булевым функциям единого базиса И-НЕ. В выражении каждой булевой функции просматривается три указания по рациональному вычерчиванию структурной схемы. Все входящие в них переменные представлены тремя уровнями. Нижний уровень переменных - сами входные переменные и их инверсии. За реализацию этого уровня переменных отвечает «слой» инверторов, расположенных на структурной схеме рис. 2 слева (I). В целях унификации типов логических ИМС инверторы выполняются на базе двухвходовых логических элементов И-НЕ с объединенными входами. Далее для удобства рисования структурной схемы наносятся вертикальные шины входных переменных и их инверсий.
Следующий уровень переменных - конъюнкции из двух, трех или четырех переменных нижнего уровня. Слой конъюнкторов (II) содержит двух-, трех - или четырехвходовые логические элементы И-НЕ. Разводка входов элементов выполняется на основе выражений булевых функций для соответствующих выходов Yi.
Наконец, верхним уровнем переменных являются сами выходные переменные ПК. Они также реализуются на выходах двух- или трех- входовых логических элементов И-НЕ, как это следует из выражений булевых функций.
Однако для осуществления функции стробирования CS низким уровнем, количество входов каждого логического элемента И-НЕ последнего уровня (III) увеличено на единицу. Вход стробирования CS заведен на каждый логический элемент последнего уровня. В результате этого при CS =0 все Yi = 1 и какую бы комбинацию мы не подали на вход, на выходе ничего не изменится.
Приложение А:
Структурная схема ПК
2.6. Обоснованный выбор элементной базы, представление ИМС
Подсчет количества логических элементов разного типа по структурной схеме дает следующие результаты: 12х2И-НЕ, 5х3И-НЕ, 2х4И-НЕ и 1х6И-НЕ. Учитывая, что одна ИМС логики (один корпус ИМС) в типовом варианте содержит либо 4х2И-НЕ, либо 3х3И-НЕ, либо 2х4И-НЕ, либо 8И-НЕ, делаем заключение по общему количеству ИМС в составе ПК. Оно равно восьми: 3 ИМС 4х2И-НЕ, 2 ИМС 3х3И-НЕ, 2 ИМС 2х4И-НЕ и 1 ИМС 8И-НЕ. Таким образом, тип логических ИМС выбран – это микросхемы подгруппы ЛА, выполняющие логическую операцию И-НЕ. В зависимости от количества входов они имеют следующие различия по функциональному признаку (для микросхем со стандартным выходом): ЛА3 – 4х2И-НЕ, ЛА4 – 3х3И-НЕ, ЛА1 – 2х4И-НЕ, ЛА2 – 8И-НЕ.
Теперь необходимо сделать выбор конкретной серии ИМС. Поскольку на потребляемую ПК мощность Рпотр по условиям ТЗ ограничений не наложено, примем за основу ИМС на биполярных структурах технологии ТТЛ серий 133 (78), 134 (44), 155 (89), К155 (103), КМ155 (91) или ТТЛШ серий 530 (58), К531 (66), 533 (102), К555 (98), 1533 (56), которые наиболее функционально полны (в скобках рядом с номером серии указано количество типономиналов ИМС в серии – по данным на 1990 год).
Быстродействие цифрового устройства зависит от суммарного времени задержек элементов наиболее длинной цепи между входом и выходом устройства. Взгляд на структурную схему ПК позволит сказать, что в данном случае между входами и выходами устройства последовательно включены по три логических элемента, для каждого из которых время задержки можно принять одинаковым в рамках одной серии. Следовательно, допустимое время задержки на один выбираемый элемент равно одной трети от t зд.р, заданного в ТЗ, что составляет 0.3/3 микросекунды или 100 наносекунд. По этому времени задержки делаем окончательный выбор среди серий К561 (КМОП). Остановимся на коммерческих ИМС К561 и К555.
Итак, определены ИМС для проектируемого ПК - это типономиналы серии К561: К561ЛА7, К561ЛА9, К561ЛА8 и К555 ЛА2. Их условные графические обозначения приведены на рис. 2.
К561ЛА7 К561ЛА9 К561ЛА8 К555ЛА2
Рис. 2 Условные графические обозначения МС
2.7. Составление электрической схемы в соответствии с ЕСКД (приложение Б)
Всего в составе ПК 10 ИМС. Сделаем разводку их входов и выходов с помощью шины. При этом можно следовать такому порядку:
- на листе необходимого формата регулярно располагаются все выбранные ИМС с указанием номеров выводов;
-
проводятся шины, с которыми соединяются все выводы ИМС;
-
изображается контактный разъем, содержащий необходимое количество контактов, обеспечивающих прием и выдачу логических переменных, подвод напряжения питания; сигналов управления и проч.;
-
номера контактов разъема образуют первые номера проводов шины;
-
далее «распределяют роли» между логическими элементами на структурной схеме и элементами конкретных ИМС на схеме электрической. Для пояснения этой процедуры на структурной схеме (приложение А) пунктиром объединены группы логических элементов, входящие в состав ИМС DD1-DD7;
-
далее последовательно, начиная с корпуса ИМС DD1 и заканчивая ИМС DD10 ведут разводку всех выводов ИМС через шину, присваивая всё новые номера проводникам шины.
Приложение Б:
Рис. 3–Электрическая схема преобразователя кода.
DD1, DD2, DD3 – К561ЛА7; DD4, DD5 – К561ЛА9; DD6 – К561ЛА8; DD7 - К555ЛА2
Приложение В
| 0 | 1 | 2 | 3 | 4 | 5 | 6 | 7 | 8 | 9 | |
| X3 |
|
|
|
|
|
|
|
|
|
|
| X2 |
|
|
|
|
|
|
|
|
|
|
| X1 |
|
|
|
|
|
|
|
|
|
|
| X0 |
|
|
|
|
|
|
|
|
|
|
| Y3 |
|
|
|
|
|
|
|
|
|
|
| Y2 |
|
|
|
|
|
|
|
|
|
|
| Y1 |
|
|
|
|
|
|
|
|
|
|
| Y0 |
|
|
|
|
|
|
|
|
|
|
2.8. Расчеты энергопотребления и быстродействия устройства
Энергопотребление всего преобразователя кода равно суммарной мощности, потребляемой всеми логическими элементами ИМС. Всего их 21 (хотя структурная схема содержит 20 элементов). Разница объясняется тем, что в ИМС DD5 не задействован один ЛЭ, не смотря на это, они подключены к источнику питания и потребляют от него мощность. Как следует из справочных данных, ЛЭ данной серии имеют среднее потребление 2 мВт, следовательно, общее потребление равно 2*21 = 42 мвт.
Что касается быстродействия, то его оценка очень проста, как уже отмечалось ранее. На самом длинном пути между любым входом и выходом ПК находится три последовательно включенных ЛЭ, задержки в которых суммируются. То же справочное приложение дает на 1 ЛЭ задержку 100 нс. Суммарная задержка равна 3 х 100 = 300 нc, что удовлетворяет условию ТЗ.
Предусмотреть вход стробирования низким уровнем CS (IE)
Реализация функции стробирования ПК была обсуждена в пункте «Составление структурной схемы» при обсуждении структурной схемы. Данная функция является очень полезной при разработке цифровых устройств, ею снабжено абсолютное большинство цифровых ИМС большой и сверхбольшой степени интеграции.
Заключение
В ходе выполнения курсового проекта был спроектирован преобразователь кода, рассчитано его энергопотребление и быстродействие, нарисованы структурная и электрическая схемы, построены временные диаграммы.
Список источников информации
-
Шульгин О.А., Шульгина О.Б., Воробьев А.Б. Справочник «Цифровые логические микросхемы» 2 часть (ТТЛ, ТТЛШ, ЭСЛ) – 1999-2000 г.г.
-
Шевелев Ю. П. Дискретная математика, комбинаторика. Теория графов: Учебное пособие. – Томск: Томск. гос. ун-т систем управления и радиоэлектроники, 1999. – 120с.
















