46730 (607924)
Текст из файла
СОДЕРЖАНИЕ
Введение
1 Выбор и обозначение основных технических решений
1.1 Связь проектируемого устройства с IBM PC
1.2 Особенности магистрали ISA
1.3 Связь проектируемого устройства с внешними устройствами
1.4 Общая структурная схема
1.5 Возможные варианты структурных схем и их сравнительный анализ
1.6 Обоснование выбора структурной схемы
1.7 Обоснование выбора типа ОМК
2 Структурная схема устройства и ее описание
2.1 Структурная схема.
2.1.1 Назначение отдельных функциональных блоков.
2.1.1.1 Селектор адреса
2.1.1.2. Буфер данных
2.1.1.3 Блок CPU.
3 Разработка принципиальной схемы устройства
3.1 Блок регистров
3.2 Блок приема данных (от ВУ)
3.3 Блок прерываний
3.4 Блок сопроводительных стробов
4 Расчет основных параметров и характеристик
4.1 Расчет потребляемых токов
4.2 Расчет потребляемой мощности
4.3 Расчет надежности
5 Разработка и отладка рабочей программы МКУ
5.1 Блок – схема алгоритма и его описание
5.2 Структура программы
5.3 Распределение памяти данных
5.4 Текст программы
Заключение
Список используемой литературы
ВВЕДЕНИЕ
Однокристальные микроконтроллеры (ОМК) позволяют существенно расширить интеллектуальные возможности различного рода устройств и систем. Они представляют собой, по сути, специализированные однокристальные микроЭВМ, содержащие для связи с внешней средой встроенные периферийные узлы и устройства, набор которых во многом определяет их функциональные возможности и области применения.
Они стали сегодня одним из самых распространенных элементов программируемой логики. Более двух третей мирового рынка микропроцессорных средств в настоящее время составляют именно однокристальные микроконтроллеры.
В структуру ОМК семейства PIC заложено много различных функциональных особенностей, делающих их самыми высокопроизводительными, микропотребляющими, помехозащищенными, программируемыми пользователем 8-ми битными микроконтроллерами. Благодаря этим особенностям ОМК семейства PIC могут обрабатывать аппаратно-программным способом как дискретные, так и аналоговые сигналы, а также формировать различного рода управляющие сигналы, а также осуществлять связь между собой и ЭВМ, находящейся на более высоком иерархическом уровне в системе.
Существует два принципиально разных подхода к проектированию цифровых устройств: использование принципа схемной логики или использование принципа программируемой логики.
Следует иметь в виду, что наивысшее быстродействие достигается в процессорах, в которых управляющее устройство строится с использованием системной логики, а операционное устройство выполняется в виде устройства, специализированного для решения конкретной задачи.
Если в устройстве, построенном на принципе системной логики, всякое изменение или расширение выполняемых функций влечет за собой демонтаж устройства и монтаж устройства по новой схеме, то в случае МКУ благодаря использованию принципа программируемой логики такое изменение достигается заменой хранящегося в памяти программы новой программой, соответствующей новым выполняемым устройством функциям.
Такая гибкость применений вместе с другими связанными с использованием БИС достоинствами (низкой стоимостью, малыми габаритами), а также высокая точность, помехозащищенность, характерные для цифровых методов, обусловили бурное внедрение МКУ в различные сферы производства, научные исследования и бытовую технику.
1 ВЫБОР И ОБОЗНАЧЕНИЕ ОСНОВНЫХ ТЕХНИЧЕСКИХ РЕШЕНИЙ
1.1 Cвязь проектируемого устройства с IBM PC
Обмен информацией между разрабатываемым адаптером и памятью осуществляется посредством системной шины ISA (Industrial Standard Architecture).
Приемником информации является интерфейсная часть разрабатываемого устройства.
В соответствии с определением интерфейса, должна обеспечиваться информационная, электрическая и конструктивная совместимость. Информационная совместимость предполагает использование сигналов магистрали. Электрическая совместимость подразумевает согласование уровней входных, выходных и питающих напряжений и токов.
Интерфейсная часть устройства содержит в себе селектор адреса и буфер для обмена информацией с магистралью ISA.
Буферирование магистральных сигналов применяется для электрического согласования и выполняет две основные функции: электрическая развязка (для всех сигналов) и передача сигналов в нужном направлении (только для двунаправленных сигналов).
1.2 Особенности магистрали ISA
Магистраль ISA была разработана специально для персональных компьютеров типа IBM PC AT и является фактическим стандартом для всех изготовителей.
Магистраль ISA относится к демультеплексированным (то есть имеющим раздельные шины данных и адреса) 16-ти разрядным системным магистралям среднего быстродействия. Обмен осуществляется 8-ми и 16-ти разрядными данными. На магистрали реализован раздельный доступ к памяти компьютера и к устройствам ввода/вывода (для этого имеются специальные сигналы).
Максимальный объем адресуемой памяти составляет 16Мб (24 адресные линии). Максимальное адресное пространство для устройств ввода/вывода – 64 Кб (16 адресных линий), хотя практически все выпускаемые платы расширения используют только 10 адресных линий (1Кб). Магистраль поддерживает регенерацию динамической памяти, радиальные прерывания и прямой доступ к памяти. Допускается также захват магистрали.
Разъем магистрали ISA разделен на две части, что позволяет уменьшать размеры 8-ми разрядных плат расширения, а также использовать платы, разработанные для компьютеров IBM PC XT.
Следует отметить, что в магистрали ISA используется положительная логика на шинах адреса и данных, то есть единице соответствует высокий уровень напряжения, а нулю — низкий. На магистрали присутствуют четыре напряжения питания: +5В, -5В, +12В, -12В, которые могут использоваться платами расширения.
Стандартом магистрали ISA установлены ограничения на максимальное значение тока, потребляемого каждой платой расширения (они связаны только с возможностями используемого разъема). Значения этих токов приведены в таблице 1.1.
Максимальные токи потребления платами расширения
Таблица 1.1
| Напряжение | 8-ми разрядная плата | 16-ти разрядная | 
| +5В | 3.0 A | 4.5 A | 
| -5В | 1.5 A | 1.5 A | 
| +12В | 1.5 A | 1.5 A | 
| -12В | 1.5 A | 1.5 A | 
Максимальный ток потребления всеми используемыми платами расширения определяется типом источника питания данного компьютера и не стандартизирован.
При проектировании УС помимо протоколов обмена по магистрали надо учитывать также электрические характеристики сигналов. Стандарт магистрали определяет требования к входным и выходным токам приемников и источников сигнала каждой из плат расширения. Несоблюдение этих требований может нарушить функционирование всего компьютера и даже вывести его из строя.
Выходные каскады передатчиков магистральных сигналов УС должны выдавать ток низкого уровня не менее 24 мА (это относится ко всем типам выходных каскадов), а ток высокого уровня – не меньше 3 мА (для выходов с тремя состояниями и ТТЛ). Входные каскады приемников магистральных сигналов должны потреблять входной ток низкого уровня не больше 0.8 мА, а входной ток высокого уровня – не больше 0.04 мА.
Кроме этого необходимо учитывать, что максимальная длина печатного проводника от контакта магистрального разъема до вывода микросхемы не должна превышать 65 мм, а максимальная емкость относительно земли по каждому контакту магистрального разъема не должна быть больше 20 пФ.
К некоторым линиям магистрали подключены нагрузочные резисторы, идущие на шину питания +5В. К линиям -IOR, -IOW, -MEMR, -MEMW, -SMEMR, -SMEMW, -I/O CH CK подключены резисторы 4.7 кОм, к линиям -I/O CS 16, -MEM CS 16, -REFRESH, -MASTER, -OWS — 300 Ом, а к линиям I/O CH RDY – 1 кОм. Кроме того, к некоторым линиям магистрали подключены последовательные резисторы: к линиям -IOR, -IOW, -MEMR, -MEMW,-SMEMR, -SMEMW и OSC – резисторы номиналом 22 Ом, а к линии SYSCLK – 27 Ом.
1.3 Связь проектируемого устройства с внешними устройствами
Связь проектируемого устройства с внешними устройствами осуществляется с помощью операционной части проектируемого устройства. Операционная часть выполняет прием данных от внешних устройств и передачу донных во внешние устройства с помощью буферных элементов.
1.4 Общая структурная схема
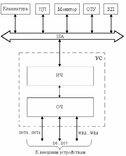
На основе выше изложенного предлагается следующая общая структурная схема (рис. 1.1).
Данные из ОЗУ компьютера по системной шине ISA поступают на устройство сопряжения. Интерфейсная часть осуществляет согласование УС с системной шиной. Данные из интерфейсной части устройство передаются операционной части, с помощью которой эти данные передаются во внешние устройства.
При передаче данных из внешнего устройства в ОЗУ компьютера осуществляется следующим образом: операционная часть согласует внешние устройства и устройство сопряжения. Данные через ОЧ передаются в ИЧ и посредством системной шины - в ОЗУ компьютера.
С помощью клавиатуры осуществляется запуск и останов работы драйвера устройства сопряжения. Монитор служит для отображения выводимых сообщений во время работы УС. Все данные операции производятся под управлением центрального процессора.
  
 
ЦП – центральный процессор
ОЗУ – оперативное запоминающее устройство
УС – устройство сопряжения
ИЧ – интерфейсная часть
ОЧ – операционная часть
КП – контроллер прерываний
Рис. 1.1 – Общая структурная схема
1.5 Возможные варианты структурных схем и их сравнительный анализ
Для реализации данного устройство можно предложить два варианта:
-  на одном кристалле; 
-  на двух кристаллах. 
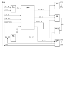
Вариант структурной схемы устройства на одном кристалле приведен на рисунке 1.2.
СА – селектор адреса
БД – буфер данных
WR – блок сопроводительных стробов
БР – блок регистров
БПД – блок приема данных
INT – блок обработки прерываний
Рис. 1.2 – Структурная схема устройства на одном кристалле
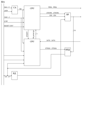
Вариант структурной схемы устройства на двух кристаллах приведен на рисунке 1.3.
СА – селектор адреса
БД – буфер данных
БР – блок регистров
БПД – блок приема данных
Рис. 1.3 – Структурная схема устройства на двух кристаллах
Алгоритмы работы микропроцессоров, согласно структурной схемы,
  Начало
 Начало
  
  
  
 
 
  
  
  
  
  
  
  
  
  
  
  
  
  
  
  
  
 
 
Опрос
RESET
  
  
 
 
  
  
  да RESET = "1"
 да RESET = "1"
  
  
 
 
  
  
  нет
 нет 
Выдать SS=
"1111111" Опрос Ок!
  
  
 
 
Характеристики
Тип файла документ
Документы такого типа открываются такими программами, как Microsoft Office Word на компьютерах Windows, Apple Pages на компьютерах Mac, Open Office - бесплатная альтернатива на различных платформах, в том числе Linux. Наиболее простым и современным решением будут Google документы, так как открываются онлайн без скачивания прямо в браузере на любой платформе. Существуют российские качественные аналоги, например от Яндекса.
Будьте внимательны на мобильных устройствах, так как там используются упрощённый функционал даже в официальном приложении от Microsoft, поэтому для просмотра скачивайте PDF-версию. А если нужно редактировать файл, то используйте оригинальный файл.
Файлы такого типа обычно разбиты на страницы, а текст может быть форматированным (жирный, курсив, выбор шрифта, таблицы и т.п.), а также в него можно добавлять изображения. Формат идеально подходит для рефератов, докладов и РПЗ курсовых проектов, которые необходимо распечатать. Кстати перед печатью также сохраняйте файл в PDF, так как принтер может начудить со шрифтами.















