20099-1 (602958)
Текст из файла
Электроснабжение горно-обогатительного комбината
Курсовой проект разработал: Казаковцев Н. Ю.
Министерство образования Российской Федерации
Нижнетагильский горно-металлургический колледж имени Е.А. и М.Е. Черепановых
20.04.2003 г.
Расчет эл.нагрузок. Выбор схемы эл.снабжения. Компенсация реактивной мощности. Выбор силовых трансформаторов. Расчет токов короткого замыкания . Расчет и выбор питающей линии. Выбор оборудования.
Введение
Цель курсового проекта: научится работать со справочной литературой, произвести расчет схемы электроснабжения горно-обогатительного комбината.
Наиболее крупные энергосберегающие мероприятия в горно-обогатительной промышленности реализуются на базе использования попутных продуктов и отходов производства. Так же предусматривается обеспечить энергосбережение за счет разработки и внедрения, прогрессивных особо малоотходных разработок.
Роль электроэнергии, надежного энергоснабжения для работы промышленного предприятия? Наличие достаточного количества энергии и ее видов, решение проблем ее рационального использования определяют в конечном итоге экономический рост, ее национальную безопасность. В этих условиях необходим постоянный пересмотр отношения к потреблению топлива и энергии с особым акцентом на энергосбережение – систему знаний, через которую за счет улучшения эффективности использования энергии достигается сокращение расходной части энергетического баланса.
1.Расчет электрических нагрузок
Строим суточный график активной нагрузки:
Определяем полную максимальную мощность:
S
=
(1.1)
Где P
- максимальная нагрузка; cos
- коэффициент мощности
S
= 16.2/0.83 =19518 кВ*А
Определяем максимальную реактивную мощность:
Q
=S
* sin
(1.2)
Error: Reference source not found
24часа
Где S
- полная максимальная мощность
sin
=
(1.3)
sin
=
=0,56
Q
= 19518*0,56=10930 квар
1.4 Определяем расход активной энергии за сутки по площади графика активной нагрузки:
W
=
*t (1.4)
Где
*t –произведение значений активной мощности за сутки
W
=14.7*7+16.2*4+14.2*4+15.2*3+14.9*2+13.2*4=352.7 МВт*час
1.5 Определяем среднюю активную мощность за сутки:
P
=
(1.5)
Где W
- расход активной энергии за сутки
P
= 352,7/ 24 = 14,7 мВт
1.6 Определяем коэффициент заполнения графика:
K
=
(1.6)
Где P
- средняя активная мощность за сутки; P
- максимальная нагрузка
K
=14,7/16,2= 0,9
1.7 Определяем расход активной энергии за год:
W
= W
* 365 (1,7)
W
=352,7*365=128735,5мВт*час
1.8 Определяем время использования максимума:
T
=
(1.8)
T
=128735.5/16.2=7946.6 час
1.9 Определяем время потерь при T
=7946,6 час, cos
=0,83
= 7250 час – согласно графика для определения потерь
1.10 Строим годовой график расхода эл. энергии:
8760 часов в год
2.Выбор схемы эл.снабжения
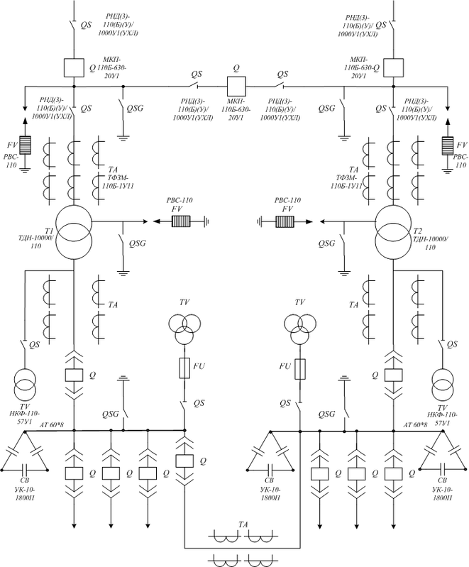
Для питания горно-обогатительного комбината с максимальной нагрузкой 19.5 МВ*А принимаем глубокий ввод – это подвод эл.энергии высокого напряжения как можно ближе к потребителю при этом достигается экономия капитальных вложений до 20% и снижается потеря эл.энергии до 10%, уменьшаются токи короткого замыкания и повышается надежность эл.снабжения. Для питания ввода выбираем две воздушные линии электропередач, так как они дешевле кабельных линий, удобны для осмотра и ремонта. Система шин РУ вторичного напряжения 10 кВ одинарная, секционированная по числу силовых трансформаторов. Для обеспечения надежности схемы эл.снабжения принимаем схему с двумя трансформаторами, так как в случае аварии или ремонта на одном из трансформаторов потребители будут получать питание от оставшегося в работе трансформатора. Так же для обеспечения надежности схемы электроснабжения принимаем схему с выключателями на стороне высшего напряжения с двумя перемычками. Перемычки обеспечивают гибкость и надежность схемы электроснабжения. В случае аварии на одной из Л.Э.П. ее отключают с двух сторон, замыкают соответствующие перемычки и тогда трансформаторы получают питание по оставшейся в работе Л.Э.П. В результате включения перемычек потребители бесперебойно получают электроэнергию. Мощность трансформаторов и сечение проводов выбирают так, чтобы в нормальном режиме работы они были загружены на 80 - 90%, а при возможном отключении одной из линии или трансформатора, оставшиеся в работе, хотя и с допустимой перегрузкой обеспечивали бесперебойную работу предприятия. На вводе установлены: разьеденитель, выключатель, вентильные разрядники, заземляющие разьеденители и выключатели перемычек. Режим работы линии и трансформаторов раздельный и соответственно характер резерва будет неявный. Согласно произведенному выбору схемы электроснабжения строим данную схему.
Схема ГПП представлена на рисунке 2.1.
Для повышения cos
горно-обогатительного комбината с cos
=0,83 до cos
=0,95 необходимо выбрать компенсирующее устройство.
3.1 Определяем мощность компенсирующего устройства:
Q
=P
*(tg
- tg
) (3.1)
tg
= 0,6 при cos
=0,83
tg
= 0,3 при cos
=0,95 – требуемый cos
.
Q
= 16200* (0,6-0,3) = 4860 квар
Где Q
- мощность компенсирующего устройства
3.2 Принимаем конденсаторную батарею типа УК-10Н-1800П в количестве трех штук мощность батареи 1800 квар и суммарной мощностью 5400 квар.
3. Компенсация реактивной мощности
3.3 Рассчитываем значение полной мощности, после установки компенсирующего устройства (конденсаторной батареи):
S
’ =
(3.2)
S
’ =
=17118 кВ*А
Рис.2.1 Принципиальная схема ГПП
3.4 Определяем cos
после установки батареи конденсаторов:
cos
=
(3.3)
cos
= 16200/17118 = 0,95
Мощность конденсаторов в одном элементе составляет 25-100 квар. Обычно включаются в сеть трехфазного тока по схеме треугольника.
Достоинства:
- малые потери активной мощности (0,0025-0,005 кВт/квар);
- простота эксплуатации (нет вращающихся частей);
- простота производства монтажных работ (малая масса, не требуется фундамент);
- для установки конденсаторов можно использовать любое сухое помещение.
Недостатки:
- мощность батареи пропорциональна квадрату напряжения. Эта зависимость неблагоприятна, так как при понижении напряжения в сети потребность в реактивной мощности увеличивается, что отрицательно сказывается на устойчивости энергосистемы;
- чувствительность к искажениям питающего напряжения;
- недостаточная прочность, особенно при К.З. и перенапряжениях;
- пожароопасность, наличие остаточного заряда
4.Выбор силовых трансформаторов
Количество трансформаторов на подстанции и их мощность должны удовлетворять условию надежности электроснабжения, минимальным капитальным затратам и наиболее экономичному режиму загрузки трансформатора. Для потребителей первой и второй категории наибольшее распространение получили двухтрансформаторные подстанции с неявным резервом и раздельной работой трансформаторов.
Мощность трансформаторов выбирается так, чтобы в нормальном режиме трансформаторы имели загрузку, при которой потери минимальны. При этом капитальные затраты должны быть минимальными, а при выходе одного из трансформаторов из строя второй обеспечил бы нормальную работу потребителей при условии перегрузки его в пределах, допускаемых ПУЭ. При неравномерном графике нагрузки допускается перегрузка трансформаторов в часы максимума, но не более величины, определяемой по “Кривым кратностей допустимых перегрузок силовых трансформаторов“ ([7], рис.3, стр.9). В послеаварийном периоде допускается перегрузка трансформатора на 40% на время максимумов общей суточной продолжительностью не более 6 часов в сутки в течение не более 5 суток. При этом коэффициент заполнения суточного графика нагрузки трансформатора в условиях его перегрузки должен быть не более 0,75.
4.1 С учетом категории потребителей намечаем ГПП горно-обогатительного комбината с двумя трансформаторами.
4.2 При К
= 0,9 n =4 часа определяем коэффициент допустимой систематической перегрузки трансформаторов по «Кривым кратностей допустимых перегрузок силовых трансформаторов» ([7], рис.3, стр.9):
К
= 1,04
Где К
- коэффициент заполнения графика, n – продолжительность работы с максимальной нагрузкой в сутки, К
- коэффициент допустимой перегрузки трансформатора.
4.3 Намечаем два возможных варианта мощности трансформаторов:
Вариант 1: Два трансформатора мощностью по 10 МВ*А
4.3.1 Находим коэффициент загрузки трансформатора в часы максимума:
К
=
(4.1)
К
=17.1/2*10=0.85
Где
- номинальная мощность трансформатора,
- значение полной мощности, после установки компенсирующего устройства.
Вариант 2: Два трансформатора мощностью по 16 МВ*А
4.3.2 Находим коэффициент загрузки трансформатора в часы максимума:
К
=17,1/2*16=0,53
4.4 Оба варианта приемлемы при максимальной загрузке трансформаторов так как:
Вариант 1: К
=0,85
1,04= К
Характеристики
Тип файла документ
Документы такого типа открываются такими программами, как Microsoft Office Word на компьютерах Windows, Apple Pages на компьютерах Mac, Open Office - бесплатная альтернатива на различных платформах, в том числе Linux. Наиболее простым и современным решением будут Google документы, так как открываются онлайн без скачивания прямо в браузере на любой платформе. Существуют российские качественные аналоги, например от Яндекса.
Будьте внимательны на мобильных устройствах, так как там используются упрощённый функционал даже в официальном приложении от Microsoft, поэтому для просмотра скачивайте PDF-версию. А если нужно редактировать файл, то используйте оригинальный файл.
Файлы такого типа обычно разбиты на страницы, а текст может быть форматированным (жирный, курсив, выбор шрифта, таблицы и т.п.), а также в него можно добавлять изображения. Формат идеально подходит для рефератов, докладов и РПЗ курсовых проектов, которые необходимо распечатать. Кстати перед печатью также сохраняйте файл в PDF, так как принтер может начудить со шрифтами.
















