12699 (600654)
Текст из файла
ТВЕРСКОЙ ГОСУДАРСТВЕННЫЙ УНИВЕРСИТЕТ
Химико-биолого-географический факультет
кафедра физической химии
Курсовая работа по электрохимии
Тема : «Электрохимические методы защиты металлов от коррозии»
Выполнила студентка III курса
35-й группы ХБГ факультета
Коршунова Ю.А.
Научный руководитель:
Столяров А.А.
1998 г.
СОДЕРЖАНИЕ
СОДЕРЖАНИЕ 2
Понятие коррозии. 3
Значение термина «коррозия» 3
Химическое и электрохимическое окисление металлов. 3
Общие положения электрохимической теории коррозии. 4
Другие способы изображения коррозионных диаграмм 8
Методы защиты металлов от коррозии. 8
Катодная защита 9
Явление пассивности. 12
Анодная защита. Использование пассивности в практике защиты от коррозии. 14
Покрытия, как метод защиты металлов от коррозии. 18
Ингибиторы. 20
Понятие коррозии.
Значение термина «коррозия»
Самопроизвольное окисление металлов, вредное для промышленной практики (уменьшающее долговечность изделий), называется коррозией1. Среда, в которой металл подвергается коррозии (корродирует), называется коррозионной, или агрессивной. При этом образуются продукты коррозии: химические соединения, содержащие металл в окисленной форме.
В тех случаях, когда окисление металла необходимо для осуществления какого-либо технологического процесса, термин «коррозия» употреблять не следует. Например, нельзя говорить о коррозии растворимого анода в гальванической ванне, поскольку анод должен окислятся, посылая свои ионы в раствор, чтобы протекал нужный процесс. Нельзя также говорить о коррозии алюминия при осуществлении алюмотермического процесса. Но физико-химическая сущность изменений, происходящих с металлом во всех подобных случаях, одинакова: металл окисляется.
Следовательно, термин «коррозия» имеет не столько научное, сколько инженерное значение. Правильнее было бы употреблять термин «окисление», независимо от того вредно или полезно оно для нашей практики.
Коррозия является естественным процессом, обусловленным термодинамической нестойкостью металлов в условиях службы. Естественно поэтому, что изучение коррозии и разработка методов защиты металлов от нее представляют несомненный теоретический интерес и имеют большое народнохозяйственное значение.
Химическое и электрохимическое окисление металлов.
Кинетика процессов окисления зависит от природы среды, содержащий окислитель. Если среда представляет собой электролит (очень частый случай), окисление протекает по электрохимическому механизму:
Me Mez+ + ze (1)
n ox + ze m red (2)
где ox-окислитель, а red- восстановленная форма его.
Реакции (1) и (2) протекают сопряженно на анодных и катодных участках, площадью
и
,соответственно, но подчиняясь каждая своим кинетическим закономерностям. Необходимо только соблюдение условия стационарности процесса, т. е. равенства скоростей окисления металла и восстановления. Из условия стационарности вытекает, что достаточно затормозить одну из сопряженных реакций, чтобы скорость всего процесса уменьшилась.
Если окислитель не является электролитом, то обмен электронами совершается непосредственно между металлом и окислителем:
m Me + n ox Mem(red)n
Здесь окисление протекает по химическому механизму.
Таким образом, принято различать электрохимическую и химическую коррозию, хотя такое разделение в некоторой степени условно.
Общие положения электрохимической теории коррозии.
Рассмотрим схему коррозионного процесса. Сложность его заключается в том, что на одной и той же поверхности происходят одновременно два процесса, противоположные по своему химическому смыслу: окисление металла и восстановление окислителя. Оба процесса должны протекать сопряженно, чтобы сохранялось равенство числа электронов, отдаваемых металлом и присоединяющихся к окислителю в единицу времени. Только в этом случае может наступить стационарное состояние.
Электрохимический механизм протекания процесса предполагает, что окисление и восстановление подчиняются свойственным им зависимостям между потенциалом и током, где ток выражает скорость процесса. Кинетика коррозии определяется кинетикой окисления металла и восстановления окислителя. Необязательно, чтобы эти два процесса происходили на одной точке поверхности металла. Электрон, освобожденный металлом в одной точке, может переместиться в соседнюю и там присоединиться к окислителю. Перемещение электрона в пределах металла на малые расстояния происходит практически беспрепятственно, вследствие высокой электронной проводимости. Точки, где осуществляются элементарные акты окисления и восстановления, могут мигрировать на поверхности металла, меняться местами и т. д. ,подчиняясь законам случайности. Под влиянием различных причин они могут быть фиксированы на поверхности, вызывая местную коррозию. Это особенно свойственно полифазным сплавам.
Рис. 1. Простейшая коррозионная диаграмма: а – анодная кривая; к – катодная кривая;
,
- равновесные потенциалы металла и окислителя;
- стационарный потенциал корродирующего металла.
Независимое, но сопряженное протекание процессов окисления и восстановления позволяет рассматривать коррозию при помощи анодных и катодных поляризационных кривых. На рис.1 показана коррозионная диаграмма для металла и окислителя. Чтобы окисление металла окислителем могло иметь место,
должен быть отрицательнее, чем
. Попробуем отделить пространственно металл от окислителя, построив, например, гальванический элемент вида:
,
где Me-активный металл, который может окисляться; ox и red-окисленная и восстановленная форма окислителя; Me /-некоторый “гипотетический” инертный металл, который не может окисляться данным окислителем, но на котором кинетика процесса ox red такова же, как на активном металле Me.
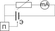
Рис. 2. Схема электрической цепи с регулируемым сопротивлением , используемой для получения данных для построения поляризационной диаграммы. Где Э – электрод сравнения, mА – миллиамперметр, П – потенциометр.
Для получения коррозионной диаграммы необходимо построить электрическую цепь, изображённую на рисунке 2. Проведя несколько измерений, изменяя величину сопротивления, и соответственно наблюдая за изменением силы тока, а также потенциала в цепи, строят зависимость
. График подобной зависимости изображён на рисунке 1.
При разомкнутой цепи мы измерили бы э.д.с.
, являющуюся мерой максимальной работы процесса окисления металла
. Как известно,
, где
– количество электричества, связанное с реакцией на электродах и числом молей компонентов равных стехиометрическим коэффициентам. При этом сила тока
(или ничтожна мала), так что обеспечено обратимое протекание процесса, т.е. совершение максимальной работы
. Причиной протекания реакций окисления металла и восстановления окислителя является изменение термодинамического потенциала, или свободной энтальпии2. В этом отношении
имеет большое значение, определяя термодинамическую возможность коррозии.
Если не пользоваться гальваническим элементом, а просто погрузить металл в раствор, содержащий окислитель, то стационарное состояние будет возможно только в том случае, если скорость реакции окисления металла (1) будет равна скорости восстановления окислителя (2).
Это означает, что при стационарном потенциале
скорость анодного процесса (окисления) равна скорости катодного процесса (восстановления). Равенство скоростей реакций (1) и (2) выражено на рис.1 равенством ординат (сил тока), отвечающих
. Необходимо подчеркнуть, что в этом случае нет электрического тока, доступного непосредственному измерению. Слово «ток» означает, что число частиц (или грамм-частиц), прореагировавших на поверхности металла, можно выразить в единицах силы тока. Если площадь поверхности электрода
, то
и
, где
и
- плотности анодного и катодного токов, соответственно. Для рассматриваемого случая условие стационарности можно выразить через
или через
, если принять, что обе реакции протекают на поверхности одной и той же величины
.
На рис.1 изображены анодная а и катодная к поляризационные кривые для данного металла в растворе определенного состава и для данного окислителя на поверхности того же металла. Наклон кривых а и к определяет кинетику процесса. Таким образом, рисунок содержит сведения о термодинамической возможности коррозии данного металла некоторым окислителем и о скорости этого процесса, определяемой кинетикой реакций (1) и (2), т.е. зависимостью их скоростей от смещения соответствующих потенциалов от равновесного значения. Коррозия возможна только в том случае, если
. Если
и
или
, то окисление металла невозможно (рис.2 ).
Рис. 3. Поляризационные кривые, отвечающие случаю, когда
; при этом
и коррозия металла данным окислителем невозможна.
Легко понять, что при данном
скорость коррозии может быть различной, если поляризационные кривые а и к идут с различными наклонами. Та кривая, которая отвечает более высокому перенапряжению (идет более полого), будет определять в основном скорость процесса. Так, при большом перенапряжении реакции (2) получим случай так называемого катодного контроля, когда кинетика определяется скоростью катодной реакции; при этом
близок к
. При большом перенапряжении реакции (1) получим анодный контроль; при этом
близок к
(рис.3).
Рис. 4. Коррозионные диаграммы, отвечающие катодному контролю (А) и анодному контролю (Б).
Рассматривая рис.1 и 3, мы видим, что окислитель, восстанавливаясь, заставляет потенциал металла сдвинуться от равновесного в сторону более положительных значений. Можно, сказать, что металл поляризован окислителем, если под поляризацией понимать навязывание электроду потенциала, отличного от равновесного. И не совсем понятно, почему в современной литературе, особенно коррозионной, окислитель часто называют деполяризатором. Так, коррозию в кислотах, когда металл окисляется ионами Н+, навязывающими ему потенциал более положительный, чем равновесный, называют «коррозией с водородной деполяризацией», коррозию при окислении металла кислородом – «коррозией с водородной деполяризацией». Мы останавливаемся на этом мелком вопросе потому, что название «деполяризатор» вместо «окислитель» искажает химическую природу явления. Окислитель поляризует металл, сообщая ему сверх равновесного потенциала некоторую величину
, вызывающую окисление, а не снижает
, т.е. не деполяризует металл.
Другие способы изображения коррозионных диаграмм
Применяемый в этой главе способ рассмотрения процессов коррозии при помощи поляризационных диаграмм весьма распространен. В том виде, в котором мы его использовали выше, он был предложен К. Вагнером и В. Траудом и подробно разработан А. М. Шультиным Способ этот характеризуется тем, что анодный и катодный токи, выражающие скорость противоположных по химическому смыслу процессов, откладываются в противоположные стороны от оси абсцисс. По оси абсцисс откладывается потенциал.
Однако весьма распространен и другой метод, предложенный Ю. Р. Эвансом, при котором ток, измеряющий скорость окисления и восстановления, откладывается в одном направлении и принимается за аргумент (абсцисса). Потенциал (ордината) откладывается так, что иногда вверх растет положительное значение, а иногда – отрицательное
Легко убедиться, что все способы изображения коррозионных диаграмм по существу равноценны. Дальше мы будем использовать различные способы изображения, для того чтобы научиться разбираться и в тех, и в других.
Методы защиты металлов от коррозии.
В зависимости от характера коррозии и условий ее протекания применяются различные методы защиты. Выбор того или иного способа определяется его эффективностью в данном конкретном случае, а также экономической целесообразностью. Любой метод защиты изменяет ход коррозионного процесса, либо уменьшая скорость, либо прекращая его полностью. Коррозионные диаграммы, наиболее полно характеризующие коррозионный процесс, должны отражать и те изменения в ходе протекания, какие наблюдаются в условиях защиты. Коррозионные диаграммы можно использовать, поэтому при разработке возможных путей предохранения металлов от коррозии. Они служат основой для выяснения принципиальных особенностей того или иного метода. В связи с этим при рассмотрении существующих методов защиты поляризационные диаграммы будут использованы в их несколько упрощенном виде (4). На таких диаграммах постулируется линейная зависимость между плотностью и потенциалом каждой частной реакции. Это упрощение оказывается вполне допустимым при качественной оценке особенностей большинства методов
Характеристики
Тип файла документ
Документы такого типа открываются такими программами, как Microsoft Office Word на компьютерах Windows, Apple Pages на компьютерах Mac, Open Office - бесплатная альтернатива на различных платформах, в том числе Linux. Наиболее простым и современным решением будут Google документы, так как открываются онлайн без скачивания прямо в браузере на любой платформе. Существуют российские качественные аналоги, например от Яндекса.
Будьте внимательны на мобильных устройствах, так как там используются упрощённый функционал даже в официальном приложении от Microsoft, поэтому для просмотра скачивайте PDF-версию. А если нужно редактировать файл, то используйте оригинальный файл.
Файлы такого типа обычно разбиты на страницы, а текст может быть форматированным (жирный, курсив, выбор шрифта, таблицы и т.п.), а также в него можно добавлять изображения. Формат идеально подходит для рефератов, докладов и РПЗ курсовых проектов, которые необходимо распечатать. Кстати перед печатью также сохраняйте файл в PDF, так как принтер может начудить со шрифтами.
















