151620 (598947), страница 4
Текст из файла (страница 4)
Обмотка, к которой подается напряжение, называется первичной.
Обмотка, к которой подключается нагрузка, называется вторичной.
Каждый трансформатор имеет щиток, на котором указываются следующие основные номинальные данные:
номинальная мощность SН (кВА);
номинальные напряжения на зажимах первичной и вторичной обмоток U1н и U2н;
номинальные токи I1н и I2н, частота f, напряжение короткого замыкания Uк.
Номинальными называются такие величины мощности, напряжения и тока, при которых в трансформаторе наступает тепловое равновесие при температуре нагрева обмоток, не вызывающего разрушения изоляции. Так, для современных силовых трансформаторов номинальные мощность и ток принимаются такими, при которых тепловое равновесие наступает при температуре окружающей среды 35С.
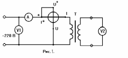
ОПЫТ ХОЛОСТОГО ХОДА ТРАНСФОРМАТОРА
Холостой ход трансформатора - это такой режим его работы, при котором к зажимам первичной обмотки подводится номинальное напряжение, а вторичная обмотка разомкнута.
Из опыта холостого хода можно определить коэффициент трансформации, как отношение ЭДС первичной обмотки к ЭДС вторичной обмотки:
где W1 и W2 - число витков первичной и вторичной обмоток.
Ток холостого хода трансформатора составляет от 2,5 до 10% от номинального, поэтому падением напряжения на первичной обмотке можно пренебречь и считать приближенно U1=E1, а E2=U2. Тогда
где U20 - напряжение на зажимах вторичной обмотки при холостом ходе, т.е. коэффициент трансформации - отношение напряжения на зажимах обмоток трансформатора в режиме холостого хода. Мощность трансформатора в этом режиме затрачивается на возмещение потерь на перемагничивание магнитопровода (гистерезис) и на нагрев магнитопровода вихревыми токами:
Pо=Pг+Pвт.
Полная мощность S = U1. I1
Коэффициент мощности при холостом ходе:
Таким образом, опыт холостого хода дает возможность определить коэффициент трансформации n, потери в стали сердечника и угол потерь в стали: = (90-0).
ОПЫТ КОРОТКОГО ЗАМЫКАНИЯ
Из опыта короткого замыкания трансформатора можно определить сопротивление обмоток, напряжение короткого замыкания и потери в меди (в обмотках).
Опыт короткого замыкания производится следующим образом. Вторичная обмотка замыкается накоротко через амперметр, на первичную обмотку подается напряжение, пониженное до такой величины, при которой токи в обмотках равны номинальным. Это напряжение называется напряжением короткого замыкания Uк. Мощность в режиме короткого замыкания расходуется на нагрев обмоток, т.е. на потери в меди:
где rк = r1 + r2; где r2 = n2r2 - приведенное к первичной обмотке активное сопротивление вторичной обмотки трансформатора.
Полное сопротивление короткого замыкания определяется
Индуктивное сопротивление короткого замыкания:
ВНЕШНЯЯ ХАРАКТЕРИСТИКА ТРАНСФОРМАТОРА
Зависимость напряжения U2 на зажимах вторичной обмотки трансформатора от тока нагрузки I2 при неизменном напряжении на зажимах первичной обмотки при постоянном коэффициенте мощности называется внешней характеристикой трансформатора. Для снятия внешней характеристики при активной нагрузке (cos=1) следует подвести к первичной обмотке номинальное напряжение и при разомкнутой вторичной обмотке записать показания приборов. Затем, постепенно увеличивая нагрузку, записать показания приборов. При помощи внешней характеристики можно определить процентное изменение напряжения по формуле:
Здесь U20 - напряжение на зажимах вторичной обмотки при холостом ходе; U2 - напряжение при данной нагрузке.
Коэффициент полезного действия трансформатора определяется из опытов холостого хода, короткого замыкания и нагрузки. При этом потери в стали, определяемые из опыта холостого хода, не зависят от нагрузки.
Потери в меди, определяемые из опыта короткого замыкания, пропорциональны квадрату тока. Таким образом,
где P2Н = SН cos - номинальная мощность трансформатора;
SН - полная номинальная мощность трансформатора.
Для любой нагрузки коэффициент полезного действия определяется по формуле:
Здесь P2=SНcos2 - мощность, отдаваемая трансформатором;
- коэффициент загрузки трансформатора.
Задаваясь величиной коэффициента загрузки, можно построить кривую зависимости:
=f (P2)
КОНТРОЛЬНЫЕ ВОПРОСЫ
1. Устройство и принцип действия трансформатора.
2. Что такое коэффициент трансформации?
3. С какой целью проводятся опыты холостого хода и короткого замыкания?
4. Какая зависимость называется внешней характеристикой трансформатора?
5. Как определить КПД трансформатора?
6. Как определить число витков вторичной обмотки при известном числе витков первичной обмотки, напряжении U1 и U2.
7. Почему сердечник трансформатора набирают из пластин?
8. Имеется трансформатор 220/12 В. На первичную обмотку подали 220 В, но постоянного напряжения. Чему равно напряжение на выходе вторичной обмотки?
СОДЕРЖАНИЕ ОТЧЕТА
1. Технические характеристики приборов и элементов цепи.
2. Схемы и таблицы.
3. Pасчетные формулы.
4. Выводы по проделанной работе.
Таблица 1.
| Измерено | Вычислено | |||||||
| U1, В | U20, В | I10, А | P0, Вт | n | cos0 | 0 | S, ВА | |
Таблица 2.
| Измерено | Вычислено | ||||||||||
| U1, В | I1, В | P1, Вт | I2, A | U2, В | cos1 | P2, Вт | U,% | ||||
Таблица 3.
| И | Вычислено | ||||||||
| U1K, В | I1K, A | P1K, Вт | I2, A | cosK | ZK, Ом | rK, Ом | ÕÊ, Îì | UK,% | |
Литература
-
Иванов И.И., Равдоник В.С. Электротехника. - М.: Высшая школа, 1984, с.135 - 160.
-
Касаткин А.С., Немцов М.В. Электротехника. - М.: Энергоатомиздат, 1983,с.166 - 193.
Методические указания к лабораторной работе № 10
"ПУСК ТРЕХФАЗНОГО АСИНХРОННОГО ЭЛЕКТРОДВИГАТЕЛЯ
С КОРОТКОЗАМКНУТЫМ РОТОРОМ"
ЦЕЛЬ РАБОТЫ:
1. Овладение практическими навыками по сборке схемы управления трехфазным асинхронным двигателем (ТАД) с короткозамкнутым ротором при помощи нереверсивного магнитного пускателя.
2. Пуск ТАД в однофазном режиме.
ТЕОРЕТИЧЕСКИЕ СВЕДЕНИЯ
Трехфазный асинхронный двигатель с короткозамкнутым ротором является наиболее распространенным видом электродвигателей в сельскохозяйственном производстве.
Основная схема управления ТАД - нереверсивная схема управления при помощи магнитного пускателя (рис.1). Магнитный пускатель предназначен для ручного дистанционного или автоматического управления ТАД.
Он состоит из корпуса, тягового электромагнита и связанной с ним электромагнитной системой. Контактная система состоит из силовых и вспомогательных контактов. Тяговый электромагнит (катушка магнитного пускателя) может управляться от источника постоянного или переменного напряжения. В магнитных пускателях переменного тока магнитопровод выполнен из листов электротехнической стали (0,35...0,5 мм) для уменьшения потерь на перемагничивание. Для уменьшения вибрации сердечника в торцевой части сердечника магнитопровода установлено медное короткозамкнутое кольцо.
Наиболее распространенные магнитные пускатели типа ПМЕ, ПМЛ, ПМА позволяют осуществить до 150 включений в час. Катушки магнитных пускателей изготавливаются на 110, 127, 220, 380 и 660 В. При выборе магнитных пускателей обращают внимание на наибольшую допустимую мощность электродвигателя при данном напряжении и на напряжение катушки. В сетях с напряжением 380/220 В можно использовать катушки с напряжением 380 и 220 В. В первом случае катушка должна включаться на линейное напряжение (две любые фазы), во втором - на фазное (любая фаза и нуль).
Для управления магнитными пускателями применяются кнопочные станции. Они могут быть одно-, двух - и многопостовые.
Для защиты электродвигателя и схемы управления от коротких замыканий применяются плавкие предохранители и автоматические выключатели.
Для защиты электродвигателя от перегрузки используют тепловые реле и автоматические выключатели с тепловыми расцепителями. Плавкие предохранители от перегрузки электродвигатели не защищают.
Рассмотрим работу схемы управления (рис.1).
После включения автоматического выключателя QF при нажатии кнопки SB2 "Пуск" протекает ток по цепочке: фаза СSB1SB2 катушка КМконтакт ККнулевой провод N. Следовательно, катушка КМ получает питание и втягивает сердечник с контактной группой. Контакты КМ замыкаются, и на электродвигатель М подается трехфазное напряжение.
Для того, чтобы двигатель не остановился после отпускания кнопки SB2, параллельно ей подключается вспомогательный контакт КМ, шунтирующий кнопку "Пуск".
Тепловое реле КК предназначено для защиты двигателя от перегрузок. При увеличении тока сверх допустимой нормы тепловое реле срабатывает, размыкая при этом свой контакт КК в цепи питания катушки магнитного пускателя КМ. Повторный пуск ТАД после срабатывания пусковой защиты возможен после ручного возврата контактов реле КК в исходное положение через некоторое время, необходимое для остывания теплового реле КК.
Перед пуском ТАД необходимо устранить причины, приведшие к срабатыванию тепловой защиты.
При отсутствии у потребителя трехфазного напряжения трехфазный двигатель можно запустить в однофазном режиме. На рис.2 приведены основные схемы такого пуска.
Так как при подключении одной фазы круговое вращающееся магнитное поле отсутствует, то для пуска необходимо обеспечить сдвиг токов в пусковой и рабочей обмотках относительно друг друга. Для обеспечения фазового сдвига обычно используют конденсаторы, емкость которых рассчитывается следующим образом.
Для пуска необходима большая емкость, чем для рабочего режима
Спуск = (2...2,5) Cраб















