151131 (598914), страница 5
Текст из файла (страница 5)
Воспользовавшись (5-12) и (5-8), получим:
(3.21)
Для случая шунтовой обмотки, когда катушка подключается на зажимы источника напряжения, активное сопротивление обмотки, как правило, значительно меньше реактивного
. Если пренебречь активным падением напряжения, то U=IX. Но так как
получим
(3.23)
где Фт — амплитудное значение потока.
Таким образом, при сделанных выше допущениях (активное сопротивление обмотки и потери в сердечнике равны нулю) поток, связанный с катушкой, не зависит от рабочего зазора и является величиной постоянной.
При допущении, что U=IX, из (3.21) следует
(3.24)
С ростом зазора индуктивное сопротивление обмотки уменьшается, а ток в обмотке увеличивается в соответствии (3.24); поскольку величина потока согласно (3.23) должна остаться неизменной, то соответственно с ростом зазора б растет н. с. Iw, т. е. ток. Если учесть активное сопротивление обмотки (при условии, что в заданном диапазоне изменения зазора R<^.(oL), то с ростом зазора величина тока будет расти, а величина потока будет уменьшаться согласно уравнению
(3.25)
Rδ
Таким образом, с ростом рабочего зазора величина потока будет падать с зазором, как это имеет место и в цепи постоянного тока. Однако в магнитной цепи переменного тока уменьшение потока является следствием роста падения напряжения на активном сопротивлении обмотки, а в цепи постоянного тока — роста магнитного сопротивления воздушного зазора.
Если учитывать поток рассеяния Фδ то в схеме замещения параллельно сопротивлению Rb, зависящему от величины зазора, необходимо включить неизменное сопротивление Ra. В результате при увеличении зазора ток в обмотке нарастает меньше, чем это следует из (3.24).
При составлении электрической схемы замещения магнитной цепи магнитное сопротивление воздушных промежутков ^2 = ^ = ^ заменяется численно равным ему активным сопротивлением.
В электрических аппаратах, работающих на переменном токе, для изменения фазы магнитного потока применяются короткозамкнутые витки и обмотки. Влияние последних может быть учтено введением в схему замещения реактивного (индуктивного) сопротивления
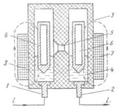
Действительно, пусть в клапанной системе рис. потери в магнитопроводе и его магнитное сопротивление равны нулю, а ключ А включен. Магнитный поток, проходя через контур витка wK, наводит в нем э. д. с. Возникающий в витке ток создает свой магнитный поток. Ради упрощения рассуждений положим, что Хк = 0. Для мгновенного значения н. с. обмотки можно написать:
(3.26)
Рис. 3.2.Магнитая цепь с к. з. обмоткой
И
спользуя полученные соотношения, получаем:
Для электрической цепи, состоящей из последовательно включенного сопротивления и индуктивности, падение напряжения может быть выражено:
(3.28)
Проводя аналогию между магнитной и электрической цепью, введем понятие реактивного магнитного сопротивления.
Мгновенному значению тока i соответствует мгновенное значение потока Фδ; активному сопротивлению цепи R —активное —магнитное сопротивление Rµ, индуктивности L — величина
. Для электрической цепи переменного тока в комплексной форме можно записать:
Аналогично для магнитной цепи
где
Таким образом, короткозамкнутая обмотка с чисто активным сопротивлением в схеме замещения представляется реактивным магнитным сопротивлением. Если Л;=°° (т. е. обмотка разомкнута), то X =0. Если гк = 0, то X =оо и магнитный поток через такую обмотку пройти не может. Если обмотка имеет и активное гк и индуктивное Хк сопротивление, то согласно.
(3.31)
б) Магнитная цепь с потерями в стали. При протекании потока по магнитопроводу в нем создаются активные потери за счет вихревых токов и гистерезиса. Эти потери в схеме замещения магнитной цепи могут быть представлены потерями в фиктивной короткозамкнутой обмотке, имеющей только активное сопротивление. Параметры этой обмотки находятся из условия равенства потерь в стали и потерь в этой короткозамкнутой обмотке.
При синусоидальном изменении потока
откуда
Из условия равенства потерь можно записать:
Воспользовавшись полученными соотношениями можно получить:
(3.34)
Таким образом, зная активные потерн в стали и магнитный поток в сечении, можно определить Хщ.г, учитывающее в схеме замещения потери на вихревые токи и гистерезис.
Кроме реактивного магнитного сопротивления, сталь обладает также активным магнитным сопротивлением R
Аналогично электрической цепи можно ввести понятие удельного активного магнитного сопротивления
где рд — удельное активное магнитное сопротивление стали;
(3.35)
где Р0— потери на единицу массы сердечника; у — плотность; l и S — длина и сечение сердечника; рл-— удельное реактивное магнитное сопротивление стали;
где pz — полное удельное магнитное сопротивление стали.
Зависимость рл, p^Y и pz от индукции для стали Э-12 представлена на рис. Так как
(3.37)
Если задан поток Ф,„ и известны размеры участка •S и /, то сначала находят индукцию Bm = (&m/S, а затем по кривым, аналогичным рис.3.3, определяют рл, р*, Pz. Воспользовавшись (3.35), (3.36)и (3.37) можно вычислить магнитные сопротивления У? , X и %
Однако чаще дается кривая намагничивания на переменном токе, связывающая максимальное значение индукции Вт с действующим значением напряженности Н с учетом активных потерь.
Рис.3.3 Удельные сопротивления стали.
(3.38)
Расчет магнитной цепи переменного тока ведется с помощью двух уравнений Кирхгофа в комплексной форме методом последовательных приближений.
Если задано напряжение на обмотке, ее активное сопротивление и размеры магнитной цепи, то сначала
находят поток без учета сопротивления стали и активного сопротивления катушки из, а затем строят схемы замещения, уточняя каждый раз значения магнитных сопротивлений, потоков и н. с. Расчет производится до тех пор, пока потоки в рабочем зазоре двух соседних приближений будут отличаться друг от друга не более чем на 10%.
Катушки электромагнитов
В результате расчета магнитной цепи определяется поток в катушке и ее н. с. Катушка должна быть рассчитана таким образом, чтобы, с одной стороны, обеспечить требуемую н. с, а с другой — чтобы максимальная температура обмотки не превышала допустимой для используемого класса изоляции.
В зависимости от способа включения различают параллельные (шунтовые) и последовательные (сериесные) обмотки. В первом случае напряжение, приложенное к обмотке, постоянно по своему действующему значению.
Во втором — сопротивление обмотки электромагнита во много раз меньше сопротивления остальной части цепи.
а) Расчет обмотки электромагнита постоянного тока. Эскиз обмотки представлен на рис.. Заданы напряжение U и н. с. Iw. Требуется рассчитать и спроектировать катушку. Сечение провода q находим, исходя из потребной н. с.
Рис.3.4Электромагнит с обмоткой.
(3.39)
или
где р —удельное сопротивление; /ср —средняя длина витка; R — сопротивление обмотки
Из уравнения следует, что при неизменной средней длине витка и заданном р н. с. определяется произведением Uq. Если при неизменном напряжении и средней длине витка требуется увеличить н. с, то необходимо взять провод большего сечения. При этом обмотка будет иметь меньшее число витков.
После определения сечения провода с помощью таблиц сортаментов находится ближайший стандартный диаметр провода.
Если выполнить обмотку проводом данного диаметра, то н. с. обмотки не будет зависеть от способа укладки провода. При «дикой» (нерядовой) обмотке число витков при том же окне уменьшится по сравнению с рядовой, величина тока пропорционально увеличится, а н. с. катушки останется без изменения.
Мощность, потребляемая катушкой, при дикой обмотке увеличится, поскольку уменьшится коэффициент
При изменении питающего напряжения и сохранении размера окна обмотки должно иметь место равенство так как
и
остаются неизменны. При этом
н. с. обмотки останется без изменения. Поскольку при переходе с одного напряжения на другое изменяется диаметр провода (а следовательно, и толщина изоляции), коэффициент заполнения обмотки
также меняется. Можно получить:
Если
то при переходе с напряжения и{ на
£/2 диаметр провода уменьшится. При меньшем диаметре провода из-за возросшей относительной толщины изоляции коэффициент заполнения уменьшится. Следовательно, при переходе на более высокое напряжение мощность, потребляемая катушкой, увеличивается.
Для ориентировочной оценки нагрева катушки можно пользоваться следующими рекомендациями. Опытным путем установлено, что в катушке на изоляционном каркасе, выполненной проводом ПЭЛ, максимальная температура не превысит 105°С, если на каждый ватт выделяемой мощности будет приходиться определенная боковая поверхность (ао=5б„,,/Я — удельная охлаждающая боковая поверхность). Величина этой поверхности зависит от геометрии катушки:
(3.40)
где
длина катушки;
внешний диаметр.
Если после расчета окажется, что
то это значит, что температура обмотки будет выше допустимой.
Можно получить:
(3.41)
Если при требуемой н. с. мощность Р получается больше, чем
то либо необходимо уменьшить н. с. обмотки, либо увеличить площадь обмоточного окна QK.
После приближенной оценки теплового режима катушки необходимо определить максимальную температуру внутри ее.
Для последовательной обмотки исходными величинами для расчета являются н. с. {Iw) и ток цепи /„. Число витков обмотки находится из выражения
(3.42)
Сечение провода можно выбрать исходя из рекомендуемой плотности тока, равной 2—4 а/мм2 — для продолжительного режима работы, 5—12 а/мм2 — для повторно-кратковременного режима работы, 13—30 а/мм2— для кратковременного режима работы. Эти величины можно увеличить примерно в 2 раза при сроке службы до 500 ч.
Окно, занимаемое рядовой обмоткой, определяется числом витков и диаметром провода по изоляции.
б) Расчет обмотки электромагнитов переменного тока. Исходными данными для расчета параллельной катушки являются амплитуда н. с, амплитуда потока и напряжение. Напряжение сети уравновешивается активным и реактивным падением напряжения
(3.43)
Поскольку величины тока и сопротивления могут быть рассчитаны только после определения числа витков, то представленное выражение не позволяет сразу найти все параметры катушки. Задача решается методом последовательных приближений.
Так как активное падение напряжения значительно меньше неактивного, то в начале расчета можно положить
Тогда число витков обмотки равно:
Так как при расчете w мы пренебрегаем активным падением напряжения, действительное число витков должно быть несколько меньше. Обычно берут
(3.44)
С
ечение провода обмотки определяют, задавшись плотностью тока. Выбрав стандартный диаметр и способ укладки, находим коэффициент заполнения /м и площадь окна катушки и:
(3.45)
После этого определяем среднюю длину витка
и активное сопротивление обмотки
(3.46)
Теперь производим проверку выбранных параметров: если напряжение сети в квадрате U2 отличается от суммы (IR)2 и (4,44шфт)2 более чем на 10%, то необходимо варьировать число витков до тех пор, пока не получим удовлетворительного совпадения.
После расчета активного сопротивления производится проверка катушки на нагрев. Расчет ведется так же, как и для катушек постоянного тока. Характерной особенностью здесь является нагрев магнитопровода за счет потерь от вихревых токов и гистерезиса. Отвод тепла, выделяемого в самой катушке через сердечник, затруднен. Поэтому точка с максимальной температурой лежит на внутреннем радиусе катушки. Из-за плохого охлаждения катушки через сердечник в катушке стремятся развивать поверхность торцов, через которые может отдаваться значительная часть тепла.
Если полное сопротивление обмотки электромагнита при любом рабочем зазоре значительно меньше полного сопротивления цепи (последовательная обмотка), то величина тока в обмотке электромагнита не зависит от положения якоря. Расчет таких обмоток ведется так же, как и для последовательных обмоток постоянного тока. Закон изменения потока в рабочем зазоре такого электромагнита аналогичен закону в электромагните постоянного тока, поскольку электромагнит работает при постоянной н. с. катушки.
Полное падение напряжения на обмотке электромагнита равно:
(3.47)
Если электромагнит с параллельной катушкой питается от источника с другим напряжением и сила тяги должна остаться той же, то обмоточные данные должны быть соответственно изменены. Величина н. с. и угол сдвига между током и напряжением при этом также считаются неизменными. Должны быть соблюдены следующие соотношения:
Полная мощность обмоток при переходе с одного напряжения на другое при соблюдении указанных условий не изменяется, так как
Магнитные материалы для электромагнитов постоянного и переменного тока
При заданном потоке падение магнитного потенциала уменьшается с уменьшением магнитного сопротивления. Так как сопротивление обратно пропорционально магнитной проницаемости материала, при данном потоке магнитная проницаемость должна быть возможно выше. Это позволяет уменьшить н. с. катушки и мощность, необходимую для срабатывания электромагнита; уменьшаются размеры катушки, обмоточного окна и всего электромагнита. Уменьшение н. с. катушки при прочих неизменных параметрах уменьшает температуру обмотки.
Вторым важным параметром материала является индукция насыщения. Сила, развиваемая электромагнитом, пропорциональна квадрату индукции. Поэтому чем больше величина допустимой индукции, тем больше величина развиваемой силы при тех же размерах.
После того как катушка электромагнита обесточивается, в системе существует остаточный поток, который определяется коэрцитивной силой материала и проводимостью рабочего зазора. Остаточный поток может привести к залипанию якоря. Во избежание этого явления требуется, чтобы материал обладал низкой коэрцитивной силой (малой шириной петли гистерезиса).
Существенными требованиями являются низкая стоимость материала и его технологичность.
В электромагнитах переменного тока для компенсации активных потерь в стали приходится затрачивать дополнительную энергию. Это приводит к увеличению намагничивающего тока в катушке аппарата. В связи с этим материалы, используемые для электромагнитов переменного тока, должны иметь малые потери на вихревые токи и гистерезис. Сердечники для таких электромагнитов делаются шихтованными, причем чем выше частота тока, тем меньше должна быть толщина листа. Пластины магнитопровода изготавливаются из листовой стали штамповкой. Для быстродействующих электромагнитов постоянного тока также применяются шихтованные сердечники, так как при этом уменьшаются вихревые токи, дающие замедление нарастания потока.
Наряду с указанными свойствами магнитные характеристики материалов должны быть стабильны (не меняться от температуры, времени, механических ударов).
Лекция №4
Тема лекции:
Энергетический баланс электромагнита постоянного тока. Расчет силы тяги, формула Максвелла. Сила тяги электромагнитов переменного тока. Магнитный демпфер
СИЛА ТЯГИ ЭЛЕКТРОМАГНИТОВ
а) Энергетический баланс электромагнита постоянного тока. Рассмотрим процесс возникновения магнитного поля в простейшем клапанном электромагните (рис. 4.1,а). После включения цепи напряжение источника уравновешивается активным падением напряжения и э. д. с. самоиндукции:
(4.1)
Умножив обе части уравнения на idt, получим:
Произведя интегрирование, получим:
(4.3)
где
потокосцепление к моменту времени
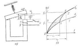
Левая часть равенства представляет энергию, которая затрачена источником тока. Первый член правой части есть потери энергии в активном сопротивлении цепи, второй—энергия, затраченная на создание магнитного поля. До тех пор, пока сила, развиваемая электромагнитом, меньше силы пружины, якорь электромагнита неподвижен, и потокосцепление нарастало при неизменном значении рабочего зазора
А- Зависимость
при этом зазоре представлена кривой 1 рис..
Д
опустим, что при достижении значения потокосцепления Wt сила электромагнита стала больше силы пружины и якорь переместился в положение, при котором рабочий зазор стал равен
Так как при меньшем зазоре проводимость рабочего зазора возрастает, потокосцепление увеличится до значения
_ Величина тока при этом увеличится до значения
' Если изобразить зависимость при зазоре
то получим кривую 2 рис.4.1б. До начала трогания якоря энергия магнитного поля, запасенная в цепи, равна:
(4.4)
г
де масштаб по оси тока, А/мм; масштаб
по оси потокосцепления,
площадь криволинейного треугольника Оаb, мм
Рис.4.1 К определению силы тяги электромагнита
При движении якоря потокосцепление изменится от
до
Энергия магнитного поля при этом возросла на величину .42, равную:
(4.5)
где
площадь криволинейной трапеции.
При переходе от зазора
к зазору
_ якорь электромагнита совершил механическую работу Л3.
Энергия, накопленная в магнитом поле, к концу хода равна Л4:
(4.6)
На основании закона сохранения энергии можно написать:
Механическая работа, совершенная якорем электромагнита, определяется из
(4.8)
Согласно рис. эта энергия равна:
б) Расчет силы тяги электромагнита постоянного тока. Средняя сила на ходе якоря от 6i до 62 равна:
г
де
перемещение якоря, а уменьшение зазора.
Следует учитывать, что
(рис. 4.1,а). Тогда
Для расчета силы, развиваемой электромагнитом, необходимо определить механическую работу Л3, совершаемую электромагнитом при небольшом перемещении якоря, после чего разделить эту работу на изменение зазора, что в пределе дает:
(4.11)
Сила
действует в сторону уменьшения зазора.
Очевидно, что для каждого элементарного перемещения якоря можно определить свое А3 и найти среднюю силу, развиваемую на данном участке хода якоря.
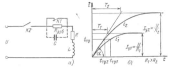
Зависимость тяговой силы электромагнита от величины рабочего зазора при неизменном значении тока в его обмотке называется статической характеристикой электромагнита. Величина силы может быть найдена с помощью рис. 4.2:
(4.12)
Рис. 4.2. К определению силы тяги
Эта сила развивается электромагнитом при среднем зазоре
(4.13)
Аналогично определяется сила
(4.14)
которая развивается при среднем зазоре
(4.15)
На готовом электромагните статическая характеристика может быть легко снята. Для этого в воздушный зазор электромагнита ставится немагнитная прокладка, после чего к электромагниту подводится напряжение. С помощью динамометра постепенно увеличивается противодействующая сила до тех пор, пока якорь не оторвется от сердечника. Эта сила в момент отрыва будет равна статическому усилию при зазоре, равном толщине прокладки. После этого меняют толщину прокладки и опыт повторяют при новом значении зазора.
Величина силы, развиваемой электромагнитом, может быть рассчитана с помощью формулы Максвелла. Если поле в рабочем зазоре равномерно и полюсы ненасыщены, то формула Максвелла для силы в одном зазоре имеет вид
(4.16)
в) Аналитический расчет силы для ненасыщенных электромагнитов. Исходя из закона сохранения энергии, можно показать, что энергия, полученная магнитным полем при элементарном перемещении якоря, равна механической работе, произведенной якорем, и изменению запаса электромагнитной энергии:
где
элементарная энергия, полученная полем при перемещении якоря;
элементарная работа, произведенная якорем;
приращение магнитной энергии.
Из уравнения легко получить:
(4.18)
У
читывая, что (для линейной магнитной цепи), получаем:
(4.19)
Д
ля статической тяговой характеристики так как ток в цепи не меняется. Тогда
(4.20)
Для клапанного электромагнита потокосцепление зависит от рабочего потока и потока рассеяния:
П
оскольку цепь линейна (пренебрегаем насыщением стали), то потокосцепление обусловленное рабочим потоком Фг, равно:
Потокосцепление Ч7в, обусловленное потоком рассеяния, в свою очередь равно:
(4.24)
Поскольку проводимость рассеяния от зазора б не зависит, то
Сила, развиваемая электромагнитом, будет равна:
(4.25)
Если известна аналитическая зависимость
, то находится дифференцированием. В уравнение (4.25) подставляется интересующего нас значения зазора
Если G6 определяется в результате графического построения поля, то вначале производится расчет
для ряда положений якоря, после чего графически строится зависимость
i и производится графическое дифференцирование.
При достаточно малом зазоре для системы рис. 3.1
(4.26)
Тогда величина силы F равна:
(4.27)
Согласно выражению сила, развиваемая электромагнитом, пропорциональна квадрату н. с. катушки, площади полюса и обратно пропорциональна квадрату величины зазора. Зависимость
при неизменной н. с. катушки представлена на рис. 4.3 (кривая 1). По мере уменьшения б величина силы резко возрастает, причем при б = 0 сила принимает бесконечное значение. В действительности при б = 0 величина потока в системе определяется магнитным сопротивлением цепи, которое резко возрастает по мере насыщения материала магнитопровода, и сила имеет конечное значение. Кривая 2 на рис.4.3 изображает зависимость
, снятую экспериментально. Сравнение этих кривых показывает, что при больших зазорах, когда поток в системе мал и падением магнитного потенциала в сердечнике можно пренебречь, расчетная и экспериментальная кривые почти полностью совпадают. При малых зазорах сила, развиваемая электромагнитом, имеет конечное значение.
Рис. 4.3. Тяговая характеристика
Многочисленные исследования показали, что для расчета силы в насыщенных электромагнитах можно пользоваться формулой (4.25), но только вместо
берется
падение магнитного потенциала в рабочем зазоре:
(4.28)
Величину
находят в результате расчета магнитных цепей.
Поскольку формула Максвелла учитывает реальную индукцию между полюсами, то она также может быть использована при условии, что поле в зазоре равномерно и вектор индукции перпендикулярен к поверхности полюса.
г) Сила тяги электромагнита переменного тока. Рассмотрим задачу применительно к клапанному электромагниту с двумя рабочими зазорами, сделав следующие допущения: магнитное сопротивление стали, активное сопротивление обмотки и потери в стали равны нулю; напряжение, ток и поток меняются по синусоидальному закону.
В этом случае поток, а следовательно, потокосцепление не зависят от величины зазора
.
Тогда мгновенное значение силы будет равно:
(4.29)
Подставив, получим:
(4.30)
Поскольку
при данном зазоре
не зависят от времени, можно записать:
(4.31)
Производная
может быть найдена графическим дифференцированием зависимости
, которая получается из расчета магнитной цепи. Величина
определяется приложенным напряжением.
Мгновенное значение силы при наличии двух рабочих зазоров может быть найдено по формуле Максвелла (4.16). Для амплитуды силы получим:
Поскольку при изменении зазора амплитуда потока и индукции не изменяются, амплитуда силы от зазора не зависит. Однако если учесть активное сопротивление обмотки, то, как было показано, с ростом зазора поток в системе уменьшается, что приводит к уменьшению амплитуды силы.
Рассмотрим теперь изменение силы во времени. Согласно (4.31) сила меняется во времени по следующему закону:
(4.32)
Мгновенное значение силы пульсирует с двойной частотой по отношению к частоте тока. Среднее значение силы равно половине амплитудного значения:
(4.33)
Для притяжения якоря необходимо, чтобы среднее значение силы было больше противодействующего усилия.
Изменение силы во времени отрицательно сказывается на работе электромагнита. В определенные моменты времени сила противодействующей пружины становится больше силы электромагнита, при этом происходит отрыв якоря от сердечника. По мере нарастания силы электромагнита снова происходит притяжение якоря. В результате якорь электромагнита будет непрерывно вибрировать, создавая шум и ненормальные условия работы механизма или контактов. В связи с этим принимаются меры для устранения вибрации.
В однофазных электромагнитах наибольшее распространение получило использование короткозамкнутого витка. Эскиз полюса такого электромагнита представлен на рис.4.4. Наконечник полюса расщеплен, и на большую его часть насажен короткозамкнутый виток, выполненный из меди или алюминия. Для получения более ясной картины примем, что сопротивление стали равно нулю и существует только один рабочий зазор.
Благодаря наличию короткозамкнутого витка поток
отстает по фазе относительно
на угол
. Каждый из потоков под своей частью полюса создает свою силу
.
Рис.
4.4. Полюсный наконечник с к.з. витком
В верхней части полюса развивается сила F\, равная:
(4.34)
В нижней части полюса развивается сила F2, равная:
(4.35)
Результирующая сила, действующая на якорь, равна сумме сил
Если изобразить соответствующими векторами, то амплитуда переменной составляющей может быть найдена из векторной диаграммы
(4.36)
Обычно электромагнит проектируется таким образом, чтобы минимальная сила FMI№, развиваемая электромагнитом, была больше противодействующей силы:
(4.37)
Очевидно, что чем меньше
, тем меньше будет пульсация силы
Из уравнения следует, что
равно нулю при
. При таком соотношении величин в момент перехода через нуль силы
сила
достигает максимального значения. В любой точке сумма
равна постоянной величине. Поскольку короткозамкнутый виток уменьшает поток под нижней частью полюса, то с целью выравнивания Fcpi и
этот виток охватывает большую часть полюса (обычно 2/3).
Угол сдвига фаз
зависит от магнитного сопротивления зазора R Ь2 и параметров короткозамкнутого витка:
(4.38)
Откуда следует, что чем больше рабочий зазор, а следовательно, и
тем меньше будет угол
. В связи с этим короткозамкнутый виток оказывает положительный эффект только при малых зазорах. При больших зазорах
и
угол . Следовательно, никакого сдвига фаз между потоком
не будет. Индуктивное сопротивление витка
также уменьшает угол
поскольку при этом уменьшается
. Обычно
При наличии трехфазного источника питания для уменьшения вибрации можно использовать естественный сдвиг потоков в этой системе.
Если принять, что в магнитном отношении все три фазы магнита симметричны и насыщение отсутствует, то величина силы, развиваемой под каждым полюсом, будет равна:
Результирующая сила, действующая на якорь, равна сумме этих сил:
(4.40)
Таким образом, в трехфазном электромагните результирующая сила, действующая на якорь, во времени не меняется. Однако и в этом электромагните вибрация якоря полностью не устраняется. При прохождении потока в каждой фазе через нуль сила, развиваемая этой фазой, также равна нулю. В результате точка приложения электромагнитной силы перемещается. Поскольку точка приложения противодействующей силы неизменна, то возникает перекатывание якоря, т.е. вибрация.
Лекция № 5
Тема лекции:
Тяговые и механические характеристики электромагнитов постоянного и переменного тока. Динамика электромагнитов, время трогания и движения. Ускорение и замедление срабатывания
г) Сравнение статических тяговых характеристик электромагнитов постоянного и переменного тока. Для электромагнитов постоянного и переменного тока величина силы может быть рассчитана по формуле Максвелла
(5.1)
Если площади полюсов у электромагнитов одинаковы и одинаковы максимальные значения индукции в рабочих зазорах, то максимальное значение силы в электромагните переменного тока будет равно силе, развиваемой электромагнитом постоянного тока. Поскольку среднее значение силы при переменном токе FCp равно Fm/2, то средняя сила, развиваемая электромагнитом переменного тока, в 2 раза меньше силы, развиваемой электромагнитом постоянного тока.
Таким образом, при той же затрате стали электромагнит постоянного тока развивает в 2 раза большее усилие, чем электромагнит переменного тока.
Теперь сравним характеристики F = f(б) для электромагнитов постоянного и переменного тока клапанного типа. Как было показано, с ростом зазора величина силы меняется обратно пропорционально квадрату зазора. В связи с этим клапанный электромагнит постоянного тока либо имеет малый рабочий ход якоря, чтобы развить большую силу, либо катушка должна иметь большую н. с, чтобы создать необходимый поток при большом сопротивлении воздушного зазора.
В электромагните переменного тока средняя сила в 2 раза меньше, чем у электромагнита постоянного тока при том же значении индукции. Однако с ростом зазора, с одной стороны, растет магнитное сопротивление рабочего зазора, с другой — растет ток в обмотке, так что поток в рабочем зазоре падает только за счет активного падения напряжения в обмотке. Таким образом, электромагнит переменного тока как бы имеет автоматическую форсировку. При большом зазоре создается большая н. с. обмотки, которая обеспечивает необходимую величину потока в рабочем зазоре. В связи с этим электромагниты переменного тока могут работать при относительно больших ходах якоря.
Основы теории, динамика работы и время срабатывания электромагнитов
В большинстве электромагнитов, имеющих обмотку напряжения, процесс срабатывания имеет динамический характер.
После включения обмотки электромагнита происходит нарастание магнитного потока до тех пор, пока сила тяги не станет равна противодействующей силе. После этого якорь начинает двигаться, причем ток и магнитный поток изменяются по весьма сложному закону, определяемому параметрами электромагнита и противодействующей силой. После достижения якорем конечного положения ток и магнитный поток будут продолжать изменяться до тех пор, пока не достигнут установившихся значений. Время срабатывания электромагнита — это время с момента подачи напряжения на обмотку до момента остановки якоря:
где
— время трогания, представляющее собой время с начала подачи напряжения до начала движения якоря;
— время движения, т. е. время перемещения якоря из положения при зазоре
до положения при зазоре
.
К моменту остановки якоря переходной процесс еще не закончен и ток в обмотке продолжает возрастать от значения
до установившегося значения
.
Рассмотрим подробно все эти стадии для электромагнита постоянного тока с обмоткой напряжения.
а) Время трогания.
После включения цепи напряжение источника уравновешивается активным падением напряжения и противо-ЭДС обмотки:
U
Так как в начальном положении якоря рабочий зазор относительно велик, то магнитную цепь можно считать не насыщенной, а индуктивность обмотки — постоянной. Поскольку
и
, можно преобразовать:
.
Решение этого уравнения имеет вид
,
где
— установившееся значение тока;
— постоянная времени цепи.
Ток обмотки, при котором начинается движение якоря, называется током трогания
, а время нарастания тока от нуля до
— временем трогания
.
Для момента трогания выражение для тока можно записать в виде
Решив относительно
, получим
.
Время трогания пропорционально постоянной времени Т и зависит от отношения
, увеличиваясь с приближением этого отношения к единице.
б) Движение якоря.
Как только начинается движение якоря (точка а на рис.1), зазор уменьшается и его магнитная проводимость
возрастает и индуктивность обмотки увеличиваются, поскольку
. Так как при движении якоря индуктивность изменяется, то примет вид
.
При движении якоря
поэтому
и
начинают уменьшаться, поскольку сумма всех слагаемых равна неизменному значению напряжения источника U. Зависимость тока от времени показана на рис. Чем больше скорость движения якоря, тем больше спад тока. В точке b, соответствующей крайнему положению якоря, уменьшение тока прекращается. Далее ток меняется по закону
где
— постоянная времени при
.
Начало движения якоря имеет место при
(рис.). При движении якоря ток вначале еще немного нарастает, а затем падает до значения, меньшего
. Таким образом, во время движения якоря, когда зазор меняется от начального
до конечного
, ток в обмотке значительно меньше установившегося значения
. Поэтому и сила тяги, развиваемая электромагнитом в динамике, значительно меньше, чем в статике при
.
в) Отпускание электромагнита.
При размыкании цепи обмотки электромагнита магнитный поток в нем начинает уменьшаться из-за введения в цепь большого сопротивления дугового или тлеющего разряда между контактами. Магнитный поток уменьшается, и в момент, когда сила тяги электромагнита становится меньше усилия пружины, происходит отпускание якоря. Время отпускания
состоит из времени спада потока
от установившегося
до потока отпускания
и времени движения
.
Процесс отпускания описывается уравнением
,
где
— сопротивление искры (дуги);
— индуктивность цепи обмотки при конечном зазоре.
Если положить, что
, то решение уравнения примет вид
где
— постоянная времени, равная
. Обычно
.
Так как
велико, то
очень мало. Процесс спада тока, а следовательно, и магнитного потока протекает очень быстро. Если сердечник, на котором размещается обмотка, сплошной и имеет большое сечение, то спад магнитного потока замедляется, так как в сердечнике возникают вихревые токи, поле которых стремится поддерживать спадающий поток . Это необходимо учитывать при расчете
.
После трогания якоря его движение происходит за счет усилия противодействующей пружины. Время движения при отключении определяется выражением
,
где
–среднее значение усилия противодействующей пружины при конечном и начальном зазоре,
масса подвижных частей электромагнита.
г) Ускорение и замедление срабатывания и отпускания электромагнитов постоянного тока.
В большинстве случаев основную часть времени срабатывания составляет время трогания. Поэтому для изменения времени срабатывания воздействуют прежде всего на
.
Допустим, что ток трогания не изменяется (неизменна сила противодействующей пружины). Рассмотрим влияние активного сопротивления цепи при неизменных индуктивности и питающем напряжении. После включения электромагнита ток в обмотке изменяется по выражению
.
Скорость нарастания тока
.
И при
.
Таким образом, скорость нарастания тока в момент включения не зависит от активного сопротивления цепи и определяется только питающим напряжением и индуктивностью цепи,
. Изменение тока во времени при различных значениях активного сопротивления цепи и
показано на рис.1.
Следует отметить, что, поскольку
и
— одинакова для обоих случаев кривая тока
идет выше кривой тока
и, что обеспечивает ускорение срабатывания при
. Это же следует из анализа. По мере увеличения сопротивления
установившийся ток
приближается к току
, знаменатель у логарифма стремится к нулю, а сам логарифм растет до бесконечно большого значения. Поэтому увеличение активного сопротивления ведет к росту времени трогания
. Постоянная времени Т с ростом сопротивления уменьшается
, и, следовательно, снижается время трогания, но влияние этого множителя меньше, чем влияние логарифма. Чем меньше активное сопротивление цепи, тем быстрее будет срабатывать электромагнит. Для уменьшения сопротивления R при неизменной индуктивности L необходимо увеличивать сечение обмоточного провода q, что вызывает увеличение окна Q0 и габаритов электромагнита в целом. Мощность, рассеиваемая в виде тепла,
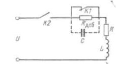
также возрастает, что требует увеличения поверхности охлаждения катушки. Ускорить срабатывание электромагнита при неизменных его габаритах можно с помощью специальных схем форсировки. Для того чтобы добиться эффекта уменьшения сопротивления R при неизменных размерах электромагнита, широко применяется схема форсировки (рис. 1). Введенный в схему добавочный резистор
шунтирован размыкающим контактом К1, связанным с якорем электромагнита. После замыкания контакта К2 малое сопротивление обмотки R способствует быстрому нарастанию тока до тока трогания. После начала движения якоря контакт К1 размыкается и в цепь вводится сопротивление
, благодаря чему мощность Р, выделяемая в обмотке, ограничивается в соответствии с выражением
Иногда вместо контакта К.1 используется конденсатор С. В первый момент времени незаряженный конденсатор уменьшает падение напряжения на резисторе
, благодаря чему обеспечивается форсировка электромагнита. В установившемся режиме ток в цепи ограничивается резистором
. Емкость конденсатора, мкФ, рекомендуется брать равной
,
где L — индуктивность обмотки электромагнита, Гн; R — ее активное сопротивление, Ом;
— сопротивление добавочного резистора, Ом.
а) б)
Рис.1. Изменение тока в обмотке при включении. Схема форсировки электромагнита (а); ток в обмотке электромагнита при различных активных сопротивлениях цепи (б).
Рассмотрим влияние питающего напряжения на время трогания. При уменьшении питающего напряжения уменьшается значение
установившегося тока, что ведет к увеличению значения
. При
время трогания
.
Минимальное напряжение, при котором электромагнит может сработать,
. С ростом питающего напряжения время трогания уменьшается в связи с уменьшением
из-за роста
. Зависимость
изображена на рис.1. Иногда возникает необходимость ускорить срабатывание уже готового электромагнита, не затрагивая его конструкцию и входящие в нее узлы и детали. Увеличение питающего напряжения без изменения активного сопротивления цепи ведет к ускорению срабатывания, но обмотка электромагнита может сгореть, если при номинальном значении питающего напряжения ее температура близка к предельно допустимой. В этих случаях рекомендуется при повышении питающего напряжения в цепь включать добавочный резистор, сопротивление которого обеспечивает неизменность тока
. Ускорение срабатывания происходит за счет уменьшения постоянной времени. Величина
остается неизменной.
На рис.2 показаны зависимости
при различных значениях
и при неизменном установившемся токе электромагнита. Кривые показывают, что чем больше постоянная времени, тем больше время трогания.
Рис.2.Зависимость времени трогания от напряжения питания и зависимости i=f(t) при различных постоянных времени и неизменном значении
.
Отметим, что при прочих равных условиях увеличение натяжения противодействующей пружины ведет к росту
и
.
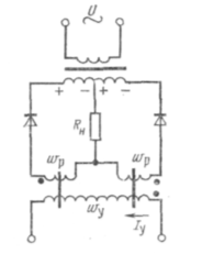
Для создания электромагнитов замедленного действия применяется короткозамкнутая обмотка. Такая обмотка может иметь всего один виток в виде медной или алюминиевой гильзы, надеваемой на сердечник электромагнита. Электромагнит с короткозамкнутой обмоткой w2 показан на рис. 3.
При включении питающей обмотки и нарастании создаваемого ею магнитного потока в короткозамкнутой обмотке наводится ЭДС. Последняя вызывает ток такого направления, при котором магнитный поток короткозамкнутой обмотки направлен встречно потоку питающей обмотки. Результирующий поток равен разности этих потоков. Скорость нарастания потока в электромагните уменьшается и время трогания увеличивается.
Если принять, что короткозамкнутая обмотка пронизывается тем же потоком, что и питающая (отсутствует рассеяние), то поток нарастает по экспоненте с суммарной постоянной времени
:
где
– установившийся поток;
;
— постоянные времени обмоток.
Если пренебречь потоками рассеяния, то индуктивности обмоток согласно равны:
;
При отпущенном якоре
и значение
мало. Суммарная постоянная времени
невелика, и замедление электромагнита при срабатывании получается небольшим.
Рис.3. Электромагнит замедленного действия, изменение тока в обмотках электромагнита при отключении
При отключении электромагнита можно считать, что ток
в питающей обмотке практически мгновенно спадает до нуля из-за быстрого нарастания сопротивления дугового промежутка в отключающем аппарате К (рис. 3).
Поскольку магнитный поток в системе мгновенно не может измениться, в короткозамкнутой обмотке возникает ток
.
Спадание магнитного потока определяется процессом затухания этого тока. При спадании потока в короткозамкнутой обмотке наводится ЭДС и возникает ток, направленный так, что поток, создаваемый обмоткой
, препятствует уменьшению потока в системе. Замедленное спадание потока создает выдержку времени при отпускании.
Для короткозамкнутой обмотки и ненасыщенной магнитной системе можно записать
,
Решив уравнение, получим
где
— начальное значение тока в короткозамкнутой обмотке (при t=0);
— индуктивность короткозамкнутой обмотки при притянутом якоре. Очевидно, что
. Умножив обе части на
получим
где
—установившийся магнитный поток при включенной питающей обмотке.
Рабочий зазор при притянутом якоре в десятки и даже, в сотни раз меньше, чем при отпущенном. Поэтому постоянная времени при притянутом якоре
и замедление времени трогания при отпускании может достигать 10 с, тогда как задержка времени трогания при срабатывании составляет доли секунды.
После затухания тока i2 в цепи устанавливается остаточный магнитный поток, определяемый кривой размагничивания материала магнитопровода и воздушным зазором . Возможны случаи, когда остаточный магнитный поток создает силу притяжения большую, чем сила, развиваемая пружиной. Происходит так называемое залипание якоря, когда якорь остается в притянутом положении после отключения питающей обмотки. Для устранения залипания на торце сердечника или якоря устанавливается тонкая немагнитная прокладка. Наличие этой прокладки обеспечивает фиксированный достаточно малый конечный зазор
, что приводит к снижению остаточного магнитного потока и устранению залипания.
В электромагнитах для реле времени магнитная система при притянутом положении якоря сильно насыщена. В этом случае справедливо уравнение
Решив уравнение относительно
, получим
,
где
— магнитный поток, при котором усилие пружины равно электромагнитной силе;
— начальное значение потока.
Выдержка времени при отпускании при прочих равных условиях определяется начальным потоком Фу уравнения. Этот поток определяется кривой намагничивания магнитной системы в замкнутом состоянии. Поскольку напряжение и ток в обмотке пропорциональны, зависимость
повторяет в другом масштабе зависимость
. Если система при номинальном напряжении не насыщена, то поток Фу сильно зависит от питающего напряжения. При этом выдержка времени также зависит от напряжения обмотки. Для независимости выдержки времени от питающего напряжения магнитная цепь электромагнитов делается сильно насыщенной. На рис.4 представлена кривая намагничивания магнитной системы
. В зоне насыщения колебания питающего напряжения на
ведут к незначительному изменению установившегося потока
и колебанию времени отпускания в пределах от
до
. Вся рабочая зона лежит в области напряжений выше
. При работе в ненасыщенной зоне
даже небольшие колебания питающего напряжения приводят к значительному изменению потока Фу и выдержки времени на отпускание.
В разнообразных схемах автоматики, в которых используются электромагниты, напряжение на их питающие обмотки может подаваться кратковременно. В этом случае для стабильности выдержки времени при отпускании необходимо, чтобы длительность приложения питающего напряжения была достаточна для достижения потоком установившегося значения.
Рис.4. Характеристика намагничивания магнитной системы и зависимость времени отпускания от напряжения питания
Это время называется временем подготовки или зарядки. Если длительность приложения напряжения меньше этого времени, то выдержка времени уменьшается. Время зарядки зависит от габаритов реле и составляет около 1 с.
На выдержку времени электромагнита влияет температура короткозамкнутой обмотки. Согласно
.
Здесь t — время отпускания;
— температура нагретой короткозамкнутой обмотки.
Заводы-изготовители гарантируют работу таких электромагнитов в диапазоне температур от -– 40 до +60 °С. Если температура короткозамкнутой обмотки равна окружающей, то при указанном изменении температуры сопротивление, а следовательно, и выдержка времени изменятся почти в 1,5 раза. В среднем можно считать, что изменение температуры на каждые 10 °С ведет к изменению времени выдержки на 4 %. Зависимость выдержки времени от температуры является одним из основных недостатков электромагнитов с короткозамкнутой обмоткой.
Динамика и время срабатывания электромагнитов
а) Время срабатывания. До сих пор мы рассматривали только статические характеристики электромагнитов, когда в их обмотке проходит неизменный ток, причем якорь либо неподвижен, либо якорь движется, но ток в обмотке не меняется по своему действующему значению, поскольку электромагнит имеет последовательную обмотку. В таком режиме работают тормозные и удерживающие электромагниты. В большинстве электромагнитов процесс имеет динамический характер. В этом случае после включения обмотки электромагнита происходит нарастание потока в магнитной цепи до тех нор, пока сила, развиваемая электромагнитом, не станет равна противодействующей силе. По достижении указанного равенства якорь начинает двигаться. При этом ток и поток меняются по весьма сложному закону, определяемому параметрами электромагнита и противодействующей силой. После того как якорь придет в свое конечное положение, ток и поток в электромагните будут продолжать изменяться до тех пор, пока не достигнут установившегося значения.
Р
ассмотрим более подробно все эти три стадии для электромагнита постоянного тока с параллельной обмоткой. Первая стадия — с момента подачи напряжения до начала трогания якоря. Начиная с момента включения обмотки и до момента начала движения якоря напряжение источника уравновешивается активным падением напряжения и противо– э. д. с. в катушке:
Так как в начальном положении якоря рабочий зазор имеет относительно большое значение, магнитная цепь может считаться ненасыщенной, а индуктивность обмотки— постоянной величиной. Поскольку потокосцепление
уравнение можно преобразовать:
(5.4)
Решение этого уравнения относительно тока, как известно, имеет вид:
(5.5)
где
установившееся значение тока;
Величина тока, при котором начинается движение якоря, называется током трогания /Тр, а время нарастания тока от нуля до /Тр — временем трогания £Тр.
Для момента трогания можно записать в виде
(5.6)
Решив относительно времени трогания, получим:
(5.7)
Таким образом, во-первых, время трогания пропорционально постоянной времени T, и, во-вторых, по мере приближения
время трогания начинает быстро расти. Как только начинается движение якоря, зазор уменьшается и индуктивность увеличивается, поскольку
Так как при движении якоря индуктивность изменяется, то примет вид:
(5.8)
При движении якоря
поэтому величина тока
начинают уменьшаться, поскольку сумма всех падений напряжения равна неизменному значению напряжения источника U. Зависимость тока от времени показана на рис. 5.1. Чем больше скорость движения якоря, тем больше спад тока. В точке b якорь достиг своего крайнего положения и уменьшение тока прекратилось. После остановки якоря ток будет увеличиваться до тех пор, пока не достигнет установившегося значения
причем постоянная времени
будет больше, чем
, поскольку конечный зазор б меньше, чем начальный зазор б„. Так как в притянутом положении якоря рабочий зазор мал, то возможно насыщение магнитной системы, и закон нарастания тока будет отличаться от экспоненциального, что необходимо учитывать при расчете времени установления потока.
Рис. 5.1. Зависимость тока от времени
Имеется целый ряд методов расчета процессов в электромагните при движении якоря. Как показано на рис. 5.1, в динамике начало движения имеет место при токе
. При движении якоря ток вначале еще немного нарастает, а затем падает до величины, меньшей тока трогания. Таким образом, в процессе движения якоря, когда зазор меняется от начального до конечного значения, величина тока в обмотке значительно меньше установившегося значения. Поскольку при движении якоря во всех точках его пути ток в обмотке меньше установившегося значения, то и сила, развиваемая электромагнитом, в динамике значительно меньше, чем в статике при
. С этим необходимо считаться при согласовании силы тяги электромагнита и противодействующих сил.
Для ориентировочного определения времени движения можно воспользоваться статической характеристикой. На рис.5.2 изображены статическая тяговая характеристика электромагнита
и характеристика противодействующей силы. Разность сил
, идет на сообщение ускорения подвижным частям:
где
масса подвижных частей, приведенная к рабочему зазору;
перемещение якоря;
скорость движения якоря.
После интегрирования получим:
(5.10)
Рис.5.2. Статическая тяговая характеристика электромагнита и характеристика противодействующей силы
Интеграл удобно рассчитывается графоаналитически. Скорость в точке хода б равна:
(5.11)
где
масштаб по оси силы;
масштаб по оси перемещения;
площадь, пропорциональная работе движущей силы.
Зная скорость в любой точке хода, можно рассчитать время движения на всех участках и суммированием определить полное время движения.
Иногда во время движения ток мало меняется и составляет некоторую долю а от установившегося
В таких случаях рекомендуется строить статическую характеристику при
.
б) Ускорение и замедление срабатывания и отпускания электромагнита постоянного тока. Полное время срабатывания состоит из времени трогания и времени движения:
(5.12)
В большинстве случаев основную часть времени срабатывания составляет время трогания. Поэтому при ускорении и замедлении срабатывания воздействуют прежде всего на
Согласно
(5.13)
Допустим, что ток трогания не меняется (неизменна сила противодействующей пружины). Рассмотрим влияние активного сопротивления цепи при неизменной величине индуктивности и питающего напряжения. После включения электромагнита ток в обмотке изменяется и скорость нарастания тока равна:
(5.14)
Т
аким образом, скорость нарастания тока в момент включения не зависит от активного сопротивления цепи и определяется только питающим напряжением и индуктивностью цепи. Изменение тока во времени для двух значений активного сопротивления цепи показано на рис.5.3. Поскольку обе кривые в начале координат имеют общую касательную, так как
не зависит от активного сопротивления. Постоянная времени для первого случая
для второго Tt == L/R.i; так как
то
При уменьшении сопротивления R увеличивается установившийся ток и величина уменьшается.
Можно показать, что логарифм уменьшается быстрее, чем растет постоянная времени Т. В результате ^Tpi> >tTp2, несмотря на то, что Т{<Т2. Чем меньше активное сопротивление цепи, тем быстрее будет срабатывать электромагнит.
П
ри уменьшении активного сопротивления обмотки растет мощность Р, потребляемая ею:
Для ограничения температуры нагрева необходимо развивать у катушки поверхность охлаждения, т. е. ее размеры. Увеличение размеров обмотки потребует увеличения размеров магнитопровода.
Для ограничения размеров электромагнита в настоящее время широко применяется форсировка по схеме рис. 5.4. В отключенном положении сопротивление #ДОб шунтировано размыкающим контактом, связанным с якорем электромагнита.
После замыкания контакта К малое сопротивление обмотки R способствует быстрому нарастанию тока до тока трогания. После начала движения якоря контакт размыкается и в цепь вводится сопротивление ./?доб, благодаря чему ограничивается мощность Р, выделяемая в обмотке:
(5.15)
Рис.5.3 Изменение тока во времени для двух значений активного сопротивления
Рис.5.4. Схема форсировки электромагнита
Иногда для ускорения срабатывания сопротивление/?ДОб шунтируют конденсатором. В первый момент времени конденсатор уменьшает падение напряжения на этом сопротивлении, благодаря чему обеспечивается форсировка электромагнита. В установившемся режиме величина тока в цепи ограничивается сопротивлением ^?ДОб-. Величину емкости конденсатора в рекомендуется брать равной:
(5.16)
где
индуктивность обмотки, Гн\
ее активное сопротивление,
— добавочное сопротивление, Ом.
Т
еперь рассмотрим влияние питающего напряжения на время трогания. При уменьшении питающего напряжения уменьшается величина установившегося тока, что ведет к увеличению
С
ростом напряжения время трогания уменьшается в соответствии с уменьшением
Иногда возникает необходимость ускорить срабатывание уже готового электромагнита. Увеличение питающего напряжения без изменения активного сопротивления цепи ведет к ускорению срабатывания, но катушка электромагнита может сгореть, если при номинальном значении питающего напряжения температура обмотки равна предельно допустимой. В этих случаях рекомендуется при повышении питающего напряжения в цепь включать добавочное сопротивление, чтобы величина установившегося тока оставалась неизменной и равной /у. При этом ускорение срабатывания происходит за счет уменьшения постоянной времени. Величина
На рис. 5.4 показано изменение токов в обмотке электромагнита при неизменном установившемся токе. Кривые показывают, что в данном случае чем больше постоянная времени, тем больше время трогания.
В заключение отметим, что при прочих равных условиях увеличение натяжения противодействующей пружины ведет к росту
при этом
также увеличивается.
Время отпускания электромагнита состоит из времени спадания потока до потока отпускания, при котором сила электромагнита становится равной противодействующей силе и времени движения при отпускании.
В большинстве случаев время спада потока при отсутствии короткозамкнутых обмоток значительно меньше, чем время движения якоря при отпадании.
Поэтому в основном считаются со временем движения. Для упрощения расчетов можно принять, что якорь и подвижные части двигаются равноускоренно под действием силы, равной средней силе пружины. Тогда время отпускания можно найти с помощью формулы
(5.17)
где т — приведенная к центру полюса масса якоря и подвижных частей; х— перемещение якоря; Fcp — приведенное к центру полюса среднее значение силы отключающей пружины на пути х.
Рис.5.4. Изменение токов в обмотке электромагнита при неизменном установившемся токе
Для создания электромагнитов замедленного действия применяются короткозамкнутая обмотка или гильза. Эскиз электромагнита с короткозамкнутой обмоткой показан на рис.
При включении питающей обмотки в магнитной цепи
нарастает поток. Этот поток наводит в короткозамкнутой обмотке э. д. с. Последняя вызывает ток такого направления, при котором поток короткозамкнутой обмотки направлен встречно с намагничивающим. Результирующий поток равен разности этих потоков. Скорость нарастания потока уменьшается, а время трогания увеличивается.
Результирующий поток нарастает во времени по экспоненте с суммарной постоянной времени
(5.18)
, и — постоянные времени обмоток.
Рис. 5.5.Электромагнит с короткозамкнутой обмоткой
Если пренебречь потоками рассеяния, то индуктивности
согласно равны:
(5.19)
Ввиду того, что при отпущенном якоре Gb мало, суммарная постоянная времени Ti + T2 невелика и замедление электромагнита получается небольшим.
При отключении электромагнита с короткозамкнутой обмоткой можно считать, что ток в первичной обмотке практически мгновенно спадает до нуля из-за быстрого нарастания сопротивления дугового промежутка в отключающем аппарате.
Изменение потока определяется процессом затухания тока в короткозамкнутой обмотке. При спадании потока в короткозамкнутой
обмотке w2 наводится э. д. с. и возникает ток, направленный так, что поток, создаваемый обмоткой о>2, препятствует изменению (уменьшению) потока в системе.
Замедленное спадание потока создает выдержку времени при отпускании.
Для вторичной короткозамкнутой обмотки ненасыщенной системы в этом случае можно записать:
(5.20)
Поскольку величина зазора уменьшилась, индуктивность при притянутом якоре
больше, чем при отпущенном L-i.
Решив относительно тока, получим:
(5.21)
Умножив обе части на G\ w2, после преобразования получим:
(5.22)
Благодаря тому, что рабочий зазор в притянутом состоянии в десятки и даже сотни раз меньше, чем в отпущенном
можно получить время трогания при отпускании до 10 сек, тогда как время трогания при притяжении составляет доли секунды.
При н. с, равной нулю, в цепи устанавливается поток, определяемый кривой размагничивания материала и воздушным зазором. Этот остаточный поток может создавать силу притяжения большую, чем сила, развиваемая пружиной. Произойдет залипание якоря. Для устранения залипания ставится немагнитная прокладка, снижающая величину остаточного потока.
В реальных конструкциях реле времени магнитная система при притянутом положении якоря сильно насыщена.
Для насыщенной цепи справедливо уравнение
(5.23)
Решив уравнение относительно времени, получим:
(5.24)
где
поток, при котором сила, развиваемая пружиной, равна силе электромагнита.
Для определения значения интеграла рассчитывается зависимость потока в рабочем зазоре от н. с. После этого строится зависимость 1/ш=/(Ф) и графическим интегрированием решается.
в) Динамика электромагнитов переменного тока. Рассмотрим магнитную цепь электромагнита, у которого магнитопровод ненасыщен. Пусть включение происходит в нуль напряжения. В этом случае можно записать:
(5.25)
Поскольку цепь линейна, ток можно выразить через поток
Подставив, получим:
(5.26)
Решив это уравнение относительно потока, найдем:
(5.27)
где Фт — максимальное значение потока.
Согласно (5.27) при / = 0 поток в системе также равен нулю. Через время t=n/u> поток достигает наибольшего значения, поскольку постоянная составляющая потока складывается с переменной составляющей. Если пренебречь затуханием, то через полпериода поток достигает величины, равной 2Фта.
По мере затухания постоянной составляющей потока пиковое значение потока будет уменьшаться, пока не достигнет Фт. Таким образом, в электромагните переменного тока наибольшие пиковые значения потока, а следовательно, и силы, будут иметь место в начале процесса включения, причем пиковое значение потока и силы наступает примерно через 0,01 сек после начала включения (при частоте тока 50 Гц). Это обеспечивает малое время трогания.
Если магнитная система насыщена, то возникновение постоянной составляющей потока в момент включения ведет к появлению большого сильно искаженного намагничивающего тока.
При включении в нуль тока (потока) постоянная составляющая не появляется и пиковое значение потока появляется через четверть периода после начала включения. Таким образом, и в этом случае обеспечивается быстрое срабатывание электромагнита без применения специальных мер.
Расчет динамических характеристик электромагнитов переменного тока аналитически очень затруднен. Эту задачу удается решить применением аналоговых счетных машин. Необходимо отметить, что в момент включения электромагнита рабочий зазор в магнитной цепи велик, что вызывает согласно большой намагничивающий ток, в десятки раз больший, чем ток в притянутом положении якоря.
Магнитные цепи с постоянными магнитами
а) Общие сведения. Для создания постоянного магнитного поля в целом ряде электрических аппаратов используются постоянные магниты, которые изготавливаются из магнитно-твердых материалов, имеющих широкую петлю гистерезиса (рис.5.6).
Работа постоянного магнита происходит на участке отH= 0 до
H = — Нс. Эта часть петли называется кривой размагничивания.
Рассмотрим основные соотношения в постоянном магните, имеющем форму тороида с одним малым зазором б (рис.5.6). Благодаря форме тороида и небольшому зазору потоками рассеяния в таком магните можно пренебречь. Если зазор мал, то магнитное поле в нем можно считать однородным.
Рис.5.6. Кривая размагничивания постоянного магнита
Если пренебречь выпучиванием, то индукции в зазоре В& и внутри магнита В одинаковы.
На основании закона полного тока при интегрировании по замкнутому контуру 1231 рис. получим:
(5.28)
Рис.5.7 Постоянный магнит, имеющий форму тороида
Т
аким образом, напряженность поля в зазоре направлена встречно напряженности в теле магнита. Для электромагнита постоянного тока, имеющего аналогичную форму магнитной цепи, без учета насыщения можно написать:
Сравнивая можно видеть, что в случае с постоянным магнитом н. с, создающей поток в рабочем зазоре, является произведение напряженности в теле магнита на его длину с обратным знаком —Hl.
Воспользовавшись тем, что
(5.29)
получим:
(5.30)
или (5.31)
г
де
площадь полюса; проводимость воздушного зазора.
Уравнение есть уравнение прямой, проходящей через начало координат во втором квадранте под углом а к оси Н. С учетом масштаба индукции тв и напряженности тн угол а определяется равенством
(5.32)
Т
ак как индукция и напряженность магнитного поля в теле постоянного магнита связаны кривой размагничивания, то пересечение указанной прямой с кривой размагничивания (точка А на рис.5.6) и определяет состояние сердечника при заданном зазоре.
и
С ростом б проводимость рабочего зазора и tga уменьшаются, индукция в рабочем зазоре падает, а напряженность поля внутри магнита увеличивается.
Одной из важных характеристик постоянного магнита является энергия магнитного поля в рабочем зазоре Wt. Учитывая, что поле в зазоре однородно,
(5.34)
Подставляя значение Нь получим:
где VM — объем тела магнита.
Таким образом, энергия в рабочем зазоре равна энергии внутри магнита.
З
ависимость произведения В(—Н) в функции индукции показана на рис.5.6 . Очевидно, что для точки С, в которой В(—Н) достигает максимального значения, энергия в воздушном зазоре также достигает наибольшей величины, и с точки зрения использования постоянного магнита эта точка является оптимальной. Можно показать, что точка С, соответствующая максимуму произведения
есть точка пересечения с кривой размагничивания луча О К, проведенного через точку с координатами
Рассмотрим более подробно влияние зазора б на величину индукции В (рис.5.6). Если намагничивание магнита производилось при зазоре б, то после снятия внешнего поля в теле магнита установится индукция, соответствующая точке А. Положение этой точки определяется зазором б.
Уменьшим зазор до значения бi<б, тогда
При уменьшении зазора индукция в теле магнита возрастает, однако процесс изменения индукции идет не по кривой размагничивания, а по ветви частной петли гистерезиса AMD. Индукция В{ определяется точкой пересечения этой ветви с лучом, проведенным под углом к оси — Н (точка D).
Если мы снова увеличим зазор до значения б, то индукция будет падать до значения В, причем зависимость В (Н) будет определяться ветвью DNA частной петли гистерезиса. Обычно частная петля гистерезиса AMDNA достаточно узка и ее заменяют прямой AD, которую называют прямой возврата. Наклон к горизонтальной оси ( + Н) этой прямой называется коэффициентом возврата:
(5.37)
Характеристика размагничивания материала обычно не приводится полностью, а задаются только величины индукции насыщения Bs, остаточной индукции Вг, коэрцитивной силы Нс. Для расчета магнита необходимо знать всю кривую размагничивания, которая для большинства магнитно-твердых материалов хорошо аппроксимируется формулой
(5.38)
Кривая размагничивания, выражаемая (5.30), может быть легко построена графически, если известны Bs, Вг.
б) Определение потока в рабочем зазоре для заданной магнитной цепи. В реальной системе с постоянным магнитом поток в рабочем зазоре отличается от потока в нейтральном сечении (середине магнита) из-за наличия потоков рассеяния и выпучивания (рис.).
Рис.5.8. Магнитной цепи с постоянным магнитом и потоками рассеяния и выпучивания
Поток в нейтральном сечении равен:
(5.39)
где
поток в нейтральном сечении;
Коэффициент рассеяния о определяется равенством
(5.40)
Если принять, что потоки
создаются одной и той же разностью магнитных потенциалов, то
(5.41)
Индукцию в нейтральном сечении найдем, определив tga:
и воспользовавшись кривой размагничивания рис.5.6. Индукция в рабочем зазоре равна:
(5.42)
поскольку поток в рабочем зазоре в о раз меньше, чем поток в нейтральном сечении.
Очень часто намагничивание системы происходит в несобранном состоянии, когда проводимость рабочего зазора уменьшена из-за отсутствия деталей из ферромагнитного материала. В этом случае расчет ведется с использованием прямой возврата. Если потоки рассеяния значительны, то расчет рекомендуется вести по участкам, так же как и в случае электромагнита.
Потоки рассеяния в постоянных магнитах играют значительно большую роль, чем в электромагнитах. Дело в том, что магнитная проницаемость магнитно-твердых материалов значительно ниже, чем у магнитно-мягких, из которых изготавливаются системы для электромагнитов. Потоки рассеяния вызывают значительное падение магнитного потенциала вдоль постоянного магнита и уменьшают н. с, а следовательно, и поток в рабочем зазоре.
Коэффициент рассеяния выполненных систем колеблется в довольно широких пределах. Расчет коэффициента рассеяния и потоков рассеяния связан с большими трудностями. Поэтому при разработке новой конструкции величину коэффициента рассеяния рекомендуется определить на специальной модели, в которой постоянный магнит заменен электромагнитом. Намагничивающая обмотка выбирается такой, чтобы получить в рабочем зазоре необходимый поток.
в) Определение размеров магнита по требуемой индукции в рабочем зазоре. Эта задача является еще более трудной, чем определение потока при известных размерах. При выборе размеров магнитной цепи обычно стремятся к тому, чтобы индукция В0 и напряженность Н0 в нейтральном сечении соответствовали максимальному значению произведения Н0В0. При этом объем магнита будет минимальным. Даются следующие рекомендации по выбору материалов. Если требуется при больших зазорах получить большое значение индукции, то наиболее подходящим материалом является магнико. Если при большом зазоре необходимо создать небольшие индукции, то можно рекомендовать альниси. При малых рабочих зазорах и большом значении индукции целесообразно применение альни.
Сечение магнита выбирается из следующих соображений. Индукция в нейтральном сечении выбирается равной В0. Тогда поток в нейтральном сечении
откуда сечение магнита
В
еличины индукции в рабочем зазоре Вр и площадь полюса являются заданными величинами. Наиболее трудным является определение значения коэффициента рассеяния. Величина его зависит от конструкции и индукции в сердечнике. Если сечение магнита получилось большим, то применяют несколько магнитов, включенных параллельно. Длина магнита определяется из условия создания необходимой н.с. в рабочем зазоре при напряженности в теле магнита Н0:
где бр — величина рабочего зазора.
При больших рабочих зазорах рекомендуется соединять несколько магнитов последовательно.
После выбора основных размеров и конструирования магнита проводится поверочный расчет по методике, описанной ранее.
г) Стабилизация характеристик магнита. В процессе работы магнита наблюдается уменьшение потока в рабочем зазоре системы — старение магнита. Различают структурное, механическое и магнитное старение.
Структурное старение наступает вследствие того, что после закалки материала в нем возникают внутренние напряжения, материал приобретает неоднородную структуру. В процессе работы материал становится более однородным, внутренние напряжения исчезают. При этом остаточная индукция Вт и коэрцитивная сила Нс уменьшаются. Для борьбы со структурным старением материал подвергается термообработке в виде отпуска. При этом внутренние напряжения в материале исчезают. Его характеристики становятся более стабильными. Алюминиево-никелевые сплавы (альни и др.) не требуют структурной стабилизации.
Механическое старение наступает при ударах и вибрациях магнита. Для того чтобы сделать магнит нечувствительным к механическим воздействиям, его подвергают искусственному старению. Образцы магнита перед установкой в аппарат подвергаются таким ударам и вибрации, которые имеют место в эксплуатации.
Магнитное старение — изменение свойств материала под действием внешних магнитных полей. Положительное внешнее поле увеличивает индукцию по прямой воз врата, а отрицательное снижает ее по кривой размагничивания. Для того чтобы сделать магнит более стабильным, его подвергают действию размагничивающего поля, после чего магнит работает на прямой возврата. Из-за меньшей крутизны прямой возврата влияние внешних полей уменьшается. При расчете магнитных систем с постоянными магнитами необходимо учитывать, что в процессе стабилизации магнитный поток уменьшается на 10-15%.
Лекция №6
Тема лекции:
Электродинамические усилия (ЭДУ), методы расчета. Электродинамическая устойчивость. Нагрев электроаппаратов. Нормы нагрева, термическая устойчивость
Электродинамические усилия в элементах аппаратов
При коротком замыкании в сети через токоведущую часть аппарата могут протекать токи, в десятки раз превышающие номинальные. Эти токи, взаимодействуя с магнитным полем, создают электродинамические усилия (э. д. у.), которые стремятся деформировать проводники и изоляторы, на которых они крепятся. В некоторых случаях величина э. д. у. может достигать десятков тонн, при этом возможно даже разрушение аппарата.
Для определения э. д. у. используются два метода.
В
первом методе сила рассматривается как результат взаимодействия проводника с током и магнитным полем. Если элементарный проводник
dl с током
i находится в магнитном поле с индукцией
. создаваемой другими проводниками, то сила действующая на этот элемент, равна
где
угол между векторами элемента dl и индукции В.
За направление dl принимается направление тока в этом элементе.
Направление индукции, создаваемой проводником, легко найти с помощью правила буравчика. Если винт буравчика движется вдоль тока в проводнике, то направление вращения рукоятки совпадает с направлением магнитной силовой линии, т. е. с вектором индукции.
Направление силы можно определить по правилу левой руки. Для этого левую руку располагают так, чтобы вектор индукции пронизывал ладонь, а направление тока в проводнике совпадало с четырьмя вытянутыми пальцами. Тогда направление силы будет указывать большой палец (рис. ).
Рис.6.1. Правило левой руки
П
равило буравчика можно использовать и для определения направления результирующего вектора , следовательно, и направления силы.
Е
сли рукоятку штопора вращать от вектора к вектору
по кратчайшему расстоянию, то направление движения винта штопора совпадает с направлением силы, действующей на элемент с током
Для определения полной силы, действующей на проводник длиной l, необходимо просуммировать силы, действующие на все его элементы:
(6.2)
В случае любого расположения проводников в одной плоскости р = 90° уравнение упрощается:
(6.3)
Описанный метод рекомендуется применять тогда, когда можно аналитически найти индукцию в любой точке проводника, для которого необходимо определить силу.
Второй метод определения э. д. у. основан на использовании энергетического баланса системы проводников с током. Если пренебречь электростатической энергией системы и принять, что при деформации токоведущих контуров или их перемещении под действием э. д. у. величина тока во всех контурах остается неизменной, то силу можно найти по уравнению
г
де электромагнитная энергия;
возможное перемещение в направлении действия силы F.
Таким образом, сила равна частной производной от электромагнитной энергии данной системы по координате, в направлении которой действует сила.
Электромагнитная энергия системы обусловлена как энергией магнитного поля каждого изолированного контура, так и энергией, определяемой магнитной связью между контурами.
Для системы трех взаимосвязанных контуров электромагнитная энергия
(6.5)
З
десь индуктивности контуров;
токи в контурах;
взаимоиндуктивности между контурами.
Первые три члена уравнения определяют энергию независимых контуров, вторые три члена характеризуют энергию, обусловленную магнитной связью.
Уравнение дает возможность рассчитать как силы, действующие в изолированном контуре, так и силу взаимодействия этого контура со всеми остальными.
При коротком замыкании величина тока в цепи не зависит от незначительных деформаций токоведущих контуров или от изменения расстояния между ними, возникающих под действием э. д. у. Поэтому при нахождении сил с помощью уравнения можно считать, что величина тока не меняется, а сила возникает в результате изменения индуктивности или взаимоиндуктивности.
При расчете силы, действующей между контурами, считаем, что энергия меняется только в результате возможного изменения взаимного расположения контуров. При этом энергия, обусловленная собственной индуктивностью, считается неизменной:
(6.7)
Энергетическим методом очень удобно пользоваться тогда, когда известна аналитическая зависимость индуктивности или взаимоиндуктивности от геометрических параметров.
Э
тот метод позволяет легко найти направление э. д. у. Из уравнения (6.4) следует, что положительному направлению силы F соответствует возрастание энергии системы , т.е. деформация контура или его перемещение происходит под действием силы таким образом, чтобы электромагнитная энергия системы возрастала.
Электромагнитная энергия одного контура
(6.8)
магнитный поток;
число витков в контуре.
Сила, действующая в контуре, будет направлена таким образом, чтобы индуктивность, потокосцепление и поток при деформации контура под действием этой силы возрастали.
Возьмем для примера круговой виток рис.6.2.
Рис. 6.2. Силы в витке, обтекаемом током
Е
сли
то индуктивность витка достаточно точно выражается уравнением
При протекании тока возникает сила, стремящаяся увеличить радиус витка, поскольку с ростом R растет индуктивность L, а следовательно, увеличивается и электромагнитная энергия системы:
С ростом радиуса возрастает потокосцепление данного контура при условии, что ток в цепи не меняется.
Электродинамические силы, возникающие при изменении сечения проводника
При протекании тока по цилиндрическому проводнику на отдельные нити тока действуют э. д. у., стремящиеся переместить эту нить к центру проводника. Поскольку все линии тока вертикальны, а индукция в любой точке проводника направлена по касательной, то сила, действующая на элементарные нити, направлена по радиусу и не имеет осевой составляющей.
При изменении сечения проводника линии тока искривляются и, кроме поперечной сжимающей силы, возникает продольная, стремящаяся разорвать место перехода вдоль оси проводника. Как видно из рис.6.3, сила, возникающая в месте перехода, направлена в сторону большего сечения.
Рис.6.3. Электродинамические силы, действующие в месте изменения поперечного сечения проводника
Формула для расчета этих сил имеет вид:
(6.10)
Следует отметить, что эта формула справедлива для любого симметричного перехода от сечения с радиусом гк к сечению с радиусом ги. Так, в случае многократного конуса
(6.11)
г
де радиус конечного сечения;
радиус начального сечения.
Плавный переход от одного сечения к другому можно рассматривать как переход, образованный большим числом конусных переходов. Таким образом, электродинамическая сила, возникающая при изменении сечения, зависит только от отношения конечного и начального радиусов и не зависит от формы перехода. Этот вывод справедлив для равномерного распределения тока по сечению проводника.
Известно, что в электрическом контакте при переходе тока из одного контакта в другой происходит искривление линий тока, аналогичное показанному на рис. 6.3. Для одноточечного контакта касание контактов происходит по площадке смятия. Если положить, что эта площадка находится в центре цилиндрических проводников, то сила, действующая на каждый контакт, может быть рассчитана по формуле
(6.12)
Г
де радиус цилиндрического контакта;
радиус круглой площадки касания.
При номинальном токе эта отбрасывающая сила ничтожна. При коротком замыкании в одноточечном контакте отбрасывающая сила может достигать сотен ньютонов. Для того чтобы контакт был динамически устойчив, сила нажатия должна быть больше силы отброса.
В реальных контактах, кроме силы отброса, возникающей из-за изменения сечения проводника, появляется дополнительное э. д. у. за счет взаимодействий, создаваемых токоведущим контуром.
Силы втягивания дуги (проводника) в стальную решетку
В дугогасительных камерах аппаратов высокого и низкого напряжений применяется решетка из набора ферромагнитных пластин с пазами.
Электрическая дуга, возникающая между контактами аппарата, является своеобразным проводником тока. Взаимодействие этого проводника с решеткой создает электромагнитную силу, двигающую дугу. Наиболее широко распространены решетки из стальных пластин с клиновидными пазами.
Рассмотрим силу, действующую на проводник (дугу), симметрично расположенный в пазу прямоугольного сечения (рис.6.3).
При расчете примем следующие упрощения: магнитное сопротивление стали равно нулю; потоком рассеяния, выходящим с торца решетки пренебрегаем; ток течет по геометрической ОСИ проводника.
В данном случае для расчета силы удобно воспользоваться энергетическим методом. Сила, действующая на проводник, в данном случае будет равна
(6.13)
Рис.6.4.К расчету сил, действующих на проводник расположенный в прямоугольном пазу ферромагнитного тела
Индуктивность системы L можно выразить через поток
(6.14)
(6.15)
Поток, связанный с проводником, равен
расстояние от проводника до начала паза;
ширина паза.
Подставляя , получим
(6.17)
При сделанных допущениях сила, действующая на проводник, не зависит от положения проводника в пазу.
В
дугогасительных устройствах низкого напряжения дуга, втягиваясь в решетку, пересекает ее и останавливается в точке а, в которой сила, действующая на дугу, должна быть равна нулю.
Э
то может быть при т. е. дуга остановится в точке, где поток достигает максимального значения. Поскольку то эта точка также соответствует максимуму электромагнитной энергии. По мере движения дуги вверх проводимость нижней части магнитной цепи растет линейно с х. В точке а общая проводимость цепи будет максимальна. Если дуга пройдет выше нее, то поток начнет снова убывать и возникнет сила, стремящаяся вернуть дугу опять в точку а.
В реальном аппарате картина значительно усложняется, поскольку по мере продвижения дуги вверх растет поток в цепи и наступает насыщение верхней части пластин решетки. Если опытным путем , с помощью измерительной катушки получить зависимость Фл- = /(х), заменив дугу проводником, то величина силы, действующей на дугу, может быть достаточно точно рассчитана с учетом сопротивления стали по следующей формуле:
где находится графическим дифференцированием опытной кривой Фх = / (л:). Для клиновидной щели (рис.6.5) сила, действующая на дугу, может быть также рассчитана по уравнению (6.16), если принять те же допущения, что и для прямоугольной щели:
(6.20)
З
десь воздушный зазор на расстоянии х от начала решетки
Рис. 6.5. К расчету сил, действующих на проводник, расположенный в суживающемся пазу ферромагнитного тела
Подставив Фх1 в уравнение для силы, получим
(6.21)
В отличие от предыдущего случая по мере роста х1 величина силы увеличивается и достигает бесконечной величины при х1 —h. В действительности, по мере уменьшения Ьх будет возрастать падение магнитного потенциала в стали. В этом случае мы не имеем права пользоваться уравнением. При 6( = 0 вся намагничивающая сила проводника становится равной падению магнитного потенциала в стали. Уравнением можно пользоваться только тогда, когда падение магнитного потенциала в стали невелико (не более 10% от общей намагничивающей силы).
Сила, действующая на дугу, может значительно искажаться ее формой. После расхождения контактов дуга имеет форму не прямолинейного проводника, а скорее форму части окружности. Это приводит к тому, что сначала в решетку входит средняя часть дуги, а потом ее крайние части. Кроме того, дуга может не располагаться точно по оси паза, что также затрудняет расчет. Формулы могут быть использованы только для ориентировочных расчетов. Для более точных расчетов рекомендуется опытным путем снимать зависимость Фх = / (х) и пользоваться графическим дифференцированием.
Аналогичные силы возникают между проводником и ферромагнитным телом, поскольку при приближении проводника к телу обязательно возрастает поток и, следовательно, увеличивается электромагнитная энергия системы.
Электродинамическая устойчивость аппаратов
Электродинамические силы, возникающие в токоведущих частях аппаратов, стремятся деформировать как сами проводники, так и изоляторы, с помощью которых эти проводники укреплены к заземленным частям аппарата.
Ранее было показано, что э. д. у. меняются как во времени, так и по направлению. Известно, что прочность материала зависит не только от величины силы, но и от направления, длительности ее воздействия и от крутизны нарастания. К сожалению, в настоящее время сведения о работе проводниковых и изоляционных материалов в динамическом режиме крайне ограничены. Поэтому расчет прочности конструкции, как правило, ведется, исходя из максимально возможных сил, хотя действуют эти силы кратковременно.
Электродинамической устойчивостью аппарата называется его способность противостоять силам, возникающим при протекании токов короткого замыкания.
Эта устойчивость может выражаться либо непосредственно амплитудным значением тока £дин, при котором механические напряжения в деталях аппарата не выходят за пределы допустимых величин, либо кратностью этого тока относительно амплитуды номинального тока
(6.22)
Иногда динамическая устойчивость оценивается действующим значением ударного тока за период после начала короткого замыкания.
В однофазных установках расчет э. д. у. ведется по ударному току короткого замыкания
Если короткое замыкание произошло вблизи генератора, то за расчетную величину 1т берется амплитуда сверхпереходного тока короткого замыкания.
Для трехфазного аппарата за расчетный ток принимается
где ток Iтз — амплитуда симметричной составляющей 3-фазного замыкания. Расчет устойчивости проводится для средней фазы, дающей наибольшее значение сил.
Для проводниковых материалов рекомендуется не превышать следующих значений механических напряжений:
Медь (МТ)-1400 кГ/см2; 1 кГ/см2 =
Алюминий (AT) —700 кГ/см2.
Допустимые максимальные температуры электрических аппаратов в нормальном режиме и при коротком замыкании
Изолированные проводники электрического тока в нормальном режиме
Как показывают наблюдения, чем выше температура, воздействию которой подвергаются изоляционные материалы, входящие в конструкции аппаратов, тем быстрее ухудшаются их механические и электрические качества: уменьшаются механическая и электрическая прочность, эластичность; при переменном токе увеличиваются диэлектрические потери, что, в свою очередь, вызывает дальнейшее повышение температуры изоляции и ее быстрое старение. Ухудшение электрических и механических свойств изоляционных материалов приводит к нарушению нормальной работы аппарата. С другой стороны, при прочих равных условиях, чем большие температуры допускаются в аппарате, тем требуется меньший расход проводниковых материалов, следовательно, снижаются вес и стоимость аппарата. Оптимальное решение вопроса о допустимых температурах достигается в результате длительных лабораторных исследований и эксплуатации электрических аппаратов с разными изоляционными материалами при различных температурах и режимах работы (длительном, повторно-кратковременном, кратковременном).
Естественно, что изоляционные материалы обладают разной стойкостью в отношении воздействия температур. Кроме того, в различных условиях степень воздействия температуры на изоляционные материалы меняется. Так, например, воздействие температуры на изоляцию проводников катушек, пропитанных лаком, значительно слабее, чем непропитанных, и старение изоляции в них соответственно будет протекать медленнее.
В настоящее время в соответствии с ГОСТ 8865—58 и нормами МЭК (Международная электротехническая комиссия) изоляционные материалы разбиты по нагревостойкости на семь классов Y, А, Е, В, F, Н, С, длительно допустимые температуры для этих классов приведены в табл.6.1. В ГОСТах обычно наряду с допустимой температурой часто указывается допустимое превышение температуры аппарата над температурой окружающего воздуха, определяемое как разность допустимой температуры и температуры окружающего воздуха. При этом температура окружающего воздуха чаще всего принимается 35 или 40° С.
Дело в том, что в некоторых пределах изменения температур окружающего воздуха для данного режима работы превышение температуры аппарата практически не зависит от температуры окружающего воздуха, и, таким образом, результаты испытаний на нагрев электрических аппаратов, проведенные при разных температурах окружающего воздуха, становятся сравнимыми. Однако следует помнить, что срок службы аппарата определяется не превышением температуры, а температурой нагрева, и вследствие этого превышения температуры могут быть допущены разные в зависимости от температуры окружающего воздуха.
В настоящее время во многих ГОСТах на электрические аппараты приведенная классификация изоляционных материалов пока не нашла отражения. Так, например, в ГОСТ 8024—56 «Аппараты переменного тока высокого напряжения» в зависимости от нагрева при длительной работе все изоляционные материалы разделяются на классы О, А, В, С с наибольшей температурой нагрева только 110° С.
Для трансформаторного масла согласно ГОСТ 8024—56 допускается превышение температуры 40° С, если масло используется в качестве дугогасящей среды, и 55° С — для случаев, когда масло используется только как изолирующая среда.
Применительно к аппаратам низкого напряжения (до 1000 В) разработан ГОСТ 12434—66, в котором электрические аппараты разделяются на аппараты распределения энергии и аппараты управления приемниками энергии.
К аппаратам распределения энергии относятся автоматические выключатели, переключатели, плавкие предохранители, контактные разъемы.
К аппаратам управления — приемникам энергии относятся контакторы, реле управления и промышленной автоматики, командоконтроллеры, кнопки управления, конечные и путевые выключатели, резисторы, реостаты, электромагниты, контроллеры, ручные и электромагнитные пускатели.
Таблица 6.1 Длительно допустимые температуры для изоляционных материалов различных классов
| Класс | У | А | Е | В | F | Н | С |
| | 90 | 105 | 120 | 130 | 155 | 180 | 180 |
Примечание.
Класс У— непропитанные и непогруженные в жидкий электроизоляционный материал, волокнистые материалы из целлюлозы и шелка, а также другие материалы, соответствующие данному классу и другому сочетанию материалов.
Класс А — пропитанные и погруженные в жидкий электроизоляционный состав волокнистые материалы из целлюлозы или шелка, а также соответствующие данному классу другие материалы и другие сочетания материалов.
Класс Е~ некоторые синтетические и органические пленки, а также соответствующие данному классу другие материалы и другие сочетания материалов.
Класс В — материалы на основе слюды (в том числе на органических подложках), асбеста и стекловолокна, применяемые с органическими связующими и пропитывающими составами, а также соответствующие данному классу другие материалы и другие сочетания материалов.
Класс F— материалы на основе слюды, асбеста и стекловолокна, применяемые в сочетании с синтетическими связующими и пропитывающими составами, а также соответствующие данному классу другие материалы и другие сочетания материалов.
Класс Н — материалы на основе слюды, асбеста и стекловолокна, применяемые в сочетании с кремнийорганическими связующими и пропитывающими составами, кремнийорганические эластомеры, а также соответствующие данному классу другие материалы и другие сочетания материалов.
Класс С — слюда, керамические материалы, стекло, кварц, применяемые без связующих составов или с неорганическими или кремнийорганическими связующими составами, а также соответствующие данному классу другие материалы и другие сочетания материалов.
Изолированные и неизолированные токоведущие части аппаратов при коротких замыканиях
Короткое замыкание в электроустановках сопровождается протеканием по проводникам токов, значительно превышающих токи нормального рабочего режима. Так как длительность протекания токов короткого замыкания измеряется обычно от долей до единиц секунд, то естественно, что и допустимые температуры в конце короткого замыкания могут быть значительно выше температур, допускаемых при длительной нормальной работе.
В настоящее время довольно широко распространено мнение о нецелесообразности ограничения каким-либо ГОСТом температур при коротких замыканиях, и взамен этого предлагается предъявлять требования к аппарату: быть пригодным к дальнейшей эксплуатации после протекания тока короткого замыкания данной длительности
(1 сек, 5 сек и т. д.). Для лучшей ориентировки при проектировании электрических аппаратов приведем предельно допустимые температуры в конце короткого замыкания, которые обычно принимаются за основу при расчете устойчивости электрических аппаратов при коротких замыканиях:
а)для медных проводников неизолированных или покрытых изоляцией органического происхождения —250° С;
б)для алюминиевых проводников как изолированных, так и не
изолированных —200° С;
в)для медных проводников, покрытых изоляцией неорганического происхождения —350° С.
При таких больших температурах слой изоляции, непосредственно прилегающий к проводнику, повреждается; однако срок службы аппарата, как показывает опыт, все-таки остается довольно большим и экономически приемлемым.
Следует отметить, что при таких температурах, как 200–350о С, особое внимание при проектировании электрических аппаратов должно быть уделено уменьшению механической прочности и температурным деформациям частей электрических аппаратов во избежание неудовлетворительной работы последних.
Простейшие методы расчета превышения температуры электрических аппаратов
Понятие о видах теплообмена
При наличии разницы температур в теле в нем происходит процесс выравнивания температур из-за потока тепла от мест с более высокой температурой к местам с более низкой температурой.
По аналогичной причине происходит выравнивание температур двух тел, имеющих разные температуры и находящихся в непосредственном соприкосновении или разделенных друг от друга какой-либо средой (газом, жидкостью и др.). Процесс переноса тепла называется теплообменом или теплоотдачей. Различают три способа теплообмена: теплопроводность, конвекция, тепловое излучение.
Теплопроводностью называют явление переноса тепловой энергии непосредственно от одной части тела к другой (в чистом виде явление теплопроводности имеет место в твердых телах).
Конвекцией называют явление переноса тепловой энергии путем перемещения частиц жидкости или газа; явление конвекции всегда сопровождается явлением теплопроводности.
Различают естественную (свободную) конвекцию, когда движение частиц окружающей среды у нагретой поверхности обусловлено разностью плотностей нагретых и холодных частиц жидкости или газа, и вынужденную конвекцию, когда движение частиц окружающей среды происходит в результате действия вентилятора, насоса или ветра и пр.
Исходя из физических представлений, легко прийти к выводу, что отдача тепла конвекцией в значительной мере будет зависеть от физических свойств среды (теплопроводности, вязкости, теплоемкости, плотности), от обтекаемости тела, т. е. от его геометрической формы и расположения в пространстве, от скорости движения частиц окружающей среды около нагретой поверхности и от степени шероховатости последней. Далее, поскольку физические свойства среды зависят от температуры, то и отдача тепла конвекцией будет зависеть от температуры среды и превышения температуры нагретой поверхности относительно среды.
Тепловым излучением (лучеиспусканием) называют явление переноса тепловой энергии электромагнитными волнами. Как будет видно из дальнейшего, теплообмен излучением между нагретыми поверхностями зависит от температуры поверхностей, от размеров, геометрии, обработки и их взаимного расположения, от физических свойств материала.
Наружная поверхность нагретого тела излучает тепло на окружающие поверхности, имеющие меньшую температуру, чем поверхность нагретого тела, при этом мы будем предполагать, что газовая среда, например воздух, разделяющая поверхность нагретого тела от поверхностей, воспринимающих тепловые лучи, полностью прозрачна для последних.
При расчетах часто предполагается, что температура окружающего воздуха практически равна температуре поверхностей, воспринимающих тепловое излучение нагретой поверхности.
Жидкости и твердые тела практически не пропускают тепловых лучей, следовательно, в жидких средах имеет место только конвективный теплообмен. Следует подчеркнуть, что физическая природа всех трех способов передачи тепла совершенно различна.
Применение формулы ньютона для расчета отдачи тепла с наружной поверхности окружающей среде (жидкости, газу)
В электротехнической практике весьма часто приходится рассчитывать превышение температуры наружной поверхности относительно температуры жидкой или газообразной среды, омывающей нагретую поверхность. В этих случаях оказывается весьма удобной широко известная формула Ньютона
з
десь мощность, отдаваемая конвекцией и лучеиспусканием окружающей среде, Вт;
нагретая поверхность, м2;
коэффициент теплоотдачи, учитывающий в общем случае отдачу тепла конвекцией и лучеиспусканием, вт/м2 - град. Коэффициент теплоотдачи численно равен мощности, отдаваемой нагретой поверхностью окружающей среде при
разности температур между нагретой поверхностью и окружающей средой, равной
В соответствии с отмеченными факторами, от которых зависит отдача тепла конвекцией и лучеиспусканием, следует подчеркнуть, что коэффициент теплоотдачи
зависит от физических постоянных (удельного веса, теплопроводности, вязкости, теплоемкости), жидкой или газообразной среды, воспринимающей тепло от нагретого тела, или наоборот, отдающей тепло твердому телу, от формы и расположения тела в жидкой или газообразной среде, от состояния поверхностей и т. д.
Практический интерес представляет расчет нагрева катушек электрических аппаратов. На основе большого количества опытов, проведенных с различными цилиндрическими катушками, можно предложить следующие приблизительные выражения для определения коэффициента теплоотдачи:
д
ля случая, когда теплоотдающая поверхность катушек
лежит в пределах формула для коэффициента
теплоотдачи имеет вид
(6.27)
(6.28)
Формула может быть представлена в ином виде:
(6.29)
и формально имеет такой же вид, как и формула закона Ома для электрического тока. Поэтому знаменатель в этой формуле
часто называют сопротивлением тепловому потоку при переходе от поверхности S к окружающей среде, при этом имеется в виду, что превышение температуры не изменяется во времени.
Применение формулы ньютона для рассмотрения устанавливающегося процесса нагрева тела от источников тепла, расположенных внутри тела
Пусть внутри тела действует источник тепла постоянной мощности Р. Введем следующие предположения:
температура тела в любой момент времени одинакова во всех точках объема тела;
теплоемкость тела С не зависит от температуры;
коэффициент теплоотдачи практически не зависит от превышения температуры и одинаков по всей поверхности тела.
З
а время энергия, генерируемая в теле, будет расходоваться на повышение температуры тела а часть ее будет отдаваться в окружающую среду:
(6.30)
Следовательно, уравнение процесса нагрева тела
(6.31)
Частное решение последнего уравнения
(6.32)
Общее решение дополнительного уравнения
(6.33)
будет
(6.34)
г
де А — постоянная интегрирования, определяемая условиями задач.
В
еличина равная отношению полной теплоемкости С тела к его теплоотдающей способности называется постоянной времени.
Общее решение уравнения:
(6.35)
Для определения постоянной А используем следующее условие: при
Подставляя полученное выражение, будем иметь
(6.37)
На рис.6.6 представлено графическое изображение последнего выражения, из которого видно, что при t = со
(6.38)
Откуда следует, что
(6.39)
Рис.6.6. Зависимость превышения температуры от времени при нагреве однородного тела
Таким образом, т0 равно установившемуся превышению температуры, когда выделяемая мощность Р становится численно равной мощности, отдаваемой в окружающую среду с поверхности нагретого тела (k^0SxJ).
Очевидно
Из (6.39)следует:
(6.41)
Касательная к кривой
в начале координат отсекает на прямой too отрезок, равный в выбранном масштабе постоянной времени Т.
(6.42)
Н
а основании этого можно определять постоянную времени Т как время, необходимое для достижения установившегося превышения температуры (см. рис.6.6).
С
точностью можно считать, что процесс установления температуры происходит через время, равное
После отключения аппарата начинается его охлаждение. Так как энергия, подводимая к аппарату, равна нулю, то левая часть также равна нулю:
Решение уравнения (6.43) имеет вид:
(6.44)
где А — постоянная интегрирования, равная
Окончательно получаем:
Основы теории передачи тепла теплопроводностью
Основной закон теплопроводности био - Фурье
Основной закон теплопроводности математически описывается выражением
(6.46)
З
десь: количество тепла, передаваемое за время dt
ч
ерез площадку S в направлении нормали к последней;
производная от температуры вдоль нормали (п) к
площадке S;
коэффициент теплопроводности {вт/м°С).
Знак (—) показывает, что тепло передается в направлении убывания температуры вдоль нормали (п) к площадке (S).
Поделив обе части равенства на dt, получим количество тепла, проходящее в единицу времени через площадку S
П
роизводная является тепловым потоком через площадку S. Отношение
представляет собой плотность теплового потока в какой-либо точке на поверхности S. Таким образом, равенство можно написать в следующем виде
(6.49)
Передача тепла теплопроводностью сквозь толщу стенки, ограниченную двумя плоскостями
Рассмотрим простейшие случаи, когда тепловой поток Ф и его плотность Ф0 не изменяются во времени (стационарное состояние) и в пространстве.
Такой случай может иметь место при наличии стенки толщиной б, ограниченной двумя параллельными плоскостями и разделяющей две среды (жидких или газообразных) с различными температурами (рис. 6.7).
Пусть температура fli на всем протяжении одной стороны стенки 1 будет больше, чем температура Ь2 на противоположной стороне. Предполагая, что площадь стенки достаточно велика (теоретически не ограничена), можно предположить, что поверхности с одинаковой температурой (изотермические поверхности) в толще стенки будут представлять собой плоскости, параллельные граничным поверхностям, имеющим постоянные (но различные) температуры на всем протяжении каждой поверхности. При этом естественно, что изменение температуры будет происходить только в направлении нормали к поверхности стенки. Вследствие этого, направляя ось ординат вдоль стенки 1, ось абсцисс — вдоль нормали к поверхности стенки, и заменяя букву п буквой х в равенстве можно написать:
Этому дифференциальному уравнению соответствуют следующие граничные условия:
Решением уравнения будет
Д
ля определения Сх используем условие:
т. е.
Из последнего равенства следует, что температура в стенке изменяется по закону прямой.
Используя условие получим:
т. е.
г
де падение (перепад) температуры в толще стенки при данной плотности теплового потока.
Рис.6.7. К расчету теплопередачи через плоскую стенку
Ф
ормулу (6.51) пишут иначе, учитывая, что
(6.52)
Следует обратить внимание на аналогию уравнений соответствующим уравнениям для электрических явлений,
Закон Ома для теплового потока
(6.53)
Закон Ома для однородного проводника
(6.54)
Тепловое сопротивление стенки
Видно, что между явлениями электрического тока в проводниках и явлениями теплового потока существует далеко идущая аналогия, которой часто пользуются для упрощения решения различных задач по теплопередаче. В частности, для решения задач по нагреву электрических машин и аппаратов весьма удобным оказывается применение понятия о сопротивлении тепловому потоку.
Режимы нагрева электрических аппаратов
Кратковременный и повторно-кратковременный режимы нагрева
Температура аппарата или отдельных его частей в процессе нагрева (или охлаждения) определяется отношением времени нагрева к постоянной времени нагрева аппарата или отдельной его части.
Уравнение процесса нагрева при отдаче тепла в окружающую среду по закону Ньютона имеет следующий вид
(6.56)
Т
еоретически время достижения установившегося превышения температуры бесконечно, но если задаться точностью 2%, то при этом можно считать, что для достижения установившегося превышения температуры время нагрева должно быть больше, чем AT,так как
Если время нагрева t<4T, то, очевидно, температура аппарата не достигнет установившегося значения.
Аналогично при охлаждении аппарата, если время охлаждения аппарата (ток через аппарат не протекает) больше 4T, то можно считать, что за такой промежуток времени температура аппарата станет равной температуре окружающей среды.
Ч
асто встречаются такие режимы работы аппаратуры, когда время, в течение которого аппарат включен (время нагрева) меньше, чем время, необходимое для нагрева до установившейся температуры, т. е. , а время паузы t- (когда ток через аппарат не протекает) много больше, т. е.
Подобный режим работы аппарата называется кратковременным.
Очевидно, что при кратковременном режиме работы допустимая величина тока может быть принята большей, чем при длительном режиме.
Пусть известны допустимое превышение температуры аппарата ТДОП, длительно допустимый ток Iдл.доп или длительно допустимая мощность потерь PДЛ.ДОП и постоянная времени нагрева аппарата Т. Пусть через аппарат в кратковременном режиме за время Ткр протекает некоторый ток Iкр. Току Iкр соответствует мощность потерь Ркр. Если бы ток Iкр протекал достаточно долго, то в соответствии с уравнением (6.56) превышение температуры аппарата установилось бы равным (рис.6.8):
(6.57)
При времени протекания tкр максимальное превышение температуры окажется равным
(6.58)
В качестве условия мы примем, что это максимальное превышение температуры в кратковременном режиме не должно превзойти установившегося значения в длительном режиме, т. е.
(6.59)
то, подставляя , получим
(6.60)
Откуда коэффициент допустимой перегрузки по мощности в кратковременном режиме
Если принять в простейшем случае, что мощность потерь пропорциональна квадрату тока, то коэффициент перегрузки по току в кратковременном режиме
Рис.6.8. Кратковременный процесс нагрева
При конструировании аппаратов, специально предназначенных для кратковременного режима работы, надо стремиться к увеличению его постоянной времени нагрева Т, так как при этом растет коэффициент перегрузки по току и по мощности. Увеличение постоянной времени Т, как правило, достигается увеличением теплоемкости аппарата.
Е
сли время бестоковой паузы недостаточно для полного остывания аппарата, т.е. если то при последующем включении аппарата его нагрев начнется при некотором значении температуры, отличающимся от температуры окружающей среды
Рис.6.9.Повторно-кратковременный процесс нагрева
С
уществует ряд аппаратов, предназначенных для работы в повторно-кратковременном режиме. В этом режиме циклы нагрева и охлаждения аппарата строго чередуются. Обозначим время работы аппарата в одном цикле (время протекания тока) tр, а время бестоковой паузы tп. Пусть графически зависимость тока от времени в повторно-кратковременном режиме представлена на рис.6.9. Сумму назовем временем цикла tц.
В течение первого цикла за время tр1 аппарат нагревается до некоторого превышения температуры
, а за время первой паузы tп1 произойдет его охлаждение до
. Во втором цикле нагрев аппарата начнется при
=
и за время tр2 будет достигнуто превышение температуры
, но так как то
>
. За время второй паузы tn2 аппарат охладится и в конце второго цикла опять будет иметь место превышение температуры, которое будет больше, чем
. Если такие циклы будут периодически повторяться достаточно долго, то в конце концов установится процесс колебания температуры аппарата, так называемый квазиустановившийся режим.
Е
сли в повторно-кратковременном режиме мощность потерь в аппарате в промежутки tр равна Рп.кр, то, очевидно, максимальное превышение температуры в квазиустановившемся режиме будет ниже, чем если бы мощность Рп.кр выделялась бесконечно долго, т.е.
Д
ля полного использования материалов в аппарате и для обеспечения надежности его работы должно соблюдаться условие
Рассмотрим п-й цикл при достаточно большом значении числа п квазиустановившегося режима. Для этого цикла справедливы равенства
Подставив, будем иметь
(6.62)
Установившееся превышение температуры при длительном процессе выделения мощности
(6.63)
получим
(6.64)
тогда коэффициент перегрузки по мощности в повторно-кратковременном режиме
(6.65)
а коэффициент перегрузки по току
(6.66)
При расчетах аппаратов, предназначенных для повторно-кратковременного режима работы, часто используется величина относительной продолжительности включения ПВ%. Она является выраженным в процентах отношением времени работы ко времени всего цикла, т. е.
Для аппаратов, предназначенных к работе в повторно-кратковременном режиме, обычно задается частота включения в час п. Тогда время цикла и время работы аппарата могут быть записаны в виде
(6.68)
где п — заданная частота включений в час.
получим выражение коэффициента перегрузки по току
(6.69)
Процесс нагрева при коротком замыкании. Понятие 0 термической устойчивости
Режим короткого замыкания в цепи большей частью является аварийным и его обычно ликвидируют за малые промежутки времени — секунды и доли секунды, однако, как ни мала длительность протекания токов короткого замыкания, их воздействие может оказаться катастрофическим.
Обычно время воздействия токов к. з. tK 3 значительно меньше постоянной времени нагрева токоведущих частей. Легко показать, что при
процесс нагрева происходит так, что тепло не отдается в окружающую среду. Такой процесс нагрева называют адиабатическим.
Действительно, если функцию разложить в ряд Маклорена, то выражение примет вид
(6.70)
Так как температуры проводников в конце процесса короткого замыкания строго ограничены, каждый аппарат может быть охарактеризован допустимой величиной произведения Обычно задается не сама величина а величина тока неизменной силы, тепловое действие которого аппарат может выдержать в течение заданного времени так, что это не препятствует его дальнейшей нормальной работе. Эта величина тока называется током термической устойчивости. Чаще всего задается ток десяти-, пяти- или односекундиой термической устойчивости. Если необходимо найти ток термической устойчивости при времени действия t, отличающемся от 10 сек (или 5 сек соответственно), то это может быть легко сделано из условия
Лекция №7
Тема лекции:
Электроконтакты, понятия и теория. Конструкция и выбор коммутирующих контактов
Назначение и классификация электрических контактов
Любая электротехническая установка состоит из элементов, так или иначе связанных между собой. Соединение проводящих звеньев электрической цепи, обеспечивающее протекание электрического тока при наличии источника э. д. с, осуществляется с помощью электрических контактов.
Слово контакт от латинского слова contactus — прикосновение. Под электрическим контактом весьма часто понимается совокупность двух или нескольких проводников электрического тока, соединенных между собой и сжатых с определенной силой.
ГОСТ 2774—44 определяет электрический контакт, как «место перехода тока из одной токоведущей части в другую».
По своему назначению электрические контакты можно разделить на две группы.
-
Соединительные контакты, которые служат только для соединения различных звеньев электрической цепи, т. е. для обеспечения протекания тока от одного звена к другому. Соединительные контакты всегда замкнуты.
-
Коммутирующие контакты, предназначенные для включения, отключения и переключения электрических цепей.
Соединительные контакты, применяемые в токопроводах электрических аппаратов, весьма разнообразны. Некоторые типичные конструкции их изображены на рис. 3.1.
Основным требованием, предъявляемым к соединительным контактам, является надежность в длительной эксплуатации: соединительные контакты должны длительно, в пределах срока службы всей установки в целом и без повреждений допускать протекание токов нормального режима и кратковременных токов аварийных режимов работы.
Надежность в длительной эксплуатации соединительных (не размыкаемых) контактов будет обеспечена, если сопротивление контакта электрическому току будет достаточно стабильным. Для этого соединительный контакт должен обладать способностью противостоять как воздействию окружающей среды, так и воздействию механических усилий от температурных деформаций и от электродинамических усилий, возникающих при протекании больших токов короткого замыкания.
Контактирующие проводники в соединительных контактах могут быть либо неподвижны друг относительно друга (хотя контакт в целом может и перемещаться с определенной скоростью), либо перемещаться относительно друг друга без размыкания цепи, как, например это имеет место роликовом или в щеточном контакте.
Коммутирующие контакты могут находиться в замкнутом (соответствующая цепь включена) или разомкнутом (соответствующая цепь отключена) состоянии.
Существует большое разнообразие коммутирующих контактов. Например, могут быть контакты: рубящие, торцовые, щеточные, пальцевые, розеточные и пр. По своему назначению коммутирующие контакты в сильноточных аппаратах можно разделить на главные и дугогасительные. Обычно главные контакты шунтируются дугогасительными, в процессе размыкания цепи главные контакты выходят из соприкосновения ранее, чем дугогасительные, а поэтому образование дуги происходит только на дугогасительных. Таким образом главные контакты защищены от воздействия дуги и служат для надежного пропускания рабочих токов и токов короткого замыкания в замкнутом состоянии.
Рис.7.1.Некоторые типы коммутирующих контактов:
а — контакты контактора; б —релейные контакты на плоских пружинах
Часто функции контактов совмещаются: они выполняют роль и токоведущих, и дугогасительных контактов.
Некоторые типы коммутационных контактов представлены на рис.7.1.
Как ни тщательно обработаны поверхности соприкосновения контактов, электрический ток проходит между ними только в отдельных точках, в которых эти поверхности касаются, так как получить абсолютно гладкую поверхность практически невозможно. Примерная картина соприкосновения контактов показана на рис.. Благодаря нажатию Р одного контакта на другой вершины выступов деформируются и образуются площадки действительного касания контактов. Рассмотрим процесс перехода тока из одного контакта в другой при касании двух цилиндрических контактов по торцам.
Рис.7.2 .Соприкосновение поверхностей контактов
В результате стягивания линий тока к площадке касания их длина увеличивается, а сечение проводника, через которое фактически проходит ток, уменьшается, что вызывает увеличение сопротивления. Сопротивление в области площади касания, обусловленное явлениями стягивания линий тока, называется переходным сопротивлением стягивания контакта.
Таким образом, переходное сопротивление, обусловленное стягиванием линий тока, пропорционально удельному сопротивлению материала контакта, корню квадратному из временного сопротивления на смятие этого материала о и обратно пропорционально корню квадратному из силы контактного нажатия. Одноточечный контакт применяется в основном только три малых токах (до 20 А). При больших токах (100 А и более) применяется многоточечный контакт. В многоточечном контакте ток проходит через несколько контактных переходов, соединенных параллельно. Поэтому его переходное сопротивление при неизменном нажатии меньше, чем у одноточечного контакта. Однако нажатие в каждой контактной площадке уменьшается. Количество контактных переходов увеличивается с ростом нажатия по весьма сложному закону.
Сопротивление зависит и от обработки поверхности. При шлифовке поверхность выступов более пологая с большой площадью. Смятие таких выступов возможно только при больших силах нажатия. Поэтому сопротивление шлифованных контактов выше, чем контактов с более грубой обработкой.
Переходное сопротивление контактов обусловлено не только явлением стягивания линий тока. Контактирующие поверхности покрыты адсорбированными молекулами газа, в котором располагались контакты до их замыкания. Очень часто молекулы газа вступают в химическую реакцию с материалом контактов, в результате чего на их поверхности могут возникнуть пленки с высоким удельным сопротивлением.
Материалы контактов
К материалам контактов современных электрических аппаратов предъявляются следующие требования:
-
высокие электрическая проводимость и теплопроводность;
-
высокая коррозионная стойкость в воздушной и других средах;
-
стойкость против образования пленок с высоким электрическим сопротивлением;
-
малая твердость для уменьшения необходимой силы нажатия;
-
высокая твердость для уменьшения механического износа при частых включениях и отключениях;
-
малая эрозия;
-
высокая дутостойкость (температура плавления);
-
высокие значения тока и напряжения, необходимые для дугообразования;
-
простота обработки, низкая стоимость.
Свойства некоторых контактных материалов рассмотрены ниже.
Медь. Положительные свойства: высокие удельная электрическая проводимость и теплопроводность, достаточная твердость, что позволяет применять при частых включениях и отключениях, простота технологии, низкая стоимость.
Недостатки: достаточно низкая температура плавления, при работе на воздухе покрывается слоем прочных оксидов, имеющих высокое сопротивление, требует довольно больших сил нажатия. Для защиты меди от окисления поверхность контактов покрывается электролитическим способом слоем серебра толщиной 20—30 мкм. В контактах на большие токи иногда ставятся серебряные пластинки (в аппаратах, включаемых относительно редко). Применяется как материал для плоских и круглых шин, контактов аппаратов высокого напряжения, контакторов, автоматов и др. Вследствие низкой дугостойкости нежелательно применение в аппаратах, отключающих мощную дугу и имеющих большое число включений в час.
В контактах, не имеющих взаимного скольжения, из-за пленки оксидов применение меди не рекомендуется.
Серебро. Положительные свойства: высокие электрическая проводимость и теплопроводность, пленка оксида серебра имеет малую механическую прочность и быстро разрушается при нагреве контактной точки. Контакт серебра устойчив благодаря малому напряжению на смятие. Для работы достаточны малые нажатия (применяется при нажатиях 0,05 Н и выше). Устойчивость контакта, малое переходное сопротивление являются характерными свойствами серебра.
Недостатки: малая дугостойкость и недостаточная твердость препятствуют использованию его при наличии мощной дуги и частых включениях и отключениях.
Применяется в реле и контакторах при токах до 20 А. При больших токах вплоть до 10 кА серебро используется как материал для главных контактов, работающих без дуги.
Алюминий. Положительные свойства: достаточно высокие электрическая проводимость и теплопроводность. Благодаря малой плотности токоведущая часть круглого сечения из алюминия на такой же ток, как и медный проводник, имеет почти на 48 % меньшую массу. Это позволяет уменьшить массу аппарата.
Недостатки: 1) образование на воздухе и в активных средах пленок с высокой механической прочностью и высоким сопротивлением;
2) низкая дугостойкость (температура плавления значительно меньше, чем у меди и серебра);
3) малая механическая прочность;
4) из-за наличия в окружающем воздухе влаги и оксидов медный и алюминиевый контакты образуют своеобразный гальванический элемент. Под действием ЭДС этого элемента происходит электрохимическое разрушение контактов (электрохимическая коррозия). В связи с этим при соединении с медью алюминий должен покрываться тонким слоем меди электролитическим путем либо оба металла необходимо покрывать серебром. Алюминий и его сплавы (дюраль, силумин) применяются главным образом как материал для шин и конструкционных деталей аппаратов.
Вольфрам. Положительные свойства: высокая дугостойкость, большая стойкость против эрозии, сваривания. Высокая твердость вольфрама позволяет применять его при частых включениях и отключениях.
Недостатки: высокое удельное сопротивление, малая теплопроводность, образование прочных оксидных и сульфидных пленок. В связи с образованием пленок и их высокой механической прочностью вольфрамовые контакты требуют большого нажатия.
В реле на малые токи с небольшим нажатием применяются стойкие против коррозии материалы — золото, платина, палладий и их сплавы.
Металлокерамические материалы. Рассмотрение свойств чистых металлов показывает, что ни один из них не удовлетворяет полностью всем требованиям, предъявляемым к материалу контактов.
Основные необходимые свойства контактного материала— высокие электрическая проводимость и дугостойкость — не могут быть получены за счет сплавов таких материалов, как серебро и вольфрам, медь и вольфрам, так как они не образуют сплавов. Материалы, обладающие необходимыми свойствами, получают методом порошковой металлургии (металлокерамики). Полученные таким методом материалы сохраняют физические свойства входящих в них металлов. Дугостойкость металлокерамики обеспечивается такими компонентами, как вольфрам, молибден. Низкое переходное сопротивление контакта достигается использованием в качестве второго компонента серебра или меди. Чем больше содержание вольфрама, тем выше дугостойкость, механическая прочность и меньше возможность приваривания металлокерамических контактов. Но соответственно растет переходное сопротивление контактов и уменьшается их теплопроводность. Обычно металлокерамика с содержанием вольфрама выше 50 % применяется для аппаратов защиты на большие токи КЗ.
Композиции из тонко измельченных порошков с диаметром зерна менее 10 мкм имеют мелкодисперсную структуру и обладают большой механической прочностью, Их износостойкость в 1,5—2 раза выше, чем у материалов не мелкодисперсного типа.
Для контактов аппаратов высокого напряжения наиболее распространена металлокерамика КМК-А60, КМК-А61, КМК-Б20, КМК-Б21
В аппаратах низкого напряжения чаще всего применяется металлокерамика КМК-А10 из серебра и оксида кадмия CdO. Отличительной особенностью этого материала является диссоциация CdO на пары кадмия и кислород. Выделяющийся газ заставляет дугу быстро перемещаться по поверхности контакта, что значительно снижает температуру контакта и способствует деионизации дуги. Металлокерамика КМК-А20, состоящая из серебра и 10 % оксида меди, обладает большей износостойкостью, чем КМК-А10.
Серебряно-никелевые металлокерамики хорошо обрабатываются, обладают высокой стойкостью против электрического износа. Контакты из этих материалов обеспечивают низкое и устойчивое переходное сопротивление, но более подвержены привариванию, чем контакты КМК-А60, КМК-Б20, КМК-А10.
Серебряно-графитовые и медно-графитовые контакты благодаря высокой устойчивости против сваривания применяются как дугогасительные. Применение металлокерамики увеличивает стоимость аппаратуры, однако в эксплуатации эти затраты окупаются за счет увеличения срока службы аппарата и повышения его надежности.
Конструкция твердометаллических контактов
а) Неподвижные разборные и неразборные контакты.
Такие контакты служат для соединения неподвижных токоведущих деталей шин, кабелей и проводов. Эти детали могут находиться как внутри электрического аппарата, так и вне его. В последнем случае они служат для присоединения аппарата к источнику энергии или к нагрузке. Контакты соединяются с помощью либо болтов (разборные соединения), либо горячей или холодной сварки.
При болтовом соединении медные шины перед сборкой тщательно зачищаются от оксидов и смазываются техническим вазелином. После сборки места стыков между шинами покрываются влагостойким лаком или краской. При этом уменьшается переходное сопротивление и повышается его стабильность во времени.
Покрытие соприкасающихся поверхностей контактов оловом (лужение) несколько увеличивает начальное переходное сопротивление, но благодаря пластичности олова увеличивает количество площадок смятия и переходное сопротивление становится более стабильным. Для токоведущих деталей, от которых требуется повышенная надежность при больших номинальных токах, рекомендуется серебрение соприкасающихся поверхностей. Описанные разборные контактные соединения могут быть разобраны при ремонте и монтаже и имеют малое переходное сопротивление.
Рекомендуемые давления одной шины на другую,
Па,
при болтовом соединении приведены ниже.
Материалы соединения
Медь луженая 500—1000
Медь, латунь, бронза нелуженые 600—1200
Алюминий 2500
Момент при затяжке болтов контролируется специальным тарированным моментным ключом. Болтовые соединения могут оказаться недостаточно надежными, особенно при алюминиевых контактах. Поэтому в настоящее время алюминиевые токоведущие детали соединяются с помощью холодной или горячей (термитной) сварки и представляют после этого неразборный контакт.
В болтовом шинном соединении при КЗ токоведущий проводник нагревается до температуры 200—300 °С.
Стягивающие стальные болты нагреваются в основном за счет теплопроводности, так как ток через болты практически не проходит. Температура болтов обычно не превосходит 20 % температуры шин. Температурный коэффициент расширения у меди и алюминия значительно выше, чем у стали, поэтому шины, увеличиваясь по толщине больше, чем удлиняются болты, растягивают их. При этом деформация болтов может перейти за пределы упругости. Тогда после отключения цепи и остывания контакта из-за вытягивания болтов нажатие в контактах уменьшится, что приведет к увеличению сопротивления, сильному нагреву и последующему разрушению.
Для того чтобы избежать пластической деформации шин, ставятся соответствующие шайбы. Вследствие малой прочности алюминиевых шин может произойти пластическая их деформация, что приведет к порче контакта. Поэтому для стабильности алюминиевого контакта необходимо либо производить предварительный обжим, уплотнение шин, либо ставить под гайки пружинящие шайбы или специальные пружины, которые ограничивают деформации элементов контактов.
б) Подвижные неразмыкающиеся контактные соединения. Такие соединения используются либо для передачи тока с подвижного контакта на неподвижный, либо при небольшом перемещении неподвижного контакта под действием подвижного.
Наиболее простым соединением такого типа является гибкая связь (рис.7.3). Неподвижный контакт 1 крепится к каркасу аппарата на изоляционной подкладке. Подвижный контакт 2 вращается относительно точки 0, расположенной на контактном рычаге 4. Этот рычаг изолирован от вала 5, на который действует электромагнит контактора. Гибкая связь 6 соединяет подвижный контакт 2 с выводом аппарата. Контактное нажатие создается пружиной 3. Для получения необходимой эластичности гибкая связь изготовляется из медной ленты толщиной 0,1*10-3 м и менее или из многожильного жгута, сплетенного из медных жил (0,1*10-3 м и менее). При наличии резких перегибов гибкая связь быстро разрушается.
При больших ходах подвижных контактов длина гибкой связи получается значительной, а ее надежность уменьшается. Поэтому она применяется при перемещениях подвижного элемента не более 0,25 м.
При больших ходах и больших номинальных токах применяются контактные соединения в виде скользящих и роликовых токосъемов. Принцип действия токосъема ясен из рис. 7.4 и 7.5. Подвижный контакт 1 скользящего токосъема (рис. 7.4) выполнен в виде стержня круглого сечения. Цилиндрическая обойма 2 соединяется с неподвижным выводом аппарата. Соединение контакта / и обоймы 2 осуществляется пальцами (ламелями) 3. Контактное нажатие создается пружинами 4. Подвижный контакт имеет возможность перемещаться поступательно. Неподвижный контакт имеет поверхность касания в виде плоскости, подвижный — в виде цилиндрической поверхности. Контактирование осуществляется по линии, отчего контакт называется линейным.
Недостатком скользящего токосъема является большая сила трения, которая требует значительной мощности приводного механизма. Сила трения уменьшается при роликовом контакте (рис. 7.5). Подвижный контакт 1 роликового токосъема (рис. 7.5) выполнен в виде стержня круглого сечения и имеет поступательное движение. Токосъемные стержни 2 также имеют круглое сечение и соединены с выводом аппарата. Соединение стержня 1 и стержней 2 осуществляется с помощью конусных роликов 3, которые катятся по поверхности стержней 1 и 2. Контактное нажатие создается пружинами 4.
Число роликов зависит от номинального тока и тока КЗ. Этот контакт для своего перемещения требует небольших усилий и широко применяется в современной аппаратуре высокого напряжения.
Рис. 7.3. Передача тока с подвижного контакта на вывод аппарата с помощью гибкой связи
Рис. 7.4. Скользящий токосъемный розеточный контакт
Рис. 7.5. Роликовый токосъемный контакт
в) Разрывные контакты. Контакты многих аппаратов разрывают цепь с током, большим, чем минимальный ток дугообразования. Возникающая электрическая дуга приводит к быстрому износу контактов. Для надежного гашения дуги, образующейся при отключении, необходимо определенное расстояние между неподвижным и подвижным контактами, которое выбирается с запасом. Расстояние между неподвижным и подвижным контактами в отключенном состоянии аппарата называется зазором контактов (рис. 7.6, 7.7). Конструкция разрывных контактов определяется значениями номинального тока, номинального напряжения, тока КЗ, режимом работы, назначением аппарата и рассмотрена в разделах, посвященных устройству различных аппаратов. Здесь же рассмотрим только некоторые общие вопросы.
Число площадок касания и стабильность переходного сопротивления зависят от конструкции крепления подвижного и неподвижного контактов. Подвижные контакты, имеющие возможность устанавливаться в положение с максимальным числом контактных площадок, называются самоустанавливающимися. Контактный узел с самоустанавливающимся контактом дан на рис. 7.6. Неподвижные контакты / и подвижный мостиковый контакт 2 в месте касания имеют сферические (или цилиндрические) напайки 3, выполненные из серебра или металлокерамики. Контактное нажатие создается пружиной 4. После касания контактов скоба 5, связанная с приводом аппарата, продолжает свое движение вверх на величину хода, равную провалу б. Применительно к конструкциям, показанным на рис. 7.6 и 7.7, провалом называется расстояние, на которое переместится подвижный контакт, если убрать неподвижный.
Рис. 7.6. Контактный узел с самоустанавливающимся контактом
На рис. 7.7 показана работа контактной системы, широко применяемой в контакторах с медными контактами.
Для наглядности точки начального и конечного касания обозначены буквами а и б. При включении контактный рычаг 4 вращается электромагнитом вокруг центра 02, а точка 0{ вращения контактной скобы 3 перемещается по радиусу 020].
Касание пальцевых контактов 1 и 2 происходит в точках а (рис. 7.7,б). При дальнейшем перемещении Ох точка касания переходит в точку b (рис. 7.7,в). При этом происходит перекатывание контакта 2 по контакту1 с небольшим проскальзыванием, за счет чего пленка оксида на них стирается.. При включении контактов, отключавших дугу, из-за шероховатости поверхности касания появляется дополнительная вибрация контактов. Для уменьшения вибрации проскальзывание должно быть небольшим. При отключении дуга загорается между точками а—а, что предохраняет от оплавления точки b—b, в которых контакты касаются уже во включенном положении. Таким образом, контакт разделяется на две части: в одной происходит гашение дуги, в другой ток проводится длительно. Поскольку для контактов по рис. 7.7 непосредственный контроль провала затруднен, о нем судят по зазору б' между рычагом 4 и контактной скобой 3. Контактное нажатие создается пружиной 5.
Рис. 7.7. Контактный узел с перекатыванием подвижного контакта
Во всех без исключения аппаратах имеется провал контактов, который обеспечивает их необходимое нажатие. Вследствие обгорания и износа контактов в эксплуатации провал уменьшается, что приводит к уменьшению контактного нажатия и росту переходного сопротивления. Поэтому при эксплуатации провал контактов должен контролироваться и находиться в пределах, требуемых заводом-изготовителем. Особенно это относится к аппаратам, работающим в режиме частых включений и отключений (контакторы), где износ контактов интенсивен. Допустимое уменьшение провала обычно составляет 50 % начального значения.
В торцевом мостиковом контакте (рис. 3.14) провал обычно составляет 3—5 мм. В мощных выключателях высокого напряжения он увеличивается до 8—10 мм.
В высоковольтных масляных выключателях широко применяется розеточная система (рис. 7.8). Неподвижный контакт состоит из пальцев (ламелей) 1, расположенных по окружности. Для уменьшения обгорания концы ламелей снабжены металлокерамическими наконечниками 2. Контактное нажатие создается пружинами 3. Ламели с помощью гибких связей 5 соединяются с медным цоколем 4. Параллельное соединение шести ламелей снижает переходное сопротивление контакта и облегчает работу контакта при токах КЗ, так как через ламель протекает примерно '/б полного тока контакта. Контактное нажатие обратно пропорционально квадрату числа ламелей. Подвижный контакт выполнен в виде стержня круглого сечения, движущегося поступательно. Конец стержня снабжен металлокерамическим наконечником.
Рис 7.8 Неподвижный розеточный контакт
Для главных контактов применяется щеточная система (рис. 7.9). Неподвижные контакты 1 выполняются в виде массивных медных призм, часто покрываемых серебром. Подвижные контакты выполнены в виде пакета эластичных медных пластин 2. Большое количество пластин создает многоточечный контакт с малым переходным сопротивлением. При нажатии на подвижный контакт происходит деформация пластин, скольжение линии касания по поверхности неподвижного контакта и разрушение пленки оксидов.
Рис. 7.9. Щеточные контакты
Широкое применение получили пальцевые самоустанавливающиеся контакты (рис. 7.10). Неподвижным контактом являются пальцы (ламели) /, выполняемые из меди. Пальцы крепятся к выводу 2 гибкими связями 3. Нажатие контактов создается плоскими пружинами 4. Для получения наибольшего числа площадок касания пружина 4 действует на контакт 1 через сферическую поверхность заклепки 5 (самоустанавливающийся контакт).
Если не имеется возможности подвижному контакту самоустанавливаться, то такой контакт называется не самоустанавливающимся (пружина 4 жестко соединена с контактом 1). Подвижный контакт выполнен в виде латунной призмы 6.
На рис. 7.11 показана двухступенчатая контактная система с главными 1–1 и дугогасительными 2— 2' контактами. Главные контакты выполняются из меди, а поверхности их соприкосновения из серебра, нанесенного электролитически (слой 20 мкм) или в виде припаянных пластин. Дугогасительные контакты выполняются из меди и имеют наконечники из дугостойкого материала — вольфрама или металлокерамики.
Рис 7.10. Пальцевый самоустанавливающийся контакт
Ввиду того, что переходное сопротивление цепи главных контактов значительно меньше, чем дугогасительных, через них проходит 70—80 % длительного тока. При отключении вначале расходятся главные контакты и весь ток цепи замыкается по дугогасительным контактам.
Дугогасительные контакты 2—2' расходятся в тот момент, когда расстояние между главными контактами достаточно, чтобы выдержать наибольшее напряжение, возникающее в процессе гашения дуги на дугогасительных контактах.
Рис. 7.11.Двухступенчатая контактная система
Необходимо отметить, что при отключении больших токов на главных контактах может возникнуть дуга. Дело в том, что после размыкания главных контактов весь ток цепи начинает проходить через дугогасительную систему и на главных контактах появляется напряжение. Допустим, что дугогасительная система имеет сопротивление
и индуктивность
, а скорость нарастания тока в этой цепи
. Тогда напряжение на главных контактах может оказаться достаточным для пробоя промежутка между ними. Для уменьшения обгорания главных контактов необходимо уменьшать индуктивность L.
При включении двухступенчатой системы вначале замыкаются дугогасительные контакты, а затем главные, что обеспечивает отсутствие дуги и оплавления серебряных поверхностей главных контактов. Ввиду своей сложности двухступенчатые системы применяются только при очень больших токах (более 2000 А) в автоматах и выключателях высокого напряжения. Во всех остальных случаях надежная работа контактов обеспечивается выбором их материала и конструкции при использовании одноступенчатой системы.
В заключение отметим, что в настоящее время начинают широко применяться электрические аппараты с герметизированными контактами и контактами, работающими в глубоком вакууме.
Жидкометаллические контакты?
Наиболее характерные недостатки твердометаллических контактов следующие:
-
С ростом длительного номинального тока возрастают необходимое значение контактного нажатия, габариты и масса контактов. При токах 10 кА и выше резко увеличиваются габариты и масса аппарата в целом.
-
Эрозия контактов ограничивает износостойкость аппарата.
-
Окисление поверхности и возможность приваривания контактов понижают надежность аппарата. При больших токах КЗ контактные нажатия достигают больших значений, что увеличивает необходимую мощность привода, габариты и массу аппарата.
Рассмотрим принцип действия контактора с жидкометаллическим контактом (ЖМК) (рис. 3.20). Внешняя цепь подключается к электродам / и 2. Корпус 3 выполнен из электроизоляционного материала. Полости корпуса заполнены жидким металлом 4 и соединяются между собой отверстием 5. Внутри полостей корпуса плавают пустотелые ферромагнитные цилиндры 6. При подаче напряжения на катушку 7 цилиндры 6 опускаются вниз. Жидкий металл поднимается и через отверстие 5 соединяет электроды / и 2, контактор включается.
Рис. 7.12 Контактор с жидкометаллическим контактом
По сравнению с твердометаллическими ЖМК обладают следующими преимуществами:
1. Малое переходное сопротивление и высокие допустимые плотности тока на поверхности раздела электроизоляционного материала. Полости корпуса заполнены жидким металлом 4 и соединяются между собой отверстием 5. Внутри полостей корпуса плавают пустотелые ферромагнитные цилиндры 6. При подаче напряжения на катушку 7 цилиндры 6 опускаются вниз. Жидкий металл поднимается и через отверстие 5 соединяет электроды / и 2, контактор включается.
По сравнению с твердометаллическими ЖМК обладают следующими преимуществами:
1. Малое переходное сопротивление и высокие допустимые плотности тока на поверхности раздела жидкий металл—электрод (до 120А/мм2), что позволяет резко сократить габаритные размеры контактного узла и контактное нажатие, особенно при больших токах.
-
Отсутствие вибрации, приваривания, залипания и окисления контактов при их коммутации.
-
Высокая механическая и электрическая износостойкость ЖМК, что позволяет создавать аппараты с большим сроком службы.-
-
Возможность разработки коммутационных аппаратов на новом принципе [автоматический восстанавливающийся предохранитель и др.] благодаря свойствам текучести жидкого металла.
-
Возможность работы ЖМК при высоких внешних давлениях, высоких температурах, в глубоком вакууме.
К электрическим аппаратам обычно предъявляется требование сохранять работоспособность в интервале температур ±40СС. Очевидно, что жидкий металл должен сохранять свое состояние в указанном интервале. Из известных материалов только ртуть находится в жидком виде при температуре ниже 0°С и может быть в чистом виде пригодна для ЖМК. Высокая токсичность паров ртути существенно осложняет технологию ее применения.
В ЖМК перспективно применение диэлектрического или металлокерамического твердого каркаса, пропитанного жидким металлом.
Герметичные контакты (герконы)
Наименее надежным узлом электромагнитных реле является контактная система. Электрическая дуга или искра, образующиеся при размыкании и замыкании контактов, п
риводят к их быстрому разрушению. Этому также способствуют окислительные процессы и покрытие контактных поверхностей слоем пыли, влаги, грязи. Существенным недостатком электромагнитных реле является и наличие трущихся механических деталей, износ которых также сказывается на их работоспособности. Попытки разместить контакты и электромагнитный механизм в герметизированном объеме с инертным газом не приводят к положительным результатам из-за больших технологических и конструктивных трудностей, а также из-за того, что контакты при этом не защищаются от воздействия продуктов износа и старения изоляционных материалов. Другим недостатком электромагнитных реле является их инерционность, обусловленная значительной массой подвижных деталей. Для получения необходимого быстродействия приходится применять специальные схемы форсировки, что приводит к снижению надежности и росту потребляемой мощности.
Перечисленные недостатки электромагнитных реле привели к созданию реле с герметичными магнитоуправляемыми контактами (герконами).
Простейшее герконовое реле с замыкающим контактом изображено на рис. 7.13, а. Контактные сердечники (КС) 1 и 2 изготавливаются из ферромагнитного материала с высокой магнитной проницаемостью (пермаллоя) и ввариваются в стеклянный герметичный баллон 3. Баллон заполнен инертным газом — чистым азотом или азотом с небольшой (около 3 %) добавкой водорода. Давление газа внутри баллона составляет (0,4—0,6) • 105 Па. Инертная среда предотвращает окисление КС. Баллон устанавливается в обмотке управления 4. При подаче тока в обмотку возникает магнитный поток Ф, который проходит по КС1 и 2 через рабочий зазор б между ними и замыкается по воздуху вокруг обмотки 4. Поток Ф при прохождении через рабочий зазор создает тяговую электромагнитную силу Рэ, которая, преодолевая упругость КС, соединяет их между собой. Для улучшения контактирования поверхности касания покрываются тонким слоем (2—50 мкм) золота, родия, палладия, рения, серебра и др.
При отключении обмотки магнитный поток и электромагнитная сила спадают и под действием сил упругости КС размыкаются. Таким образом, в герконовых реле отсутствуют детали, подверженные трению (места крепления якоря в электромагнитных реле), а КС одновременно выполняют функции магнитопровода, токопровода и пружины.
В связи с тем что контакты в герконе управляются магнитным полем, герконы называют магнитоуправляемыми контактами.
Рис. 7.13. Простейшее герконовое реле с симметричным замыкающим контактом
На основе герконов могут быть созданы также реле с размыкающими и переключающими контактами. В герконе с переключающим контактом (рис. 7.14, а) неподвижные КС 1, 3 и подвижный 2 размещены в баллоне 4. При появлении сильного магнитного поля КС 2 притягивается
Рис. 7.14. Переключающие герконы
к КС 1 и размыкается с КС 3. Один из КС переключающего геркона (например, 2) может быть выполнен из немагнитного материала (рис. 7.14,б). Герконовое реле (рис 11.4, в) имеет два подвижных КС 1, 2, два неподвижных КС 5, 6 и две обмотки управления 7, 8. При согласном включении обмоток замыкаются КС 1 и 2. При встречном включении обмоток КС 1 замыкается с КС 5, а КС 2 с КС 6. При отсутствии тока в обмотках все КС разомкнуты. Герконовое реле (рис. 7.14, г) имеет переключающий контакт 3 сферической формы. При согласном включении обмоток 7 и 8 контакт 3 притягивается к КС и КС 2 и замыкает их. После отключения обмоток 7 и 8 и при согласном включении обмоток 9 и 10 контакт 3 замыкает КС 5 и КС 6. Так как КС герконов выполняют функции возвратной пружины, им придаются определенные упругие свойства. Упругость КС обусловливает возможность их вибрации («дребезга») после удара, который сопутствует срабатыванию. Длительность такой вибрации достигает 0,25 мс при общем времени срабатывания 0,5—1 мс. Одним из способов устранения влияния вибраций является использование жидкометаллических контактов. В переключающем герконе (рис. 7.15, а) внутри подвижного КС 1 имеется капиллярный канал, по которому из нижней части баллона 4 поднимается ртуть 5. Ртуть смачивает поверхности касания КС 1 с КС 2 или КС 3. В момент удара контактов при срабатывании возникает их вибрация. Из-за ртутной пленки на контактной поверхности КС 1 вибрация не приводит к разрыву цепи. В конструкции на рис. 7.15,б между КС 2, КС 3 и ртутью 5 находится ферромагнитная изоляционная жидкость 6. При возникновении магнитного поля ферромагнитная жидкость 6 перемещается вниз, в положение, при котором поток будет наибольшим. Ртуть вытесняется вверх и замыкает КС 2 и КС 3. Следует отметить, что жидкометаллический контакт позволяет уменьшить переходное сопротивление и значительно увеличить коммутируемый ток. Наличие ртути удлиняет процесс разрыва контактов, что увеличивает время отключения реле.
Управление герконом можно осуществлять и с помощью постоянного магнита. Если постоянный магнит установлен вблизи геркона, его магнитный поток замыкается через КС, которые в результате этого находятся в замкнутом состоянии. Использование постоянного магнита совместно с управляющей катушкой позволяет создать герконовое реле с размыкающим контактом.
Рис.7.15. Ртутные герконы
Лекция №8
Тема лекции:
Электрическая дуга, физические явления, основы горения и гашения дуги постоянного тока
Общие сведения
Большая группа электрических аппаратов представлена коммутационными устройствами, с помощью которых замыкается и размыкается электрическая цепь. Электрический разряд, возникающий при размыкании контактов, приводит к их износу и в значительной степени определяет надежность и долговечность аппарата. Этот разряд в окружающем контакт газе является либо тлеющим разрядом, либо электрической дугой. Тлеющий разряд возникает при отключении тока менее 0,1 А при напряжении на контактах 250—300 В. Такой разряд происходит на контактах маломощных реле, а в более мощных аппаратах является переходной фазой к разряду в виде электрической дуги. Если ток и напряжение в цепи выше определенных значений, то имеет место дуговой разряд, обладающий следующими особенностями;
-
Дуговой разряд имеет место только при относительно больших токах. Минимальный ток дуги для различных материалов для металлов составляет примерно 0,5 А.
-
Температура центральной части дуги очень велика и может достигать 6000—25 000 К.
-
При дуговом разряде плотность тока на катоде чрезвычайно велика и достигает 102—103 А/мм2.
-
Падение напряжение у катода составляет всего 10— 20 В и практически не зависит от тока.
В дуговом разряде можно различить три характерные области: околокатодную, область столба дуги, околоанодную. В каждой из этих областей процессы ионизации и деионизации протекают по-разному.
а) Околокатодная область.
Занимает весьма небольшое пространство длиной не более 10-6 м. Около катода возникает положительный объемный заряд, создаваемый положительными ионами. Между этим положительным объемным зарядом и катодом создается электрическое поле с напряженностью до 107 В/м, в котором движутся электроны, вышедшие из катода и создающие электрический ток. Электрическое поле воздействует на электроны, увеличивая их скорость. При соударении такого электрона с нейтральной частицей может произойти ионизация, для чего электрон должен обладать определенной энергией.
Напряжение (разгоняющее напряжение), которое должен пройти электрон для приобретения энергии, необходимой для ионизации, называется потенциалом ионизации. Для газов этот потенциал колеблется от 24,58 В (гелий) до 13,3 В (водород). Пары металлов имеют значительно меньший потенциал ионизации. Так, для паров меди он равен 7,7 В.
Положительные ионы, так же как и электроны, разгоняются электрическим полем, но из-за большой массы скорость их много меньше. При ударе положительного иона о нейтральную частицу меньшая часть энергии передается на ионизацию, так что ионизация толчком происходит в основном за счет электронов.
Ввиду малой протяженности околокатодной области электроны не набирают скорости, достаточной для ионизации ударом. Чаще всего после удара атом переходит в возбужденное состояние (электрон атома переходит на более удаленную от ядра орбиту). Для ионизации возбужденного атома требуется меньшая энергия. В результате необходимый потенциал ионизации уменьшается. Такая ионизация называется ступенчатой. При ступенчатой ионизации необходим многократный удар электронов по атому: на каждый образующийся положительный ион требуются десятки электронов. Поэтому ток около катода, несмотря на наличие положительных ионов, носит электронный характер.
Образующиеся электроны не создают около катода отрицательного объемного заряда, так как их скорость значительно больше скорости тяжелых положительных ионов. Положительные ионы разгоняются в поле катодного падения напряжения и бомбардируют катод. Благодаря этому температура катода поднимается и достигает точки испарения материала электрода. При высоких температурах появляется термоэлектронная эмиссия катода, которая в сильной степени зависит от температуры электрода. Проведенные исследования также показали, что дуга может существовать только за счет автоэлектронной эмиссии, создаваемой у катода электрическим полем.
б) Область дугового столба. Энергия, приобретенная заряженными частицами в электрическом поле дугового столба, столь мала, что практически ионизация толчком не происходит.
При большой температуре, которая имеет место в области дугового столба, скорость частицы возрастает до значения, при котором удар в нейтральный атом приводит к его ионизации. Такая ионизация называется термической. Основным источником ионов и электронов в столбе дуги является термическая ионизация. Чем меньше масса частицы, тем больше ее скорость движения.
Таким образом, с ростом давления степень ионизации уменьшается. В связи с этим во многих дугогасящих устройствах (ДУ) электрических аппаратов создается повышенное давление газа, что способствует гашению дуги. Очень сильное влияние на ионизацию оказывает температура. Для большого числа двухатомных газов из-за ступенчатой ионизации процесс образования ионов начинается при температурах 6-103 К. Пары металла ионизируются значительно легче. Заметная ионизация начинается уже при температурах 3000—4000 К. Поэтому в ДУ необходимы меры против попадания металлических паров электродов.
в) Энергетический баланс дуги. Процесс ионизации и процесс деионизации в значительной степени определяются температурой дугового промежутка. Последняя зависит от количества тепла, выделяемого в дуге и отводимого от дуги.
Охлаждение дуги происходит за счет излучения, теплопроводности и конвекции.
Для открытой дуги, горящей в воздухе, излучением отдается 15—30 % выделяемой в дуге энергии. Для дуги, горящей в закрытом ДУ, доля тепла, отдаваемого лучеиспусканием, меньше.
Отвод тепла за счет теплопроводности газа в значительной степени зависит от его температуры. Так, при температуре 4000 К молекулы водорода диссоциируют на атомы. При этом от дуги отводится большое количество тепла. Внешне этот процесс представляется как резкое увеличение теплопроводности. Теплопроводность газа сильно зависит от его природы. Так, средняя теплопроводность водорода в 17 раз больше, чем воздуха. Благодаря своей высокой теплопроводности при прочих равных условиях водород способствует более быстрому охлаждению столба дуги. Ток, отключаемый в атмосфере водорода, в 7,5 раза больше, чем в воздухе при том же давлении.
При горении дуги в трансформаторном масле последнее разлагается с выделением водорода, что способствует эффективному гашению дуги. В некоторых аппаратах под действием магнитного поля дуга перемещается с большой скоростью относительно воздуха, что приводит к ее охлаждению за счет конвекции. Этот вид теплоотдачи наряду с теплопроводностью является определяющим для процесса гашения.
г) Околоанодная область. Поток электронов из столба дуги устремляется к положительному электроду — аноду. Анод при дуговом разряде не излучает положительных ионов, которые могли бы нейтрализовать электроны. Поэтому вблизи анода создается отрицательный объемный заряд, что и вызывает появление околоанодного падения напряжения и повышение напряженности электрического поля. Околоанодное падение напряжения зависит от температуры анода, его материала и значения тока.
Электроны разгоняются в поле, образованном отрицательным объемным зарядом и анодом. Энергия, приобретенная электронами, отдается аноду. Благодаря большой энергии электронов анод нагревается до очень высокой температуры, которая, как правило, выше температуры катода. Мощный поток электронов выбивает из анода электроны, которые также участвуют в создании отрицательного объемного заряда.
Высокая температура анода и околоанодная область не оказывают существенного влияния на возникновение и условия существования дугового разряда. Роль анода сводится к приему электронного потока из дугового столба.
Для дуги большого тока околоанодное падение напряжения столь мало, что им можно пренебречь.
Распределение напряжения, напряженности электрического поля (градиента) и производной, пропорциональной объемному заряду а в дуге, представлено на рис.8.1.
Падение напряжения у катода составляет 10—20 В и зависит от материала катода и свойств газа, в котором горит дуга. Околокатодное падение напряжения несколько меньше потенциала ионизации газа из-за наличия около катода его паров, у которых потенциал ионизации значительно ниже.
Околоанодное падение напряжения составляет 5—10 В. При больших токах околоанодное напряжение уменьшается, в то время как околокатодное напряжение остается постоянным.
Рис. 8.1. Распределение напряжения, напряженности электрического поля и объемных зарядов в электрической дуге
В некоторых аппаратах низкого напряжения длина дуги невелика. Падение напряжения на столбе дуги мало по сравнению с суммой падения напряжения у катода и анода. Такие дуги называются короткими. Условия гашения короткой дуги в значительной степени определяются процессами, происходящими у электродов, и условиями их охлаждения.
В аппаратах высокого напряжения падение напряжения на столбе дуги значительно больше околоэлектродных, и последними можно пренебречь. Условия существования таких дуг, называемых длинными, определяются процессами в столбе дуги.
Физические особенности дугового разряда при высокой плотности газовой среды
Явление прохождения электрического тока через газ, называемое газовым разрядом, может наблюдаться практически при любых значениях тока. На рис. 8.2 изображена вольтамперная характеристика последовательных стадий газового разряда в воздухе при атмосферных условиях.
При несамостоятельном разряде (зона О — В) ток поддерживается за счет внешних ионизаторов (космические лучи, рентгеновские лучи и др.); при самостоятельном разряде (зона В — Е) носители электричества возникают в газоразрядном канале непосредственно за счет ионизирующих факторов, присущих газоразрядному каналу.
Между точками О — А зависимость и = / (t) следует закону степени трех вторых.
В стадии «насыщения» (А — В) все заряды, содержащиеся в промежутке, достигают электродов. Но так как никакой дополнительной ионизации здесь не возникает, то значительное увеличение напряжения не ведет к существенному изменению тока.
За точкой В напряжение становится достаточным для возникновения ударной ионизации (под действием сил электрического поля), начинается самостоятельная форма разряда.
Участок В — С соответствует стадии пробоя, или «таунсендовской» стадии (по имени Таунсенда, разработавшего математическую теорию этой стадии).
Наиболее характерные признаки стадии пробоя: ударная ионизация, незначительные пространственные заряды, лавинообразный процесс образования электронов (и ионов). При больших расстояниях между электродами и достаточно высокой плотности газа таунсендовская стадия может перейти в так называемую стримерную стадию пробоя.
Когда мощность источника становится достаточно большой, способной вызвать в цепи токи порядка мА, стадия пробоя переходит в стадию тлеющего разряда (С — D). Для тлеющего разряда характерна ударная ионизация, но уже в условиях резко неравномерного поля, когда основное падение напряжения приходится на слой у катода. Основной столб разряда в данном случае представляет собой как бы проводник тока, убыль электронов в котором восполняется за счет столкновения наиболее «быстрых» электронов с атомами газа. Для тлеющего разряда также характерно постоянство произведения давления газа на длину околокатодного слоя.
При достаточно большом токе тлеющий разряд переходит в дуговой (переходная стадия D — Е).
Рис. 8.2. Вольтамперная характеристика газового разряда
Дуговой разряд в газовой среде относительно высокой плотности (при атмосферном и более высоком давлении) обладает следующими характерными чертами:
1) ясно очерчена граница между дуговым столбом и окружающей средой;
-
высокая плотность тока в дуговом столбе (десятки — сотни А/мм2);
-
высокая температура газа внутри дугового столба, достигающая 5000 –10000° К и более высоких значений. В этих условиях преобладает термическая ионизация газа (см. ниже). При нормальных условиях дуговая стадия разряда (и термическая ионизация) в воздухе практически прекращаются при температурах около 3000° К;
-
высокая плотность тока на катоде и малое падение напряжения у катода.
Одно время полагали, что характерной особенностью дуги является высокая температура катода, однако теперь уже совершенно ясно, что дуговой разряд на металлических электродах может существовать практически и при холодном катоде. На рис. 2. 2 приведено изображение дугового столба между металлическими контактами и показано распределение напряжения вдоль него. Как можно видеть, падение напряжения на дуге складывается из трех слагаемых: катодного падения напряжения; падения напряжения в дуговом столбе и анодного падения напряжения.
П
ри условии однородности дугового столба последний член — напряжение на дуговом столбе — может быть представлен как произведение напряженности электрического поля Е на длину канала дуги.
Катодное падение сосредоточено на очень небольшом участке дуги, непосредственно примыкающем к катоду (около 0,001 мм при нормальном атмосферном давлении). Оно составляет величину порядка 10 –20 В, следовательно, средняя напряженность электрического поля у катода достигает величины порядка 105 В/см и выше. При таких напряженностях выход электронов с поверхности катода может осуществляться в значительной степени за счет автоэлектронной эмиссии. Если материал катода таков, что температура его кипения может превысить 2500° К, то эмиссия электронов с поверхности катода может происходить и за счет термических процессов (термоэлектронная эмиссия). При этих условиях выход электронов с катода обеспечивается и при более низких падениях напряжения у катода. В этом случае катодное падение является не прямой причиной выхода электронов с катода, как при автоэлектронной эмиссии, а косвенной, обеспечивающей выделение около катода необходимой энергии для подогрева катода.
Возможно и совместное существование термической и автоэлектронной эмиссии при нагретом катоде.
Дуга может существовать между металлическими электродами и при холодном катоде. В этом случае имеет место в основном автоэлектронная эмиссия.
Рис. 8.3. Распределение напряжения по длине электрической дуги
Возможен и такой механизм выхода электронов с катода, когда за счет высокой удельной плотности энергии в области околокатодного пространства возникает высокая степень термической ионизации газа. При этом электроны уходят в зону Дуговой плазмы, а положительные ионы, падая на катод, забирают электроны из катода, образуя нейтральные атомы. Таким образом создается электрический ток в цепи. Вполне вероятно, что при холодном катоде имеет место совместное действие автоэлектронной эмиссии и эмиссии за счет термической ионизации в околокатодном пространстве. Следовательно, каким бы ни был механизм освобождения электронов с катода, при всех условиях у катода должна совершаться работа, т. е. выделяться энергия, что и обеспечивается благодаря катодному падению напряжения.
Анодное падение напряжения имеет место в области, непосредственно примыкающей к аноду. Оно не является необходимым условием существования дугового разряда, так как задача анода относительно пассивная — принимать идущий к нему из зоны плазмы дуги электронный поток. Повышение же напряженности электрического поля у анода является следствием образования у анода пространственного отрицательного заряда из-за недостатка ионов у анода. Анод в дуговом разряде не излучает положительные ионы. Ионы же, возникающие в дуговом столбе, хотя и с небольшой скоростью, движутся к катоду, таким образом непосредственно у поверхности анода образуется преобладание отрицательных зарядов и создается условие для анодного скачка напряжения (анодного падения напряжения). Величина анодного падения напряжения зависит от температуры анода, рода металла и пр. Пришедшие из столба дуги электроны, нейтрализуясь на аноде, освобождают «работу выхода», затраченную ранее на выход электронов из катода. Часто температура анода бывает даже выше, чем температура катода.
Падение напряжения в дуговом столбе UCT представляет собой произведение напряженности электрического поля Е на длину столба l. Произведение напряженности электрического поля на ток в дуге определяет мощность, подводимую к дуговому столбу из сети на единицу его длины W = Ei.
При установившемся состоянии эта мощность равна мощности, рассеиваемой дугой в окружающее пространство Р, т. е. Р = W.
Рассеивание энергии дуговым столбом идет посредством излучения, теплопроводности и конвекции. При различных условиях гашения дуги в отключающих аппаратах может преобладать тот или иной вид теплоотдачи. Это зависит от величины тока, среды, в которой образуется дуга (различные газы или жидкости), давления, состояния среды (неподвижная или движущаяся) и пр.
Величина напряженности электрического поля в дуговом столбе также существенно зависит от условий, в которых горит дуга, и свойств дугогасящей среды. На практике наблюдается колебание напряженности электрического поля в пределах 10 – 200 В/см. Меньшая цифра относится к открытым дугам в воздухе при относительно больших токах, а большая — к дугам, находящимся в потоке газов или паров жидкости, когда отбор тепла от дугового столба делается особо интенсивным.
В дуговом разряде с изменением тока меняются радиус дугового столба, температура газа и плотность ионизации. В результате часто получается падающая вольтамперная характеристика, т. е. напряженность электрического поля в дуговом столбе уменьшается с ростом тока, как показано на рис. 8.4 (кривая 1).
Можно получить зависимость между напряженностью электрического поля и током в дуговом столбе. Мощность, поглощаемая дугой, в стационарном состоянии полностью отдается в окружающее пространство. Эту мощность дуга отдает не только с поверхности, как это имеет место у твердого тела, но и всем своим объемом.
Но иногда можно наблюдать, что Е остается постоянной величиной, не зависящей от тока. Это может иметь место когда плотность зарядов в дуговом канале остается величиной постоянной, не зависящей от тока. Такое состояние получается в том случае, когда сечение дуги пропорционально току, текущему через нее. Постоянство напряжения на дуге наблюдается при гашении дуги переменного тока в выключателях, т.е. в условиях интенсивной деионизации дугового канала. Отсюда можно заключить, что в таких дугах сечение канала возрастает пропорционально току и плотность тока сохраняется постоянной.
Рис. 8.4. Вольтамперные характеристики электрической дуги:
Рассмотренные зависимости относятся к статическим вольтамперным характеристикам. Однако при быстром изменении тока в дуге напряжение на ней может довольно существенно отличаться от того, которое имеет место при установившемся значении. Это происходит вследствие того, что процессы в дуговом канале обладают инерционностью и для их установления требуется некоторое время.
Рассмотрим рис. 8.4, а, на котором показано семейство вольт-амперных характеристик для различных скоростей убывания тока. Кривая 1 — это статическая вольтамперная характеристика, относящаяся к открытой дуге в воздухе. Если от значения i = I ток убывает с различными скоростями, то чем выше скорость спада тока, тем ниже проходит вольтамперная характеристика. Это происходит потому, что при снижении тока такие параметры дуги, как сечение дуги, температура газа и степень ионизации, не успевают быстро измениться и приобрести значения, соответствующие меньшему значению тока при установившемся режиме. В результате напряжение на дуговом столбе может существенно отличаться от значений, определяемых статической характеристикой. Эта серия характеристик при резких скоростях спада тока носит название динамических вольтамперных характеристик.
При бесконечно высокой скорости спада тока к нулю активное падение напряжения на дуге изменяется по прямой 2, так как при очень быстром уменьшении тока в цепи физические свойства канала не успевают сколько-нибудь измениться, т. е. сопротивление канала остается неизменным и, следовательно, напряжение на дуге будет падать прямо пропорционально току. Этот крайний предел — падающая к нулю прямая — практически не достижим. Обычно те динамические характеристики, которые получаются в аппаратах отключения при спаде тока, имеют всегда возрастающий характер. Особенно большое отступление от статической характеристики при спаде тока наблюдается в области малых токов, т. е. при подходе тока к нулю (непосредственно перед гашением дуги), что способствует ограничению перенапряжений на выключателе и элементах цепи.
Динамическая характеристика дуги лежит в общем ниже статической, если она соответствует условиям спадания тока от некоторого сравнительно большего значения к меньшему. В другом случае, когда ток цепи не уменьшается, а, наоборот, возрастает независимо от сопротивления дуги, динамическая характеристика дуги в принципе может лежать выше ее статической характеристики.
На рис. 8.4, б представлена динамическая характеристика дуги синусоидального тока. Ее ветви 1 и 2 относятся к первой половине полупериода, когда ток нарастает во времени, а ветви 3 и 4 — ко второй полуволне, когда ток уменьшается.
Вид статических (и динамических) характеристик определяется многими условиями, в том числе и способом гашения дуги.
Гашение электрических дуг в цепях постоянного тока
При размыкании контактов аппарата, находящегося в цепи постоянного тока, возникает дуговой разряд. Для гашения возникающей дуги постоянного тока обычно стремятся повысить напряжение на дуге (и ее сопротивление) или путем растяжения дуги, или путем повышения напряженности электрического поля в дуговом столбе, а большей частью — одновременно и тем и другим путями.
Это достигается применением специальных дугогасительных камер в выключающих аппаратах, задача которых состоит в том, чтобы обеспечивать быстрое растяжение дуги и повышение напряжения на ней, с одной стороны, а с другой — ограничивать распространение порождаемого ею пламени и раскаленных газов в приемлемом объеме пространства.
Казалось бы, что идеальным выключателем постоянного тока будет тот, сопротивление межконтактного промежутка в котором может мгновенно возрастать от нуля до бесконечности. Тогда мгновенно прекращалось бы протекание тока по цепи. Однако для реальных цепей постоянного тока, которые всегда содержат индуктивность L, такой выключатель не пригоден. Дело в том, что запасенная в индуктивной цепи электромагнитная энергия должна куда-то израсходоваться в процессе отключения цепи. Она может уйти, например, на заряд емкости С (рис. 8.5), параллельной дуговому промежутку, и существенно повысить напряжение на ней.
В пределе максимально возможное перенапряжение на емкости определится из равенства энергии:
(8.1)
Для примера возьмем реальные величины:
Тогда
Естественно, что такие большие перенапряжения для низковольтных установок недопустимы. Электрическую цепь следует отключать так, чтобы перенапряжения не превышали тех величин, которые может выдержать без пробоя электрическая изоляция. Такие условия выполняются в рационально сконструированных выключателях с электрической дугой, при гашении которой большая часть электромагнитной энергии цепи превращается в тепловую и рассеивается столбом дуги в окружающую среду. В результате энергия, запасаемая в емкости, и перенапряжения на емкости снижаются. В этом отношении электрическая дуга играет, очевидно, положительную роль.
Рис.8.5.Цепь постоянного тока с электрической дугой.
Д
ля того чтобы уяснить условие угасания дуги в цепи постоянного тока, необходимо сначала выяснить условия стабильного ее горения, На рис. 8.6 показана статическая вольтамперная характеристика дуги Там же приведены величина напряжения источника UИ и вольтамперная характеристика сопротивления цепи
На рис. 8.5 была изображена электрическая цепь постоянного тока с дугой. Принципиально во всех реальных схемах присутствует емкость С (емкости между токоведущими проводами, проводами и землей и т. д.). Но обычно в процессе горения дуги D через С протекают относительно небольшие токи в сравнении с основным током цепи i, и влияние С обычно не учитывается. Это влияние становится заметным в конце процесса гашения дуги, когда ток i приближается к нулевому значению, а напряжение на дуговом промежутке резко возрастает. При таком допущении общее уравнение баланса напряжений для цепи с дугой будет выглядеть следующим образом:
Р
ис.8.6. Графическая интерпретация условия гашения дуги постоянного тока
В
установившемся состоянии при
Д
ля удобства анализа вместо прямой проведем реостатную или внешнюю характеристику . Это будет прямая (рис. 8.6), исходящая из точки на оси ординат и пересекающая ось абсцисс в точке
г
де установившийся ток в цепи при замкнутом выключателе В, т. е. при UR = 0.
Нетрудно видеть, что прямая пересекает вольтамперную характеристику дуги " в точках А и Б. В них соблюдается уравнение (8.3). Однако подлинно устойчивое состояние обеспечивается в точке А, так как при меньшем токе мы должны написать
а при токе, большем, чем в точке
В рассматриваемом контуре (см. рис.8.5) величина бU может компенсироваться только за счет э. д. с. самоиндукции (см. соотношение 8.2), т. е.
При этом слева от точки А
, а следовательно, и
, должны быть положительными. Справа же от точки А
, следовательно, и
, должны быть отрицательными. Это возможно только в том случае, когда слева от точки А ток возрастает, а справа — убывает. В точке Б это условие равновесия не обеспечивается, так как справа от нее ток возрастает (переходит в точку А), а слева - убывает (дуга угасает), точка Б характеризует собой неустойчивое равновесие.
Таким образом, если разомкнуть цепь при токе I и при этом на контактах установится дуга с напряжением Uл (полагаем, что дуга сразу достигает определенной длины, которой соответствует характеристика UR = f(i), нанесенная на рис. 8.6), то ток спадет со значения I до
и дуга при этом будет устойчиво гореть.
Для обеспечения условий гашения дуги после размыкания контактов необходимо, чтобы вольтамперная характеристика дуги оказалась выше внешней характеристики цепи, т. е. прямой
когда не будет пересечения этих кривых и не возникнет точка А. В этом случае ток в цепи со значения I будет убывать до нуля. Во всем диапазоне изменения тока от I до 0 будет сохранено условие
Весьма эффективным средством, повышающим дугогасящие свойства аппарата и снижающим перенапряжения при отключении цепей постоянного тока, являются шунтирование дугового промежутка активным сопротивлением г (рис. 8.7).
На рис. 8.8 дано построение, позволяющее сделать заключение об эффективности шунтирования дугового промежутка сопротивлением r. Шунтирующее сопротивление r находится под тем же напряжением Uд, что и дуга. Ток в цепи, текущий через индуктивность L и сопротивление R, разветвляется на ток дуги и ток шунта, при этом всегда остается справедливым равенство
Рис. 8.7. Электрическая цепь постоянного тока с дугой, шунтированной активным сопротивлением
Для оценки условий гашения дуги необходимо построить зависимость напряжения на дуге от общего тока, т. е. UA = f(i), чтобы судить, как ориентируется кривая напряжения по отношению к реостатной характеристике цепи Uи — iR = f(i). Из рис. 8.8 можно видеть, что (без шунта) кривая напряжения на дуге проходит вблизи прямой почти касаясь ее. Условия гашения дуги здесь соблюдаются, но они близки к предельным, так как даже небольшое понижение характеристики дуги привело бы к устойчивой дуге. Кроме того, пик напряжения на дуге в конце гашения весьма велик, а так же высоко значение
т. е. напряжение на индуктивности
Если же мы подключаем к дуговому промежутку сопротивление r, имеющее вольтамперную характеристику в виде прямой общий ток в цепи i должен складываться из токов дуги и шунта, т. е.
Кривая напряжения на дуге в функции общего тока 2 (рис. 8.8) лежит существенно выше, чем кривая напряжения на дуге без шунта 1. Таким образом, процесс гашения происходит значительно быстрее, и наибольший пик напряжения на дуге будет
В этот момент дуга гаснет. После этого ток продолжает убывать до момента пересечения прямых (iro). Этот ток остается в цепи. Он равен
Для полного разрыва цепи ток iro необходимо отключить дополнительным контактом К (рис. 8.5). В этом состоит недостаток метода шунтирования, так как он несколько усложняет коммутационный аппарат.
Рис.8.8. Построение вольтамперной характеристики при шунтировании дуги активным сопротивлением
Аналогичных результатов можно достичь, прибегая к шунтированию индуктивности цепи или всей нагрузки. Однако этот метод имеет недостаток, потому что при включенной цепи через шунт будет непрерывно протекать ток и в нем возникнут значительные потери. При сопоставлении рассмотренных методов можно заключить, что более рациональным является применение шунтов на выключателях.
Как уже было сказано, критическим можно назвать такой режим, когда характеристика UA = f(i) делается касательной к внешней характеристике цепи. Длину дуги, при которой наступает такой режим, называют критической. При длине, большей критической, дуга всегда гасится, а при меньшей — возможно устойчивое ее горение.
Лекция №9
Тема лекции:
Горения и гашения дуги переменного тока: в условиях активной деионизации, высокого напряжения, низкого напряжения.
Условия гашения дуг переменного тока
Дуга переменного тока обычно гасится легче, чем дуга постоянного тока. Чтобы погасить дугу постоянного тока, надо насильственно свести к нулю ток цепи путем непрерывного увеличения сопротивления дугового столба (практически до бесконечности). При переменном токе этого делать не требуется: здесь через каждый полу период ток естественным путем проходит через нулевое значение, и надо лишь воспользоваться этим обстоятельством и создать вблизи перехода через нуль такие условия в межконтактном промежутке, чтобы протекание тока цепи вслед за этим переходом не возобновлялось. Поэтому условия гашения дуги переменного тока следует трактовать иначе, чем условия гашения дуги постоянного тока. Исключением может быть лишь открытая дуга переменного тока в установках высокого напряжения, когда определяющим фактором является активное сопротивление сильно растянутого дугового столба. Тогда условия гашения дуги переменного тока по существу становятся близкими к условиям гашения дуги при постоянном токе. В другом крайнем случае сопротивление столба дуги во время ее горения практически не влияет на процесс ее гашения (в условиях активной деионизации), и тогда при определении условий гашения дуги рассматривается взаимозависимость процессов за переходом тока через нуль. Но существует и третий случай, когда при оценке условий гашения дуги надо считаться как с влиянием активного сопротивления столба дуги, так и учитывать характер протекания процессов за нулем тока.
Перейдем к рассмотрению этих трех случаев.
А. Открытая дуга переменного тока при высоком напряжении источника
Открытая дуга переменного тока в моменты перехода тока через нуль сохраняет высокую проводимость, и поэтому в установках высокого напряжения гашение открытой дуги происходит не вследствие перехода через нуль и образования прочности промежутка, а главным образом вследствие растяжения дугового столба и образования на нем высокого напряжения горения (на всем протяжении полупериода). При таком режиме ток в цепи начинает заметно падать за несколько периодов до полного обрыва дуги и причиной его ограничения является возрастание сопротивления канала дуги.
При определенной длине дуги переменного тока напряжение сети оказывается недостаточным для поддержания горения дуги (критическая длина), наступает нарушение баланса мощностей (подводимой и отдаваемой), и ток цепи довольно быстро уменьшается и, наконец, совсем прекращается.
На рис. 9.1 приведена осциллограмма тока и напряжения на дуге переменного тока, возникшей при размыкании ножа разъединителя высокого напряжения.
Рис. 9.1. Осциллограмма тока и напряжения открытой дуги при высоком напряжении источника
В начале процесса, как можно видеть, ток в цепи меняется очень слабо и его величина определяется главным образом сопротивлением цепи. По мере же растяжения дуги доминирующим становится сопротивление дуги.
Таким образом, если в основу анализа процесса гашения открытой дуги переменного тока положить условие нарушения баланса напряжений при горении дуги (но не в нулевые переходы тока), то задача может быть сведена по существу к той же самой, которая возникает и при гашении дуги постоянного тока.
Для этой цели сделаем допущение, что статическая вольтамперная характеристика дуги при постоянном токе отражает зависимость между напряжением на дуге при переменном токе в момент максимума тока от амплитуды тока (амплитудная характеристика). Также предположим, как это мы делаем в случае постоянного тока, что для цепи переменного тока, содержащего только активное сопротивление, можно принять то же условие устойчивости горения дуги, т. е.
где Um — амплитудное значение напряжения источника (сети):
амплитуда тока в цепи с дугой;
напряжение па дуге в момент максимума тока
Если так же, как и ранее, предположить, что напряжение при максимуме тока связывается с амплитудой тока уравнением
то критическая длина дуги может быть представлена
где
амплитудное значение тока в цепи, ограниченного только собственным сопротивлением цепи R (дуговой промежуток замкнут накоротко). Если положить, для воздуха и относительно небольших токов как и ранее, С = 80 и а = 0,5 и выразить ток и напряжение в действующих значениях, то для цепи, содержащей только активное сопротивление (безиндуктивная цепь), получим
г
де действующее значение критического тока, А;
действующее значение тока цепи при закороченном дуговом промежутке, А;
действующее значение напряжения сети, кВ критическая длина дуги, м При растянутой дуге напряжение на дуговом промежутке приближается к синусоидальному, поэтому для ориентировочных расчетов можно сделать допущение о синусоидальности напряжения на дуге, что позволяет баланс напряжений для цепи содержащей индуктивное сопротивление и сопротивление столба дуги представить так:
Используя опять уравнение вольтамперной характеристики дуги и решая задачу в отношении критической длины дуги и критического тока, получим после подстановки для частного случая С = 80 и а = 0 5 получим'
где ток выражен в амперах; напряжение в киловольтах; lкр — в метрах.
Из сопоставления формул можно видеть, что в цепях с индуктивным сопротивлением критический ток и критическая длина дуги имеют более высокие значения по сравнению со значениями этих величин в цепи с чисто активным сопротивлением.
Приведенные формулы не учитывают ряда факторов, имеющих влияние на процесс гашения дуги (расположение электродов, ветровые условия и пр.), и могут служить лишь для ориентировочных расчетов критических токов и критических длин дуг при их угасании в установках высокого напряжения.
Б. Дуга переменного тока в условиях активной деионизации
Если столб дуги переменного тока подвергается интенсивной деионизации, то в этом случае механизм гашения дуги существенно меняется по сравнению с предыдущим (открытая дуга в цепи высокого напряжения). За счет активного воздействия газовой или жидкой среды диаметр дугового канала сокращается (плотность тока повышается) и изменение его следует почти синхронно с током.
При подходе тока к нулю дуговой столб приобретает весьма малые размеры и благодаря этому быстро распадается после достижения током нулевого значения, теряет свою проводимость и приобретает заметную электрическую прочность. В таком случае восстановление дуги в следующий полупериод связано с пробоем межконтактного промежутка. Эти условия характерны для отключающих аппаратов относительно высокого напряжения.
Таким образом, дуга переменного тока в условиях активной деионизации дугового столба представляет собой такое явление, когда при каждом переходе тока через нуль возникает соревнование двух процессов, а именно: процесса восстановления электрической прочности промежутка и процесса восстановления напряжения на промежутке. Исходя из такой трактовки процесса, нетрудно заключить, что для угасания дуги переменного тока при интенсивной деионизации необходимо обеспечить такой режим, при котором электрическая прочность дугового промежутка после достижения током его нулевого значения нарастала бы достаточно быстро и достигала бы достаточного уровня.
На рис. 9.2 показано изменение тока в цепи и напряжения на дуге, подвергающейся интенсивной деионизации, но все же горящей устойчиво в течение нескольких полупериодов. Как видно из этого рисунка, после первого и второго переходов тока через нуль напряжение на дуговом промежутке достигает относительно высоких значений пиков напряжения зажигания U3, при которых возникает зажигание дуги в последующий период. В процессе протекания тока наблюдается задержка на нуле (ожидание пробоя). Эти задержки в токе на нуле могут быть большей или меньшей величины в зависимости от существующих условий в цепи (сдвига фаз между током и напряжением, величины напряжения, действующего в цепи, постоянных контура L, С и R).
Если обратиться снова к рис. 9.2, можно установить, что после третьего перехода через нуль прекратилось протекание тока по цепи, т. е. дуга погасла, а на межконтактном промежутке выключателя полностью восстановилось напряжение, развиваемое источником (рис. 9.2, а). Сдвиг фаз между током и напряжением при этом принят близким к 90°. Как можно видеть из рисунка, при активной деионизации дуги пики напряжения зажигания ее обычно значительно превосходят по своей величине напряжение горения дуги. Таким образом, в отличие от открытой дуги, напряжение горения UД не является определяющей величиной при оценке условий угасания дуги.
Из рис. 9.2 также видно, что при первом переходе тока через нуль пик напряжения на дуге несколько меньше напряжения источника, и дуга легко зажигается вновь. При втором переходе тока через нуль, пик напряжения зажигания дуги несколько превышает напряжение зажигания при первом переходе тока через нуль, но все же дуга зажигается. При восстановлении напряжения на промежутке после третьего перехода через нуль возникают колебания, вследствие чего напряжение на нем существенно превосходит напряжение источника (в данном рассмотрении амплитуду напряжения).
Рис.9.2 .Процессы при гашении дуги переменного тока
Теоретически, если пренебречь пиком гашения дуги и затуханием колебаний (контур без потерь), амплитудное значение восстанавливающегося напряжения на дуговом промежутке может достигнуть двойной величины. При третьем переходе тока через нуль прочность промежутка достигает такой величины, что пик восстанавливающегося напряжения U оказывается недостаточным, чтобы вызвать повторное зажигание дуги, и цепь обрывается окончательно. Напряжение на промежутке в своем переходном режиме совершает ряд колебаний и далее меняется с рабочей частотой.
При оценке жесткости сети обычно подразумевают идеальный выключатель, т. е. полагают, что напряжение на дуге равно нулю, а после перехода тока через нуль сопротивление промежутка становится сразу равным бесконечности. При таком предположении восстановление напряжения на выключателе начинается с нуля, а не с пика гашения, и на затухание восстанавливающегося напряжения оказывает влияние только сопротивление цепи.
Существенно важной величиной при оценке жесткости сетей является коэффициент превышения амплитуды, представляющий собой отношение максимальной величины восстанавливающегося напряжения Uвт к мгновенному значению напряжения источника в момент перехода тока через нуль.
Таким образом, условие гашения дуги переменного тока при активной деионизации промежутка может быть сформулировано следующим образом: если после перехода тока через нуль прочность промежутка нарастает быстрее и остается все время выше, чем восстанавливающееся напряжение на выключателе, то процесс заканчивается угасанием дуги.
При несоблюдении этого условия наступают повторный пробой и восстановление дуги.
В. Дуга переменного тока в условиях отключения цепей низкого напряжения
В установках низкого напряжения (до 1000 в) электрическое сопротивление столба дуги обычно бывает соизмеримым с сопротивлением отключаемой цепи, а напряжение на дуге — с напряжением источника питания. В таких условиях уже нельзя пренебрегать влиянием напряжения (и сопротивления) дуги, а с другой стороны, — нельзя не рассматривать явлений на нуле тока, т. е. не учитывать влияния восстановления прочности при переходе тока через нуль.
Общая картина процессов при отключении цепи переменного тока низкого напряжения представлена на рис. 9.3. До момента размыкания контактов аппарата (МРК) по цепи протекал ток I, определяемый в совокупности величинами
В момент t0 разомкнулись контакты аппарата и начало возрастать сопротивление дугового промежутка Rд и напряжение на нем UД.
Увеличивающееся при гашении дуги сопротивление Rд приводит к некоторому уменьшению амплитудных значений тока (I1,I2,I3) по полупериодам и уменьшению сдвига фаз между током цепи iД и напряжением источника UИ. Соответствующие углы сдвига фаз, определяемые отрезками времени между моментами перехода через нуль тока дуги и напряжения источника, обозначены через
Понятие о сдвиге фаз между током и напряжением относится к синусоидальным явлениям. В процессе гашения электрической дуги в установках низкого напряжения синусоида тока искажается вследствие роста сопротивления дуги. Поэтому понятие о сдвиге фаз здесь носит условный характер. В моменты перехода тока дуги через нуль (точки1 и 2) не создавалось необходимых условий для окончательного погасания дуги за этими переходами и она повторно зажигалась вслед за ними. В момент 3-го перехода тока через нуль такие условия создались, дуга погасла и протекание тока по цепи прекратилось. За этим переходом по цепи может протекать лишь небольшой остаточный ток i0CT, определяемый так называемой остаточной проводимостью межконтактного промежутка аппарата.
При анализе условий возникновения между контактами выключателя электрической прочности, необходимой для гашения дуги, обычно рассматривают раздельно короткие и длинные промежутки с целью наиболее четкого выявления тех особенностей, которые необходимо использовать при конструировании дугогасительных устройств выключателей, предохранителей, контакторов, разрядников и пр.
В действительности, особенно в аппаратах низкого напряжения, имеют место смешанные процессы, т. е. свойственные и коротким, и длинным дугам одновременно.
Рис.9.3.Характер процессов при отключении цепи переменного тока низкого напряжения
Лекция №10
Тема лекции:
Магнитные усилители (МУ), дроссельный МУ, характеристики и режимы работы. МУ с самоподмагничиванием (МУС). Двухполупериодные схемы МУС
Общие сведения
Бесконтактными электроаппаратами называют устройства, предназначенные для включения, выключения или переключения (коммутации) электрических цепей без физического разрыва цепи.
Основой построения бесконтактных электроаппаратов служат различного рода нелинейные элементы. Главными из них являются нелинейные индуктивности — ферромагнетик с обмотками и нелинейные активные сопротивления — полупроводниковые приборы.
Ниже будут рассмотрены выполняемые на базе ферромагнетиков и полупроводниковых приборов некоторые основные элементы (магнитные и полупроводниковые усилители, логические элементы), на базе которых могут быть выполнены различного рода бесконтактные электрические аппараты.
Большинство из рассматриваемых элементов называют усилителями. Блок-схема простейшего усилителя приведена на рис. 10.1, в нем последовательно с напряжением питания включены нагрузка Z„ и управляемое нелинейное сопротивление (L = var, или R = var); эта цепь называется рабочей. Нелинейное сопротивление управляется от специального источника сигнала управления (чаше от источника постоянного напряжения Uy). Цепь, состоящая из источника сигнала управления, сопротивления Z.. и нелинейного сопротивления, называется цепью управления.
С изменением тока цепи управления iy меняются параметры нелинейного сопротивления и ток в рабочей цепи iр. В результате оказывается возможным малыми мощностями в цени управления управлять большими мощностями в нагрузке. Усиление происходит за счет мощности источника питания.
Рис. 10.1. Блок-схема усилителя
Если управляемым нелинейным сопротивлением является ферромагнитный сердечник с обмотками (L = var) — усилитель называется магнитным. Если это полупроводниковый прибор R= var) — усилитель называется полупроводниковым.
Полупроводниковые усилители питаются от источника постоянного или переменного тока. Магнитные усилители — от источника переменного напряжения (иногда импульсного, однополярного).
В то время как принцип работы полупроводникового усилителя весьма прост и достаточно поясняется блок-схемой (рис. 6.1), принцип работы магнитного усилителя требует специального пояснения.
Дело в том, что при перемагничивании ферромагнитного сердечника на его рабочей обмотке (включенной в рабочую цепь) создается противо-э. д. с, препятствующая протеканию тока в рабочей цепи. Если при этом сердечник достиг насыщения (состояния, при котором резко уменьшается магнитная проницаемость ферромагнетика), противо-э. д. с. на его рабочей обмотке резко падает и практически вовсе не препятствует протеканию рабочего тока, т. е. ферромаг нитный сердечник играет роль дросселя, заслонка которого то закрыта (сердечник перемагничивается и не достиг насыщения), то открыта (сердечник, перемагничиваясь, достиг насыщения). Причем в течение одного полупериода напряжения питания сердечник может одну часть этого полупериода находиться в «непроводящем состоянии» (перемагничивается, не достигнув насыщения), а другую в «проводящем» (достигнув насыщения). Ферромагнитный сердечник, работающий в таком режиме, будем называть дросселем насыщения (ДН). В зависимости от того, какую часть полупериода ДН находится в непроводящем состоянии, а какую — в проводящем, будет зависеть и величина тока и напряжения на нагрузке. Соотношение проводящих и непроводящих долей полупериода зависит от многих факторов, в частности от величины напряжения питания и, что весьма существенно, от величины постоянной составляющей тока (или напряжения) на какой-либо из обмоток ДН.
ДН, в котором не предусмотрено протекание по обмоткам по-стоянной составляющей тока, называется дросселем насыщения без подмагничивания, а в котором предусмотрено протекание по какой-либо из обмоток постоянной составляющей тока, называется дро& селем насыщения с подмагничиванием.
Магнитные усилители выполняются на дросселях насыщения с подмагничиванием: благодаря разной величине постоянной составляющей тока (или напряжения) изменяется соотношение проводящих и непроводящих долей полупериода и изменяется ток (напряжение) в нагрузке.
Магнитные усилители делятся на две основные группы: дроссельные магнитные усилители и магнитные усилители с самоподмагничиванием.
Дроссельным называют магнитный усилитель, по рабочим обмоткам которого протекает переменный ток (иногда их называют ДН с подмагничиванием).
Магнитным усилителем с самоподмагничиванием (МУС) называют усилитель, по рабочим обмоткам которого протекает однополупериодный выпрямленный ток (или однополярный импульсный), т. е. в МУС по рабочим обмоткам проходит постоянная составляющая тока, и его сердечники можно было бы назвать ДН с самоподмагничиванием.
а) Принцип действия. Магнитный усилитель (МУ) — это электрический аппарат, предназначенный для усиления электрического сигнала по току, напряжению или мощности. В схеме простейшего дроссельного МУ (ДМУ), называемого дросселем насыщения (рис. 10.2), используется управляемое индуктивное сопротивление. Замкнутый магнитопровод изготавливается из материала с резко выраженной нелинейностью кривой намагничивания B=f(H). Рабочая обмотка переменного тока wp включается в цепь нагрузки RH. В обмотку управления wy подается управляющий постоянный ток Iу. Кривая намагничивания материала магнитопровода дана на рис. 10.3. При прохождении переменного тока по обмотке wp на обмотке wy наводится ЭДС. Эта ЭДС будет создавать переменный ток в цепи управления, для ограничения которого включается балластный дроссель Хб.
Рис. 10.2. Дроссельный МУ на одном магннтопроводе
Рис. 10.3. Изменение индукции В, напряженности Н и тока Iр при Iу = 0 и Iу = Iутах
При отсутствии тока управления (цепь управления разомкнута) индуктивное сопротивление обмотки
(10.1)
где
активное сечение магнитопровода;
средняя длина магнитной линии в магнитопроводе.
При неизменных
индуктивность,
определяется абсолютной магнитной проницаемостью
При
состояние магнитопровода характеризуется ненасыщенной зоной 1 (рис. 10.3). В этой зоне магнитная проницаемость
велика и индуктивное сопротивление обмотки
максимально.
Обычно
поэтому ток в цепи рабочей обмотки определяется только значением
,. и имеет минимальное значение, равное
. Напряженность магнитного поля
находится по индукции
.
П
одадим в обмотку управления такой постоянный ток управления IУmax, чтобы рабочая зона перешла в область 2. В этой области насыщения материал имеет магнитную проницаемость
Индуктивное сопротивление рабочей обмотки
резко уменьшается. Значения
выбираются так, что
. Тогда ток в цепи определяется только сопротивлением нагрузки. При этом все напряжение источника питания приложено к сопротивлению нагрузки
и активному сопротивлению rр рабочей обмотки
Мы рассмотрели два крайних режима усилителя — режим холостого хода, когда
и ток в нагрузке имеет минимальное значение
и режим максимального тока нагрузки. При плавном увеличении тока
ток нагрузки плавно увеличивается от
до максимального значения
за счет уменьшения магнитной проницаемости. Характеристика управления ДМУ приведена на рис. 10.4. По оси абсцисс отложен ток управления, приведенный к рабочей обмотке
Идеальная характеристика управления 1 является прямой, идущей из начала координат под углом 45° к оси
. Реальная характеристика 2 отличается от идеальной наличием тока холостого хода
и плавным переходом от линейной части характеристики к току
В линейной зоне характеристики соблюдается равенство средних значений МДС
Рис. 10.4. Характеристика управления ДМУ
Равенство (10.2) не зависит от колебаний питающего напряжения, сопротивления нагрузки и частоты источника. Данному значению тока управления всегда соответствует единственное значение тока нагрузки
Таким образом, ДМУ является управляемым источником тока.
Вследствие низких значений коэффициента усиления и большой массы ДМУ в настоящее время применяются редко, в основном как измерительные трансформаторы постоянного тока и напряжения. В первом случае роль обмотки управления wy выполняет шина, по которой проходит измеряемый постоянный ток
. Под воздействием магнитного потока, созданного током Iу, магнитопроводы 1 и 11 насыщаются (рис. 10.4,а). Рабочие обмотки
подключены к источнику переменного напряжения uР и создают, магнитные поля с индукцией Bp1 и Вр2. В цепь рабочих обмоток через выпрямительный мост включен измерительный прибор ИП, который является нагрузкой усилителя. Допустим, в рассматриваемый полупериод вектор индукции ВР1 совпадает по направлению с вектором индукции Ву управляющего поля обмотки wy, а вектор индукции Вр2 направлен встречно вектору Ву. В результате магнитопровод 1 насыщен и сопротивление обмотки хр1 переменному току равно нулю, а магнитопровод 11, наоборот, далек от насыщения. Материал магнитопроводов 1 и 11 имеет кривую намагничивания, форма которой близка к прямоугольной. Обозначим через Вs значение индукции насыщения материала магнитопровода. В таком материале при суммарном значении магнитной индукции
напряженность поля
/ При B>BS
и, следовательно,
и не оказывает влияния на полное сопротивление цепи рабочих обмоток. В магнитопроводе 11, где
можно записать
Из этого равенства следует, что ток
в течение рассматриваемого полупериода повторяет форму тока управления Iу. Так как
то и ток
в течение данного полупериода, т.е. принимает прямоугольную форму. В следующий полупериод встречно направлены вектора индукции ВР1 и By в магнитопроводе 1. Ток
изменит знак, но сохранит прямоугольную форму. На рис. 10., б показаны временные зависимости тока управления /у, тока в цепи рабочих обмоток
и тока
протекающего через измерительный прибор ИП. Мгновенные значения токов связаны равенством
которое выполняется и для средних значений
Реальная форма кривой намагничивания материала магнитопроводов отличается от прямоугольной. Поэтому и форма тока ip не прямоугольна, а в токе iН появляются глубокие провалы, что вызывает определенную погрешность измерения.
Рассмотренное устройство может быть использовано и в качестве измерительного трансформатора напряжения постоянного тока. Для этого многовитковая обмотка управления wу подключается к измеряемому напряжению U через большое добавочное сопротивление
(рис. 10.5, в).
Ток в обмотке управления wy пропорционален напряжению:
Для уменьшения потерь в добавочном сопротивлении ток
берется малым — около 10 мА. Измерение этого тока производится так же, как в рассмотренной выше схеме.
Рис. 10.5. Схема трансформатора постоянного тока (а), изменение токов в его обмотках (б) и измерительный трансформатор постоянного напряжения (в)
Усилитель с самонасыщением (МУС)
а) Физические процессы. Если в цепь рабочей обмотки МУ включить диод, то под действием постоянной составляющей выпрямленного тока происходит подмагничивание магнитопровода. Такие усилители называются усилителями с самоподмагничиванием или с самонасыщением (МУС). При рассмотрении такого усилителя (рис. 10.6) примем, что обратное сопротивление диода VD равно бесконечности, а прямое учитывается сопротивлением RB. В цепи управления включен балластный дроссель Хб для ограничения переменного тока, создаваемого рабочей обмоткой. Полярность напряжения источника, при которой диод проводит ток, примем за положительную, полупериод, при котором ток проходит через нагрузку, назовем рабочим (РП). Процессы, происходящие в МУС, в основном определяются формой динамической петли гистерезиса материала магнитопровода. Динамической петлей гистерезиса материала называется зависимостьВ(Н) при быстром изменении намагничивающего тока. Вследствие магнитной вязкости и вихревых токов в материале процесс перемагничивания замедляется и ширина динамической петли гистерезиса превышает ширину статической петли. Чем больше
тем шире петля гистерезиза. Для материала с высокой степенью прямоугольности кривой намагничивания динамическая петля гистерезиса имеет форму параллелограмма (рис. 6.6, о).
Рис. 10.6. Схема однополупериодного МУС
При отсутствии управляющего поля магнитопровод под-магничивается полем, созданным постоянной составляющей тока рабочей обмотки. Под действием этого поля в магнитопроводе устанавливается остаточная индукция
В рабочем полупериоде рабочая точка, характеризующая состояние магнитопровода, с ростом тока перемещается по участку 1—3. Так как магнитопровод насыщен, индуктивное сопротивление обмотки wp равно нулю. Все напряжение источника приложено к активному сопротивлению цепи
К концу рабочего полупериода состояние магнитопровода вновь возвращается в точку 1. Таким образом, при отсутствии сигнала управления ток нагрузки в рабочий полупериод
В следующий полупериод диод не пропускает ток и состояние магнитопровода характеризуется точкой 11 (напряжение источника приложено к вентилю и iР =0)
Двухполупериодные схемы МУС
Однополупериодная схема (рис. 10.6) практически не применяется из-за следующих недостатков:
-
Для ограничения наведенных в обмотке управления токов необходим балластный дроссель, наличие которого ухудшает выходные параметры МУС.
-
Прохождение рабочего тока лишь в течение одного полупериода уменьшает мощность нагрузки.
-
Схема пригодна для питания нагрузки только выпрямленным током.
Рис. 10.7. Магнитный усилитель с самонасыщением:
а — динамическая петля гистерезиса;
На рис. 10.7 изображены двухполупериодные мостовые схемы усилителя с нагрузкой на постоянном и переменном токе. При полярности вторичной обмотки питающего трансформатора, обозначенной на рис. 10.7, а, в верхнем усилителе МУС 1 имеет место рабочий полупериод, а в нижнем МУС 11 — полупериод управления. В следующем полупериоде МУС 11 будет находиться в рабочем полупериоде, а МУС1 — в полупериоде управления.
При большом сопротивлении в цепи управления переменная составляющая напряжения, наведенная на обмотках wy обмотками wр, создает малый переменный ток, которым можно пренебречь. Тогда по цепи управления протекает только ток Iу. Такой режим работы МУС называется режимом вынужденного намагничивания. В этом случае условия работы каждого МУС аналогичны рассмотренным ранее.
Обычно сопротивление цепи управления мало и для компенсации наводимых на обмотках wy ЭДС начала и концы обмоток должны соединяться, так, как показано на рис 10.8. Две обмотки управления могут быть заменены одной. При этом для схемы 10.8, а необходимо изменить направление включения рабочих обмоток wp (рис. 10.8).
Рис. 10.8. Схемы двухполупериодного МУС с общей обмоткой управления
Параметры МУС
Статические параметры
а) Крутизна характеристики управления. Для МУС характерна зависимость выходного напряжения Up только от
:
Изменение индукции
определяется током управления Iу. Как видно из (10/5), выходное напряжение Up не зависит от сопротивления рабочей цепи, и при данном токе управления МУС является управляемым источником напряжения. Если
то U мало зависит от сопротивления нагрузки.
Характеристикой управления МУС называется зависимость выходного напряжения от тока управления Up(Iy) или напряжения на нагрузке от тока управления Uн(Iy).
Крутизна характеристики управления
Подставляя в это выражение значение UB получаем
Следовательно,
Производная
характеризует наклон кривой размагничивания магнитопровода МУС и условно может определяться эквивалентной магнитной проницаемостью размагничивания
Введем понятие индуктивного сопротивления размагничивания:
Т
огда имеем
Таким образом,
б) Коэффициент усиления МУС. Коэффициент усиления по току
Коэффициент усиления по напряжению
Коэффициент усиления по мощности
Лекция №11
Тема лекции:
Предохранители, параметры, требования, характеристики. Выбор предохранителей.
Общие сведения
Предохранители — это электрические аппараты, предназначенные для зашиты электрических цепей от токовых перегрузок и токов КЗ. Основными элементами предохранителя являются плавкая вставка, включаемая последовательно с защищаемой цепью, и дугогасительное устройство.
К предохранителям предъявляются следующие требования.
-
Времятоковая характеристика предохранителя должна проходить ниже, но возможно ближе к времятоковои характеристике защищаемого объекта.
-
Время срабатывания предохранителя при КЗ должно быть минимально возможным, особенно при защите полупроводниковых приборов. Предохранители должны работать с токоограничением .
-
При КЗ в защищаемой цепи предохранители должны обеспечивать селективность защиты.
-
Характеристики предохранителя должны быть стабильными, а технологический разброс их параметров не должен нарушать надежность защиты.
-
В связи с возросшей мощностью установок предохранители должны иметь высокую отключающую способность.
-
Конструкция предохранителя должна обеспечивать возможность быстрой и удобной замены плавкой вставки при ее перегорании.
Нагрев плавкой вставки при длительной нагрузке
Основной характеристикой предохранителя является времятоковая характеристика, представляющая собой зависимость времени плавления вставки от протекающего тока. Для совершенной защиты желательно, чтобы времятоковая характеристика предохранителя (кривая 1 на рис. 11.1) во всех точках шла немного ниже характеристики защищаемой цепи или объекта (кривая 2 на рис. 11.1). Однако реальная характеристика предохранителя (кривая 3) пересекает кривую 2. Поясним это. Если характеристика предохранителя соответствует кривой 1, то он будет перегорать из-за старения или при пуске двигателя. Цепь будет отключаться при отсутствии недопустимых перегрузок. Поэтому ток плавления вставки выбирается больше номинального тока нагрузки. При этом кривые 2 и 3 пересекаются. В области больших перегрузок (область Б) предохранитель защищает объект. В области А предохранитель объект не защищает.
4>














