150720 (598886)
Текст из файла
-
РАЗОМКНУТАЯ СУЭП
РАЗОМКНУТАЯ СУЭП (или система без О.С.)- это система, в которой управление u(t) формируется в зависимости только от внешних воздействий: u(t) = [x(t), f(t)].
Применение разомкнутых АСУЭП:
-
Обеспечение определенной последовательности управления ЭП.
-
Пуск с ограничением момента (в резистивных ЭП).
-
Регуляторы скорости с малым диапазоном регулирования.
-
Стабилизаторы скорости (с каналом компенсации возмущения).
Функциональная схема разомкнутой СУ представлена на рис. 6.1.
Рис. 6.1.
КО - командный орган;
УУ - устройство управления;
СПУ - силовое переключающее устройство;
ТМ - технологичный механизм;
КСМ - контроль скорости и момента;
КП - контроль положения.
Подключение двигателя ЭД к сети обеспечивается СПУ, получающего команды от УУ.
КО обеспечивает подачу команд на пуск-торможение-реверс-останов. Устройства КСМ и КП обеспечивают контроль координат ЭП. В системах без ограничения момента (тока) формирование переходных процессов не предусматривается. Такие СУ типичны для АД с к.з. ротором, маломощных ДПТ.
Наиболее просто СУ реализуется для короткозамкнутого АД: после подачи команды на пуск осуществляется прямое включение АД на полное напряжение сети (рис. 6.2.).
Используется для построения СУ первой группы ЭП электроаппараты (контактные и бесконтактные) релейного действия.
Для включения и отключения силовых цепей применяют электромагнитные контакторы, пускатели, статические (тиристорные) переключатели. Для подачи командных сигналов - командоаппараты: кнопки Пуск, Стоп (СУ рис.6.2, схема 1), командоконтроллеры (СУ Рис.6.2, схема 2), путевые и конечные выключатели, датчики давления, температуры и других технологических параметров.
В СУ схеме для подачи напряжения в схему управления необходимо командоконтроллер установить в положении "О", при этом включаем РН и ставится на самопитание через свои нормально разомкнутые контакты РН. При перерыве в энергоснабжении при работе ЭП повторное включение ЭД возможно после установления К\К в положение "О".
Большое место в СУЭП занимают резисторные ЭП без регулирования скорости ,т.е. работающие с постоянной установившейся скоростью (АД с ф.р., ДПТ средней мощности (>7кВт)).Резисторные СУЭП обеспечивают динамические и статические режимы работы. Ступенчатое переключение резисторов, реакторов или других элементов в силовых цепях ЭД обеспечивает возможность ограничения момента (тока) в определенных пределах.
Количество ступеней определяет точность стабилизации момента при пуске или торможении, или обеспечивает требуемый момент в переходных режимах.
Управление производится автоматическим отключением резисторов через определенные промежутки времени
t1,
t2, ... ,
tn, при достижении определенной скорости или определенной величине тока I т.п. (рис.6.3).
Рис. 6.3.
Таким образом, управление пуском в принципе может быть осуществлено:
-
в функции времени;
-
в функции скорости;
-
в функции тока;
-
в функции ЭДС;
-
в функции пути.
Управление в функции времени f(t) предполагает, что в СУ есть аппараты, контролирующие время, т.е. реле времени, настраиваемые на отсчет определенных, наперед заданных выдержек времени. Каждое реле включает соответствующий контактор ускорения, силовой контакт которого закорачивает нужную ступень пускового сопротивления.
Для линейных механических характеристик двигателя при Мс=const время разгона привода на i- й ступени пуска:
где
- электромеханическая постоянная времени привода на i- й ступени;
начi, конi, Мначi, Мконi,- начальные и конечные значения скорости и момента двигателя на i- й ступени;
J- момент инерции привода, приведенный к валу двигателя.
Время торможения определяется из условия:
Выдержка реле времени определяется с учетом собственного времени включения (отключения) контактора:
Управление в функции скорости производится при помощи реле, контролирующих скорость двигателя непосредственно или косвенно.
При достижении заданного значения скорости соответствующее реле выдает команду на включение контактора ускорения. Наиболее употребительны косвенные способы, в которых используются величины, пропорциональные скорости двигателя: ЭДС якоря (для ДПТ), ЭДС или частоту тока ротора (для АД с фазным ротором и СД). В этих случаях говорят об управлении в функции ЭДС или частоты.
Управление в функции тока реализуется применением реле минимального тока. Эти реле включают контактор ускорения при снижении пускового тока до значения тока переключения.
-
-
Типовые узлы схем автоматического управления ДПТ
а) Управление пуском в функции времени.
Различают схемы с управление от кнопок и от командоконтроллеров. В зависимости от применяемых реле времени (РВ) различают схемы, в которых выдержка времени отсчитывается при подаче напряжения на катушку управления РВ (пневматические реле), и при обесточивании катушки управления РВ (электромагнитные реле). Катушки управления последних должны быть предварительно под напряжением. Поэтому, рассматривая работу схемы, необходимо определить состояние аппаратов (включены - отключены) перед подачей команды "Пуск".
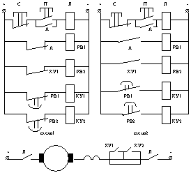
Управление пуском ДПТ может осуществляться по схеме управления 1 или 2. (рис. 6.4)
Схема 1: В исходном состоянии РВ1 и РВ2 включены, их нормально замкнутые контакты в цепи катушек КУ1 КУ2 разомкнуты. При нажатии кнопки "Пуск" включается линейный контактор , через силовые контакты которого подключается ДПТ к сети; начинается пуск ДПТ на первой пусковой ступени при полностью введенных пусковых резисторах. Одновременно обесточивается катушка РВ1 (разрываются блокконтакты ).
По истечении выдержки времени t1 электромагнитное реле времени РВ1 замыкает нормально замкнутые контакты в цепи контактора ускорения КУ1, включается КУ1 и силовыми контактами закорачивает часть пускового резистора. Одновременно нормально замкнутые блокконтакты КУ1 разрывают цепь питания катушки РВ2. Начинается отсчет выдержки времени разгона на второй пусковой ступени t2, по истечении которого замыкаются нормально замкнутые контакты РВ2, включается контактор КУ2, силовые контакты которого закорачивают оставшуюся часть пускового резистора. ДПТ выходит на разгон по естественной характеристике.
Схема 2; В исходном состоянии все аппараты обесточены. Нажимаем кнопку П включаются и РВ1 начинается отсчет времени разгона на первой пусковой ступени, по истечении которого замыкаются нормально разомкнутые контакты РВ1, включаются КУ1 и РВ2, начинается отсчет времени разгона на второй пусковой ступени, по истечении которого замыкаются нормально разомкнутые контакты РВ2, включается КУ2 разгон на естественной характеристике ДПТ.
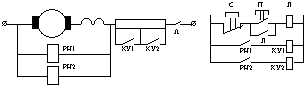
б)Управление пуском в функции скорости (ЭДС).
Схема 1
Схема 2
Рис. 6.5.
Схемы могут быть собраны на контакторах управления, подключенных параллельно якорю ДПТ и имеющих разное (схема 1) или одинаковое напряжение включения, или же с использованием промежуточных реле напряжений РН1 включаем параллельно якорю ДПТ (схема 2), и управляющих включением контакторов ускорения КУ. (рис. 6.5).
Напряжение включения аппаратов, подключенных параллельно якорю двигателя, пропорционально ЭДС, а следовательно, скорости ДПТ, при достижении определенного значения которой происходит закорачивание очередной части пусковых резисторов. Эти схемы получили малое распространение и применяются только для простых схем (2- 3 ступени) из-за нестабильности настройки (зависимость от напряжения сети, нагрузки и др.).
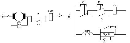
в) Управление пуском в функции тока
Рис. 6.6: пуск ДПТ в два этапа: разгон при номинальном потоке возбуждения в функции ЭДС и разгон на скорость выше номинальной при ослаблении магнитного потока - управление в функции тока.
РУП - реле управления полем, представляющее собой реле минимального тока. Нажимаем кнопку П включается , начинается разгон в две ступени до н1 управление в функции ЭДС под контролем КУ, включенного параллельно якорю ДПТ. При разгоне ток всегда больше ном, поэтому нормально разомкнутые контакты РУП замкнут, что обеспечивает Фном ДПТ (закорочен Rдоб в цепи ОВД).
После разгона ДПТ до ном при небольшом Мс Мном ток в якорной цепи уменьшается до значения, при котором отпадает якорь реле РУП, представляющем собой реле минимального тока. Нормально разомкнутые контакты РУП размыкаются, уменьшается ток возбуждения ДПТ. Если Мс возрастет, ток может достичь тока включения РУП - магнитный поток увеличится до Фн.
г) Торможение и реверс ДПТ
а) б) в)
Д
ля маломощных ДПТ (до 1 кВт) НВ можно применить (рис. 6.7 - а), обеспечивающую реверс и динамическое торможение при отключении.
Для ДПТ средней и большой мощности используют реверсоры тока якоря или тока возбуждения с двойным разрывом электрической цепи ( рис. 6.7 – б,в).
В - контакторы, обеспечивающие вращение "вперед";
Н - контакторы, обеспечивающие вращение "назад".
Управление реверсорами может быть с помощью реверсивных кнопок В и Н, а в автоматическом режиме- с помощью концевых выключателей КВ1 и КВ2 (рис. 6.7 – г) :
При нажатии кнопки В включается контактор В. Для реверса нажимаем кнопку Н, при этом размыкается цепь катушки контактора В, при отключении которого замыкается нормально замкнутый контакт В в цепи питания контактора Н и включается контактор Н. Нормально замкнутые контакты контакторов В и Н представляют собой электрическую блокировку на предотвращения аварийного режима при залипании магнитной системы отключаемого контактора. В автоматическом режиме отключение работающего контактора и включение реверсивного осуществляется переключением КВ1 и КВ2.
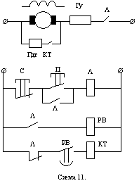
д) автоматическое управление торможением ДПТ в функции времени
Рис. 6.8.
В исходном состоянии все аппараты отключены. Нажимаем кнопку П включается разгон ДПТ. Нормально разомкнутые блокконтакты включают реле времени электромагнитного типа РВ, подготавливая его к работе, также сразу замыкаются нормально разомкнутые контакты РВ в цепи катушки КТ. Нажимаем кнопку С отключается , отключая ДПТ от сети. Нормально разомкнутые блокконтакты размыкаются, обесточивая РВ, а нормально замкнутые контакты в цепи катушки контактора торможения КТ включает КТ, силовой контакт которого замыкает цепь динамического торможения ДПТ. Время торможения определяется выдержкой времени реле РВ, по истечении которого все аппараты - в исходное состояние.
е) автоматическое управление торможением в функции скорости (ЭДС)
В качестве датчика скорости используют реле напряжения РЭВ 830 с низким коэффициентом возврата (напряжение отключения (0,1 0,2) Uн). В исходном состоянии - все аппараты отключены. (рис. 6.9.)
Характеристики
Тип файла документ
Документы такого типа открываются такими программами, как Microsoft Office Word на компьютерах Windows, Apple Pages на компьютерах Mac, Open Office - бесплатная альтернатива на различных платформах, в том числе Linux. Наиболее простым и современным решением будут Google документы, так как открываются онлайн без скачивания прямо в браузере на любой платформе. Существуют российские качественные аналоги, например от Яндекса.
Будьте внимательны на мобильных устройствах, так как там используются упрощённый функционал даже в официальном приложении от Microsoft, поэтому для просмотра скачивайте PDF-версию. А если нужно редактировать файл, то используйте оригинальный файл.
Файлы такого типа обычно разбиты на страницы, а текст может быть форматированным (жирный, курсив, выбор шрифта, таблицы и т.п.), а также в него можно добавлять изображения. Формат идеально подходит для рефератов, докладов и РПЗ курсовых проектов, которые необходимо распечатать. Кстати перед печатью также сохраняйте файл в PDF, так как принтер может начудить со шрифтами.












