150720 (598886), страница 2
Текст из файла (страница 2)
Нажимаем кнопку П вкл. , силовые контакты которого подключают якорь ДПТ через пусковые резисторы к сети, а нормально замкнутые блокконтакты размыкают цепь питания реле РV.
Н
Рис. 6.9.
ажимаем кнопку С откл. нормально замкнутые блокконтакты подключают РV параллельно якорю ДПТ, ЭДС которого достаточна для включения РV включается контактор КТ, начинается режим динамического торможения. При уменьшении скорости ДПТ ЭДС достигает уровня отпускания РV, Uотп = (0,1 0,2)Uн, что соответствует скорости (0,1 0,2)н. отключается КТ. Нормально разомкнутые контакты контакторов КТ и обеспечивают цепь питания катушки электромагнитного тормоза ЭМ накладываются механические тормоза.-
-
Типовые узлы схем автоматического управления ад
При пуске АД с фазным ротором пусковые токи ограничиваются резисторами, включенными в цепь ротора. Обмотка статора подключается контактором на полное напряжение сети. Отключение ступеней пускового резистора производится замыканием контактов контакторов ускорения КУ (схема 14). Число ступеней пускового резистора выбирается в зависимости от требований поддержания постоянства Мпуск АД и от Мс статической нагрузки.
Команды на пуск и остановку АД подаются кнопками управления или другими командными устройствами. Управление моментом АД с фазным ротором при пуске осуществляется по программе в функции времени. Схемы в основном соответствуют схемам управления ДПТ, но могут выполняться на аппаратах переменного тока. При большой частоте включения схемы выполняются на аппаратах постоянного тока. В схеме (рис. 6.10) применяют силовые аппараты- контакторы линейный и ускорения КУ1- КУ3 на переменном токе, а в качестве элементов контроля времени- электромагнитные реле времени постоянного тока серии РЭВ 810 или РЭВ 80. Схема работает аналогично схеме управления в функции времени ДПТ.
В исходном состоянии (до нажатия кнопки Пуск) находятся под напряжением обмотки реле РВ1, РВ2 и РВ3. Их нормально замкнутые контакты цепях управления контакторами ускорения разомкнуты. При нажатии кнопки П включается контактор , через силовые контакты которого статорная обмотка АД подключается к сети. Одновременно с этим обесточивается обмотка РВ1 нормально замкнутыми блокконтактами контактора . Начинается отсчет выдержки времени разгона АД на первой пусковой ступени с полностью введенными в цепь ротора пусковыми резисторами. По истечении установленной выдержки времени замыкаются нормально замкнутые контакты РВ1, включается контактор КУ1 и своими силовыми контактами КУ1 закорачивает часть пускового резистора, а блокконтактами КУ1- обесточивает реле времени РВ2. Начинается отсчет времени на второй пусковой ступени. При замыкании нормально замкнутых контактов РВ2- включается КУ2, обесточивается РВ3- начинается разгон на третьей пусковой ступени. При замыкании нормально замкнутых контактов РВ3- включается КУ3, АД выходит на разгон при полностью закороченных пусковых резисторах.
Автоматическое управление торможением АД осуществляют в функции времени или в функции скорости.
На рис. 6.11 представлена схема узла, обеспечивающего динамическое торможение АД с управлением в функции времени.
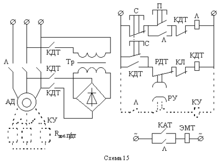
Узел применяют при отсутствии сети постоянного тока, поэтому обмотка статора АД питается через выпрямитель с трансформатором Тр. В схеме используют аппараты переменного тока. Реле времени РДТ - маятниковое, пристроенное к контактору динамического торможения КДТ.
У АД с фазным ротором при торможении в цепь ротора вводится добавочное сопротивление Rдоб.ДТ, обычно равное сопротивлению пускового реостата Rдоб.П (на схеме реостат показан в виде одной ступени, управляемой контактором КУ и реле времени РУ- штриховые линии. РУ - маятниковое, пристроенное к линейному контактору ).
Пуск: В исходном состоянии до нажатия кнопки П все аппараты обесточены. При нажатии кнопки П включается линейный контактор и запускается маятниковое реле отсчета выдержки времени РУ разгона АД с фазным ротором на первой пусковой ступени с веденным реостатом Rдоб.П. После замыкания нормально разомкнутых контактов КУ АД выходит на разгон по естественной характеристике.
Д.Т. : При нажатии кнопки С (стоп) отключаются контакторы и КУ, и вводится в цепь ротора Rдоб.ДТ (для АД с ф.р.). Замыкающий контакт кнопки С подготавивает цепь включения контактора КДТ, при срабатывании КДТ постоянное напряжение подается к двум фазам статорной обмотки АД и начинается динамическое торможение (ДТ). При включении КДТ запускается РДТ, которое, отсчитав выдержку времени, установленную для динамического торможения, отключает своими контактами контактор КДТ. При отключении обоих контакторов и КДТ накладываются механические тормоза ЭТМ.
Автоматическое управление торможением противовключением АД осуществляется в функции скорости.
РКС - индукционное реле контроля скорости .
При нажатии кнопки П включается контактор и пускается АД, статорная обмотка которого подключается к сети через силовые контакты . РКС замыкает свои нормально разомкнутые контакты в цепи катушки контактора противовключения Т, подготавливая его к включению. При нажатии кнопки С контактор отключается и замыкается цепь питания катушки контактора Т. Начинается режим торможения противовключением. При скорости, близкой к нулю, контакт РКС размыкается и отключает контактор Т. При помощи РКС можно также управлять динамическим торможением АД с к.з. и фазным ротором. Схема соответствующего узла аналогична схеме рис 6.11, где вместо реле РДТ в цепи управления нужно включить размыкающий контакт реле РКС.
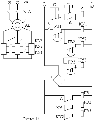
Рис. 6.13 представляет собой узел, реализующий управление торможением противовключением АД с ф.р.
В этой схеме используют косвенный метод контроля скорости АД посредством реле напряжения РП постоянного тока, катушка которого подключена через выпрямитель к контактным кольцам обмотки ротора.
Напряжение на катушке РП пропорционально скольжению S двигателя:
UПР Е2К S где Е2К- линейная ЭДС ротора при S = 1.
РП настраивается с помощью регулировочного реостата Rрег так, чтобы оно срабатывало в начале процесса торможения противовключением АД, т.е. при S=2, и отпускало свой якорь при напряжении, соответствующем S=1, т.е. нулевой скорости. При пуске РП не включается. Схема работает таким образом, что пусковой ток ограничивается только реостатом ускорения Rу, а при торможении противовключением в цепь ротора вводятся дополнительно сопротивление Rп.
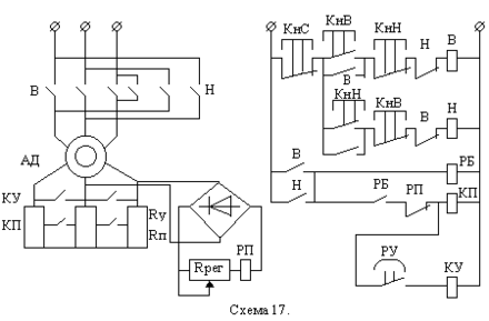
Работа схемы при пуске АД : При нажатии кнопки В включается контактор В, подключается статорная обмотка АД к сети, включается РБ и сразу за ним КП, что обеспечивает пуск при введенном Rу и закороченном Rп. Пуск производится в две ступени под контролем реле времени маятникового типа РУ (установлено в контакторе КП). После срабатывания КП начинается отсчет выдержки времени для разгона на первой пусковой ступени, по истечении которой через нормально разомкнутые контакты РУ включается контактор ускорения КУ.
Работа схемы при реверсе АД : Нажимаем кнопку Н, отключаем контактор В, КП, КУ и РБ. После замыкания нормально замкнутых контактов контактора В в цепи катушки контактора Н (электрическая блокировка), включаем контактор Н, начинается электрическое торможение противовключением АД. При этом в роторной цепи АД включены все резисторы (Rу + Rп), т.к. реле РП сработало и блокировало включение контактора КП. При скорости ротора, близкой к 0, отпадает якорь РП и замыкает свой нормально замкнутый контакт в цепи питания КП, при срабатывании которого закорачивается Rп в цепи ротора АД. Начинается разгон АД в обратном направлении с введенным реостатом Rу под контролем реле времени РУ (смотреть работу схемы при пуске). При нажатии кнопки С АД отключается от сети и тормозится только под действием статического момента.
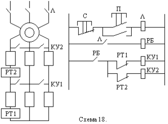
Управление в функции тока может применяться при пуске и торможении противовключением АД с фазным ротором. Для реализации этого принципа применяют, как и для ДПТ, реле минимального тока, которое дает команду на очередное переключение реостатов при падении пускового тока ниже тока отпускания якоря реле.
Пуск АД в функции тока
Для каждой ступени пусковых реостатов используется свое реле минимального тока РТ1 и РТ2. Первым должно при пуске АД сработать РТ1, поэтому ток отпускания
Реле блокировки РБ служит для исключения ложного срабатывания контакторов ускорения КУ1 и КУ2 до пуска АД при подаче напряжения в схему управления. При этом время срабатывания РБ должно быть больше времени включения реле тока РТ1 и РТ2, т.е. при пуске к моменту замыкания нормально разомкнутых контактов РБ нормально замкнутые контакты РТ1 и РТ2 должны успеть разомкнуться.
При управлении торможением противовключением АД с ф.р. в функции тока при падении тока в роторной цепи в схему управления подается команда от РТ1 на отключение первой ступени реостатов ограничения тока ротора.
-
-
Типовые узлы схем ау синхронным двигателем
Пуск СД осуществляется в три этапа:
1. Разгон до подсинхронной скорости (0,7 о).
2. Подача возбуждения в обмотку ротора.
3. Синхронизация с сетью.
Разгон до подсинхронной скорости может осуществляться за счет внешнего крутящего момента (генератор в двигательном режиме в системе Г- СД) или с помощью пусковой короткозамкнутой обмотки, заложенной в ротор СД. В зависимости от мощности питающей сети, так же, как и в АД, применяются пуски при полном и пониженным напряжениях с использованием резисторов, реакторов и автотрансформаторов (схема 13).
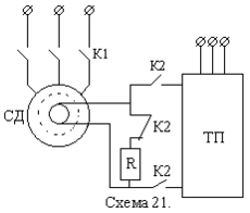
Подача напряжения возбуждения на обмотку ротора СД производится от возбудителя, расположенного на одном валу с СД, или полупроводникового выпрямителя. В зависимости от момента подачи полного напряжения на статор СД в сочетании с подачей возбуждения в роторную обмотку СД различают три вида пуска СД: прямой, тяжелый и легкий.
При прямом пуске на обмотку статора подается полное напряжение сети, а ОВ СД подключается наглухо (без разрыва) к якорю возбудителя (схема 19).
Прямой пуск с глухоподключенным возбудителем возможен при наличии трех условий:
-
если позволяет мощность питающей сети;
-
если время разгона до подсинхронной скорости меньше времени самовозбуждения возбудителя, чтобы подача тока возбуждения в ротор происходила после достижения подсинхронной скорости;
-
если момент статического сопротивления на валу не превышает 40% Мном СД, что гарантирует разбег СД без застревания на половине синхронной скорости (в этом месте механической характеристики СД провал момента).
Синхронизация СД с сетью обычно происходит автоматически при подсинхронной скорости и подаче возбуждения (рис. 6.15- а).
Если при пуске время разбега СД превышает время самовозбуждения возбудителя при Мс > 0,4 Мн, то применяют прямой пуск с разрядным резистором R в цепи ОВ СД (рис. 6.15- б), который отключается при разбеге СД до подсинхронной скорости. При питании ОВ СД от ТП (тиристорного преобразователя) также включает разрядный резистор R (рис. 6.15- в). Разрядный резистор ограничивает ток возбуждения при пуске, улучшая этим механическую характеристику СД, и обеспечивает ускоренное гашение поля СД после его отключения от сети.
R = (8 10)Rр,














